



单片机是微型计算机的一个分支,在组成原理上它同计算机没有什么本质区别,只是在结构上有其独到之处,因此,可以用对微型计算机的眼光来看待和学习单片机。
Intel公司于1980年推出了MCS-51系列单片机,这是一种高性能的8位单片机,具有较高的性价比。MCS-51系列单片机的通用寄存器结构和指令功能,远远超过 8 位微处理机Z80-CPU,即使与MCS-96系列16位的微处理机相比,MCS-51系列单片机也有其自己的优势,即它片外有 2 个 64KB的存储空间:一个是可扩充的程序存储器ROM的空间;一个是可扩充的数据存储器RAM的空间。充裕的片外存储空间,为系统设计时扩充接口芯片、设置大容量存储器以及存储众多表格提供了方便。
MCS-51系列单片机的典型产品为 8051、8751、8031,它们的基本组成和基本性能都是相同的。通常MCS-51也泛指以 8051 为内核的单片机。
8051是ROM型单片机,内部有4KB的掩膜ROM,即单片机出厂时,程序已由生产厂家固化在程序存储器中;8751片内含有4KB的EPROM,用户可以把编写好的程序用开发机或编写器写入其中,需要修改时,可以先用紫外线擦除器擦除,然后再写入新的程序;8031片内没有ROM,使用时需在片外接EPROM。除此之外,8051、8751和8031的内部结构是完全相同的,都具有如下特性:
(1)面向控制的 8 位CPU。
(2)128B的片内数据存储器。
(3)可以寻址 64KB的片外程序存储器。
(4)可以寻址 64KB的片外数据存储器。
(5)32根双向和可单独寻址的I/O线。
(6)一个全双工的异步串行口。
(7)两个 16 位定时器/计数器。
(8)5 个中断源,两个中断优先级。
(9)有片内时钟振荡器。
(10)采用高性能的HMOS生产工艺。
(11)有布尔处理(位操作)能力。
(12)含基本指令 111 条,其中单机器周期指令 64 种。
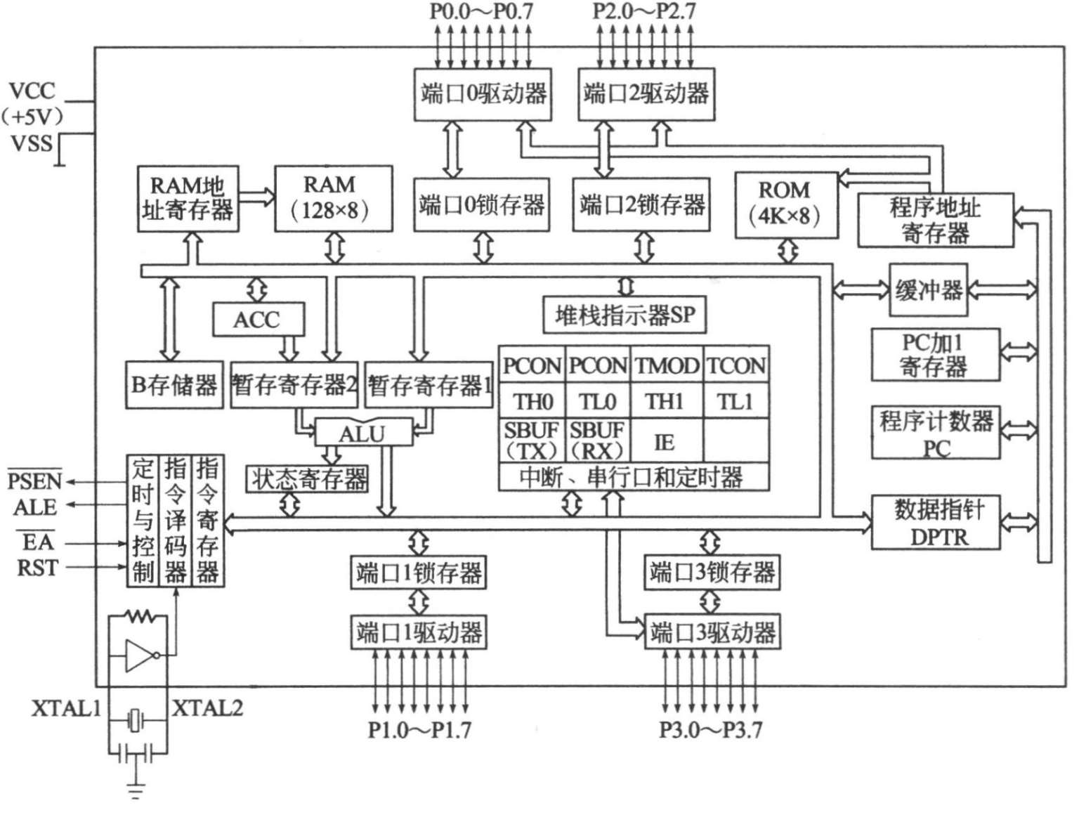
MCS-51单片机采用的是冯·诺伊曼提出的经典计算机体系结构框架,即一台计算机是由运算器、控制器、存储器、输入设备和输出设备共五个基本部分组成。MCS-51系列单片机在一块芯片上集成了CPU、RAM、ROM、定时器/计数器和多功能I/O口等。MCS-51系列单片机的系统结构组成图如图2-1所示。
图 2-1 MCS-51系列单片机的系统结构组成图
图2-1中4KB的ROM存储器部分用EPROM替换就成为8751的结构组成图;图中去掉ROM部分就成为 8031 的结构组成图。
单片机的结构有两种类型,一种是程序存储器和数据存储器分开的形式,即哈佛(Harvard)结构,另一种是采用通用计算机广泛使用的程序存储器与数据存储器合二为一的结构,即冯·诺伊曼结构,又称普林斯顿(Princeton)结构。Intel的MCS-51系列单片机采用的是哈佛结构的形式,而后续产品 16 位的MCS-96 系列单片机则采用普林斯顿结构。
如图2-2所示,是MCS-51系列单片机内部结构示意图。
图 2-2 MCS-51系列单片机内部结构示意图
(1)中央处理器
中央处理器(CPU)是整个单片机的核心部件,能处理 8位二进制数据或代码。CPU负责控制、指挥和调度整个单元系统协调的工作,完成运算和控制输入输出功能等操作。
(2)定时器/计数器
MCS-51单片机片内有两个16位的定时器/计数器,即定时器0和定时器1。它们可以用于定时控制、延时以及对外部事件的计数和检测等。
(3)存储器
MCS-51系列单片机的存储器包括数据存储器和程序存储器,其主要特点是程序存储器和数据存储器的寻址空间是相互独立的,物理结构也不相同。对MCS-51系列单片机(8031 除外)而言,有 4 个物理上相互独立的存储器空间:即内、外程序存储器和内、外数据存储器。对于8051其芯片中共有的256个RAM单元,其中后128个单元被专用寄存器占用,只有前 128 个单元供用户使用。
(4)并行I/O口
MCS-51单片机共有4个8位的I/O口(P0、P1、P2和P3),每一条I/O线都能独立地用作输入或输出。P0口为三态双向口,能带8个TTL门电路,P1、P2和P3口为准双向口,负载能力为 4 个TTL门电路。
(5)串行I/O口
MCS-51单片机具有一个采用通用异步工作方式的全双工串行通信接口,可以同时发送和接收数据。它具有两个相互独立的接收、发送数据缓冲器,两个缓冲器共用一个地址(99H),发送缓冲器只能写入,不能读出,接收缓冲器只能读出,不能写入。
(6)中断控制系统
MCS-51单片机的中断功能较强,以满足控制应用的需要。8051共有5个中断源,即外中断 2 个,定时/计数中断 2 个,串行中断 1 个。所有中断分为高级和低级两个中断优先级。
(7)时钟电路
MCS-51芯片内部有时钟电路,但晶体振荡器和微调电容必须外接。时钟电路为单片机产生时钟脉冲序列,振荡器的频率范围为 1.2MHz~12MHz,典型取值为 6MHz。
(8)总线
以上所有组成部分都是通过总线连接起来,从而构成一个完整的单片机。系统的地址信号、数据信号和控制信号都是通过总线传送的,总线结构减少了单片机的连线和引脚,提高了集成度和可靠性。
综上所述,单片机虽然是一个小小的芯片,但是普通计算机应该具有的基本部件在单片机中几乎都包括,因此应当按计算机系统的概念来理解和学习它。