购买
下载掌阅APP,畅读海量书库
立即打开
畅读海量书库
扫码下载掌阅APP

第三节
装饰装修工程图基本知识

一、装饰装修工程图的组成

装饰装修工程图由效果图、建筑装饰施工图和室内设备施工图组成。从某种意义上讲,效果图也应该是施工图。在施工制作中,它是形象、材质、色彩、光影与氛围等艺术处理的重要依据,是建筑装饰工程所特有的、必备的施工图样。它所表现出来的诱人观感的整体效果,不单是为了招标投标时引起甲方的好感,更是施工生产者所刻意追求且最终应该达到的目标。

建筑装饰施工图也分基本图和详图两部分。基本图包括装饰平面图、装饰立面图、装饰剖面图,详图包括装饰构配件详图和装饰节点详图。

二、装饰装修工程图的排序

建筑装饰工程图也要对图纸进行归纳与编排。将图纸中未能详细标明或图样不易标明的内容写成设计施工总说明,将门、窗和图纸目录归纳成表格,并将这些内容放于首页。由于建筑装饰工程是在已经确定的建筑实体上或其空间内进行的,因而其图纸首页一般都不安排总平面图。

建筑装饰工程图纸的编排顺序原则是:表现性图纸在前,技术性图纸在后;装饰施工图在前,室内配套设备施工图在后;基本图在前,详图在后;先施工的在前,后施工的在后。

建筑装饰施工图简称“饰施”,室内设备施工图可简称为“设施”,也可按工种不同,分别简称为“水施”、“电施”和“暖施”等。这些施工图都应在图纸标题栏内注写自身的简称(图别)与图号,如“饰施1”“设施1”等。

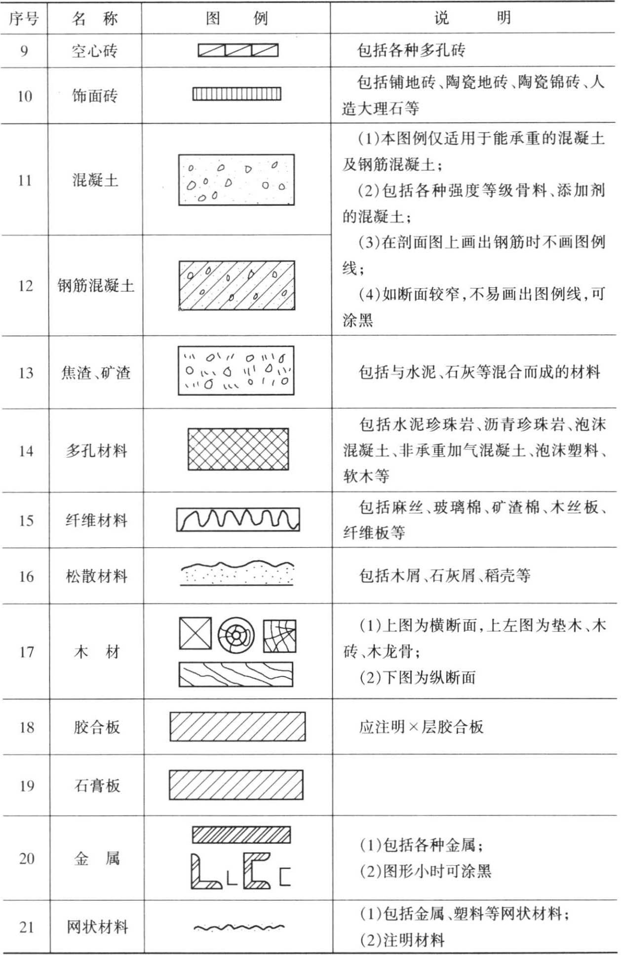
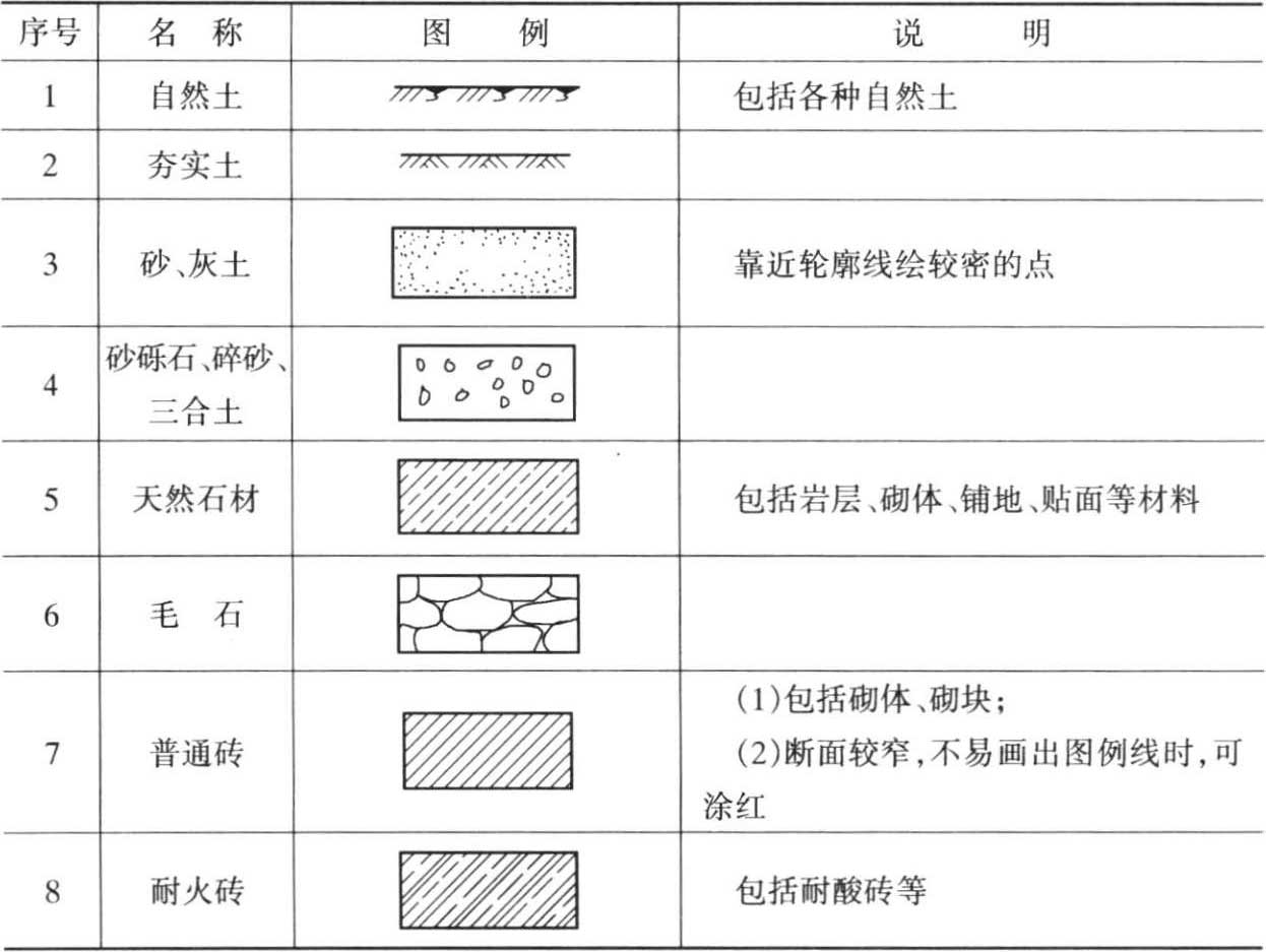
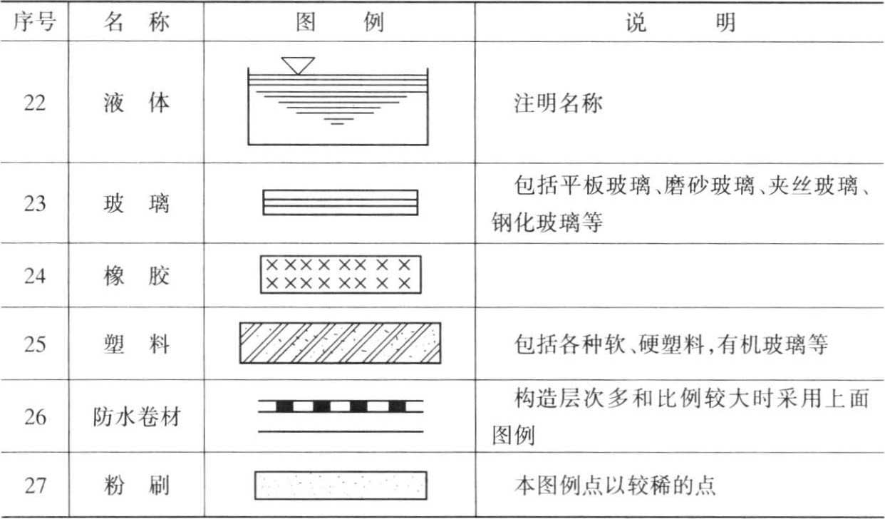
三、装饰装修工程常用图例

1.装饰装修工程常用的建筑材料图例

装饰装修工程常用的建筑材料图例见表1-3。

表1-3 装饰装修工程常用的建筑材料图例

续表

续表

2.装饰装修工程常用的平面布置图例

装饰装修工程常用的平面布置图例见表1-4。

表1-4 装饰装修工程常用的平面布置图例

续表

续表

续表 RGVjNxDOM2te+op4nByxfAXxbXrzG63NqHUJR9KxYlDpO17zuIkt2XoQYn6Kyro0

点击中间区域
呼出菜单
上一章
目录
下一章
×