购买
下载掌阅APP,畅读海量书库
立即打开
畅读海量书库
扫码下载掌阅APP

第二节
建筑制图的表示方法

一、幅面、标题栏与会签栏

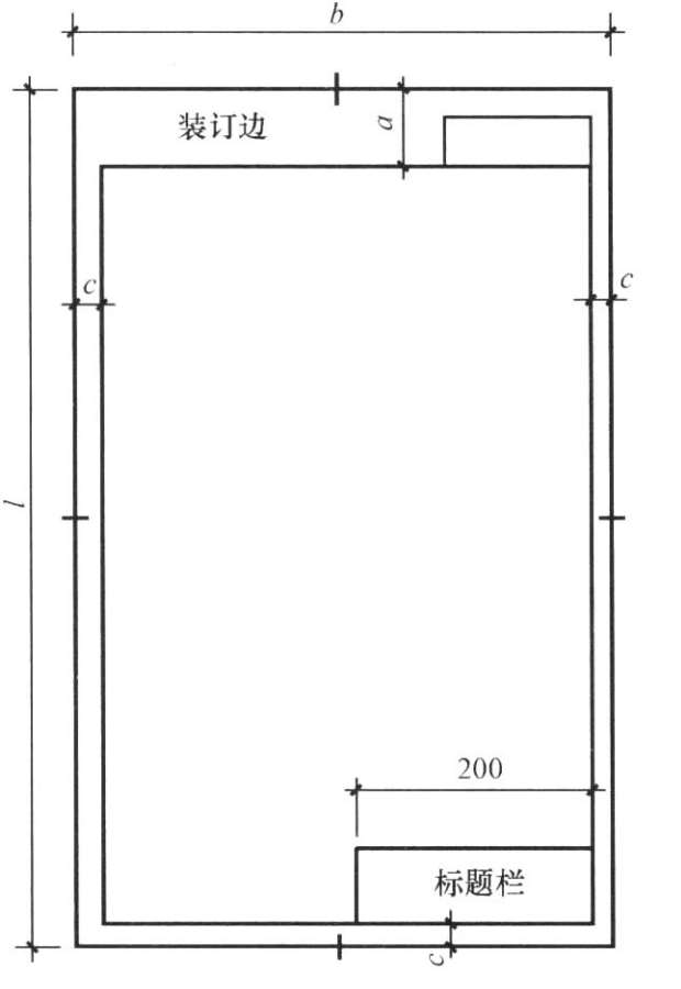
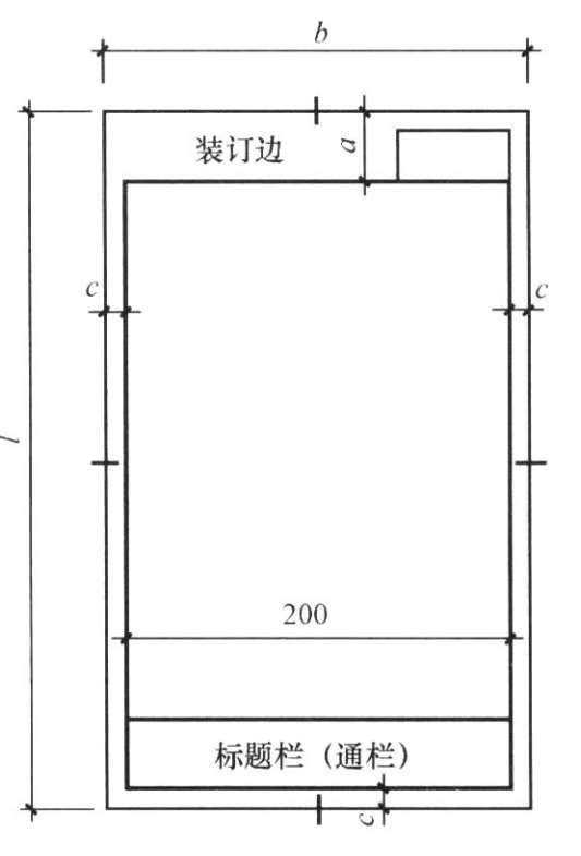
图纸幅面及图框尺寸,应符合表1-1的规定及图1-1~图1-3的格式;标题栏的设置,见图1-4;会签栏的设置,见图1-5。

图1-1 A0~A3横式幅面

图1-2 A0~A3立式幅面

图1-3 A4立式幅面

表1-1 幅面及图框尺寸(mm)

图1-4 标题栏

图1-5 会签栏

二、比例

图样的比例,应为图形与实物相对应的线性尺寸之比。比例的大小,是指其比值的大小,如1∶50大于1∶100。比例的符号为“∶”,比例应以阿拉伯数字表示,如1∶1、1∶2、1∶100等。比值大于1的比例称之为放大比例,比值小于1的比例称为缩小比例。建筑施工图中常用的比例,见表1-2。

表1-2 常用比例

三、符号

1.剖切符号

施工图中剖视的剖切符号用粗实线表示,它由剖切位置线和投射方向线组成。剖切位置线的长度大于投射方向线的长度(图1-6),一般剖切位置线的长度为6~10mm,投射方向线的长度为4~6mm。剖视剖切符号的编号为阿拉伯数字,顺序由左至右、由上至下连续编排,并注写在剖视方向线的端部(图1-6)。需转折的剖切位置线,在转角的外侧加注与该符号相同的编号,见图1-6中3—3剖切线。构件剖面图的剖切符号通常标注在构件的平面图或立面图上。

图1-6 剖视的剖切符号

图1-7 断面的剖切符号

断面的剖切符号用粗实线表示,且仅用剖切位置线而不用投射方向线。断面的剖切符号编号所在的一侧为该断面的剖视方向,如图1-7所示。

剖面图或断面图与被剖切图样不在同一张图纸内时,在剖切位置线的另一侧标注其所在图纸的编号,或在图纸上集中说明。

2.索引符号、详图符号

图样中的某一局部或构件需另见详图时,以索引符号索引,见图1-8(a)。索引符号由直径为10mm的圆和水平直径组成,圆和水平直径用细实线表示。索引出的详图与被索引出的详图同在一张图纸时,在索引符号的上半圆中用阿拉伯数字注明该详图的编号,在下半圆中间画一段水平细实线,见图1-8(b)。索引出的详图与被索引出的详图不在同一张图纸时,在索引符号的上半圆中用阿拉伯数字注明该详图的编号,在下半圆中用阿拉伯数字注明该详图所在图纸的编号,见图1-8(c),数字较多时,也可加文字标注。

图1-8 索引符号

索引出的详图采用标准图时,在索引符号水平直径的延长线上加注该标准图册的编号,见图1-8(d)。

索引符号用于索引剖视详图时,在被剖切的部位绘制剖切位置线,并用引出线引出索引符号,引出线所在的一侧即为投射方向,见图1-9。索引符号的编号同上。

图1-9 用于索引剖面详图的索引符号

图1-10 零件、杆件的编号

零件、杆件的编号用阿拉伯数字按顺序编写,以直径为4~6mm的细实线圆表示,见图1-10,同一图样圆的直径要相同。

详图符号的圆用直径为14mm的粗线表示,当详图与被索引出的图样在同一张图纸内时,在详图符号内用阿拉伯数字注明该详图编号,见图1-11。

当详图与被索引出的图样不在同一张图纸时,用细实线在详图符号内画一水平直径,上半圆中注明详图的编号,下半圆注明被索引图纸的编号,见图1-12。

图1-11 与被索引出的图样在同一张图纸的详图符号

图1-12 与被索引出的图样不在同一张图纸的详图符号

3.引出线

施工图中的引出线用细实线表示,它由水平方向的直线或与水平方向成30°、45°、60°、90°的直线和经上述角度转折的水平直线组成。文字说明注写在水平线的上方或端部,见图1-13(a)、(b),索引详图的引出线与水平直径线相连接,见图1-13(c)。

图1-13 引出线

同时引出几个相同部分的引出线,引出线可相互平行,也可集中于一点,见图1-14。

图1-14 共用引出线

多层构造或多层管道共用的引出线要通过被引出的各层。文字说明注写在水平线的上方或端部,说明的顺序由上至下,与被说明的层次一致。如层次为横向排序时,则由上至下的说明顺序与由左至右的层次相一致,见图1-15。

图1-15 多层构造引出线

4.对称符号

施工图中的对称符号由对称线和两端的两对平行线组成。对称线用细点划线表示,平行线用细实线表示。平行线长度为6~10mm,每对平行线的间距为2~3mm,对称线垂直平分于两对平行线,两端超出平行线2~3mm,见图1-16。

图1-16 对称符号

图1-17 连接符号

5.连接符号

施工图中,当构件详图的纵向较长、重复较多时,可省略重复部分,用连接符号相连。连接符号用折断线表示所需连接的部位,当两部位相距过远时,折断线两端靠图样一侧要标注大写拉丁字母表示连接编号。两个被连接的图样要用相同的字母编号,见图1-17。

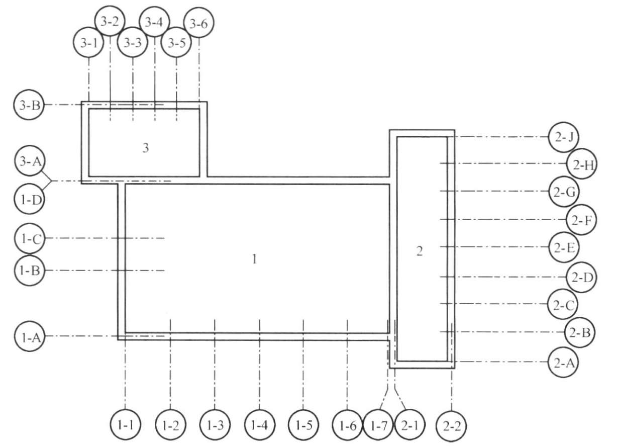
四、定位轴线

施工图中的定位轴线用细点划线表示,轴线的编号写在轴线端部的圆内,圆用细实线表示,直径为8~10mm,定位轴线圆的圆心在定位轴线的延长线上或延长线的折线上。

平面图上定位轴线的编号注在图样的下方与左侧,横向编号用阿拉伯数字,从左至右编写,竖向编号用大写拉丁字母,从下至上编写,见图1-18。拉丁字母不够用时,可用双字母或单字母加数字角标,如用A A 、B A …Y A 或A 1 、B 1 …Y 1 表示。

图1-18 定位轴线的编号顺序

组合较复杂的平面图,定位轴线可采用分区编号,见图1-19,编号形式为“分区号-该分区编号”。分区号用阿拉伯数字或大写拉丁字母表示。

图1-19 定位轴线的分区编号

附加定位轴线的编号用分数表示,两根轴线间的附加轴线,分母表示前一轴线的编号,分子表示附加轴线的编号,见图1-20(a)、(b)。1号轴线和A号轴线之前的附加轴线的分母用01或0A表示,见图1-20(c)、(d)。

图1-20 附加定位轴线的编号

当一个详图适用于几根轴线时,同时注明各有关轴线的编号,图1-21(a)用于2根轴线,图1-21(b)用于3根或3根以上轴线,图1-21(c)用于3根以上连续编号轴线,通用详图的定位轴线只画圆,不注写轴线编号。

图1-21 详图的轴线编号

圆形平面图的定位轴线编号,径向轴线用阿拉伯数字,从左下角开始按逆时针顺序编写,圆周轴线用大写拉丁字母,从外向内顺序编写,见图1-22。

图1-22 圆形平面图定位轴线的编号

折线形平面图的定位轴线编号,见图1-23。

图1-23 折线形平面图定位轴线的编号

需要注意的是,结构平面图中的定位轴线与建筑平面图或总平面图中的定位轴线应一致,同时结构平面图要标注结构标高。

五、尺寸标注

(1)图样上的尺寸,包括尺寸界线、尺寸线、尺寸起止符号和尺寸数字,见图1-24。

图1-24 尺寸的组成

(2)图样上的尺寸单位,除标高及总平面以米为单位外,其他必须以毫米为单位。

(3)角度的尺寸线应以圆弧表示。该圆弧的圆心应是该角的顶点,角的两条边为尺寸界线。起止符号应以箭头表示,如没有足够位置画箭头,可用圆点代替,角度数字应按水平方向注写,见图1-25。

(4)标注圆弧的弧长时,尺寸线应以与该圆弧同心的圆弧线表示,尺寸界线应垂直于该圆弧的弦,起止符号用箭头表示,弧长数字上方应加注圆弧符号“ ”(图1-26),弦长标注方法见图1-27。

图1-25 角度标注方法

图1-26 弧长标注方法

图1-27 弦长标注方法

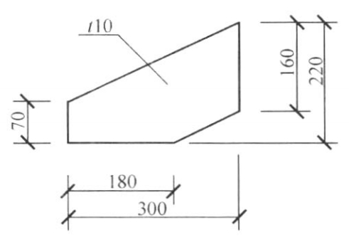
(5)在薄板板面标注板厚尺寸时,应在厚度数字前加厚度符号“ t ”,见图1-28。

图1-28 薄板厚度标注方法

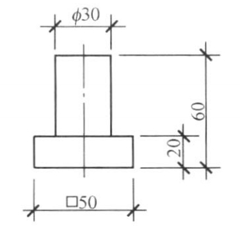
图1-29 标注正方形尺寸

(6)标注正方形的尺寸,可用“边长×边长”的形式,也可在边长数字前加正方形符号“ ”,见图1-29。

(7)标注坡度时,应加注坡度符号“ ”,见图1-30(a)、(b),该符号为单面箭头,箭头应指向下坡方向。

坡度也可用直角三角形形式标注,见图1-30(c)。

图1-30 坡度标注方法

六、标高

(1)标高符号等腰三角形,按图1-31(a)和图1-31(b)所示形式绘制。标高符号的具体画法,见图1-31(c)。

图1-31 标高符号

l —取适当长度注写标高数字; h —根据需要取适当高度

(2)总平面图室外地坪标高符号,宜用涂黑的三角形表示,见图1-32。

(3)标高符号的尖端应指至被注高度的位置。尖端一般应向下,也可向上。标高数字应注写在标高符号的左侧或右侧,见图1-33。

图1-32 总平面图室外地坪标高符号

图1-33 标高的指向

图1-34 同一位置注写多个标高数字

(4)标高数字应以“m”为单位,注写到小数点以后第三位。在总平面图中,可注写到小数字点以后第二位。

(5)零点标高应注写成±0.000,正数标高不注“+”,负数标高应注“-”,例如3.000、-0.600。

(6)在图样的同一位置需表示几个不同标高时,标高数字可按图1-34的形式注写。 zfTXLvVeE4N3Ar8loHa3ecL53FKYt73Y+2Th530FSB9uMWZfUPWQq4xq8OW4UMeN

点击中间区域
呼出菜单
上一章
目录
下一章
×