



房屋是由基础、承重墙、非承重墙、柱、梁、楼面板、屋面板、门窗等构件组成的,见图2-1。在这些构件中,由基础、承重墙、柱、梁、楼面板、屋面板等组成一个承受房屋的自重、人群和家具的重力、风力等荷载和地震、温度变化等作用的体系,以保证房屋安全和正常地工作,此体系称为房屋结构,又称为建筑结构。
图2-1 民用房屋构造组成
建筑物埋置在土层中的那部分承重结构称为基础,而支承基础传来荷载的土(岩)层称为地基。工程中用做地基的土壤有:砂土、黏土、碎石土、杂填土及岩石。土壤分为四类,其中一、二类土合并为普通土;岩石分为两类:普通岩和坚硬岩。
地基分为天然地基和人工地基两大类。应用自然土层做地基的称为天然地基;经过人工加固处理的地基称为人工地基。常用的人工地基有:压实地基、换土地基和桩基。
图2-2 砖基础的构造
图2-2是砖基础的构造,它由下列五部分组成:
(1)垫层。垫层在基础的最下部,直接与地基接触。常见的垫层有灰土(二七灰土或三七灰土)、碎砖三合土及素混凝土。
(2)大放脚。是指基础下部逐级放大的台阶部分。大放脚分为等高式大放脚和间隔式大放脚两种。前者的砌法为二皮一收,后者为二、一间收(即二皮一收)与一皮一收相间隔。每次收进宽度均为1/4砖长。
(3)防潮层。为防止地下水或室外地面水对墙及室内的浸入而设置的一道防水处理层。防潮层的位置一般设在室内地面以下一皮砖处(并在地面层厚度之内,室外地坪以上)。
(4)基础墙。从构造上讲,大放脚顶面至防潮层为基础墙;在预算定额中的工程量计算上,一般以室内地坪±0.000为上界,上界以下为基础。
(5)勒脚。勒脚是外墙接近室外地面部位的加固构造层。常用做法有贴面类、铺砌类及抹灰类三种。
按基础的材料,可分为砖基础、灰土基础、三合土基础、混凝土基础及钢筋混凝土基础;按其构造特点,可分为条形基础、独立基础、整片基础、桩基础,见图2-3~图2-7。
图2-3 条形基础
图2-4 独立基础
墙是建筑物的重要组成部分,其主要作用是承重、围护和分隔。按其位置不同,有外墙和内墙之分,凡位于房屋四周的墙称为外墙,其中在房屋两端的墙称山墙,与屋檐平行的墙称檐墙。凡位于房屋内部的墙称内墙。另外,与房屋长轴方向一致的墙称纵墙,与房屋短轴方向一致的墙称横墙,见图2-8。
图2-5 整片基础
按其受力情况,墙可分为承重墙和非承重墙,非承重墙不承受上部传来的荷载,包括自承重墙、框架墙和隔墙。
图2-6 端承桩和摩擦桩
图2-7 桩基础
按墙体所用材料,墙可分为砖墙、石墙、砌块墙和混凝土墙及板材墙等。
按墙体的厚度分,常用的有490(二砖)墙、370(一砖半)墙、240(一砖)墙、180(一平一立)墙、120(半砖)墙和60(1/4砖)墙。
砖墙由砖和砂浆叠砌而成,常见的墙体有实心墙、空斗墙、空花墙(花格墙)和空心砖墙(多孔砖墙)等。砖墙体的细部构造包括门窗过梁、窗台、圈梁、构造柱、变形缝等,见图2-9~图2-12。
图2-8 墙的类型
1—纵向承重外墙;2—纵向承重内墙;3—横向承重内墙;4—横向自承重外墙(山墙);5—隔墙
图2-9 门窗过梁的种类
楼板是房屋的水平承重构件,搁置在墙上或梁上,楼板的上表面层称为楼层地面,下表面是天棚。楼板应有足够的强度和刚度,并满足防火、隔声、隔热、防水等要求。
图2-10 窗台
图2-11 圈梁
按所用材料不同,楼板可分为现浇钢筋混凝土楼板和预制钢筋混凝土楼板、砖拱楼板和木楼板等,使用最多的是前两种。
图2-12 构造柱
现浇钢筋混凝土楼板按结构类型可分为梁板式楼板、井格式梁板结构楼板和无梁楼板三种。梁板式楼板一般由主梁、次梁和板组成,见图2-13;当房间接近方形时,便无主梁次梁之分,梁的截面等高,形成井格式梁板结构,见图2-14。无梁楼板是将楼板直接支承在墙或柱上,是不设梁的楼板,见图2-15。
图2-13 梁板式楼板
图2-14 井格式梁板结构楼板
图2-15 无梁楼板
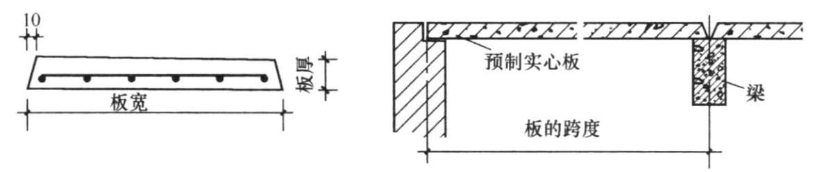
常见的预制楼板有实心板、空心板、槽形板(分正槽形板和反槽形板)和T形板等,每种类型的板又有多种规格,其构造形式见图2-16~图2-18,其中以圆孔空心板使用居多。
图2-16 预制实心板
楼梯是建筑物中主要的垂直交通设施之一,是房屋的重要组成部分,通过它可以实现房屋的竖向交通联系。因而,楼梯的主要功能是通行和疏散。
图2-17 预制空心板
图2-18 预制槽形板
楼梯是房屋各楼层间的垂直交通设施。常见的楼梯有木楼梯、钢筋混凝土楼梯和钢楼梯等,一般采用单跑楼梯、双跑楼梯、三跑楼梯和圆形楼梯等,其中钢筋混凝土楼梯及双跑式楼梯应用最广。楼梯由楼梯段、平台、栏杆(或栏板)和扶手三部分组成,图2-19所示是双跑楼梯的组成。
图2-19 双跑楼梯组成
现浇钢筋混凝土楼梯按其结构形式和受力特点,可分为板式楼梯和梁式楼梯等。
(1)板式楼梯。图2-20(a)为板式楼梯。板式楼梯由梯段板、平台板和平台梁组成,一般用作跨度不超过3m的小跨度楼梯较为经济。板式楼梯的下表面平整,施工支模方便,外形完整、轻巧美观,故而目前跨度较大的公共建筑楼梯也常采用这种楼梯形式。板式楼梯的缺点是斜板较厚,当跨度较大时,材料用量较多。
(2)梁式楼梯。图2-20(b)为梁式楼梯。梁式楼梯由楼梯斜梁、踏步板、平台梁、平台板组成,其优点是当楼梯跨度较大时较为经济,但其支模及施工都较板式楼梯复杂,外观也不够轻巧美观。
图2-20 现浇楼梯的常用形式
(3)其他形式的楼梯。除梁式楼梯和板式楼梯外,现浇钢筋混凝土楼梯还有螺旋楼梯、对折悬挑式楼梯、单梁挑板楼梯等结构形式,如图2-21所示。这类楼梯一般造型新颖美观,建筑效果较好,通常在公共建筑中采用,但其往往受力复杂,因此结构形式也较为复杂。
图2-21 钢筋混凝土楼梯的其他形式
按施工方法的不同,钢筋混凝土楼梯可分为现浇整体式楼梯和装配式楼梯两大类。前者结构设计灵活,整体性好;后者具有制造工业化程度高、施工速度快的优点。
(1)现浇钢筋混凝土楼梯。现浇钢筋混凝土楼梯是在现场就地支模板、绑扎钢筋和浇捣混凝土而成。这种楼梯的整体性好,从工业化施工方式来看,施工较麻烦,费模板,湿作业多,工期长。但实际情况中,因民用公共建筑楼梯数量少且同规格者亦少,预制吊装就没有太大优越性,且在地震区,楼梯现浇可增加建筑物的抗震性能,因而现浇钢筋混凝土楼梯应用十分广泛。
(2)装配式楼梯。由于装配式构件在工厂加工预制,现场装配,加快了施工速度,故适用于大规模住宅建设等。装配式钢筋混凝土楼梯根据建筑设计要求有各种不同结构形式,一般常用的预制装配式楼梯有悬壁式楼梯、预制梯段板式楼梯、小型分件装配式楼梯等,如图2-22所示。
图2-22 装配式楼梯的形式
屋顶是房屋顶部的围护结构,用于避风雨,防寒隔热。屋顶的形式很多,从外形看,主要有平屋顶、坡屋顶、曲面屋顶和折板屋顶四大类,见图2-23。使用最多的是平屋顶,其构造如图2-24~图2-26所示。
图2-23 屋顶的类型
门是由门框、门扇、亮子、玻璃及五金零件等部分组成。亮子又称腰头窗(简称腰头、腰窗);门框又叫门樘子,由边框、上框、中横框等组成;门扇由上冒头、中冒头、下冒头、边梃、门芯板等组成;五金零件包括铰链、插销、门锁、风钩、拉手等。图2-27是木门的构造简图。
制门的材料有多种,常见的主要有木门、钢门、铝合金门、铝塑门、塑钢门等;按门的开启形式,可分为平开门、弹簧门、折叠门、转门、卷帘门等,见图2-28;按门的用料和构造,可分为镶板门、夹板门、玻璃门、纱门、百叶门等。此外,还有一些特殊要求的门,如自动门、隔音门、保温门、防火门、防射线门等。
图2-24 保温平屋顶构造层次图
图2-25 架空隔热板平屋顶
图2-26 刚性防水层屋面
窗按所用材料不同,分为木窗、钢窗、铝合金窗、铝塑窗、塑钢窗等;按开启方式,可分为平开窗、中悬窗、上悬窗、下悬窗、立式转窗、水平推拉窗、垂直推拉窗、百叶窗、隔音保温窗、固定窗、防火窗、橱窗、防射线观察窗等,见图2-29。
图2-27 门的组成
图2-28 门的开启方式
图2-29 窗的开启方式
图2-30 平开窗的构造组成
窗由窗框、窗扇和五金零件组成。窗框为固定部分,由边框、上框、下框、中横框和中竖框构成;窗扇为活动部分,由上冒头,下冒头、边梃、窗芯及玻璃构成;五金零件及附件包括铰链、风钩、插销和窗帘盒、窗台板、筒子板、贴脸板等。图2-30是平开窗的构造组成。
楼地面的基本组成为面层、垫层和基层。按楼地面面层的材料和做法不同,大致分为整体地面、铺贴地面和木地面等。
(1)整体地面包括水泥砂浆地面、混凝土地面和现浇水磨石地面,图2-31是它们的典型构造简图。
图2-31 整体地面
(2)铺贴地面是利用各种块料铺贴在基层上的地面。常用的铺贴材料有天然大理石板、天然花岗岩板、预制水磨石板、缸砖、陶瓷锦砖(马赛克)和塑料板块等。
(3)木地面有长条和拼花两种,可空铺也可实铺,实铺法是在混凝土上铺木板(条)而制成,此法采用较多,见图2-32。
图2-32 实铺木地面
阳台形式很多,在使用方面,有生活阳台、服务阳台。生活阳台供生活起居之用,服务阳台为从事家务活动等用。
阳台结构形式有挑板式阳台和挑梁式阳台两种,见图2-33。
图2-33 阳台结构形式
按施工方式的不同,阳台有现浇与预制之分。通常当楼板现浇时,阳台亦用现浇,见图2-33(a);当楼板系预制构件时,阳台亦多用预制阳台。
雨篷是建筑物入口处遮挡雨雪的构件,是建筑工程中常见的悬挑构件。根据各类建筑造型需要,可设计出多种形式的雨篷。从结构形式上分,雨篷分为挑板式雨篷和挑梁式雨篷两种。
挑板式雨篷一般由雨篷板和雨篷梁组成。雨篷梁既是雨篷板的支承,又兼有过梁的作用,见图2-34。
图2-34 挑板式雨篷
(1)雨篷板。雨篷板为一典型悬臂受弯构件。雨篷板承受的荷载除有恒载(板自重、面层、抹灰等构造层重)、均布活荷载外,还应考虑施工荷载或检修的集中荷载,见图2-34(a)。
(2)雨篷梁。雨篷梁宽一般与墙厚相同。为了保证足够的嵌固,雨篷梁伸入墙内的支承长度应不小于370mm。
雨篷梁上作用的荷载有:雨篷板传来的荷载、雨篷梁上墙体荷载、楼面板或平台板通过墙体传来的荷载。因此,雨篷梁既受弯、受剪又受扭,梁内应按计算配置纵向钢筋(抗弯、抗扭)和箍筋(抗剪、抗扭)。