



1.脉冲定时器
在梯形图中输入脉冲定时器指令时,打开右边的指令窗口,将“定时器操作”文件夹中的定时器指令拖放到梯形图中的适当位置。在出现的“调用选项”对话框中,可以修改将要生成的背景数据块的名称,或采用默认的名称,单击“确定”按钮,自动生成数据块。
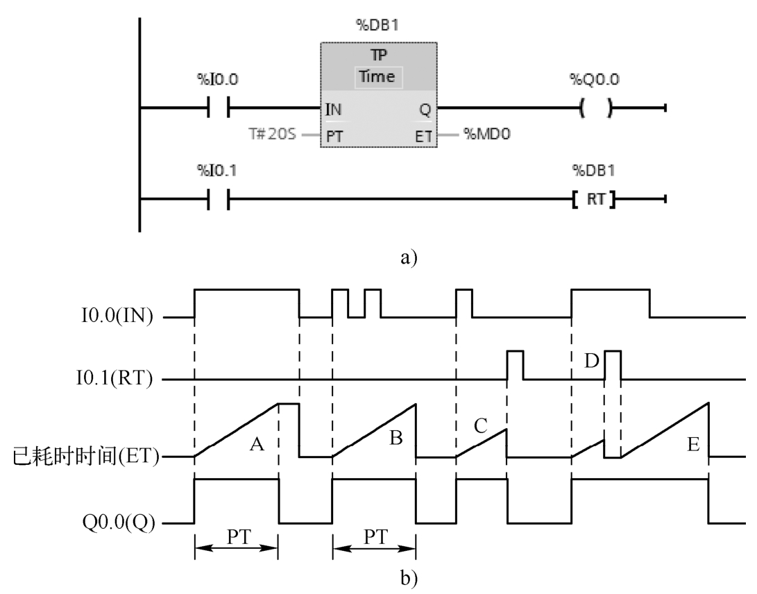
脉冲定时器类似于数字电路中上升沿触发的单稳态电路,其应用如图1-31a所示,图1-31b为其工作时序图。在图1-31a中,“%DB1”表示定时器的背景数据块(此处只显示了绝对地址,因此背景数据块地址显示为“%DB1”,也可设置显示符号地址),TP表示脉冲定时器。
图1-31 脉冲定时器及其时序图
a)脉冲定时器 b)时序图
脉冲定时器的工作原理如下。
1)起动:当输入端IN从“0”变为“1”时,定时器起动,此时输出端Q也置为“1”,开始输出脉冲。到达PT(Preset Time)预置的时间时,输出端Q变为“0”状态(见图1-31b波形A、B、E)。输入端IN输入的脉冲宽度可以小于输出端Q的脉冲宽度。在脉冲输出期间,即使输入端IN输入发生了变化又出现上升沿(见波形B),也不影响脉冲的输出。到达预设值后,如果输入端IN输入为“1”,则定时器停止定时且保持当前定时值。若输入端IN输入为“0”,则定时器定时时间清零。
2)输出:在定时器定时过程中,输出端Q为“1”,定时器停止定时,不论是保持当前值还是清零当前值其输出皆为“0”状态。
3)复位:当图1-31a中的I0.1为“1”时,定时器复位线圈(RT)通电,定时器被复位。如果此时正在定时,且输入端IN输入为“0”状态,将使已耗时间值清零,输出端Q输出也变为“0”(见波形C)。如果此时正在定时,且输入端IN输入为“1”状态,将使已耗时间值清零,输出端Q输出保持为“1”状态(见波形D)。复位信号I0.1变为“0”状态时,如果输入端IN输入为“1”状态,将重新开始定时(见波形E)。
图1-31a中的ET(Elapsed Time)为已耗时间值,即定时开始后经过的时间,它的数据类型为32位的Time,采用T#标识符,单位为ms,最大定时时间长达T#24D_20H_31M_23S_647MS(D、H、M、S、MS分别为日、小时、分、秒和毫秒),可以不给输出ET指定地址。
定时器指令可以放在程序段的中间或结束处。IEC定时器没有编号,在使用对定时器复位的RT(Reset Time)指令时,可以用背景数据块的编号或符号名来指定需要复位的定时器。如果没有必要,不用对定时器使用RT指令。
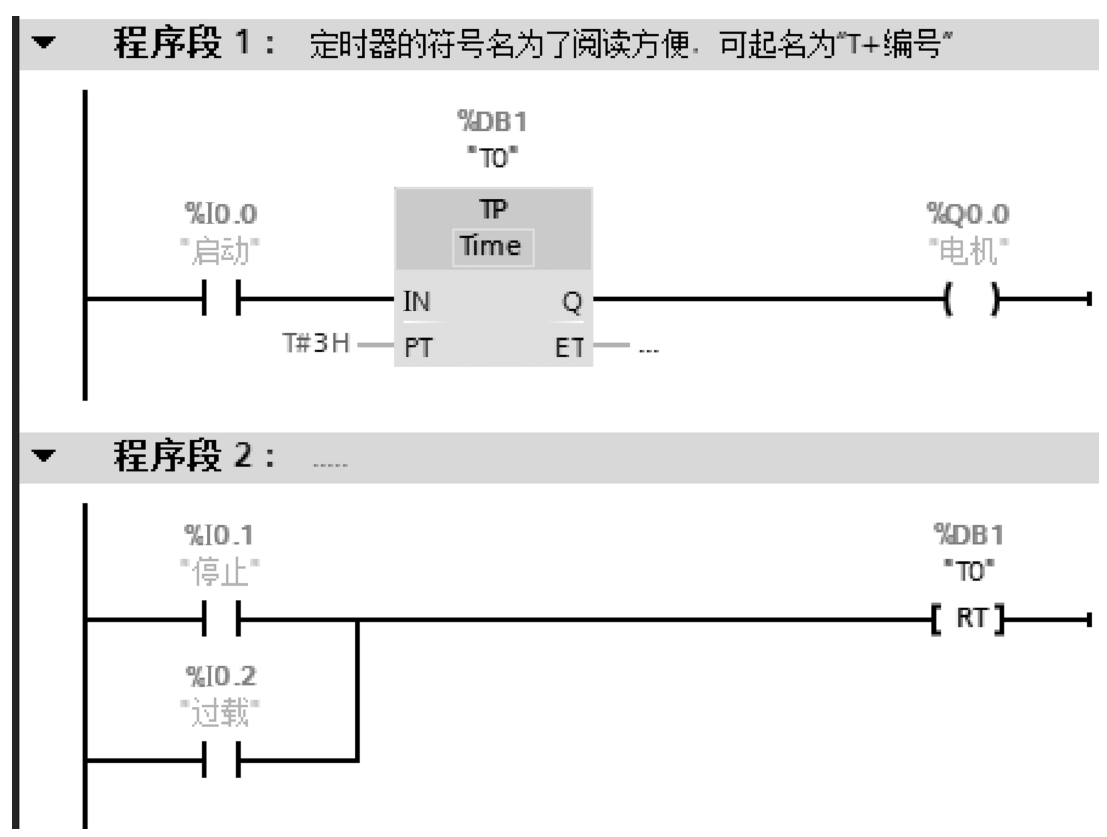
【例1-1】 按下起动按钮I0.0,电动机立即直接起动并运行,工作3h后自动停止。在运行过程中若发生故障(如过载I0.2接通),或按下停止按钮I0.1,电动机立即停止运行,如图1-32所示。
图1-32 电动机起动运行后自动停止程序——使用脉冲定时器
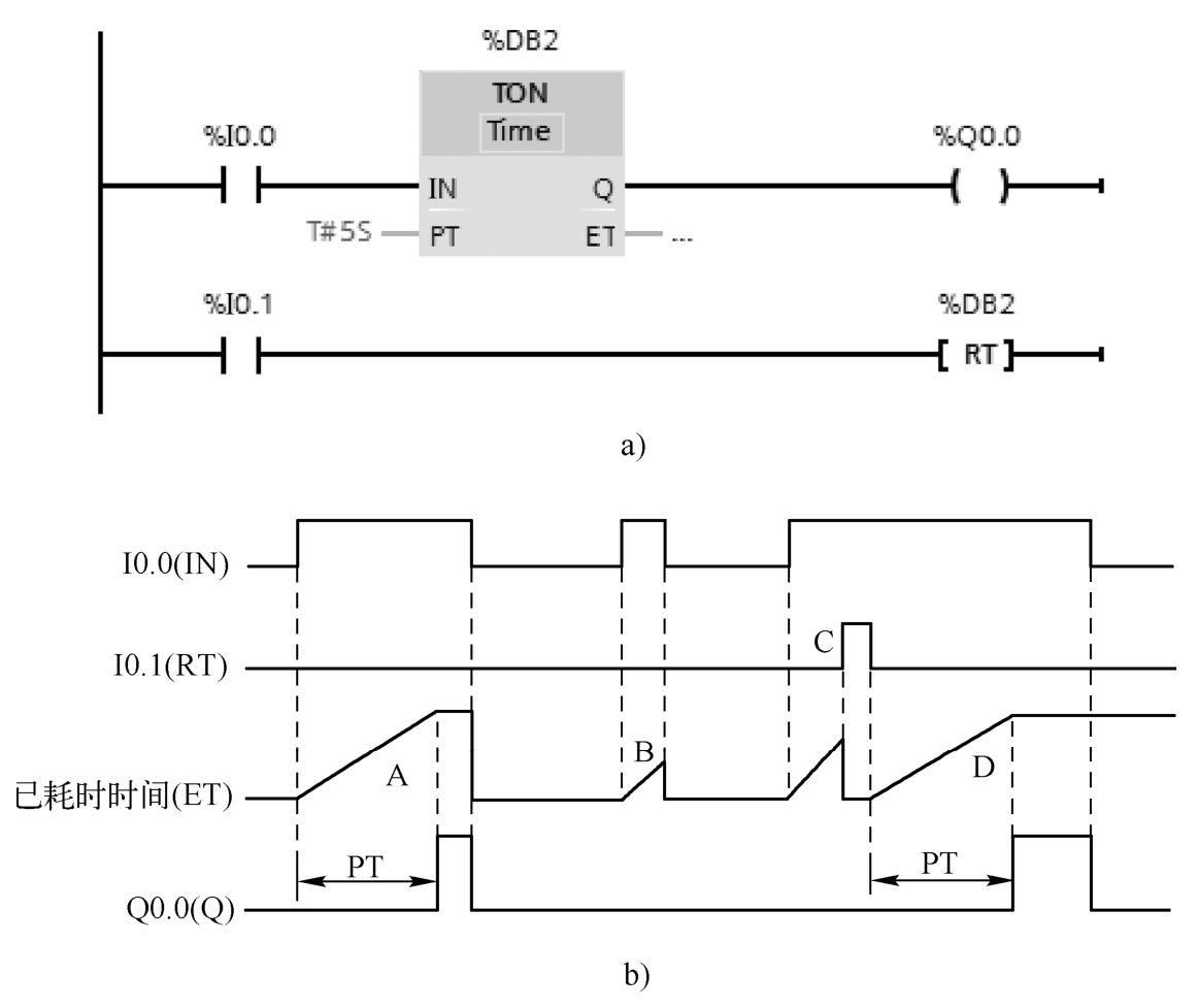
2.接通延时定时器
接通延时定时器如图1-33a所示,图1-33b为其工作时序图。在图1-33a中,“%DB2”表示定时器的背景数据块,TON表示接通延时定时器。
图1-33 接通延时定时器及其时序图
a)接通延时定时器 b)时序图
接通延时定时器的工作原理如下。
1)起动:接通延时定时器的使能输入端IN的输入电路由“0”变为“1”时开始定时。定时时间大于等于预置时间PT指定的设定值时,定时器停止计时且保持为预设值,即已耗时间值ET保持不变(见图1-33b的波形A),只要输入端IN为“1”,定时器就一直起作用。
2)输出:当定时时间到,且输入端IN为“1”,此时输出端Q变为“1”状态。
3)复位:输入端IN的电路断开时,定时器被复位,已耗时间值被清零,输出端Q变为“0”状态。CPU第一次扫描时,定时器输出端Q被清零。如果输入端IN在未达到PT设定的时间变为“0”(见波形B),输出端Q保持“0”状态不变。图1-33a中的I0.1为“1”状态时,定时器复位线圈RT通过(见波形C),定时器被复位,已耗时间值被清零,输出端Q变为“0”状态。I0.1变为“0”状态,如果输入端IN为“1”状态,将开始重新定时(见波形D)。
【例1-2】 使用接通延迟定时器实现【例1-1】中电动机的起停控制,如图1-34所示。
图1-34 电动机起动运行后自动停止程序——使用接通延时定时器
视频“接通延时定时器指令”可通过扫描二维码1-7播放。
1-7 接通延时定时器指令
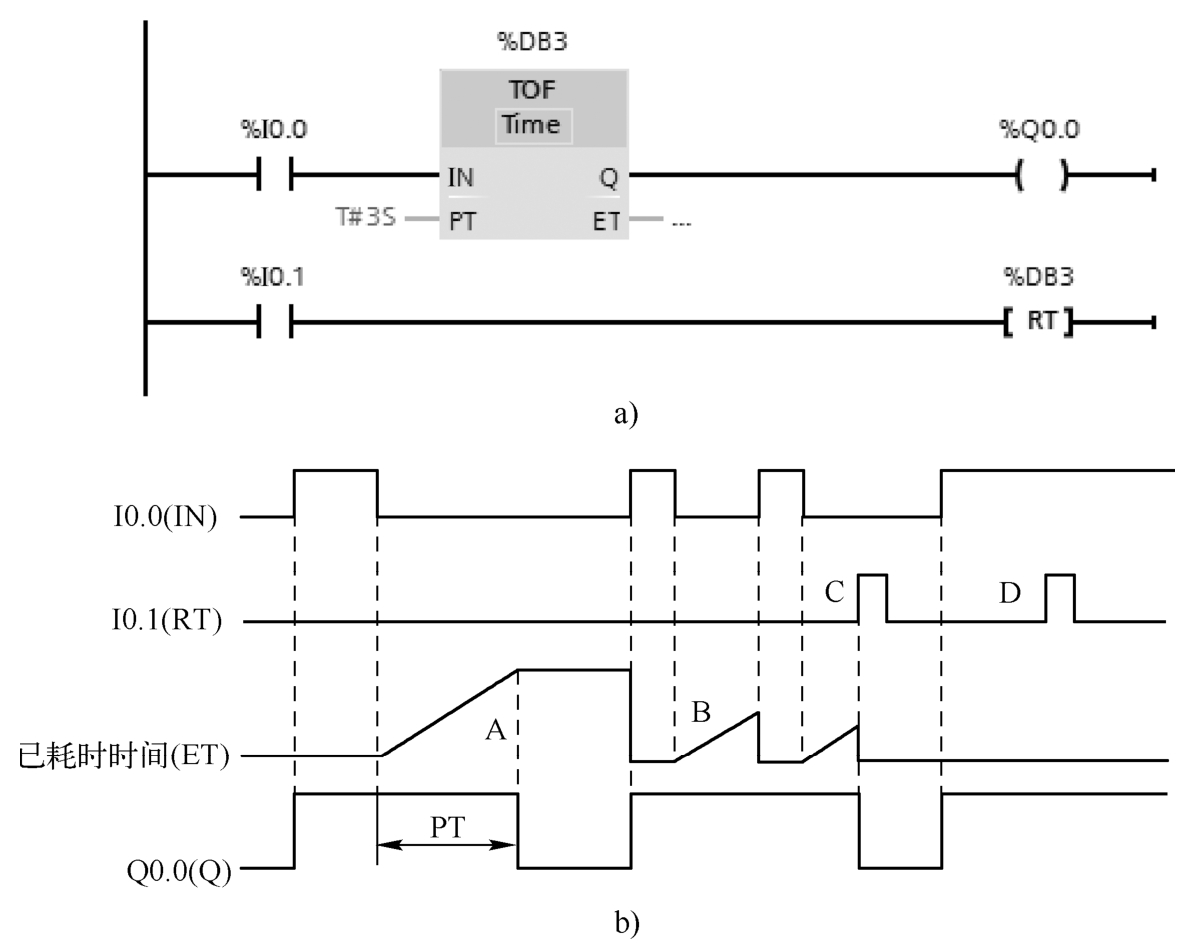
3.关断延时定时器
关断延时定时器如图1-35a所示,图1-35b为其工作时序图。在图1-35a中,TOF表示关断延时定时器。
图1-35 关断延时定时器及其时序图
a)关断延时定时器 b)时序图
关断延时定时器的工作原理如下。
1)起动:关断延时定时器的输入端IN由“0”变为“1”时,定时器尚未定时且当前定时值清零。当输入端IN由“1”变为“0”时,定时器起动开始定时,已耗时间值从0逐渐增大。当定时器时间到达预设值时,定时器停止计时并保持当前值(见图1-35b波形A)。
2)输出:当输入端IN从“0”变为“1”时,输出端Q变为“1”状态,如果输入端IN又变为“0”,则输出继续保持“1”,直到到达预设的时间。如果已耗时间未达到PT设定的值时,输入端IN又变为“1”状态,输出端Q将保持“1”状态(见图1-35b波形B)。
3)复位:当I0.1为“1”时,定时器复位线圈RT通电。如果输入端IN为“0”状态,则定时器被复位,已耗时间值被清零,输出端Q变为“0”状态(见图1-35b波形C)。如果复位时输入端IN为“1”状态,则复位信号不起作用(见图1-35b波形D)。
【例1-3】 通过关断延迟定时器实现电动机停止后其冷却风扇延时2min后停止,如图1-36所示。
图1-36 冷却风扇延时停止程序
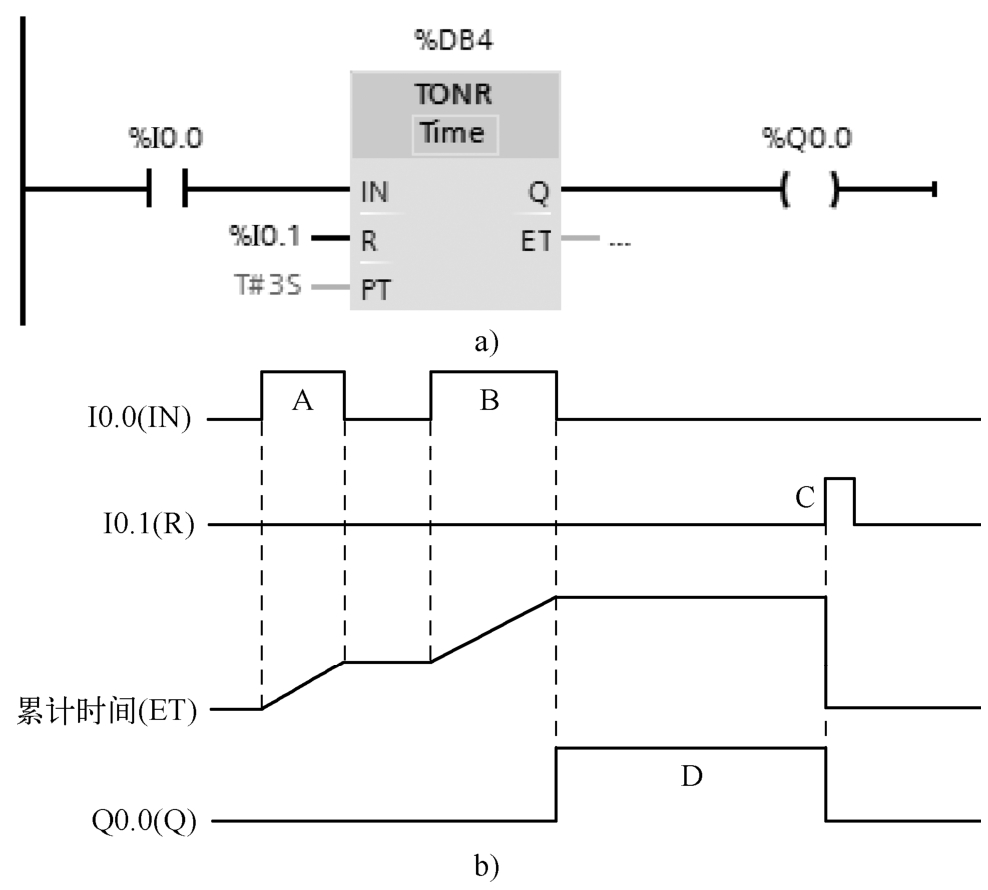
4.保持型接通延时定时器
保持型接通延时定时器(又称时间累加器)如图1-37a所示,图1-37b为其工作时序图。在图1-37a中,TONR表示保持型接通延时定时器。
图1-37 保持型接通延时定时器及其时序图
a)保持型接通延时定时器 b)时序图
其工作原理如下。
1)起动:当定时器的输入端IN从“0”到“1”时,定时器起动,开始定时(见图1-37b波形A和B),当输入端IN变为“0”时,定时器停止工作并保持当前计时值(累计值)。当定时器的输入端IN又从“0”变为“1”时,定时器继续计时,当前值继续增加。如此重复,直到定时器当前值达到预设值时,定时器停止计时。
2)输出:当定时器计时时间到达预设值时,输出端Q变为“1”状态(见图1-37b波形D)。
3)复位:当复位输入I0.1为“1”时(见图1-37b波形C),TONR被复位,它的累计时间值变为零,同时输出端Q变为“0”状态。
S7-1200 PLC提供3种计数器:加计数器、减计数器和加减计数器。它们属于软件计数器,最大计数速率受到其所在OB(组织块)的执行速率的限制。如果需要速度更高的计数器,可以使用内置的高速计数器。
与定时器类似,使用S7-1200的计数器时,每个计数器需要使用一个存储在数据块中的结构来保存计数器数据。在程序编辑器中放置计数器即可分配该数据块,可以采用默认设置,也可以手动自行设置。
使用计数器需要设置计数器的计数数据类型,计数值的数据范围取决于所选的数据类型。如果计数值是无符号整型数,则可以减计数到零或加计数到范围限值。如果计数值是有符号整数,则可以减计数到负整数限值或加计数到正整数限值。支持的数据类型包括有符号短整数SInt、整数Int、双整数DInt、无符号短整数USInt、无符号整数UInt、无符号双整数UDInt。
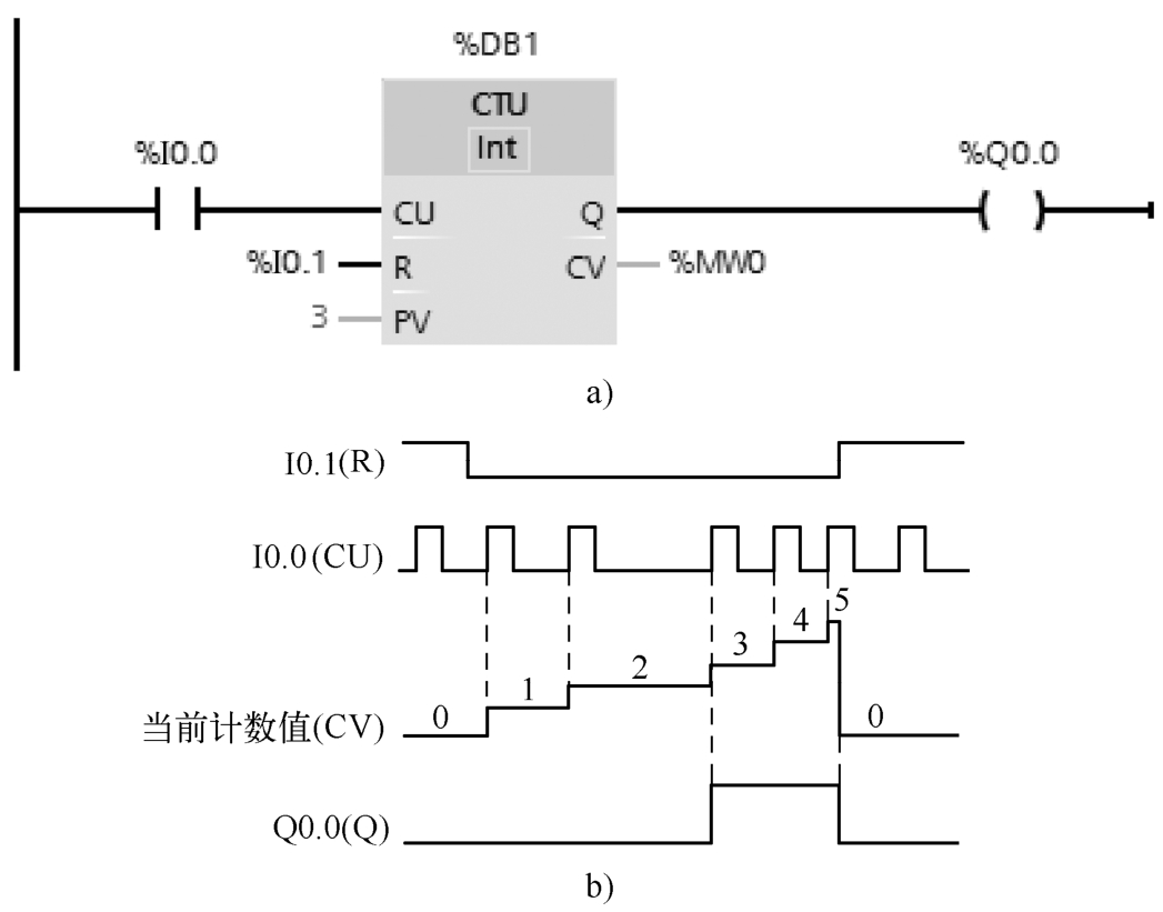
1.加计数器
加计数器如图1-38a所示,图1-38b为其工作时序图。在图1-38a中,CTU表示加计数器,图中计数器数据类型是整数,预设值PV(Preset Value)为3,其工作原理如下。
图1-38 加计数器及其时序图
a)加计数器 b)时序图
当接在输入端R的复位输入I0.1为“0”状态,接在输入端CU(Count Up)的加计数脉冲从“0”到“1”时(即输入端出现上升沿),计数值CV(Count Value)加1,直到CV达到指定的数据类型的上限值。此后CU输入的状态变化不再起作用,即CV的值不再增加。
当计数值CV大于等于预设值PV时,输出Q变为“1”状态,反之为“0”状态。第一次执行指令时,CV被清零。
各类计数器的复位输入端R为“1”状态时,计数器被复位,输出Q变为“0”状态,CV被清零。
打开计数器的背景数据块,可以看到其结构如图1-39所示,其他计数器的背景数据块与此类似,不再赘述。
图1-39 计数器的背景数据块结构
视频“加计数器指令”可通过扫描二维码1-8播放。
1-8 加计数器指令
2.减计数器
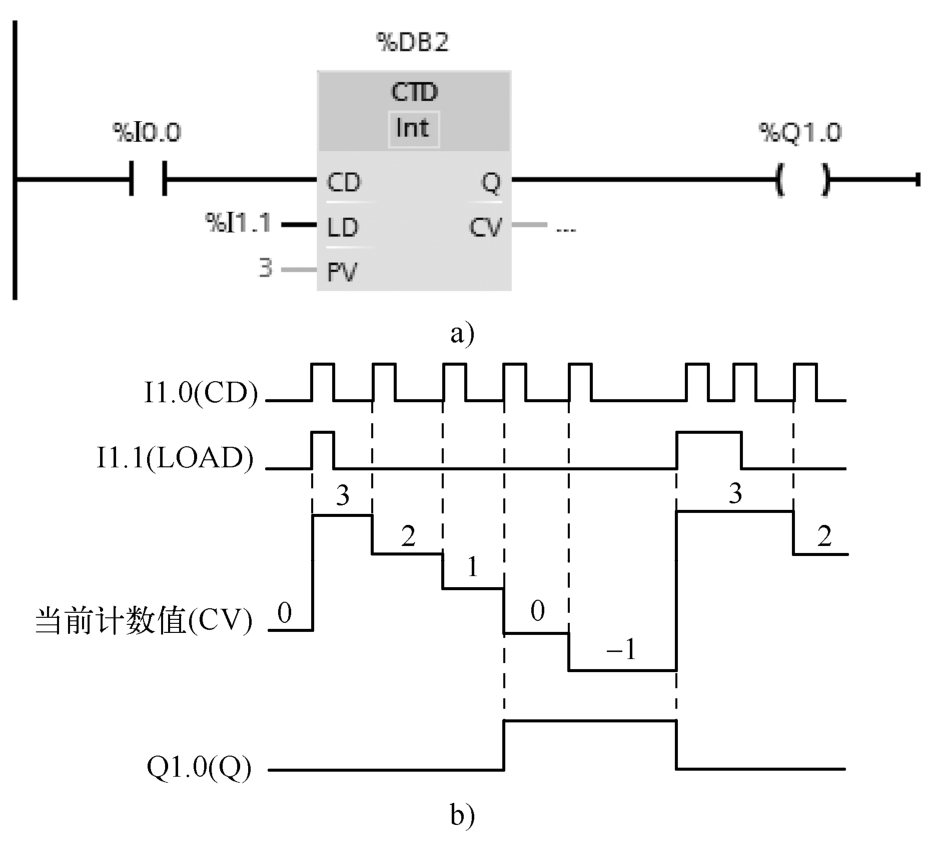
减计数器如图1-40a所示,图1-40b为其工作时序图。在图1-40a中,CTD表示减计数器,图中计数器数据类型是整数,预设值PV为3,其工作原理如下。
图1-40 减计数器及其时序图
a)减计数器 b)时序图
减计数器的装载输入LD(LOAD)为“1”状态时,输出端Q被复位为0,并把预设值PV装入CV。在减计数器CD(Count Down)的上升沿,当前计数值CV减1,直到CV达到指定的数据类型的下限值。此后CD输入的状态变化不再起作用,CV的值不再减小。
当前计数值CV小于等于0时,输出Q为“1”状态,反之输出Q为“0”状态。第一次执行指令时,CV值被清零。
3.加减计数器
加减计数器如图1-41a所示,图1-41b为其工作时序图。在图1-41中,CTUD表示加减计数器,图中计数器数据类型是整数,预设值PV为3,其工作原理如下。
图1-41 加减计数器及其时序图
a)加减计数器 b)时序图
在加计数输入CU的上升沿,加减计数器的当前值CV加1,直到CV达到指定的数据类型的上限值。达到上限值时,CV不再增加。
在减计数输入CD的上升沿,加减计数器的当前值CV减1,直到CV达到指定的数据类型的下限值。达到下限值时,CV不再减小。
如果同时出现计数脉冲CU和CD的上升沿,CV保持不变。CV大于等于预设值PV时,输出QU为“1”状态,反之为“0”状态。CV值小于等于0时,输出QD为“1”状态,反之为“0”状态。
装载输入LD为“1”状态,预设值PV被装入当前计数值CV,输出QU变为“1”状态,QD被复位为“0”状态。
复位输入R为“1”状态时,计数器被复位,CU、CD、LD不再起作用,同时当前计数值CV被清零,输出QU变为“0”状态,QD被复位为“1”状态。