



前面的链表只有一个指向后继元素的引用,我们可以很方便地找到某元素的后继,但是要找到其前驱结点并不容易,要解决这一问题,就要使用双链表。
双向链表也称为双链表,是链表的一种,它的每个数据结点中都有两个指针,分别指向直接后继和直接前驱。双链表的结点示意图如图2.21所示。
图2.21 双向链表结点
所以,从双向链表中的任意一个结点开始,都可以很方便地访问它的前驱结点和后继结点,如图2.22所示。
图2.22 带头结点的双向链表
双向链表的结点定义如下:
根据图2.1所示的学生表链式存储结构对应的双链表,实现对该表中数据元素的插入、删除等运算。
双链表的查找操作和单链表基本一样,可以用单链表的查找操作代替双链表的查找操作,具体参见单链表对应部分。
在双链表中某位置插入新结点,有以下3 个操作步骤:
(1)找到插入前位置,如存在则继续,否则结束。
(2)申请、填装新结点。
(3)插入新结点,结束。
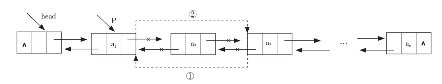
【例2.7】在学生双链表中第3 个位置前插入新结点node。
要在第3 个位置前插入新结点node,先找到a 2 结点位置p,再申请新结点node,执行下面4 步指针改变操作:① p->next->prev=node;② node->next=p->next;③ p->next=node;④ node->prev=p;从而插入新结点,如图2.23所示。
图2.23 双向链表插入结点操作
插入链表的第i个位置的数据元素,其中head为链表头结点,node为要插入的数据结点,curlen为表的长度,则插入操作流程图如图2.24所示。
图2.24 双链表插入操作流程图
在双链表中删除某位置的结点,有以下三个操作步骤:
(1)找到删除结点直接前驱对应的位置,若存在则继续,否则结束。
(2)若要删除的结点存在则继续,否则结束。
(3)删除对应位置的结点,结束。
【例2.8】在学生双链表中删除第2 个位置的结点。
要删除第2 个位置的结点,先找到a 1 结点位置p,在p所指结点的下一结点存在的情况下,执行下面两步指针改变操作:① p->next->next->prev=p; ② p->next=p->next->next;从而删除结点a 2 ,如图2.25所示。
图2.25 双向链表删除结点操作
删除链表的第i个位置的数据元素,其中curlen为链表的长度,则删除操作流程图如图2.26所示。
在上面插入代码的基础上,增加删除函数Node* delete(int i) ,实现双链表的删除功能,具体如下:
图2.26 双向链表删除结点操作流程图