



汽车电路图是了解车辆电气网络架构、电气系统工作原理、电气部件位置和连接关系、针脚定义、故障检修必不可少的资料。
很多一线汽车维修电工反映识读电路图是件困难的事情,最主要的原因还是维修电工没有经过系统的训练并掌握科学的方法。传统师傅带徒弟的方式没法做到系统性传授知识和技能,特别是对一些新的车型(如新能源汽车、高端汽车),电气网络架构较传统车型复杂很多,此时就需要掌握科学系统的方法。
虽然具体电路维修和故障诊断的信息都是局部的,但是汽车整车电路都有密切的关联性,学习汽车电路图识读的正确顺序是先整体后局部,应先从整体网络架构入手,把握车辆整体的网络架构,然后再深入到局部的控制系统电路。
(1)整车电气网络架构
图1-3-1是宝马X5(E70)车型的网络一览图。首先要区分该车网络架构是由主总线K-CAN(车身CAN)、PT-CAN(动力CAN)、F-CAN(底盘CAN)和MOST(光纤)总线构成。此外,还需要知道在低速场合下应用的子总线K-Bus、LIN-Bus、BSD等总线。其他车型的分析也是这样,必须先对网络架构有个总体认知。
每一种车型的控制特点及部件名称不一定相同,因此还要通过车型资料,熟记图中的控制单元简称,例如宝马车型DME代表数字式发动机控制单元。另外,还需要学习各种总线的基本知识,如传输速率、电气特性、拓扑方式、检测方法等。有以上基础后,就可以具体去学习一个系统了。如IKHA模块,在宝马车型中是自动空调控制单元,该控制单元是K-CAN上的一个用户。
(2)输入输出关系图
熟知了车型的网络架构图,就可以从系统层面熟悉该车型各控制单元之间、各总线之间的关系,分清楚网络拓扑关系。下一层级的信息,是需要了解一个系统的输入输出关系(控制原理)图。图1-3-2是典型的发动机电控系统传感器、控制单元、执行器之间关系图(框图),该图说明了发动机电控系统的输入输出关系。各种传感器、电源属于信号的输入端,控制单元处理后,输出控制信号去控制各种执行器。控制单元ECU是该系统的主控模块,是系统的控制核心。
图1-3-1 宝马X5(E70)网络一览图
图1-3-2 发动机电控系统输入输出关系框图
输入输出关系框图(图1-3-3)表达的是电控系统最基本的控制链路关系。一个控制系统,总能找到信号的输入(信号端),信号的处理(控制端),以及信号的输出(输出端)。在电路分析中,始终要有这种分析思路,在后续的电路分析中都能得到运用。
图1-3-3 输入输出关系框图
(3)控制系统电路图
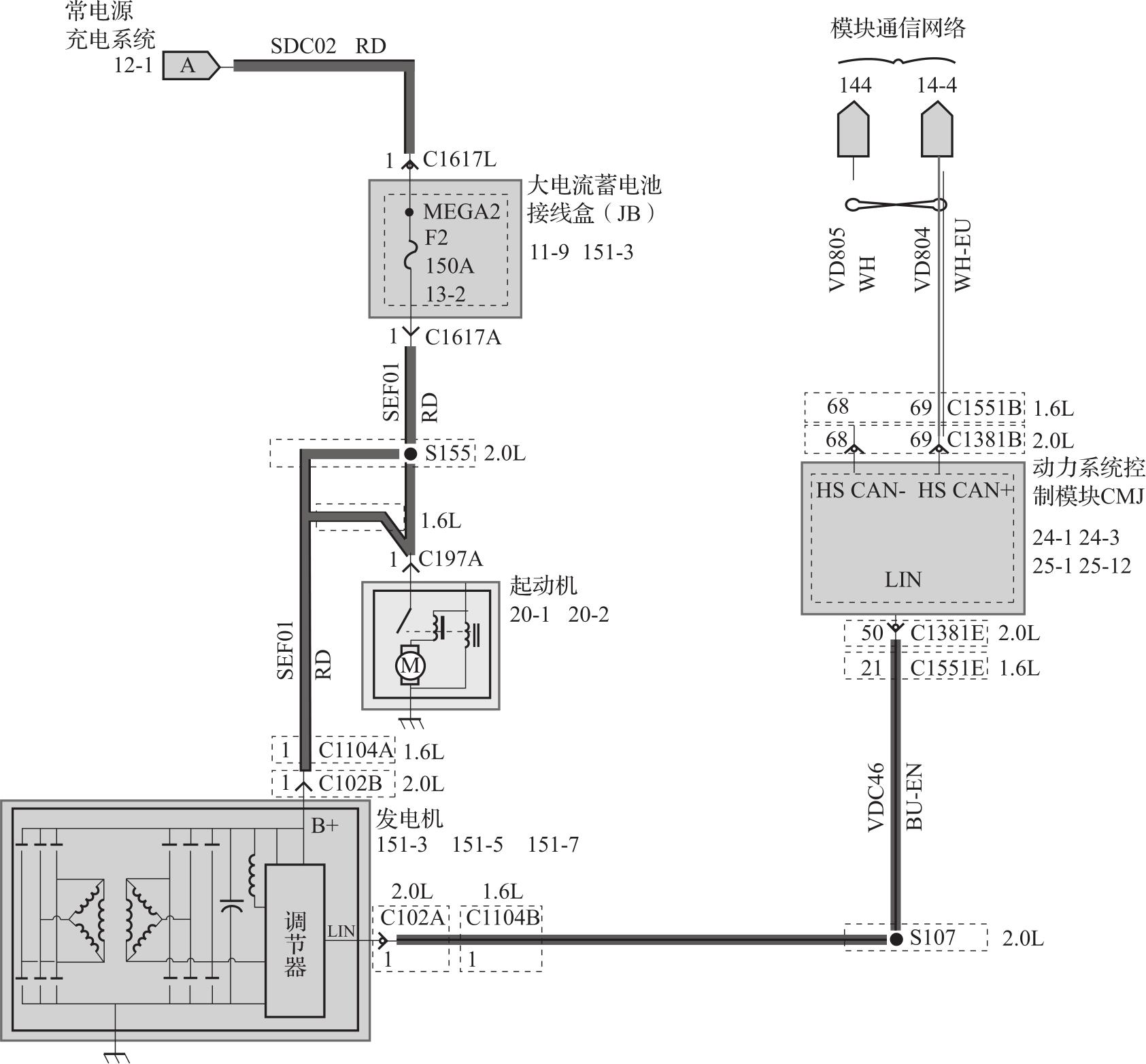
在维修层面,汽车维修电工需要车型电路图来指导维修和排查故障。图1-3-4给出了宝马3系(F35)起动控制电路。
按照图1-3-3的控制原理,宝马3系(F35)起动控制电路可以分为信号输入、信号控制和信号输出。S63是起动按钮,作为起动系统的信号输入。FEM前部供电模块作为主控单元,对输入信号进行控制。M6510是起动机,受FEM主控单元控制,模块输出起动控制信号。
以上分析,也称为信号流分析。如果技师能从系统输入输出图中分析清楚每个系统的信号流,在维修实践中,能追踪信号流,表明技师真正掌握了该系统的工作逻辑。
图1-3-4 宝马3系(F35)起动控制电路
综上所述,我们学习汽车电路图识读方法的顺序是从整体到局部,从宏观到微观。具体维修时,能分析系统的信号流,理清楚线路的连接关系和控制逻辑。
(1)识记电路符号和各种标记
下文以常见车型的发电机电路为例,介绍汽车维修电工需要识记各车型的电路符号和电路图规则,主要包括电路符号、元件标记、端子标记、导线标记和插接器标记。
1)别克凯越发电机电路分析。 如图1-3-5所示,别克凯越的发电机上有3条导线,红色较粗导线BAT与蓄电池正极相连,是电源输出端;L端与组合仪表相连,连接充电指示灯;F是磁场端子,与带熔丝(F2 10A)的电源电路相连,由蓄电池向发电机供给励磁电流。
图1-3-5 别克凯越发电机电路
电路中导线颜色用英文标记,如RED表示红色。BAT、B+、L和F是端子标记,BAT表示蓄电池,B+表示蓄电池正极,L表示仪表指示灯,F表示磁场。C108是插接器代号,15表示插接器中的第15号针脚。
2)凯迪拉克XLR发电机电路分析。 图1-3-6是凯迪拉克XLR发电机电路。
图1-3-6 凯迪拉克XLR发电机电路
图中各种端子标记如下:
B——电压输出端;S——电压检测端子,连接电路熔丝(F215A);F——磁场端子,与动力控制模块PCM相连;PCM提供占空比信号来控制励磁电流以调节输出电压;L——连接PCM,发电机接通信号;P——空脚,未使用。
图中“23GY0.35”及类似符号为线路信息,其中,23表示线路编号;GY表示导线颜色是灰色;0.35是导线截面面积,单位是mm 2 。
3)福特翼虎发电机电路分析。 图1-3-7是福特翼虎发电机电路。该发电机上只有3条导线,一条为电源输出端;一条为LIN总线,与动力系统控制模块PCM相连;最后一条线是发电机自身搭铁。
图1-3-7 福特翼虎发电机电路
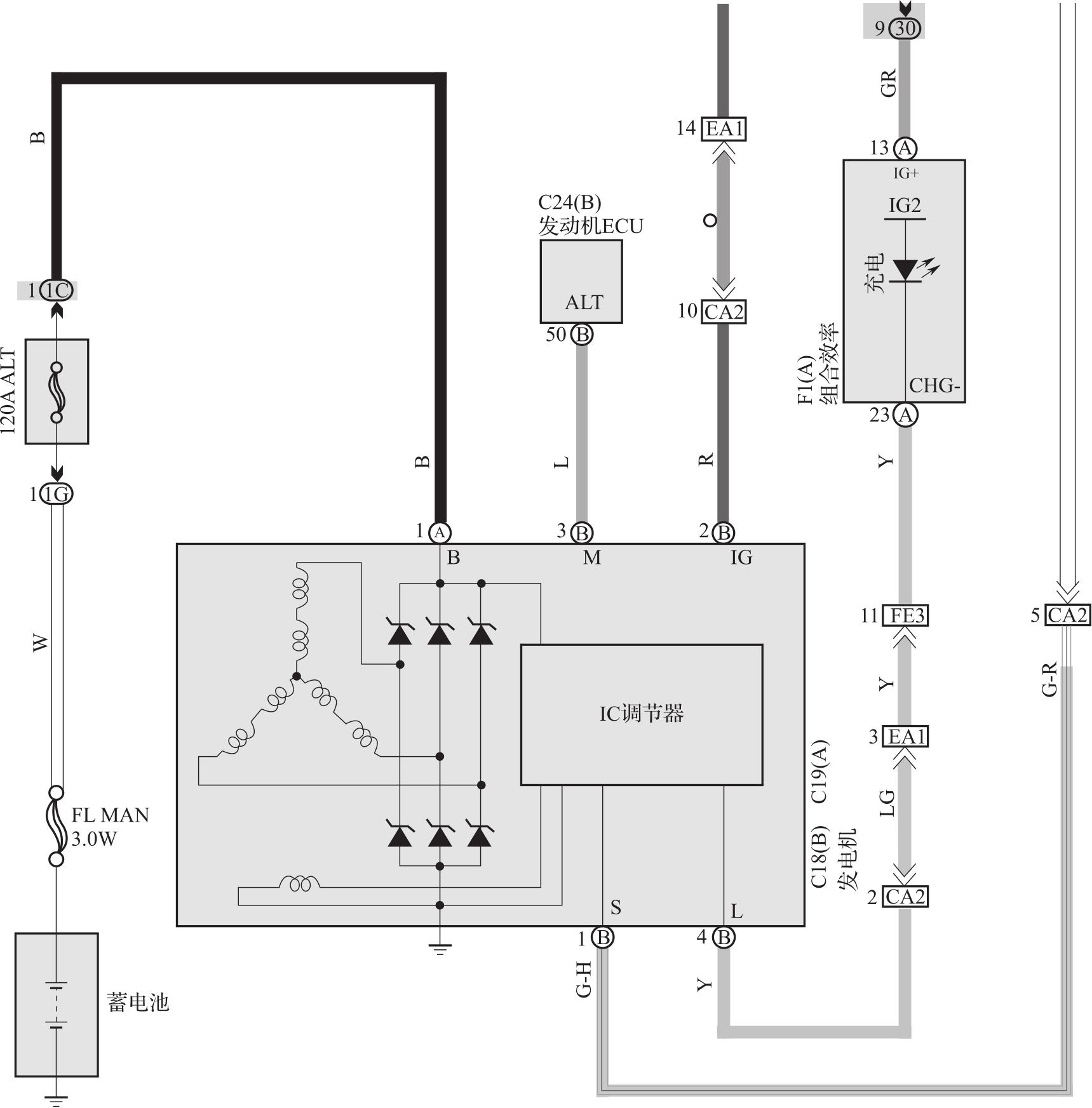
4)奥迪A4 1.8L发电机电路分析。 图1-3-8是奥迪A4 1.8L发电机电路。图中C表示发电机,C1为电压调节器。端子61检测发电机的发电电压,连接仪表模块。端子DF为仪表过来的励磁端子,打开15时(点火开关转到2档位置),61端子电压低,仪表中放电警告灯亮;发电时,61端子电压上升,警告灯熄灭。如果DF线路断路,会导致发电机不发电。
图1-3-8 奥迪A4 1.8L发电机电路
在大众/奥迪系列车型中,导线标记为:数字表示导线截面面积,英文缩写表示导线颜色。图中B+、D+、DF、30、61等为端子标记。
5)丰田凯美瑞发电机电路分析。 图1-3-9是丰田凯美瑞发电机电路图。
图1-3-9 丰田凯美瑞发电机电路图
图中发电机上有5条导线(自身搭铁除外),分别是:B代表电源输出端,直接与蓄电池正极相连,对蓄电池充电,同时为车载用电网络供电;M与发动机控制单元相连,该控制单元对发电机进行电压调节;IG端通过点火开关接通;L端与仪表相连,连接放电警告灯,当L端电压低时,发光二极管接通,表明车辆在放电;发电后,发光二极管两端没有电压降,发光二极管熄灭,表明车辆在发电,几乎所有的车型原理都类似;S端通过熔丝与蓄电池正极相连,检测蓄电池电压,作为电源电压的反馈端。
(2)分析电路基本模型
1)电路分析要点。 对车辆进行线路系统维修时必须依赖车辆控制系统的电路图。在分析线路时,汽车维修电工要关注电路以下方面:
· 电路属于什么系统。
· 电路中有哪些元件。
· 部件的位置和连接关系。
· 电路的功能及作用。
· 工作原理及控制逻辑。
· 维修和检测的方法。
2)基本电路模型分析。 汽车应用中常见的电路都可以简化为3种基本的电路模型:开关电路、继电器电路、总线电路,可以从这3种基本的电路模型来分析电路。
①开关电路。如图1-3-10,很多电路可以简化为开关控制的电路。在该类型电路中,需要关注电源端、电路保护装置、线束、控制开关(促动装置)、负载及搭铁端。
图1-3-10 电路模型(开关电路)
②继电器电路。如图1-3-11所示,电路中有两个回路,增加了继电器,实现了小电流控制大电流。开关回路控制线圈回路,由触点回路控制负载。同样,需要关注电源端、电路保护装置、线束、控制开关(信号源)和继电器(控制器)、负载和搭铁端。
图1-3-11 电路模型(继电器电路)
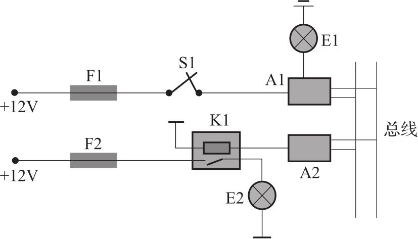
③总线电路。如图1-3-12所示,控制信号的传输由总线来完成。例如,开关S1控制灯泡E2,S1开关信号传至模块A1,再经过总线传至A2,由A2控制继电器K1,使E2点亮。在该电路中,关注电源端、电路保护装置、信号源、控制模块、总线、负载、搭铁端。由于很多车型引入了总线,对于系统信号流的分析就变得很重要。在复杂电路中,特别是采用域控制器和分布式网络的车辆,不厘清信号流(控制逻辑),电路分析就变得很困难。
图1-3-12 电路模型(总线电路)
3)认识电路图中常见电气部件及电路保护装置。 汽车维修电工应能够认识电路图中常见的电气部件及电路保护装置。
常见的电气部件是蓄电池、发电机、电动机、电磁阀、灯泡和发光二极管、继电器、开关、扬声器、天线、液晶显示器、各种传感器、控制单元等。
常见的电路保护装置是熔断器、易熔线和断路器。
(3)3步法识读电路图
汽车电路图可以采用“三步法”识读。图1-3-13是汽车的灯光控制基本电路,可以分为电源端(供电端和搭铁端)、信号端和输出端。以此电路图为例,识读方法如下:
图1-3-13 汽车灯光控制基本电路
第1步:需要分析系统的供电端和搭铁端,找到供电来源和搭铁点,这是分析所有电路的起点。供电端有+12V的常电源供电、+12V的可切换的正极供电、控制单元供电(+5V/+8V/+9V等电压)等供电方式。
第2步:分析信号的输入端,此处是一个开关信号作为信号输入端。信号来源有很多种,如开关信号、无线信号、传感器信号、总线信号等。
第3步:分析信号的输出端(输出控制执行器的信号或其他信号输出),此处是输出一个灯泡的供电电压,使灯泡点亮。输出端主要是控制执行器,有的是输出一个信号为其他系统所用。