



本书是《LabVIEW虚拟仪器项目开发与管理》的升级版,共22章,包括基础知识、虚拟仪器项目开发方法以及项目管理和实践。第1~6章为基础知识,主要讲解LabVIEW程序前面板设计、数据结构、程序框图、函数和错误处理等内容;第7~19章主要讲解虚拟仪器项目开发方法,包括用于实际项目开发的单循环和多循环程序框架、程序用户界面扩展、数据类型扩展、代码和程序结构扩展、数据存储、数据库和面向对象开发技术、网络通信、信号与传感器、数据采集和滤波等数字信号处理相关的内容;第20~22章主要讲解项目管理和实践,包括项目管理理论和一些对实际项目开发的经验总结,同时提供几个实际的工程案例作为参考。本书力求面向实际工程项目开发,并配有实际工程实例源码和相关参考资料。
本书可作为LabVIEW虚拟仪器项目开发和管理人员的技术参考书,也可作为计算机、虚拟仪器和自动化等专业的教材,或各类LabVIEW虚拟仪器项目开发和管理培训的参考用书。
 
     图1-4 由前面板、程序图和输入/输出端子组成的虚拟仪器
 
     图2-8 颜色与相应的RGB值
 
     图3-47 在Waveform Graph中显示多条曲线
 
     图3-48 模拟和数字波形数据簇
 
     图3-50 XY Graph的四种图形绘制方法
 
     图3-53 2D羽状图实例
 
     图3-54 Math Plot-3D实例的绘图结果
 
     图3-54(续)
 
     图3-55 Intensity Graph显示原理及实例
 
     图3-56 Intensity Graph绘制曼德博分形实例
 
     图9-22 实用的生产者/消费者结构模板
 
     图9-25 具有独立可控数据采集循环的并行程序框架前后面板
 
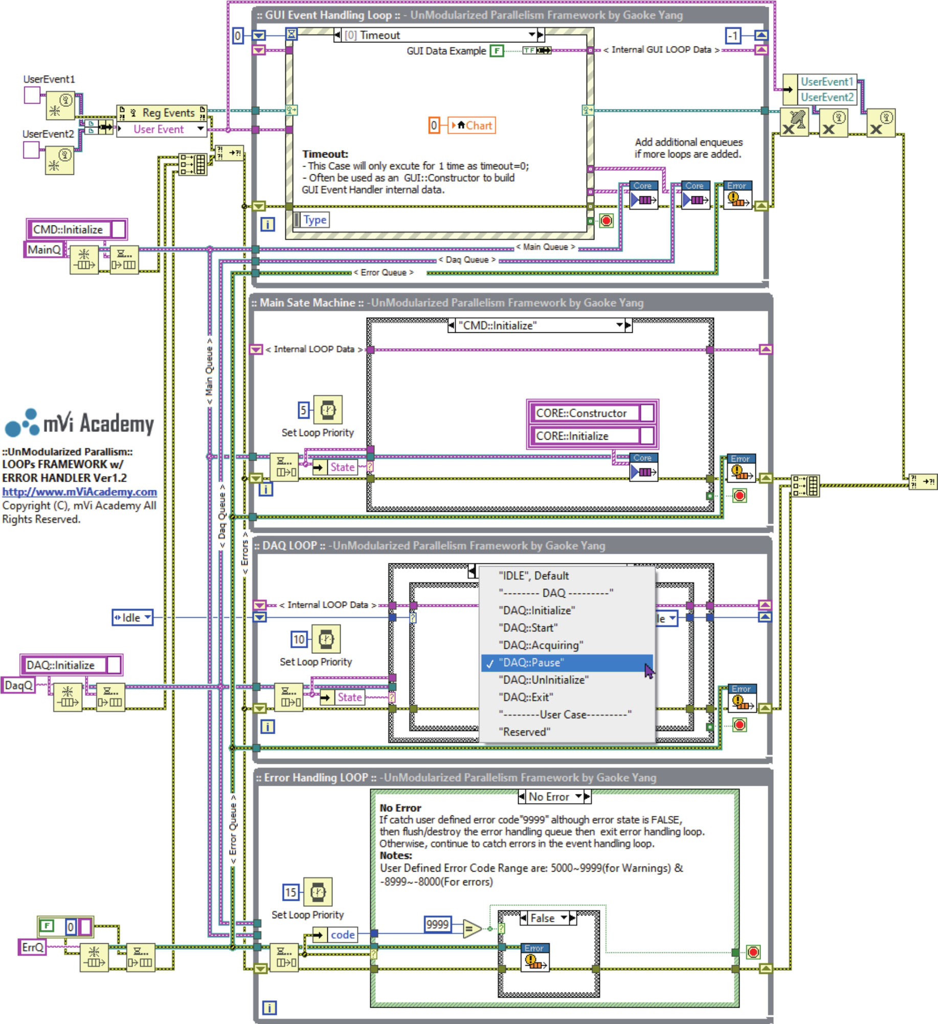
     图9-26 大型多任务程序框架
 
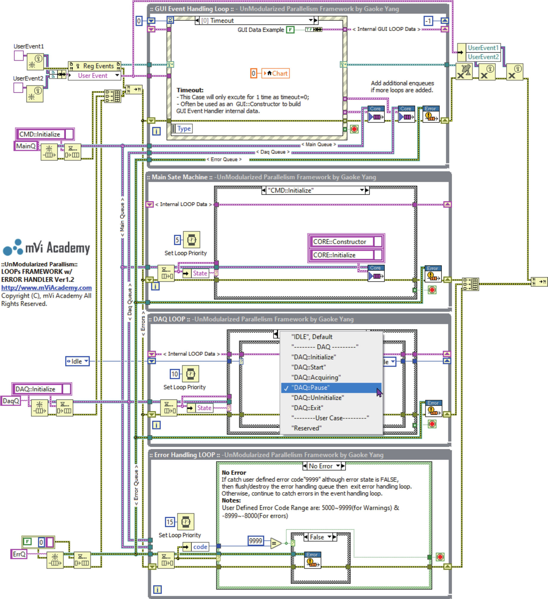
     图9-31 模块化封装后的结束大型多任务程序框架
 
     图11-14 LabVIEW类封装示例
 
     图11-21 动态分配和静态分配成员调用示意图
 
     图12-32 使用代码创建VI,并添加后面板元素
 
     图14-20 TDMS文件的逻辑结构和物理文件中数据段的构成
 
     图16-30 使用TCP协议传输图像的程序及运行时的前面板
 
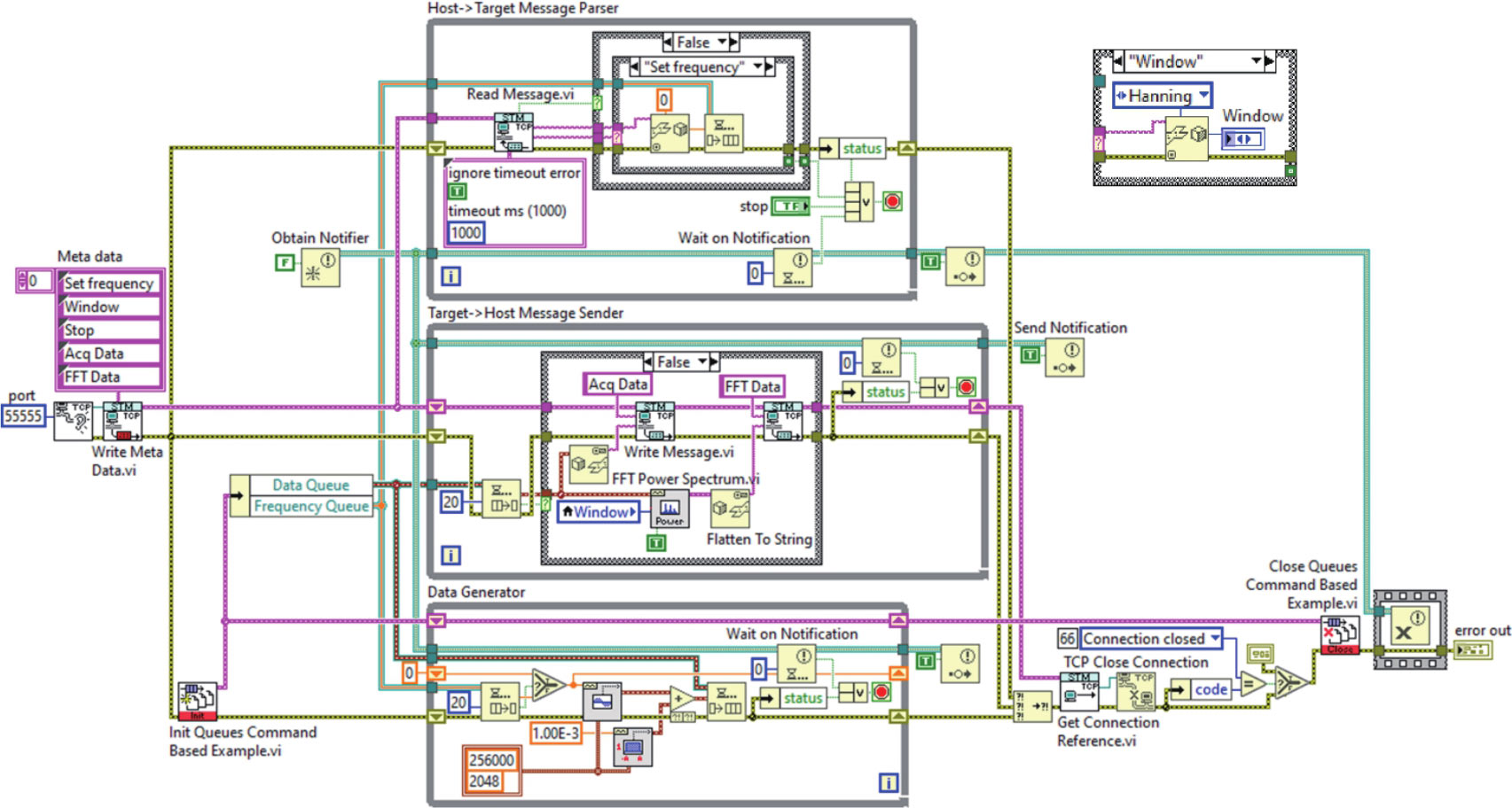
     图16-47 多循环框架与NI STM结合创建的网络通信程序—客户端
 
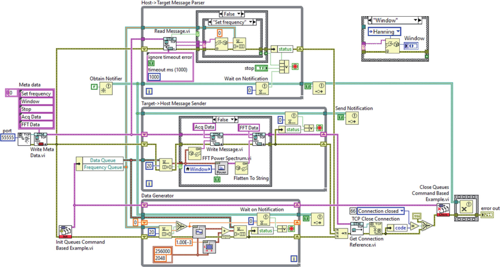
     图16-48 多循环框架与NI STM结合创建的网络通信程序—服务器端
表18-1 NI Vision支持的图像类型
 
     
     图19-5 复杂周期信号分解为基本函数组合
 
     图19-42 不同阶数巴特沃斯IIR滤波器比较
 
     图19-44 经典滤波器不同阶数频谱比较程序
 
     图19-45 不同阶数切比雪夫Ⅱ型低通滤波器对比
 
     图19-46 不同阶数低通椭圆滤波器对比
 
     图19-47 经典低通滤波器频谱对比
 
     图19-48 不同阶数低通贝塞尔滤波器对比
 
     图19-49 经典IIR低通滤波器阶跃响应对比
 
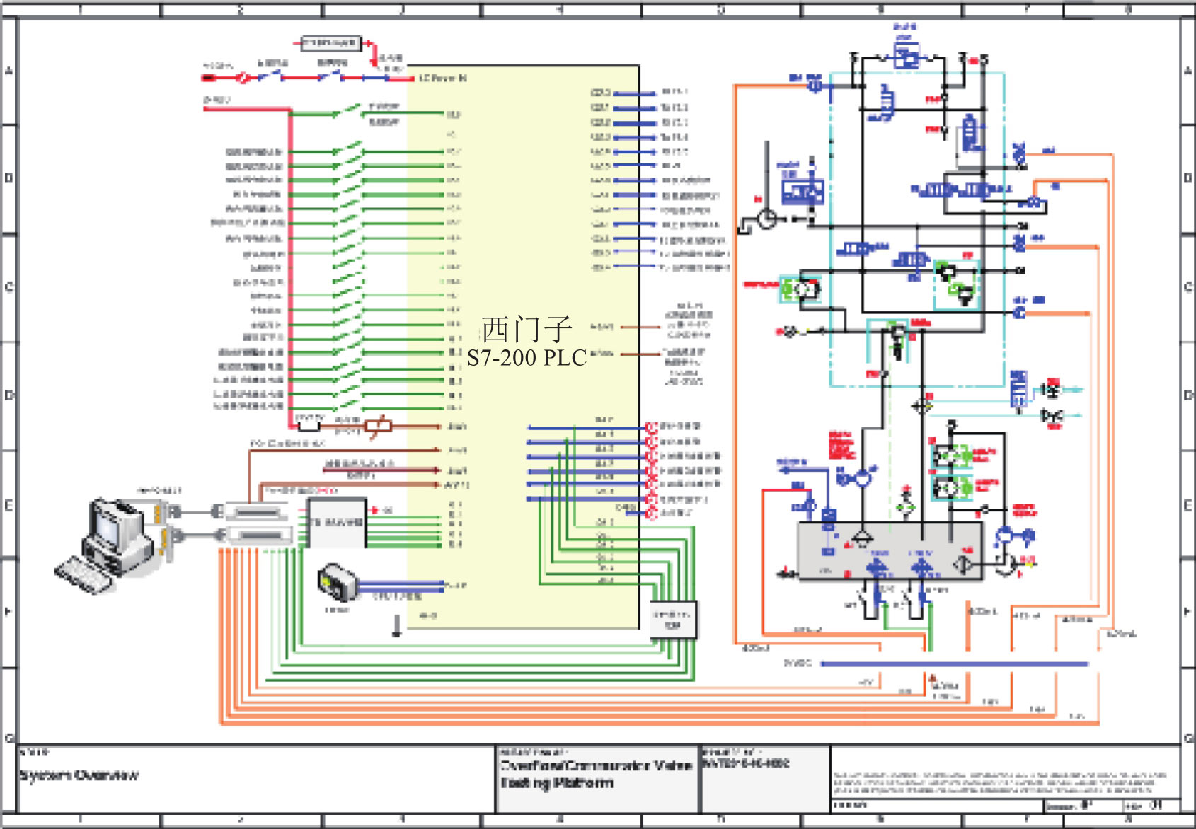
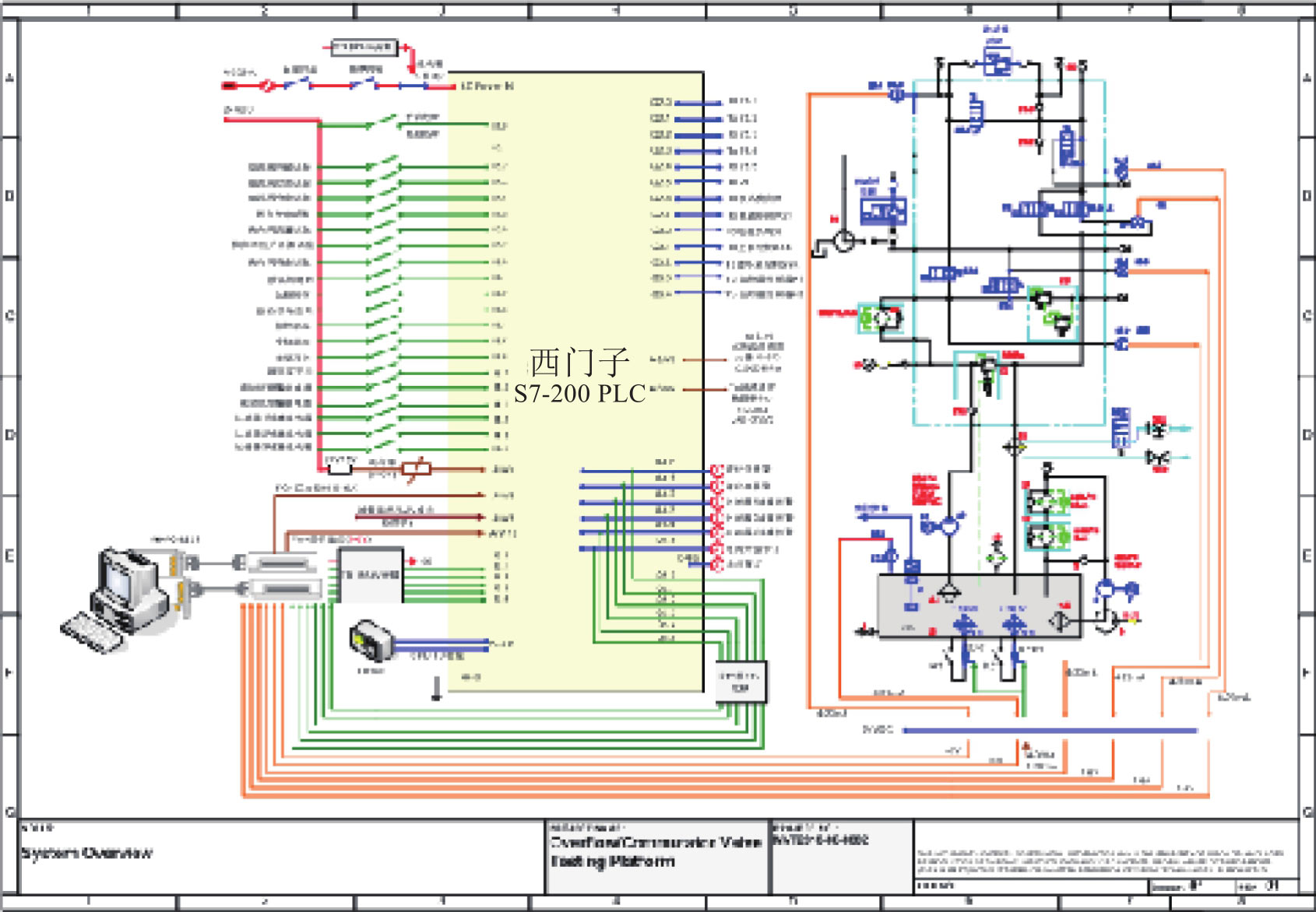
     图22-1 系统结构图
 
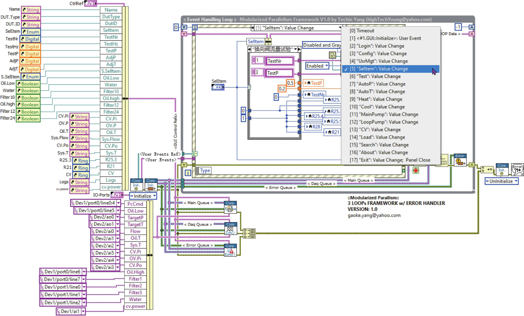
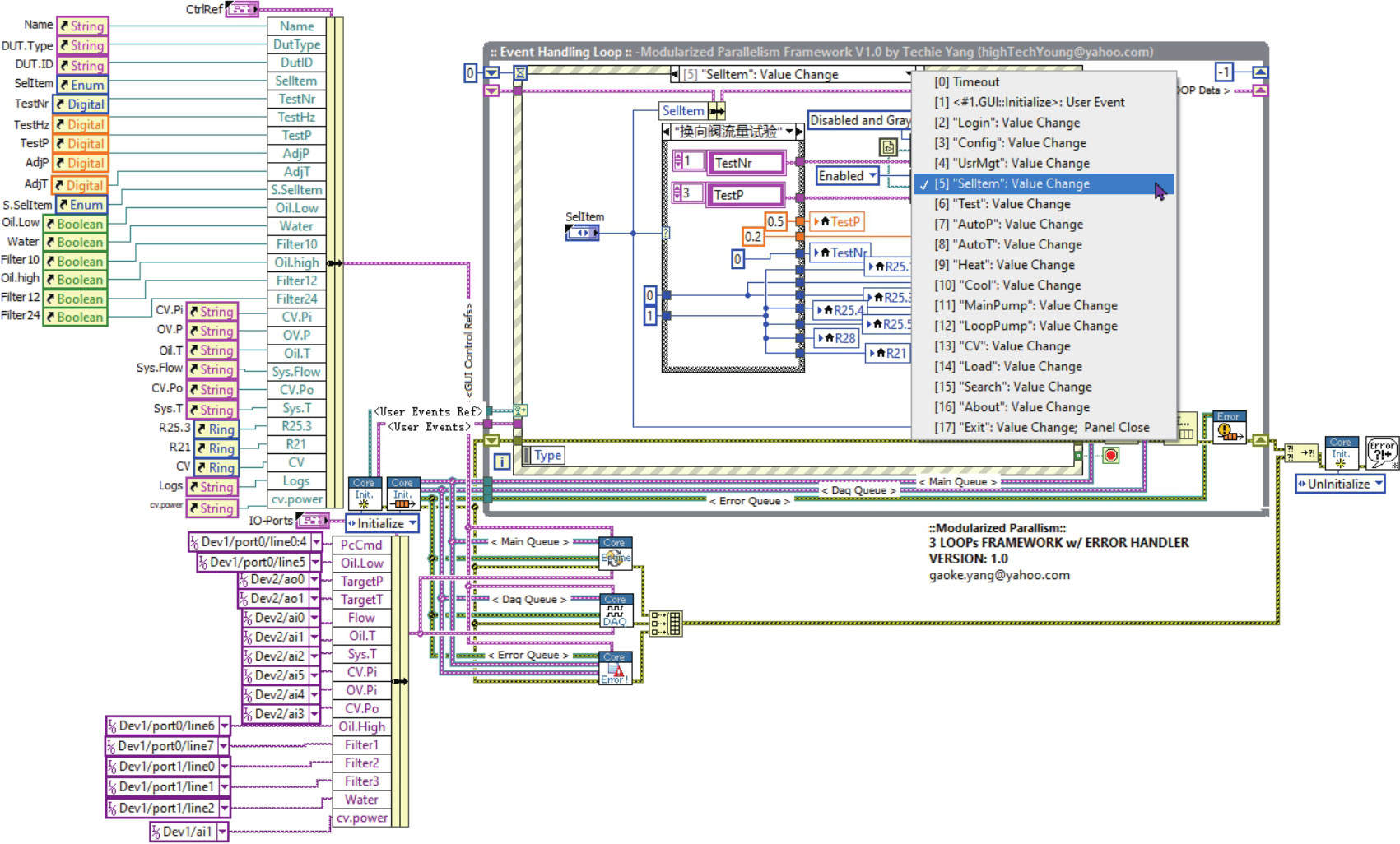
     图22-3 系统软件架构
 
     图22-16 基于模块化多循环的项目模板