



变频器有一些电压和电流模拟量输入端子,改变这些端子的电压或电流输入值可以改变电动机的转速。如果将这些端子与PLC的模拟量输出端子连接,就可以利用PLC控制变频器来调节电动机的转速。模拟量是一种连续变化的量,利用模拟量控制功能可以使电动机的转速连续变化(无级变速)。
PLC以模拟量方式控制变频器的硬件连接如图4-7所示,由于三菱FX 2N -32MR型PLC无模拟量输出功能,需要给它连接模拟量输出模块(如FX 2N -4DA),再将模拟量输出模块的输出端子与变频器的模拟量输入端子连接。当变频器的STF端子外部开关闭合时,该端子输入为ON,变频器启动电动机正转,PLC内部程序运行时产生的数字量数据通过连接电缆送到模拟量输出模块(DA模块),由其转换成0~5V或0~10V范围内的电压(模拟量)送到变频器2、5端子,控制变频器输出电源的频率,进而控制电动机的转速。如果DA模块输出到变频器2、5端子的电压发生变化,变频器输出电源频率也会变化,电动机转速就会变化。
图4-7 PLC以模拟量方式控制变频器的硬件连接
PLC在以模拟量方式控制变频器的模拟量输入端子时,也可同时用开关量方式控制变频器的开关量输入端子。
中央空调系统的组成如图4-8所示。
图4-8 中央空调系统的组成
中央空调系统由三个循环系统组成,分别是制冷剂循环系统、冷却水循环系统和冷冻水循环系统。
制冷剂循环系统的工作原理:压缩机从进气口吸入制冷剂(如氟利昂),在内部压缩后排出高温高压的气态制冷剂进入冷凝器(由散热良好的金属管做成);冷凝器浸在冷却水中,冷凝器中的制冷剂被冷却后,得到低温高压的液态制冷剂,然后经膨胀阀(用于控制制冷剂的流量大小)进入蒸发器(由散热良好的金属管做成);由于蒸发器管道空间大,液态制冷剂压力减小,马上汽化成气态制冷剂。制冷剂在由液态变成气态时会吸收大量的热量,蒸发器管道因被吸热而温度降低。由于蒸发器浸在水中,水的温度也因此而下降,蒸发器出来的低温低压的气态制冷剂被压缩机吸入,压缩成高温高压的气态制冷剂又进入冷凝器,开始下一次循环过程。
冷却水循环系统的工作原理:冷却塔内的水流入制冷机组的冷却室,高温冷凝器往冷却水散热,使冷却水温度上升(如37℃);升温的冷却水被冷却泵抽吸并排往冷却塔,水被冷却(如冷却到32℃)后流进冷却塔,然后又流入冷却室,开始下一次冷却水循环。冷却室的出水温度要高于进水温度,两者存在温差,出、进水温差大小反映冷凝器产生的热量多少,冷凝器产生的热量越多,出水温度越高,出、进水温差越大。为了能带走冷凝器更多的热量来提高制冷机组的制冷效率,当出、进水温差较大(出水温度高)时,应提高冷却泵电动机的转速,加快冷却室内水的流速来降低水温,使出、进水温差减小。实际运行表明,出、进水温差控制在3~5℃范围内较为合适。
冷冻水循环系统的工作原理:制冷区域的热交换盘管中的水进入制冷机组的冷冻室,经蒸发器冷却后水温降低(如7℃);低温水被冷冻泵抽吸并排往制冷区域的各个热交换盘管,在风机作用下,空气通过低温盘管(内有低温水通过)时温度下降,使制冷区域的室内空气温度下降,热交换盘管内的水温则会升高(如升高到12℃);从盘管中流出的升温水汇集后又流进冷冻室,被低温蒸发器冷却后,再经冷冻泵抽吸并排往制冷区域的各个热交换盘管,开始下一次冷冻水循环。
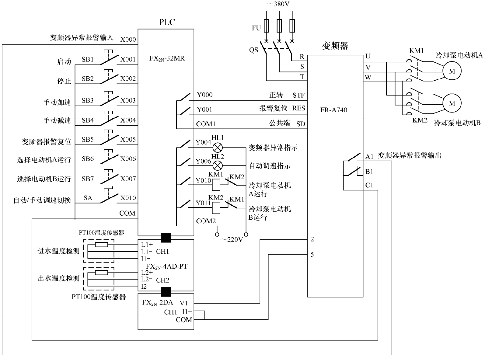
中央空调冷却水流量控制的PLC与变频器线路图如图4-9所示。
图4-9 中央空调冷却水流量控制的PLC与变频器线路图
中央空调冷却水流量控制的PLC程序由D/A转换程序、温差检测与自动调速程序、手动调速程序、变频器启/停/报警及电动机选择程序组成。
D/A转换程序的功能是将PLC指定存储单元中的数字量转换成模拟量并输出到变频器的调速端子。本例利用FX 2N -2DA模块将PLC的D100单元中的数字量转换成0~10V电压去变频器的2、5端子。D/A转换程序如图4-10所示。
图4-10 D/A转换程序
温差检测与自动调速程序如图4-11所示。温度检测模块(FX 2N -4AD-PT)将出水和进水温度传感器检测到的温度值转换成数字量,分别存入D21和D20,两者相减后得到的温差值存入D25。在自动调速方式(X010常开触点闭合)时,PLC每隔4s检测一次温差,如果温差值>5℃,自动将D100中的数字量提高40,转换成模拟量去控制变频器,使其频率提升0.5Hz,冷却泵电动机转速随之加快;如果温差值<4.5℃,自动将D100中的数字量减小40,使变频器的频率降低0.5Hz,冷却泵电动机转速随之降低;如果4.5℃≤温差值≤5℃,则D100中的数字量保持不变,变频器的频率不变,冷却泵电动机转速也不变。为了将变频器的频率限制在30~50Hz,程序将D100的数字量限制在2400~4000范围内。
图4-11 温差检测与自动调速程序
手动调速程序如图4-12所示。在手动调速方式(X010常闭触点闭合)时,X003触点每闭合一次,D100中的数字量就增加40,由DA模块转换成模拟量后使变频器频率提高0.5Hz;X004触点每闭合一次,D100中的数字量就减小40,由DA模块转换成模拟量后使变频器频率降低0.5Hz。为了将变频器的频率限制在30~50Hz,程序将D100中的数字量限制在2400~4000范围内。
图4-12 手动调速程序
变频器启/停/报警及电动机选择程序如图4-13所示。下面对照图4-9所示线路图和图4-13来说明该程序的工作原理。
图4-13 变频器启/停/报警及电动机选择程序
① 变频器启动控制。按下启动按钮SB1,PLC的X001端子输入为ON,程序中的[208]X001常开触点闭合,将Y000线圈置1,[191]Y000常开触点闭合,为选择电动机做准备;[214]Y000常闭触点断开,停止对D100(存放用作调速的数字量)复位。另外,PLC的Y000端子内部的硬触点闭合,变频器STF端子输入为ON,启动变频器从U、V、W端子输出正转电源,正转电源频率由D100中的数字量决定。Y000常闭触点断开停止D100复位后,手动调速程序的[148]指令马上往D100写入2400,D100中的2400随之由D/A转换程序转换成6V电压,送到变频器的2、5端子,使变频器输出的正转电源频率为30Hz。
② 冷却泵电动机选择。按下选择电动机A运行的按钮SB6,[191]X006常开触点闭合,Y010线圈得电,Y010自锁触点闭合,锁定Y010线圈得电;同时,Y010硬触点也闭合,Y010端子外部接触器KM1线圈得电,KM1主触点闭合,将冷却泵电动机A与变频器的U、V、W端子接通,变频器输出电源驱动冷却泵电动机A运行。按钮SB7用于选择电动机B运行,其工作过程与电动机A相同。
③ 变频器停止控制。按下停止按钮SB2,PLC的X002端子输入为ON,程序中的[210]X002常开触点闭合,将Y000线圈复位,[191]Y000常开触点断开,Y010、Y011线圈均失电,KM1、KM2线圈失电,KM1、KM2主触点均断开,将变频器与两个电动机断开;[214]Y000常闭触点闭合,对D100复位;另外,PLC的Y000端子内部的硬触点断开,变频器STF端子输入为OFF,变频器停止从U、V、W端子输出电源。
④ 自动调速控制。将自动/手动调速切换开关闭合,选择自动调速方式,[212]X010常开触点闭合,Y006线圈得电,Y006硬触点闭合,Y006端子外接指示灯通电点亮,指示当前为自动调速方式;[95]X010常开触点闭合,自动调速程序工作,系统根据检测到的出、进水温差来自动改变用作调速的数字量,该数字量经DA模块转换成相应的模拟量电压,去调节变频器的输出电源频率,进而自动调节冷却泵电动机的转速;[148]X010常闭触点断开,手动调速程序不工作。
⑤ 手动调速控制。将自动/手动调速切换开关断开,选择手动调速方式,[212]X010常开触点断开,Y006线圈失电,Y006硬触点断开,Y006端子外接指示灯断电熄灭;[95]X010常开触点断开,自动调速程序不工作;[148]X010常闭触点闭合,手动调速程序工作,以手动加速控制为例,每按一次手动加速按钮SB3,X003上升沿触点就接通一个扫描周期,ADD指令就将D100中用作调速的数字量增加40,经DA模块转换成模拟量电压,去控制变频器频率提高0.5Hz。
⑥ 变频器报警及复位控制。在运行时,如果变频器出现异常情况(如电动机出现短路导致变频器过流),其A1、C1端子内部的触点闭合,PLC的X000端子输入为ON,[204]X000常开触点闭合,Y004线圈得电,Y004端子内部的硬触点闭合,变频器异常指示灯HL1通电点亮。排除异常情况后,按下变频器报警复位按钮SB5,PLC的X005端子输入为ON,[206]X005常开触点闭合,Y001端子内部的硬触点闭合,变频器的RES端子(报警复位)输入为ON,变频器内部报警复位,A1、C1端子内部的触点断开,PLC的X000端子输入变为OFF,最终使Y004端子外接指示灯HL1断电熄灭。
为了满足控制和运行要求,需要对变频器的一些参数进行设置。本例中变频器需设置的参数及参数值如表4-3所示。
表4-3 变频器的有关参数及参数值