



充电系统电路包括交流发电机工作电路(即发电机励磁电路、整流电路及调节器工作电路)、充电电路及充电指示灯控制电路等。
    现代汽车发电机均采用硅整流交流发电机,主要由转子、定子、整流器及附件(电压调节器、充电指示灯、电流表、电压表)等组成。硅整流交流发电机按定子绕组的连接方式分为三角形联结(简称△联结)和星形联结(简称
     联结)两种,如图1-11所示。
    联结)两种,如图1-11所示。
   
 
    图1-11 发电机定子绕组的联结
a)三角形联结 b)星形联结
硅整流交流发电机要输出稳定的电压,需电压调节器进行调节,电压调节器调节发动机输出电压的实质是通过调节交流发电机的励磁电流来间接的调节交流发电机的输出电压的,因此电压调节器的作用是作为一个自动控制的开关(或晶体管等电子开关)串联在励磁绕组的回路中,自动调节励磁绕组中电流的大小,按电压调节器在励磁回路中安装位置的不同,将交流发电机和电压调节器分为内搭铁和外搭铁两种类型。励磁绕组的一端经集电环和电刷在发电机端盖上直接搭铁的发电机称为内搭铁型发电机,如图1-12a所示,与之配用的电压调节器称为内搭铁型调节器;励磁绕组的两端均与发电机外壳绝缘,其中一端由集电环和电刷输出经电压调节器后搭铁的发电机称为外搭铁型发电机,如图1-12b所示,与之配用的电压调节器称为外搭铁型调节器;在汽车交流发电机中,按使用的整流二极管的数量不同,分为6管、8管、9管、11管及双整流系统的12管等。
 
    图1-12 交流发电机的搭铁形式
a)内搭铁型交流发电机 b)外搭铁型交流发电机
6管整流发电机采用6个二极管组成三相桥式全波整流,将三相交流发电机输出的三相交流电变成直流电输出,如图1-13a所示。
8管整流发电机除采用其中6个二极管组成三相桥式全波整流输出外,另外增加2个中性点二极管,其中1个正极二极管VD 7 接在交流发电机三相绕组的中性点和正极间,另一个负极二极管VD 8 接在交流发电机三相绕组的中性点和负极间,对中性点的交流成分进行整流并输出,在中高速时,提高交流发电机的输出功率,如图1-13b中的VD 7 、VD 8 。
9管整流发电机除采用其中6个整流二极管组成三相桥式全波整流输出外,另外增加3个小功率磁场二极管与3个大功率负二极管也组成三相桥式全波整流电路,用来专门提供励磁电流和控制充电指示灯,因此称三个小功率二极管为磁场二极管,如图1-13c中的VD 7 、VD 8 、VD 9 。
11管整流发电机综合了上述中性点二极管和专门的磁场二极管的优点,使交流发电机的性能更好,如图1-13d所示。
 
    图1-13 发电机整流电路类型
发电机电压调节器的作用是在交流发电机转速变化时,通过调节发电机励磁绕组的励磁电流的大小,使发电机的输出电压保持稳定,从而防止发电机输出电压过高而烧坏用电设备和导致蓄电池过量充电,同时也防止发电机输出电压过低而导致用电设备工作失常和蓄电池充电不足。
电压调节器按构成元件性质不同可分为触点式(电磁振动式)和电子式两种,现在常用的主要是电子式。电子式电压调节器又分为晶体管调节器和集成电路调节器。电子式电压调节器按交流发电机搭铁形式的不同又可分为内搭铁式和外搭铁式两种,内搭铁式发电机配用内搭铁式电压调节器,外搭铁式发电机配用外搭铁式调节器。
注意
电压调节器的搭铁形式一定要和发电机的搭铁形式相配套,当遇到两者的搭铁形式不一致时,要把交流发电机的搭铁形式改为与电压调节器的搭铁形式相一致,调节器的搭铁形式是无法改变的。
晶体管电压调节器是将晶体管作为一个开关串联在发电机的磁场电路中,根据发电机输出电压的高低,以控制晶体管的导通和截止,调节发电机的励磁电流的大小,从而保持发电机输出电压稳定在规定的范围之内。图1-14a、b分别为外搭铁式和内搭铁式晶体管调节器的工作原理图。
在图1-14a所示的外搭铁型电子调节器的基本电路中,大功率晶体管VT 2 作为一个电子开关串联在交流发电机的励磁绕组端及搭铁端,因此调节器属于外搭铁型,所用的大功率晶体管VT 2 通常为NPN型,通常也称外搭铁型调节器为NPN调节器;在图1-14b所示的内搭铁型电子调节器的基本电路中,大功率晶体管VT 2 作为一个电子开关串联在交流发电机的励磁绕组端及电源端,因此调节器属于内搭铁型,所用的大功率晶体管VT 2 通常为PNP型,通常也称内搭铁型调节器为PNP调节器。
集成电路电压调节器也称IC调节器,其工作原理与晶体管电压调节器相同。集成电路调节器装在发电机上,根据电压检测点的不同,可分为发电机电压检测法和蓄电池电压检测法两种,如图1-15所示。
 
    图1-14 晶体管式电压调节器的基本电路
a)外搭铁型电子调节器的基本电路
 
    图1-14 晶体管式电压调节器的基本电路(续)
b)内搭铁型电子调节器的基本电路
 
    图1-15 集成电路电压调节器
a)发电机电压检测法 b)蓄电池电压检测法
发电机电压检测法:电压调节器的电压检测线在交流发电机上直接获得电压调节信号,图1-15a中加在分压器R 2 、R 3 上的电压是磁场二极管输出端L的电压 U L , U L 和发电机输出B端的电压 U B 相等,检测点P的电压为 U P ,由于检测点P加在稳压管VD两端的反向电压与发电机的端电压成正比,所以称为发电机电压检测法。
蓄电池电压检测法:通过连接导线检测蓄电池端电压的变化来调节发电机的输出,图1-15b中加到分压器R 2 和R 3 上的电压为蓄电池端电压(通过直接连接到蓄电池上的检测线S),由于检测点P加在稳压管VD上的反向电压与蓄电池端电压成正比,所以称为蓄电池电压检测法。蓄电池电压检测法的优点在于电压检测线由于直接检测蓄电池的端电压,可以随时保持蓄电池处于充足电的状态,这对于目前日益增多的汽车电气设备来说,是非常必要的。
    如图1-16所示,交流发电机定子绕组采用
     形接法时都有一中性点N,该点的直流平均电压与发电机的直流输出电压同步变化且为发电机输出电压的一半,所以,几乎所有采用星形接法的6管(或带中性点二极管的8管)交流发电机都是利用该点的电压,通过继电器或有关电路去控制充电指示灯的。充电指示继电器磁化线圈的一端接交流发电机的中性点,另一端搭铁,其常闭触点与充电指示灯串联。
    形接法时都有一中性点N,该点的直流平均电压与发电机的直流输出电压同步变化且为发电机输出电压的一半,所以,几乎所有采用星形接法的6管(或带中性点二极管的8管)交流发电机都是利用该点的电压,通过继电器或有关电路去控制充电指示灯的。充电指示继电器磁化线圈的一端接交流发电机的中性点,另一端搭铁,其常闭触点与充电指示灯串联。
   
 
    图1-16 中性点控制的充电指示灯继电器电路
接通点火开关,若不起动发动机,发电机不运转,中性点电压为0,充电指示灯继电器不动作,其常闭触点保持闭合状态,电流分两路:①蓄电池正极→点火开关→充电指示灯→充电指示继电器的常闭触点→搭铁→蓄电池负极,形成回路,充电指示灯亮,表示发电机没有运转发电,指示灯线路正常;②蓄电池正极→点火开关→调节器(+→F)→电刷→励磁绕组→电刷→搭铁→蓄电池负极,给励磁绕组提供励磁电流,为发电机的发电做好准备。
起动发动机后,发电机开始运转。随着发电机输出电压的升高,当发电机输出电压超过蓄电池电压时,中性点的输出电压使充电指示继电器的动作,充电继电器的常闭触点被吸开,切断充电指示灯回路的电流,充电指示灯熄灭,表示发电机正常发电,并向蓄电池充电。若发电机不发电或其输出电压低于蓄电池电压时,发电机中性点输出电压为0或低于充电指示继电器的动作电压,其常闭触点仍然闭合,充电指示灯亮,指示蓄电池不充电。
注意
一般充电指示继电器的设计动作电压为6~7V之间,释放电压在6V以下,该继电器不能用12V或24V普通车用继电器代替。
9管交流发电机增加了3个功率较小的二极管,作用是专用来提供磁场电流及控制充电指示灯,所以又称为磁场二极管。采用磁场二极管后,可以省去继电器,而仅用简单的充电指示灯即可指示发电机工作情况的好坏。
如图1-17为9管交流发电机充电系统电路图。发电机中VD 7 、VD 8 、VD 9 为磁场二极管。发电机工作时,在发电机定子的三相绕组中产生的三相交流电动势,经VD 1 ~VD 6 这6个二极管所组成的三相全波桥式整流电路整流后,输出直流电压 U B+ 向蓄电池充电和向用电设备供电。发电机的磁场电流则由3个磁场二极管VD 7 、VD 8 、VD 9 和3个负极二极管VD 2 、VD 4 、VD 6 组成的三相全波桥式整流电路整流后的直流电压 U B+ 供给。调节器可为电磁式或晶体管式。
 
    图1-17 9管交流发电机充电系统电路
充电指示灯的工作原理如下:接通点火开关SW,蓄电池电流经充电指示灯→调节器接线柱D + →电磁振动式中的触点(或晶体管调节器中的大功率管)→调节器接线柱D F →发电机磁场绕组→搭铁,构成回路。此时充电指示灯发亮,指示发电机被励磁。
发电机工作时,充电指示灯是由蓄电池电压与磁场二极管的输出端“D + ”电压的差值所控制。随着发电机转速的升高,由于“D + ”电压增高,故充电指示灯的亮度减弱。当发电机电压达到蓄电池充电电压时,发电机开始自励,此时充电指示灯因两端的电位相等而熄灭,则表示发电机已经正常工作。
当发电机转速降低或发电机有故障时,接线柱“D + ”端电压降低,由于指示灯两端的电位差增大,指示灯又发亮。这样利用该充电指示灯不仅可在停车后发亮警告驾驶人及时关掉电源开关,又可指示发电机的工作情况,同时还省去了结构复杂的继电器。
丰田轿车充电系统电路原理如图1-18所示。调节器装于发电机内部,构成整体式交流发电机。发电机对外有4个接线柱,分别为B、S、IG、L。当点火开关闭合时,蓄电池通过连接在开关和端子“IG”之间的导线为调节器提供电压。当交流发电机充电时,端子“B”和蓄电池之间的导线有电流流过。同时,集成电路调节器通过端子“S”监测蓄电池电压。这样,调节器根据需要增大或减少转子磁场能量,指示灯电路通过端子“L”连接起来,其工作过程如下。
 
    图1-18 丰田轿车集成电路调节器充电系统电路
1)当点火开关接通,发动机停机时,蓄电池电压加在接线柱IG上,集成电路电压调节器检测到这一电压,使VT 1 处于交替截止-导通状态,蓄电池经端子B为励磁绕组提供励磁电流,使励磁电流为0.2A,励磁绕组电路为:蓄电池正极→发电机接线柱B→励磁绕组→电压调节器F端→VT 1(c-e) →电压调节器E端→搭铁→蓄电池负极。与此同时,由于发电机尚未发电,P点电压为0,集成电路检测到这一情况,使VT 3 导通,VT 2 截止,充电指示灯亮。充电指示灯电路为:蓄电池正极→点火开关K→充电指示灯→电压调节器L端→VT 3(c-e) →电压调节器E端→搭铁→蓄电池负极。此时充电指示灯点亮,指示蓄电池放电。
2)交流发电机发电,但电压低于调节电压时,P端电压上升,集成电路使VT 1 由交替截止导通状态转变为持续导通,为励磁线圈提供充足的励磁电流。集成电路使VT 3 截止,VT 2 导通,充电指示灯熄灭。
3)交流发电机发电,电压达到调节电压,集成电路检测到调节器S端电压达到标准电压时,使VT 1 截止,励磁线圈电路被切断,发电机电压下降,调节器S端电压降低至低于标准电压时,集成电路又检测到这一变化,使VT 1 导通,如此交替,控制调节器S端电压处于标准电压值。这时由于P点电压高,集成电路仍使VT 3 截止,VT 2 导通,充电指示灯熄灭。
4)S端子断路而发电机转动时,如IC检测到S端断路(没有输入),则使VT 1 交替处于导通-截止状态,以保持输出端B的电压在13.3~16.3V。IC检测到S端子电压过低时,使VT 3 导通,VT 2 截止,充电指示灯亮。
5)当调节器B端子断路一段时间,S端子电压尚未降到最低点(13V)时,集成电路又检测到调节器P端电压,使VT 1 交替处于导通-截止状态,将B端子电压保持在20V,防止输出电压不正常升高,保护交流发电机和调节器。当S端子电压降到最低点(13V)时,集成电路检测到这一情况,使VT 3 导通,VT 2 截止,充电指示灯亮。
6)励磁线圈断路时,发电机会停止发电,P点电压变为0。当停止发电,且P点电压为0时,集成电路检测到这一状态,使VT 3 导通,VT 2 截止,充电指示灯亮。
大众常见车型发电机电路如图1-19所示,可以看出发电机有三个接线端子,分别是B+端、L端和DFM端,其中L端和DFM端通过一个2针插件与控制系统连接。发电机及端子如图1-20所示。
 
    图1-19 大众常见车型发电机电路
a)捷达NF发电机电路 b)朗逸/新朗逸/朗行/全新帕萨特/上海大众斯柯达新明锐发电机电路 c)全新桑塔纳发电机电路
 
    图1-20 大众车系发电机端子的分布
1)B+接线端(B1+接线端、B2+接线端):是发电机正电源输出,通过一个熔丝与蓄电池正极相连,发电机的外壳为负极通过搭铁的方式与蓄电池负极连接。
2)DFM接线端:为发电机负载报告接口,以脉宽调制的方式,向发动机控制单元(ECU)报告自己当前转速下的负荷。ECU会通过负荷数据来调整发动机转矩和转速。如发电机报告负荷接近100%,则ECU会提高发动机转速,以提升发电量,降低发电机相对负荷值。
3)L接线端:早期的发电机,L接线端(即D+/61端)提供发电预励磁电流,同时也提供仪表报警功能,发电机内部电路如图1-21所示。当点火开关位于ACC后,仪表内充电指示灯点亮,蓄电池电流通过L线进入发电机励磁线圈进行预励磁,发动机起动后,在曲轴传动带轮的带动下,发电机转子旋转,发电机开始发电,发出的电流通过二极管进入励磁线圈,开始自励,当发电机L线侧电位不低于蓄电池电压,蓄电池灯熄灭,如果发电机工作异常,输出电压低于蓄电池电压,则充电指示灯点亮进行报警;新一代的发电机采用了带电脑控制的调节器(图1-22),稳压模块使用了MCU控制,励磁电流通过MCU直接进行调节,L线主要作用是用于控制组合仪表内的充电指示灯的亮、灭。
以新速腾充电系统电路为例进行讲解(图1-23),其中交流发电机的B+为电压输出端;T2h/1端为充电指示灯控制端;T2h/2端为交流发电机反馈信号输出端。
1)发电机工作电路。发电机的T2h/2端为DFM接线端,经插接器T4t/1后与电路代号62的导线相连,查阅与充电系统相关的电路可知,该导线接发动机控制单元J623的T94/46端。发电机的DFM接线端以脉宽调制的方式,向发动机控制单元反馈自己当前转速下的负荷。发动机控制单元通过负荷数据来调整发动机转矩和转速,从而调节发电机的输出电压。
 
    图1-21 大众老款发电机内部电路
 
    图1-22 大众新款发电机内部电路
发电机的T2h/1端为L接线端,经插接器T4t/2后接车载网络控制单元J519的T52c/32端。L接线端为发电机充电指示灯控制端,该信号输入到车载网络控制单元,然后以总线的方式经J519的CAN总线输入到组合仪表控制单元,控制组合仪表内充电指示灯的亮、灭。
 
    图1-23 新速腾充电系统电路
2)发电机充电电路。该发电机为整体式外搭铁型,当起动发动机或发动机正常运转时,充电系统工作。其充电回路为交流发电机B+端子→熔丝SA1→蓄电池正极→蓄电池→蓄电池负极。
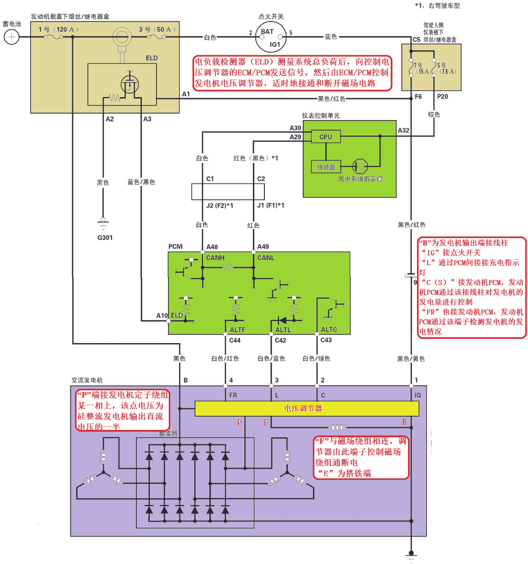
图1-24所示为广州本田雅阁轿车充电系统电路图,充电系统装有测量充电系统负载大小的电负载检测器(ELD)。电负载检测器(ELD)测量系统总负荷后,向控制电压调节器的ECM/PCM发送信号,然后由ECM/PCM控制发电机电压调节器,适时地接通和断开磁场电路,即能可靠地保证电气系统正常工作,使蓄电池充电充足,又能减轻发动机负荷,提高燃料经济性。
 
    图1-24 广州本田雅阁轿车充电系统电路
在发电机内部有“P”“F”和“E”3个接线柱,在调节器的外部有“B”“C(S)”、“IG”“L”和“FR”5个接线柱,其中,“P”端接发电机定子绕组某一相上,该点电压为硅整流发电机输出直流电压的一半;“F”与磁场绕组相连,调节器由此端子控制磁场绕组通断电;“E”为搭铁端;“B”为发电机输出端接线柱;“IG”接点火开关;“L”通过PCM间接接充电指示灯;“C(S)”接发动机PCM,发动机PCM通过该接线柱对发电机的发电量进行控制;“FR”也接发动机PCM,发动机PCM通过该端子检测发电机的发电情况。
汽车电路中负载检测仪检测到电路中负载总电流的大小后,把负载电流信号送给PCM;调节器“FR”接线端子把发电机电压信号送到PCM,PCM根据这两个信号判断磁场电路电流的大小,输出控制信号到“C(S)”端子,驱动调节器的控制电路,适时地改变电压调节器中大功率管占空比的大小来控制磁场绕组电路中电流的大小,以此控制发电机的输出电压。
当发电机电压低于蓄电池电压很多或电负载信号电压较小时,“C(S)”端子获得的电压接近于0,调节器接通“F”与“E”端的搭铁电路,发电机磁场绕组电流增大;随着发电机输出电压升高到蓄电池标准电压或以上,或负载信号电压接近蓄电池标准电压时,该端子电压等于蓄电池的端电压,当此电压达到规定的调节电压时,使调节器断开“F”与“E”端的搭铁电路,切断磁场绕组电流。由此获得PCM对发电机发电量的精确控制,减小发动机的机械负载,并提高汽车的燃油经济性。
C5轿车充电系统的特点如下:
1)发电机的内部结构原理如图1-25所示,定子三相绕组为三角形联结,发电机的整流器有9个二极管。其中D1、D2、D3、D4、D5、D6为整流二极管,D7、D8、D9为励磁二极管,在发电机向外发电时(此时发电机B+的电位高于蓄电池正极的电位),发电机B+与D+两点的电位同步变化,即B+点的电位为14V时,D+点的电位也一定为14V。
 
    图1-25 C5轿车充电系统原理框图
2)发电机工作时,当B+的电位低于蓄电池正极电位时,由蓄电池提供励磁电流(可称之为先他励),此时仪表板上的充电指示灯点亮,当发电机B+的电位高于蓄电池正极电位时,由发电机自身提供励磁电流(可称之为后自励),此时仪表板上的充电指示灯熄灭。
3)发动机怠速运转后,发电机B+输出电压应为13~15V,当发电机B+输出电压为13V以下时,说明发电机发电量不足(此时应考虑检查或更换发电机整流器),易导致蓄电池亏电;当发电机B+输出电压为15V以上时,说明发电机发电量过大(此时应考虑检查或更换发电机调节器),容易烧损汽车上的电子设备。
对于C5轿车充电系统工作原理框图(图1-25)的说明见表1-3。
表1-3 C5轿车充电系统原理框图说明
 
   将点火开关旋到点火档时,点火开关通过导线1065将点火信号传送到智能控制盒BSI的10V BA插接器4脚。BSI获得点火信号后,将全车的CAN高速网、CAN车身网、CAN舒适网等唤醒工作。全车网络唤醒后,蓄电池正极12V的电位信号通过导线BB02传输到发动机舱控制盒PSF1,PSF1一方面通过导线1087向发电机的磁场绕组提供励磁电流,另一方面通过CAN车身网9017/9018将12V的电位信号传递给智能控制盒BSI。BSI收到该信号后,通过CAN舒适网9024/9025向组合仪表0004发出点亮充电指示灯的指令,于是组合仪表点亮充电指示灯以警示驾驶人蓄电池在放电。
发动机起动怠速运转后,发电机就开始发电(即发电机B+的电位高于蓄电池正极的电位),发电机通过导线BB03-BB01对蓄电池进行充电,同时通过导线BB03-BB01-BB02向全车用电设备供电,通过导线BB02将发电机14V左右(发电机发电时,其输出电压一般为14V左右)的电位信号传递给PSF1。PSF1通过CAN车身网9017/9018将14V的电位信号传递给BSI,BSI收到该信号后,通过CAN舒适网9024/9025向组合仪表0004发出熄灭充电指示灯的指令,组合仪表则通过熄灭充电指示灯的方式告知驾驶人发电机已开始发电。
发电机开始发电后,发电机B+与D+两点的电位同步变化,且迅速升高到14V左右,这时导线1087不再向发动机的磁场绕组提供励磁电流,发电机内部的磁场二极管D7、D8、D9向自身的磁场绕组提供励磁电流,可称之为发电机进入自身提供励磁电流的“自励”状态。
安装在发电机内部的调节器的作用是,当发电机转速大幅度变化(从每分钟几百转到一万多转)时,使发电机B+端子的输出电压保持基本不变(一般为14V左右)。调节器实质上是通过控制大功率晶体管T的导通与截止,来控制发电机励磁绕组电流的大小,从而使发电机B+端子的输出电压不随发电机转速变化而变化,基本保持在14V左右。所以调节器损坏后,发电机的输出电压有可能上升到几十伏,甚至上百伏。蓄电池在汽车电源系统中的主要作用如下:
1)发动机起动时,为起动机提供强大的起动电流(100A以上)。
2)发动机运转后,将发电机的电能转化成蓄电池的化学能储存起来,为起动机的下一次起动做准备。
3)当发电机过载时,协助发电机向用电设备供电。
4)蓄电池相当于一个大的电容器,可吸收发动机运转汽车电器设备工作时产生的过电压(汽车电路中高于15V的电压,统称为过电压,点火线圈、空调压缩机电磁离合器、风窗玻璃刮水器、电动车窗电动机甚至喷油器等汽车电器在工作时都可能产生过电压),保护汽车电子元件和设备不受过电压的破坏。所以发动机运转时,不可断开蓄电池的连接线。
故障现象 一辆科鲁兹,起动发动机5~6min后蓄电池指示灯点亮。
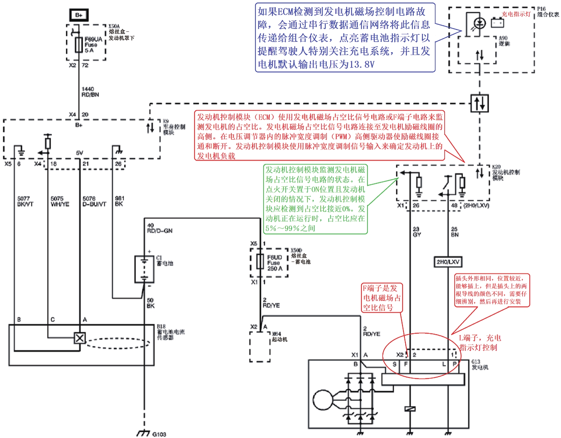
故障诊断 用GDS2+MDI查看发动机控制模块,设置了两个故障码:P2501——发电机L端子高电压;P0625——发电机F端子电压过低。查看科鲁兹充电系统电路图(图1-26),发电机X2插头为2孔插头,L端子为棕色(1号),是充电指示灯控制;F端子为灰色(2号),是发电机磁场占空比信号。
 
    图1-26 科鲁兹充电系统电路图
发动机控制模块(ECM)使用发电机磁场占空比信号电路或F端子电路来监测发电机的占空比。发电机磁场占空比信号电路连接至发电机励磁线圈的高侧。在电压调节器内的脉冲宽度调制(PWM)高侧驱动器使励磁线圈接通和断开。发动机控制模块使用脉冲宽度调制信号输入来确定发动机上的发电机负载。这样,发动机控制模块就可以调节怠速转速以补偿高电气负载。发动机控制模块监测发电机磁场占空比信号电路的状态。在点火开关置于ON位置且发动机关闭的情况下,发动机控制模块应检测到占空比接近0%。发动机正在运行时,占空比应在5%~99%之间。
发动机控制模块(ECM)使用发电机接通控制电路或L端子电路来控制发动机上的发电机负载。发动机控制模块的高电平侧驱动器向电压调节器提供电压,以此来控制电压调节器接通和断开磁场电路。发动机控制模块监测发电机接通控制电路的状态。当点火开关置于ON位置且发动机关闭,或充电系统发生故障时,发动机控制模块应在发电机接通控制电路上检测到电压过低。发动机运行时,发动机控制模块应在发电机接通控制电路上检测到电压过高。发动机控制模块执行测试,以确定发电机接通控制电路的状态。
如果ECM检测到发电机磁场控制电路故障,会通过串行数据通信网络将此信息传递给组合仪表,点亮蓄电池指示灯以提醒驾驶人特别关注充电系统,并且发电机默认输出电压为13.8V。
检查发电机插头发现X2插头上的两根线颜色与电路图不一致,和同型号的车辆对比发现,原来是发电机的X2插头与旁边的爆燃传感器插头插反了!爆燃传感器的插头也是2孔插头,插头颜色和大小与发电机X2插头完全相同,并且位置相邻,所以很容易插错,如图1-27所示。而两个插头的导线颜色不同,爆燃传感器的导线是紫/灰和白/灰色,原来是车辆在别处进行事故维修时插头被插错了。
故障排除 将发电机的X2插头与旁边的爆燃传感器插头对换,故障排除。
 
    图1-27 爆燃传感器和发电机插头位置
故障现象 一辆大众迈腾B7L,驾驶人抱怨该车发电机指示灯由偶尔闪亮变成一直常亮。
故障诊断 首先利用诊断仪检测整个网关列表,整个网关列表中的所有电控系统正常。利用万用表实际测量蓄电池电压,结果是12.7V,起动着车以后蓄电池电压没有增加,并且仪表发电机指示灯常亮,发电机不发电。替换发电机、J519,查看编码,故障依旧。反复重新起动路试(驾驶人反映有时行驶时发动机指示灯闪亮),当熄火重新再次起动着车以后,发电机指示灯又熄灭了,再次测量蓄电池电压以及发电机输出端,又可以正常发电。反复模拟故障状态使其指示灯常亮。
查看发电机L和DFM线路正常,测量J519的T52c/32至发电机T2gc/1之间连接,正常。
当指示灯常亮以及读取发电机不发电时01-08-053组数据流4区只有12%,而对比正常车辆的发电机负荷为46.3%(图1-28)。查阅相关维修得知,新款迈腾发电机控制方式与以往车辆不同(图1-29)。
 
    图1-28 数据流对比
 
    图1-29 新款迈腾发电机的控制方式
怀疑车身线束中有对地短路的地方,由于整车线束过于庞大,查看电路图,将J519连接到发电机的T2/1线束断开,跨接一根连接线到发电机的T2/1脚,结果仪表上发电机的指示灯熄灭。测量发电量正常。接下来查看电路图,查找对地短路的位置。
图1-30所示为迈腾B7L的相关电路,对比老款迈腾B6,不同之处是连接发电机的L线同时也连接后部的逆变器U13。该处连接用于监控发电机是否发电,以判定逆变器U13工作。断开U13逆变器故障依旧,当拉动连接U13的线束时,发电机的L线不再对地短路。进一步查找发现,在中央扶手箱处U13的B344连接线与车身部位磨破搭铁。
故障排除 修复此处搭铁点,故障排除。
 
    图1-30 U13相关电路