



《往复式内燃机驱动的交流发电机组 第1部分:用途、定额和性能》(GB/T 2820.1—2009)规定的发电机组功率种类见表3-1-1。
表3-1-1 发电机组功率种类
(续)
从表3-1-1可看出,持续功率(COP)是机组的最基础功率,其余的是强化功率,通过限制使用时间、平均负荷等来提高机组功率。需要注意的是,基本功率(PRP)与紧急备用功率(ESP)都是在24h以内平均70%负荷的标定。如果在超出标定的功率种类条件下使用,将缩短发电机组的寿命直至引起发电机组损坏。
《往复式内燃机驱动的交流发电机组 第1部分:用途、定额和性能》(GB/T 2820.1—2009)规定的发电机组性能等级见表3-1-2。
表3-1-2 发电机组性能等级
从表3-1-2中可以分析,对于数据中心,由于其负荷大多数都是IT负荷,由UPS提供持续运行的电源,其所选用的柴油发电机组应该达到G3级规定的要求,同时达到《通信用柴油发电机组的进网质量认证检测实施细则》规定的24项性能指标要求。通信用柴油发电机组与工业柴油发电机组不同,带容性能力更强。
运行时间的考虑:持续功率(COP)及基本功率(PRP)满足年运行时间不限的需求,限时运行功率(LTP)及紧急备用功率(ESP)年运行时间限制在500h及200h。
运行平均负载的考虑:基本功率(PRP)及紧急备用功率(ESP)平均负荷限制于≤70%;持续功率(COP)及限时运行功率(LTP)负荷率可在100%及以下运行。
最大功率的考虑:发电机组的最大功率应大于或等于负荷的最大功率。其中负荷的最大功率,需根据数据中心的实际运行状态进行计算,不考虑备用电源供电时可以不必运行的负荷容量。
平均负载率的考虑:发电机组所能提供的平均负载率应大于或等于负载的平均负荷率。
瞬态特性的需求:除要求的稳态功率外,还应考虑由附加负荷(例如电动机起动)引起功率的突然变化而影响到频率和电压特性,满足任何负荷期望的接受状态。
高温、灰尘以及整流器、变频器等类型的负载致使发电机的温升超过限定值,应选用与绝缘材料低一等级的温升,例如采用H级绝缘的发电机温升不超过F级,采用F级绝缘的发电机温升不超过B级。
现场实际条件下功率的折损:受数据中心现场条件下的环境温度、海拔、冷却通风等影响,发电机组的功率不能达到额定值,需要考虑降低功率使用。
按照柴油发电机的供电电压等级分为低压和高压供电系统。
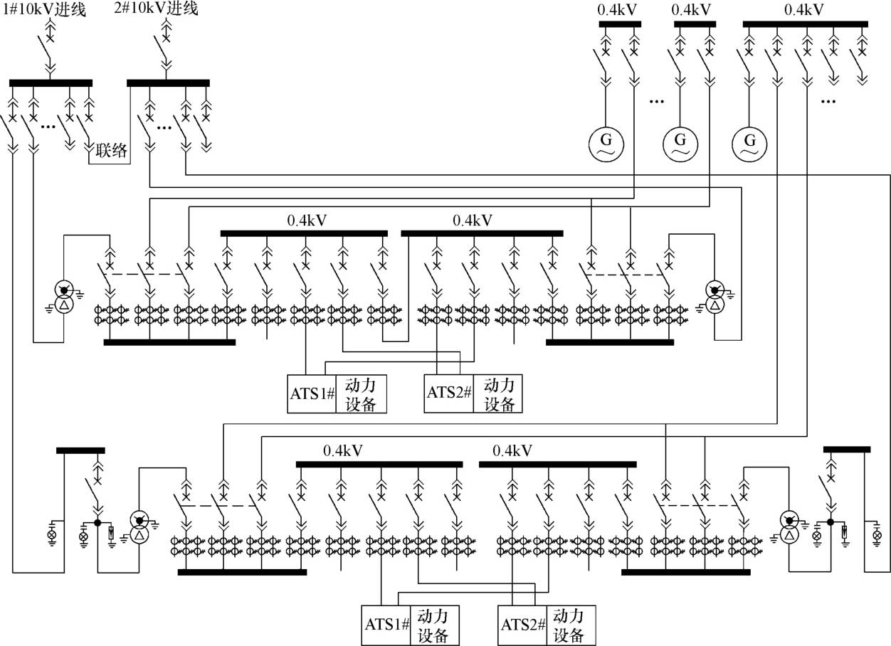
低压供电系统主要分为2 N 供电系统、 N +1切换发电机组供电系统和 N +1并联发电机组供电系统,供电电压为400V。
2 N 供电系统为低压柴油发电机一用一备,逐一对应,此架构投资成本高、容错性高、可靠性好。但逻辑切换较为复杂,需要把主备发电机组、低压柜、联络柜之间的状态及故障信号采集并加以判断,运行场景较多。具体供电架构详见图3-1-1。
图3-1-1 低压2 N 发电机组系统
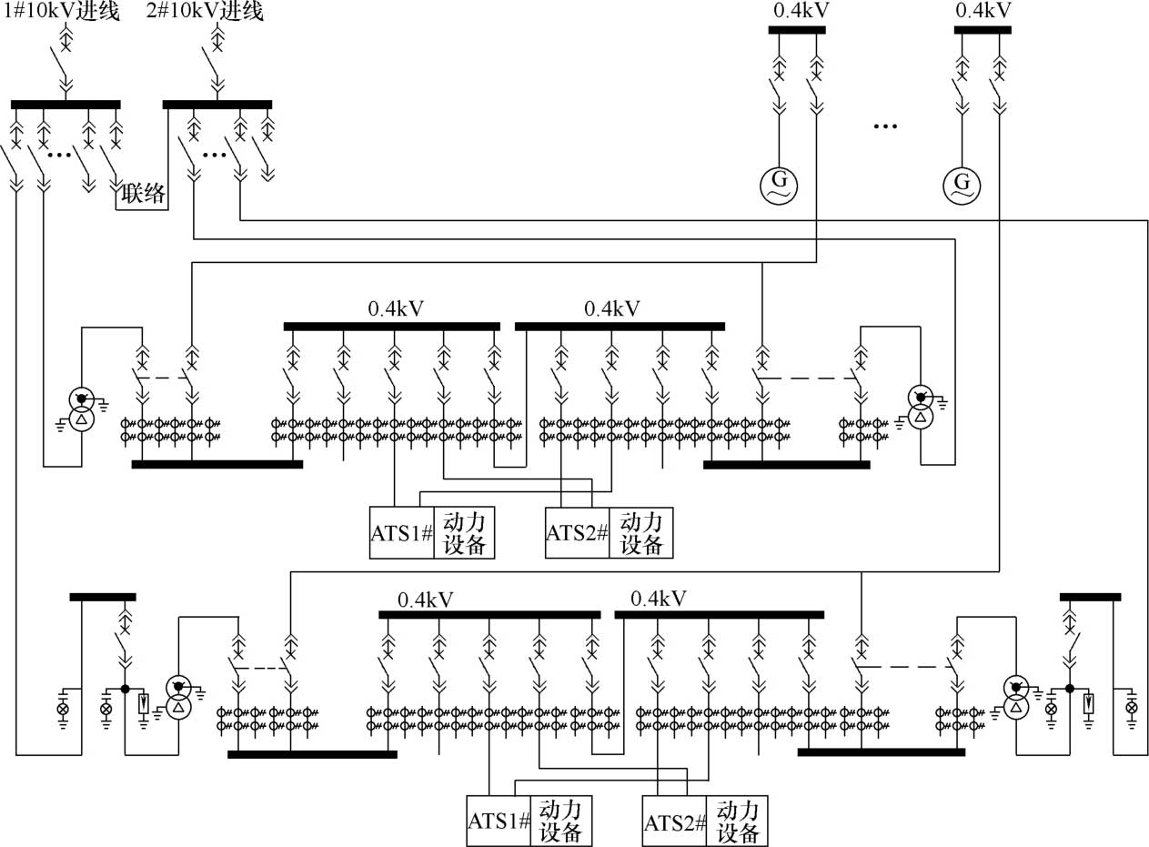
相对于2 N 系统,此结构只采用一台备用机组作为后备,结构简单、投资成本低,任意一台主发电机组故障时,备用机组起动运行。具体供电架构详见图3-1-2。
图3-1-2 低压 N +1切换发电机组系统
此架构相对于 N +1切换系统,容错性更好,相对于2 N 系统,投资成本更低,这个架构采用了母线分流的方法,可以降低母排上的电流,最大限度地避免了母排电流容量的制约。具体供电架构详见图3-1-3。
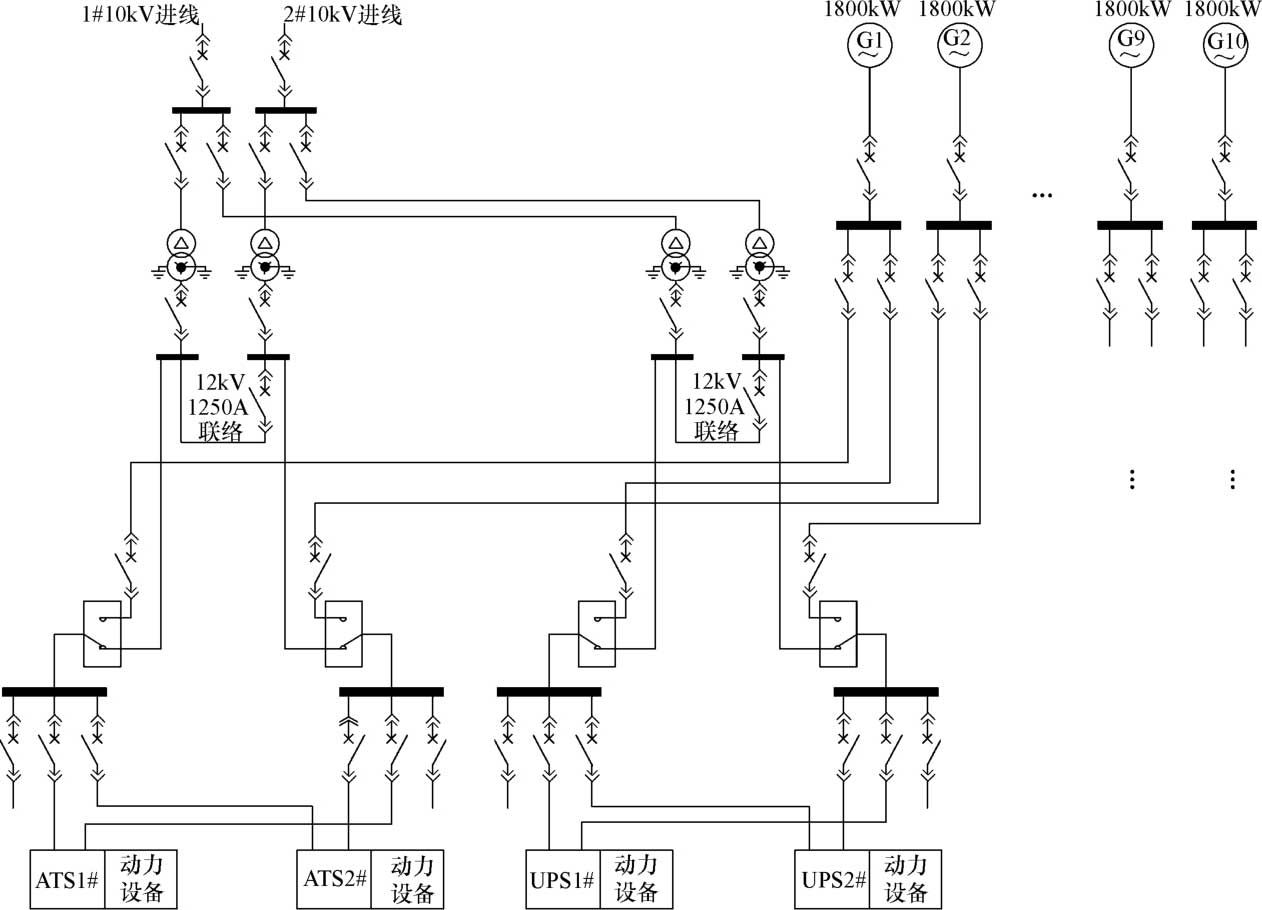
高压供电系统主要分为 N +1单母线并联高压发电机组供电系统和 N +1单母线分段并联发电机组系统,供电电压为10kV。
N +1单母线并联高压发电机组供电系统是将中压柴油发电机统一并机到一条供电母线上,再由这条母线将中压电力分配至各电源进线母线,中压柴油发电机配置为 N +1,能够保证在有一台柴油发电机故障的情况下系统仍然能够正常供电。本系统结构简单,成本较低。具体供电架构详见图3-1-4。
图3-1-3 低压 N +1并联发电机组系统
N +1单母线分段并联发电机组供电系统是将每台中压柴油发电机分别引至两段柴油发电机供电母线上,再由这两段供电母线分别将电力引至电源进线母线,当有一条供电母线故障或是维护时,发电机系统可以通过另一段母线仍能保证系统正常供电,中压柴油发电机配置为 N +1,能够保证在有一台柴油发电机故障的情况下系统仍能正常供电。本系统结构复杂,成本较高。具体供电架构详见图3-1-5。
决定架构的因素一般有经济成本、维护性和运行可靠性等,不同的架构有不同的优势,建设方要根据自身的实际情况来决定架构。
从成本和可靠性角度考虑,一般采用 N +1单母线结构;考虑在线可维护的(一般是需要Uptime的Tier Ⅳ和Tier Ⅲ认证),采用 N +1单母线分段结构,这种结构投资成本相对较高,容错性好,但操作流程较为复杂,对运维人员能力要求较高。
图3-1-4 N +1单母线并联高压发电机组供电系统
10kV自动切换控制系统在下面几种情况时,能够实现自动投切备用电源,保证负荷的不间断供电。
1)两路市电供电,其中一路失电;一路电源供电,另一路电源恢复供电时。
图3-1-5 高压 N +1单母线分段并联发电机组供电系统
表3-1-3 高、低压发电机组的选择与对比表
(续)
2)两路市电都失电的情况;起动柴油发电机,切换为两路柴油发电机电源供电。
3)两路柴油发电机电源供电,其中一路柴油发电机电源失电。
4)当由柴油发电机电源供电时,市电电源恢复后,负荷的切换。
5)母线故障时负荷的切换。
6)柴油发电机运行情况下,柴油发电机发生故障时,负荷的自动减载。
当处于上述情况时,ATCS系统均应根据预先设定的程序,自动完成相关的操作。
10kV自动切换控制系统分为PLC方式与综保方式。
这是目前工程实践中比较成熟的切换方式。
优点在于可根据工程实际情况编程,对于负荷的加减载可以灵活设定,保证柴油发电机投入时的系统稳定,与传统综保方式对比,接线量大幅减少,综保设定简单。
缺点在于PLC方式本身是从通信电源控制手段发展的,其信号传输仅有几十毫安,在复杂电磁环境下,受到干扰时,可能产生拒动或误动。业内认识到优缺点后也做了有益的尝试,比如设置双判据,发出的信号需要接收到末端反馈信号才算成立等,起到一定的作用,但也造成系统复杂。另外,PLC基于编程实现,业主需要保留最终调试通过版本的开源程序。一旦需要系统变更,还要原班人马或另外委托程序员熟悉程序,以便调整系统达到新的使用要求。
由于PLC切换方式尚存一些弊端,施耐德、ABB等综保厂商均推出新的解决方案,使用综保专用控制器,采用IEC 61850规约GOOSE通信方式传输,这种基于电力系统的解决方式避免了PLC容易被干扰的问题,同时也可以完成综保的轻松设定,切换操作交给控制器完成。
高压电源负荷自动控制系统要求如下:
1)高压电源负荷自动控制系统能根据现场要求灵活实现市电到市电、市电到柴油发电机电源,柴油发电机电源到柴油发电机、柴油发电机到市电几种切换功能。
2)高压电源负荷自动控制系统的柜间逻辑信号点采用IEC 61850 GOOSE通信方式传输。
3)为保证控制系统通信可靠性,通信网络采用HSR或PRP冗余协议。
4)高压电源负荷自动控制系统的控制装置采用国家继电器试验室认证产品。
5)高压电源负荷自动控制系统的软件需要符合IEC 62443工控网络与系统信息安全标准。
6)高压电源负荷自动控制系统通过国家继电器实验室认证。
7)高压配电系统的微机保护支持IEC 61850、HSR和PRP冗余通信协议。
8)起动柴油发电机的控制信号,由电源负荷控制系统的控制单元发出。
高压电源负荷自动控制系统典型系统架构如图3-1-6和图3-1-7所示。
图3-1-6 高压电源负荷自动控制系统典型系统架构图(环形)
室内安装的发电机组布置需要注意以下几点:
1)强度必须能支撑机组的湿重,外加动负荷25%。当发电机并联运行时,易考虑承受2倍的湿重。
2)外围尺寸必须超过发电机组边缘至少300mm。
3)条件允许下,考虑基础隔振层措施。
4)当机房地面为楼板或混凝土结构时,建议基础高出地面100~200mm,基础筋需与楼板连接。
5)基础之间的间距建议不小于3m。
1)机房的通风主要是提供足够有冷却空气带走发电机组的散热量,同时也提供足够的空气用于燃烧需要。但也要控制空气流动不至于影响到操作人员的舒适。
2)室内风速不宜大于5m/s,以免影响操作人员的体感舒适度。
图3-1-7 高压电源负荷自动控制系统典型系统架构图(星形)
3)散热器导风罩面积一般要大于散热器芯面积的1.5倍以上。
4)机房的通风量=散热器风扇的空气流量+燃烧空气需要量,以此来计算进风、排风口面积大小。
5)由于降噪的需要,进、排风口需要安装降噪箱,一般考虑降噪箱的有效通风面积为进、排风口面积的一半。
6)进、排风口一般要求在同一直线上,如不在一条直线上,通风效率会降低,需考虑增加面积。
1)考虑消防规范要求,日用油箱容积一般不超过1000L。
2)日用油箱间要安装事故排风风机。
3)油箱间门槛一般高于地面200mm,以防止柴油泄漏时留出油箱间,具体高度应根据油箱间实际尺寸确定。
室内安装与室外集装箱式的对比见表3-1-4。
表3-1-4 室内安装与室外集装箱式的对比
10kV备用柴油发电机系统中性点接地方式应根据常用电源接地方式及线路的单相接地电容电流数值确定。当常用电源采用非有效接地系统时,柴油发电机系统中性点接地宜采用不接地系统。当常用电源采用有效接地系统时,柴油发电机系统中性点接地可采用不接地系统,也可采用低电阻接地系统。当柴油发电机系统中性点接地采用不接地系统时,应设置接地故障报警。当多台柴油发电机组并列运行,且采用低电阻接地系统时,可采用其中一台机组接地方式。
1kV及以下备用柴油发电机系统中性点接地方式宜与低压配电系统接地方式一致。多台柴油发电机组并列运行,且低压配电系统中性点直接接地时,多台机组的中性点可经电抗器接地,也可采用其中一台机组接地方式。