



在FX3U系列PLC内的定时器是根据时钟脉冲的累积形式,当所计时间达到设定值时,其输出触点动作,时钟脉冲有1ms、10ms、100ms。定时器可以用存储器内的常数K作为设定值,范围是K1~K32767。
定时器范围如下:
◇ 100ms通用定时器T0~T199,共200点,设定值:0.1~3276.7s。
◇ 10ms通用定时器T200~T245,共46点,设定值:0.01~327.67s。
◇ 1ms通用定时器T256~T511,共256点,设定值:0.001~32.767s。
◇ 1ms积算定时器T246~T249,共4点,设定值:0.001~32.767s。
◇ 100ms积算定时器T250~T255,共6点,设定值:0.1~3276.7s。
图1-43所示梯形图是通用定时器基本使用例子。当定时器线圈T0的驱动输入X000接通时,T0的当前值计数器对0.1s的时钟脉冲进行计数,当前值与设定值K100相等时,定时器的输出接点动作。即定时器输出触点是在驱动线圈后的10s(0.1s×100=10s)时才动作,当T0触点吸合后,Y000就有输出。当驱动输入X000断开或发生停电时,定时器就复位,输出触点也复位。定时器只有复位后才能再次进行定时。需要注意的是,每个定时器只有一个输入,线圈通电时,开始计时;断电时,自动复位。
 
    图1-43 定时器基本使用
如果是积算定时器,它的工作方式就不同了,所编写的梯形图也不同(见图1-44)。定时器线圈T245的驱动输入X001接通时,T245的当前值对0.01s的时钟脉冲进行累积计数,当该值与设定值K515相等时,定时器的输出触点动作。在计数过程中,即使输入X001在断开时,其当前值保存在寄存器中。在X001再次接通时,计数继续进行,即计算计时器可以在多次断续的情况下累积计时,其累积时间(线圈得电的时间的总和)为5.15s(0.01s×515=5.15s)时,触点动作。当复位输入X002接通,定时器就复位,输出触点也复位。
 
    图1-44 积算定时器基本使用
 
   这里用到了RST指令,与之相对应的是SET指令,两者之间的功能与电路表示见表1-7。与RST接近的另外一个指令是ZRST,它指的是复位一个“连续的”地址,比如[ZRST Y000 Y007],就是把包括“Y000~Y007”的8个地址栏状态全部复位,这个是区间连续复位指令。
表1-7 SET与RST指令的功能与电路表示
 
   Example
 
   任务要求 :如图1-45所示,用三菱FX3U-64MR来控制三相交流异步电动机延时启动延时停止,具体要求如下:
1)按下启动按钮SB1,警示灯HL1先亮起来,延时10s后,警示灯灭,电动机运转,且HL2运行灯亮。
2)按下停止按钮SB2,警示灯HL1再次亮起来,延时8s后,电动机停止,警示灯和运行灯灭。
 
    图1-45 PLC控制电动机延时启动延时停止
实施步骤:
步骤1:图1-46所示为电气接线图,表1-8所示为I/O表。
 
    图1-46 电气接线图
表1-8 I/O表
 
   步骤2:如图1-47所示,进行梯形图编辑,并进行下载。程序解释如下:
 
    图1-47 延时启动延时停止梯形图
步0、5:由启动按钮SB1与启动延时定时器T0(定时10s)组成自锁电路,输出为中间继电器M0,即启动警示灯HL1输出。
步9:由启动延时定时器T0与停止延时定时器T1(定时8s)组成自锁电路,输出为运行灯HL2/电动机接触器KM1。
步14、18:由停止按钮SB2与停止延时定时器T1(定时8s)组成自锁电路,输出为中间继电器M1,即启动警示灯HL1输出。
步22:由中间继电器M0或M1关联警示灯HL1输出。
步骤3:联机后监控。图1-48和图1-49中的框线阴影部分即为定时T0和T1的实时时间。
 
    图1-48 T0定时监控
 
    图1-49 T1定时监控
Example
 
   任务要求 :如图1-50所示,用三菱FX3U-64MR来控制三相交流异步电动机的正转与反转,具体要求如下:
 
    图1-50 PLC控制电动机正反转定时运行
1)按下启动按钮SB1,电动机正转,正转指示灯HL1闪烁,其周期为亮2s,灭1s;正转运行20s后,电动机反转,此时HL1灭,反转指示灯HL2闪烁,其周期为亮0.5s,灭1s;反转运行15s后,再正转,再反转,依次进行。
2)按下停止按钮SB2,电动机立即停机,所有指示灯灭。
实施步骤:
步骤1:图1-51所示为电气接线图,表1-9所示为I/O表。
 
    图1-51 电气接线图
表1-9 I/O表
 
   步骤2:梯形图编辑如图1-52所示,编译后下载。程序解释如下:
步0:由启动按钮SB1和停止按钮SB2完成运行中间继电器M0的自锁电路。
步5:通过2个定时器T0和T1来完成正反转控制,输出Y0和Y1。
步22:通过2个定时器T10和T11来完成正转指示灯闪烁,输出为Y2。
步36:通过2个定时器T20和T21来完成反转指示灯闪烁,输出为Y3。
本案例编程共有6个定时器来完成周期动作,2个定时器为一组。这里以步5为例进行时序图说明,如图1-53所示,T0定时器的功能是做断开的时间计时,T1的功能是做接通的时间计时。当T0定时时间到,T0线圈动作,使得Y1得电,这时也接通T1的线圈,使T1开始定时,当T1定时时间到,T1线圈动作,T1的常闭触点使得T0线圈断开,引起T0常开触点断开,从而T1自己的线圈也断开,当然Y1线圈也断开。这里面其实T1只接通了一个程序扫描周期,所以在时序图上看仅为一个脉冲。
 
    图1-52 梯形图
 
    图1-53 时序图
Example
 
   任务要求 :对于大功率电动机来说,当负载对电动机启动转矩无严格要求又要限制电动机启动电流,且电动机满足接线条件,可以采用星-三角启动方法。某电路要求用三菱FX3U-64MR来进行星-三角减压启动控制,具体要求如下:
1)能够用按钮控制电动机的启动和停止。
2)电动机启动时定子三相绕组接成星形,延时6s后,自动将电动机的定子三相绕组接成三角形。
3)具有电动机过载保护等措施。
实施步骤:
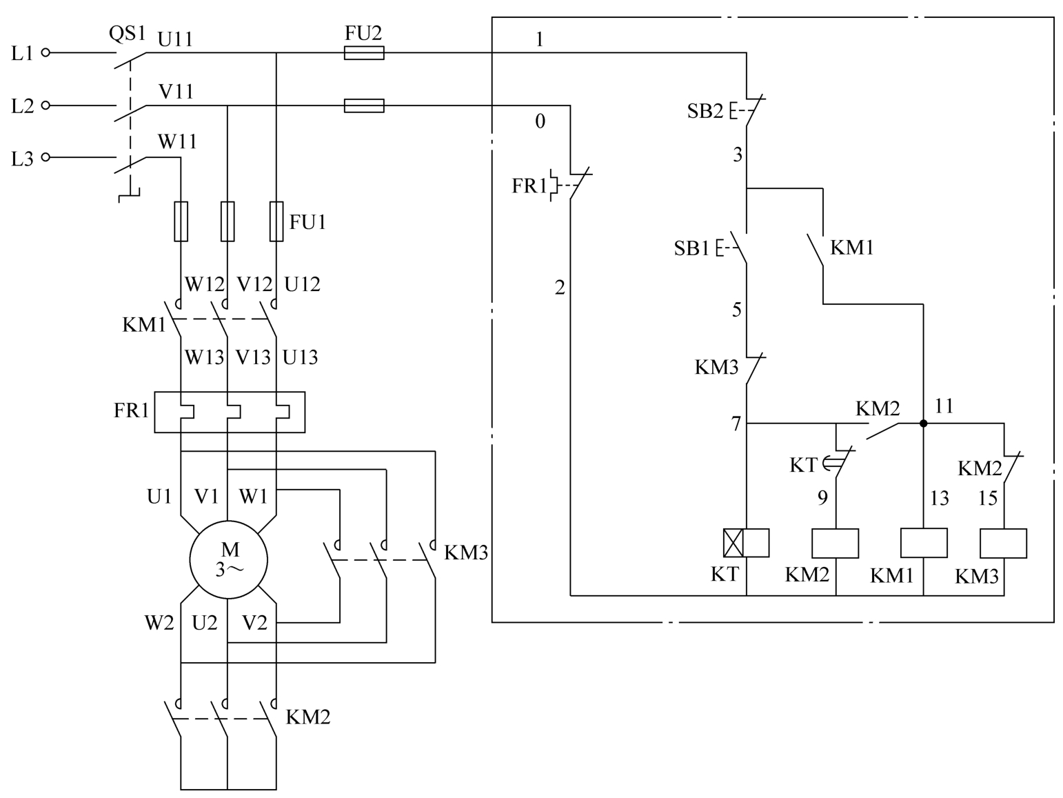
步骤1:图1-54所示为星-三角减压启动的电气原理图。相关元件的名称、代号和作用见表1-10。
 
    图1-54 星-三角减压启动电气原理图
表1-10 元件的名称、代号和作用
 
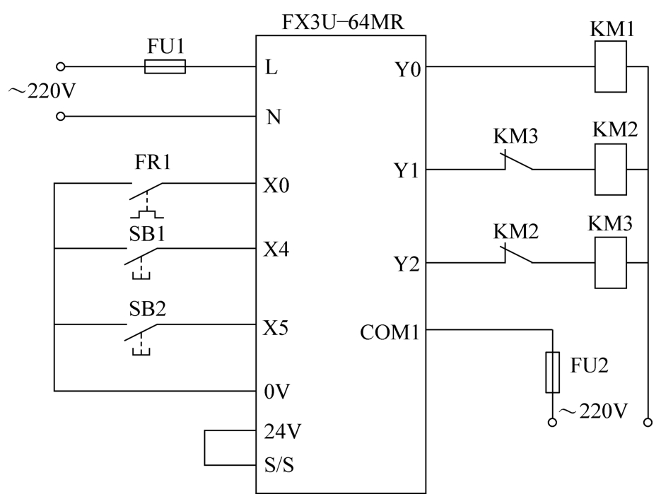
   步骤2:PLC I/O接线图如图1-55所示,同时列出其I/O表见表1-11。
 
    图1-55 PLC I/O接线图
表1-11 I/O表
 
   步骤3:如图1-56所示,进行梯形图编辑,编译后下载运行。
 
    图1-56 梯形图程序
 
   FX3U与老产品FX不同,其定时器可以扩展到512个,这里采用的T300定时器实时监控情况如图1-57所示。
 
    图1-57 监控T300
FX3U的内部计数器是在执行扫描操作时对内部信号(如X、Y、M、T等)进行计数。内部输入信号的接通和断开时间应比PLC的扫描周期稍长,否则将无法正确计数。
1.16位增计数器(C0~C199)
共200点,其中C0~C99(共100点)为通用型,C100~C199(共100点)为断电保持型(断电保持型即断电后能保持当前值,待通电后继续计数)。这类计数器为递加计数,应用前先对其设置一设定值,当输入信号(上升沿)个数累加到设定值时,计数器动作,其常开触点闭合、常闭触点断开。计数器的设定值为1~32767(16位二进制),设定值除可以用常数K设定外,也可间接通过指定数据寄存器设定。
这里举例说明通用型16位增计数器的工作原理。如图1-58所示,X10为复位信号,当X10为ON时C0复位。X11是计数输入,每当X11接通一次,计数器当前值增加1(注意,X10断开,计数器不会复位)。当计数器计数当前值为设定值10时,计数器C0的输出触点动作,Y0被接通。此后即使输入X11再接通,计数器的当前值也保持不变。当复位输入X10接通时,执行RST复位指令,计数器复位,输出触点也复位,Y0被断开。
 
    图1-58 通用型16位增计数器
2.32位增/减计数器(C200~C234)
共有35点32位增/减计数器,其中C200~C219(共20点)为通用型,C220~C234(共15点)为断电保持型。这类计数器与16位增计数器除位数不同外,还在于它能通过控制实现增/减双向计数。设定值范围均为-214783648~+214783647(32位)。
C200~C234是增计数还是减计数,分别由特殊辅助继电器M8200~M8234设定。对应的特殊辅助继电器被置为ON时为减计数,置为OFF时为增计数。
计数器的设定值与16位计数器一样,可直接用常数K或间接用数据寄存器D的内容作为设定值。在间接设定时,要用编号紧连在一起的两个数据计数器。
如图1-59所示,X10用来控制M8200,X10闭合时为减计数方式。X12为计数输入,C200的设定值为5(可正、可负)。设C200置为增计数方式(M8200为OFF),当X12计数输入累加由4→5时,计数器的输出触点动作。当前值大于5时,计数器仍为ON状态。只有当前值由5→4时,计数器才变为OFF。只要当前值小于4,输出则保持为OFF状态。复位输入X11接通时,计数器的当前值为0,输出触点也随之复位。
 
    图1-59 32位增/减计数器
Example
 
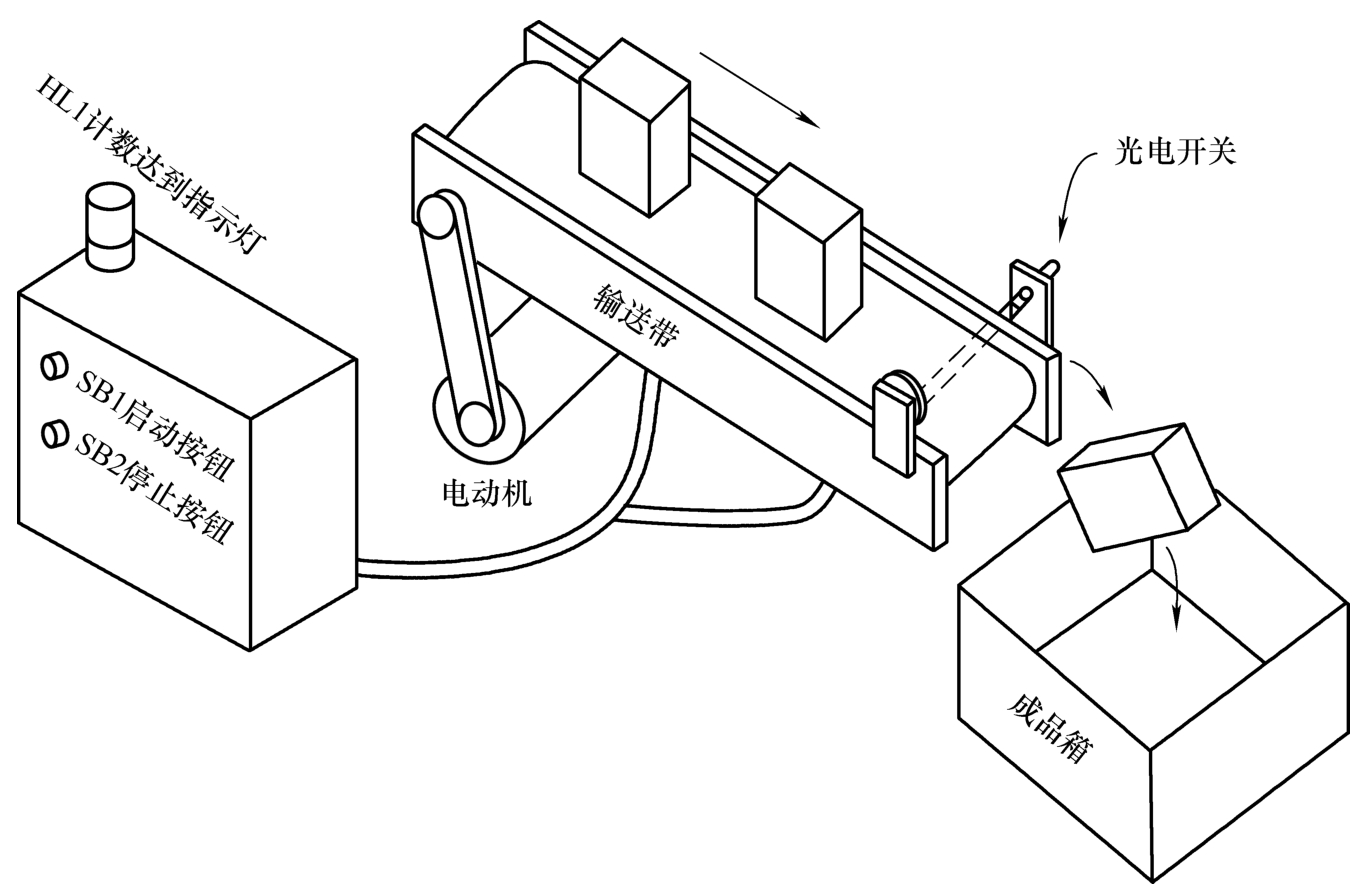
   任务要求 :如图1-60所示,用三菱FX3U-64MR来控制包装计数作业,具体要求如下:
 
    图1-60 PLC控制计数包装作业示意图
1)按下启动按钮SB1,输送带电动机运行,上面的产品经过光电开关位置后送入成品箱,设定每箱计数10个,当10个满箱后,计数达到指示灯HL1亮起来,且停止输送。
2)再次按下启动按钮SB1,HL1灭,按照任务要求1)进行产品计数包装作业。
3)任何时候都可以按下停止按钮SB2,输送带停机,但不清除计数器现有数据。
实施步骤:
步骤1:本案例中需要有计数检测装置,可在进库口设置光电开关来检测输送带上的物品是否到达相应的位置。图1-61所示为两种类型光电开关的接线,其中NPN型传感器需要采用漏型连接,即将S/S与24V短接;而PNP型传感器则需要采用源型连接,即将S/S与0V短接。
 
    图1-61 NPN与PNP光电开关的接线
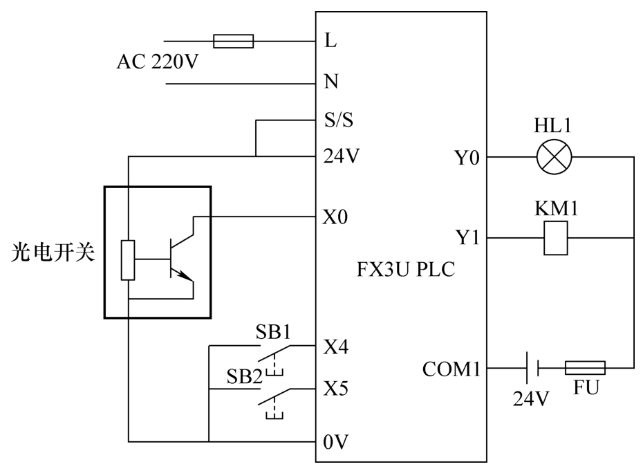
步骤2:画出本案例的I/O接线图如图1-62所示,其中光电开关采用NPN方式,并进行I/O资源分配,见表1-12。
 
    图1-62 I/O接线图
表1-12 I/O表
 
   步骤3:编写梯形图如图1-63所示。程序解释如下:
步0:采用初始脉冲特殊继电器M8002来复位计数器C0。
步3、5:设置2个中间变量,即M0为电动机运行、M1为计数到状态,按下按钮SB1置位M0并开始启动电动机运行,而在M1计数到时按下SB1,则启动电动机后还同时复位C0。
步9:当按下停止按钮SB2时,复位M0和M1。
步15:在电动机运行时,通过光电开关来计数C0。
步20:当计数值达到时,置位计数达到指示灯HL1、计数到状态中间继电器M1和复位电动机运行中间继电器M0。
步24:当计数值未达到时,复位HL1。
步26:将中间继电器M0与Y1相连。
 
    图1-63 PLC控制计数包装作业梯形图
 
   FX3U PLC内有大量的特殊辅助继电器,它们都有各自的特殊功能,比如
M8000:运行监视器(在PLC运行中接通),M8001与M8000相反逻辑。
M8002:初始脉冲(仅在运行开始时瞬间接通),M8003与M8002相反逻辑。
 
    图1-64 特殊辅助继电器波形图
M8011、M8012、M8013和M8014分别是产生10ms、100ms、1s和1min时钟脉冲的特殊辅助继电器。
M8000、M8002、M8012的波形图如图1-64所示。
高速计数器与内部计数器相比除允许输入频率高之外,应用也更为灵活,高速计数器均有断电保持功能,通过参数设定也可变成非断电保持。FX3U PLC有C235~C255共21点高速计数器。适合用来作为高速计数器输入的PLC输入端口有X0~X7。X0~X7不能重复使用,即某一个输入端已被某个高速计数器占用,它就不能再用于其他高速计数器,也不能用于它用。各高速计数器对应的输入端见表1-13。表中,U为加计数输入,D为减计数输入,B为B相输入,A为A相输入,R为复位输入,S为启动输入。X6、X7只能用作启动信号,而不能用作计数信号。
表1-13 高速计数器简表
 
   高速计数器可分为三类:
(1)单相单计数输入高速计数器(C235~C245)
其触点动作与32位增/减计数器相同,可进行增或减计数(取决于M8235~M8245的状态)。
图1-65a所示为无启动/复位端单相单计数输入高速计数器的应用。当X10断开,M8235为OFF,此时C235为增计数方式(反之为减计数)。由X12选中C235,从表1-13中可知其输入信号来自于X0,C235对X0信号增计数,当前值达到1234时,C235常开触点接通,Y0得电。X11为复位信号,当X11接通时,C235复位。
图1-65b所示为带启动/复位端单相单计数输入高速计数器的应用。由表1-13可知,X1和X6分别为复位输入端和启动输入端。利用X10通过M8244可设定其增/减计数方式。当X12为接通,且X6也接通时,则开始计数,计数的输入信号来自于X0,C244的设定值由D0和D1指定。除了可用X1立即复位外,也可用梯形图中的X11复位。
 
    图1-65 单相单计数输入高速计数器
(2)单相双计数输入高速计数器(C246~C250)
这类高速计数器具有两个输入端:一个为增计数输入端,另一个为减计数输入端。利用M8246~M8250的ON/OFF动作可监控C246~C250的增计数/减计数动作。
如图1-66所示,X10为复位信号,其有效(ON)则C248复位。由表1-13可知,也可利用X5对其复位。当X11接通时,选中C248,输入来自X3和X4,C248的设定值由D2和D3指定。
 
    图1-66 单相双计数输入高速计数器
(3)双相双计数输入高速计数器(C251~C255)
A相和B相信号决定计数器是增计数还是减计数。当A相为ON时,若B相由OFF到ON,则为增计数;当A相为ON时,若B相由ON到OFF,则为减计数,如图1-67a所示。
 
    图1-67 双相高速计数器
如图1-67b所示,当X12接通时,C251计数开始。由表1-13可知,其输入来自X0(A相)和X1(B相)。只有当计数使当前值超过设定值时,Y2为ON。如果X11接通,则计数器复位。根据不同的计数方向,Y3为ON(增计数)或为OFF(减计数),即用M8251~M8255,可监视C251~C255的增/减计数状态。
需要注意的是,高速计数器的计数频率较高,它们的输入信号的频率受两方面的限制:一是全部高速计数器的处理时间,因它们采用中断方式,所以计数器用得越少,则可计数频率就越高;二是输入端的响应速度,其中X0、X2、X3最高频率为10kHz,X1、X4、X5最高频率为7kHz。
Example
 
   任务要求 :如图1-68所示,某工作台用电动机带动丝杠进行前进或后退,丝杠的另外一端接编码器来实时反映当前的位置值,其中到达SQ1右限位时位置值清零。要求动作具体如下:
 
    图1-68 高速计数器应用
1)工作台一开始在右限位位置,编码器的计数器值显示为0。
2)按下启动按钮SB1,工作台从右到左前进,当前进到计数器值为4092时,停止运行,到达位置指示灯HL1亮;在从右到左的运行过程中,按下停止按钮SB2,可以随时停止运行,然后还可以继续按下启动按钮,直到到达设定位置值。
3)按下后退返回按钮SB3,工作台从左到右后退到右限位后停止运行,并复位计数器值。
实施步骤:
步骤1:编码器是本案例中的重点,图1-69所示为编码器与PLC输入口的连接(以NPN型为例)。这里的输入口需要根据表1-13中的C251双相双计数输入规范进行接线,即A相接X0、B相接X1、Z相不接。
 
    图1-69 编码器与PLC输入口的连接(以NPN为例)
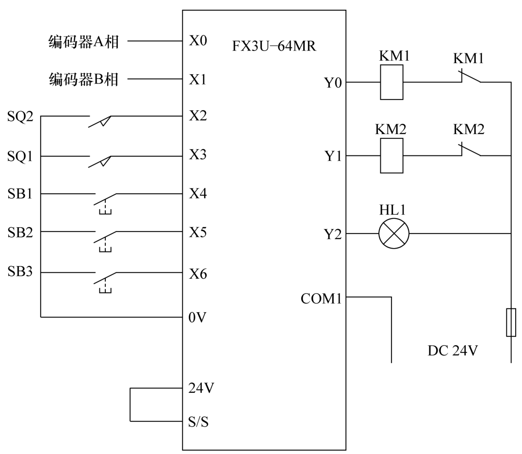
步骤2:电气接线如图1-70所示,I/O表见表1-14。
 
    图1-70 电气接线图
表1-14 I/O表
 
   步骤3:编写梯形图(见图1-71),程序解释如下。
 
    图1-71 高速计数器应用梯形图
步0:右限位X003触发后,将高速计数器C251、反转(后退)KM2均复位。
步5:在左限位未触及、C251未动作的情况下,按下启动按钮SB1,正转(前进)KM1自锁,按下停止按钮SB2,KM1断开。
步11:只要是电动机在运行,无论是正转还是反转,都将高速计数器C251使能,接收X0和X1的AB相脉冲信号。
步18:当高速计数器C251到达计数值4092时,输出到达位置指示灯HL1。
步20:按下后退返回按钮SB3,置位反转(后退)KM2信号。