



电气图线路的表示方法通常有多线表示法、单线表示法和混合表示法三种。
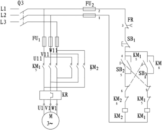
在电气图中,电气设备的每根连接线或导线各用一条图线表示的方法,称为多线表示法。如图1-26所示为一个具有正、反转功能的电动机主电路,多线表示法能比较清楚地表示电路工作原理,但图线太多,对于比较复杂的设备,交叉就多,反而有阻碍看懂图。多线表示法一般用于表示各相或各线内容不对称和要详细表示各相和各线的具体连接方法的场合。
在电气图中,电气设备的两根或两根以上的连接线或导线,只用一根线表示的方法,称为单线表示法。如图1-27所示是用单线表示的具有正、反转功能的电动机主电路图,这种表示法主要适用于三相电路或各线基本对称的电路图。对于不对称的部分在图中注释,例如图1-27中热继电器是两相的,图中标注了“2”。
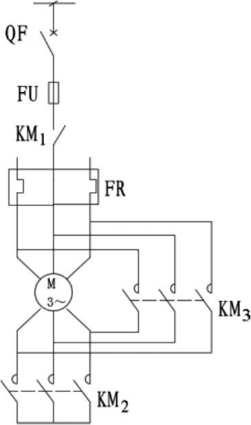
在一个图中,一部分采用单线表示法,另一部分采用多线表示法,称为混合表示法,如图1-28所示。为了表示三相绕组的连接情况,该图用了多线表示法;为了说明两相热继电器,也用了多线表示法;其余的断路器QF、熔断器FU、接触器KM1都是三相对称的,采用单线表示。这种表示法既有单线表示法简洁精练的优点,又有多线表示法描述精确、充分的忧点。
图1-26 多线表示法例图
图1-27 单线表示法例图
图1-28 Y—△切换主电路的混合表示
电气元件在电气图中通常采用图形符号来表示,绘出其电气连接,在符号旁标注项目代号(文字符号),必要时还标注有关的技术数据。一个元件在电气图中的表示方法有集中表示法和半集中表示法和分开表示法三种。
把设备或成套装置中一个项目各组成部分的图形符号在简图上绘制在一起的方法,称为集中表示法。在集中表示法中,各组成部分用机械连接线(虚线)互相连接起来,连接线必须是一条直线。可见这种表示法只适用于简单的电路图。如图1-29所示是两个项目,继电器KA有一个线圈和一对触点,接触器KM有一个线圈和三对触头,它们分别用机械连接线联系起来构成一体。
把一个项目中某些部分的图形符号在简图中分开布置,并用机械连接符号把它们连接起来,称为半集中表示法。例如,图1-30中的KM具有一个线圈、三对主触头和一对辅助触头。在半集中表示中,机械连接线可以弯折、分支和交叉。
把一个项目中某些部分的图形符号在简图中分开布置,并使用项目代号(文字符号)表示它们之间关系的方法,称为分开表示法,分开表示法也称为展开法。若图1-30采用分开表示法表示,结果如图1-31所示,可见分开表示法只要把半集中表示法中的机械连接线去掉,在同一个项目图形符号上标注同样的项目代号就行了。这样图中的点划线就少,图面更简洁,但是在看图时,要寻找各组成部分比较困难,必须纵观全局,把同一项目的图形符号在图中全部找出,否则就可能会遗漏。为了看清元件、器件和设备各组成部分,便于寻找其在图中的位置,分开表示法可与半集中表示法结合起来,或者采用插图、表格表示各部分的位置。
图1-29 集中表示法例图
图1-30 半集中表示法例图
图1-31 分开表示法例图
采用集中表示法和半集中表示法绘制元件时,其项目代号只在图形符号旁标出并与机械连接线对齐,如图1-30中的KM。
采用分开表示法绘制的元件时,其项目代号应在项目的每一部分自身符号旁标注,如图1-31所示。必要时,对同一项目的同类部件(如各辅助开关、触点)可加注序号。
标注项目代号时应注意以下几方面。
(1)项目代号的标注位置尽量靠近图形符号。
(2)图线水平布局的图,项目代号应标注在符号上方;图线垂直布局的图,项目代号应标注在符号的左方。
(3)项目代号中的端子代号应标注在端子位置的旁边。
(4)围框的项目代号应标注在其上方或右方。
元件触头的位置在同一电路中,当它们加电和受力后,各触点符号的动作方向应取向一致,对于分开表示法绘制的图,触头位置可以灵活运用,没有严格规定。
在电气图中,元件和设备的可动部分通常应表示在如下非激励或不工作的状态或位置。
(1)继电器和接触器在非激励的状态,触头状态是非受电下的状态。
(2)断路器、负荷开关和隔离开关在断开位置。
(3)带零位的手动控制开关在零位置,不带零位的手动控制开关在规定的位置。
(4)机械操作开关(如行程开关)在非工作位置(即搁置)或在工作位置的对应关系,一般表示在触点符号的附近或另附说明。
(5)温度继电器、压力继电器都处于常温和常压(一个大气压)状态。
(6)事故、备用、报警等开关或继电器的触点应该表示在设备正常使用的位置,如有特定位置,应在图中另加说明。
(7)多重开闭器件的各组成部分必须表示在相互一致的位置上,而不管电路的工作状态。
电路中元件的技术数据(如型号、规格、整定值、额定值等)一般标在图形符号的旁边。对于图线水平布局图,尽可能标在图形符号下方;对于图线垂直布局图,则标在项目代号的右方;对于像继电器、仪表、集成块等方框符号或简化外形符号,则可标在方框内,如图1-32所示。
图1-32 元件技术数据的标志