



电气图是一种特殊的专业技术图,除了必须遵守《电气制图》(GB6988)、《电气图用图形符号》(GB4728)的标准,还要严格遵守机械制图、建筑制图等方面的有关规定。由于相关标准或规则很多,这里只简单介绍跟电气制图有关的规定和标准。
电气图的格式和机械图图纸、建筑图纸的格式基本相同,通常由边框线、图框线、标题栏、会签栏等组成,其格式如图1-11所示。
图1-11 电气图图纸格式
图中的标题栏相当于一个设备的铭牌,标示着这张图纸的名称、图号、张次、制图者、审核者等,其一般格式如表1-2所示。标题栏通常放在图纸的右下角,也可放在其他位置,但必须在本张图纸上,而且标题栏的文字方向必须与看图方向一致。会签栏是留给相关的建筑、工艺等专业设计人员会审图纸时签名用的。
表1-2 标题栏一般格式
由边框线围成的图画称为图纸的幅面。幅面大小共分5类:A0~A4,其尺寸如表1-3所示,根据需要可对A3、A4图纸加长,加长幅面尺寸如表1-4所示。
表1-3 基本幅面尺寸(mm)
表1-4 加长幅面尺寸(mm)
当表1-3和表1-4所列的幅面系列还不能满足需要时,则可按GB4457.1的规定,选用其他加长幅面的图纸。
应对一些幅面较大,内容复杂的电气图进行分区。图幅分区的方法是将图纸相互垂直的两边各自加以等分,每一分区的长度为25~75。分区数为偶数,分区线用细实线,每个分区内竖边方向用大写英文字母编号,横边方向用阿拉伯数字编号,编号顺序应从标题栏相对的图纸的左上角开始。
图幅分区后,相当于建立了一个坐标,分区代号用该区域的字母和数字表示,字母在前,数字在后,如B3、C4,也可用行(如A、B)或列(如l、2)表示,这样,在说明设备工作元件时,就可让读者很方便地找出所指元件。
在如图1-12所示的图纸中,将图幅分成了4行(A~D)和6列(1~6)。图幅内所绘制的元件KM、SB、R在图上的位置被惟一确定下来了,其位置代号如表1-5所示。
图1-12 图幅分区例图
表1-5 图上元件的位置代号
电气图中所用的各种线条均称为图线。机械制图规定了8种基本图线,即粗实线、细实线、波浪线、双折线、虚线、细点划线、粗点划线和双点划线,并分别用代号A、B、C、D、F、G、J和K表示,如表1-6所示。
表1-6 图线及应用
图中的文字,如汉字、字母和数字,是图的重要组成部分,是读图时的重要内容。按照规定,汉字采用长仿宋体,字母、数字可用直体、斜体;字体号数,即字体高度(单位为mm),分为20、14、l0、7、5、3.5和2.5七种,字体的宽度约等于字体高度的2/3,而数字和字母的笔画宽度约为字体高度的1/10。因汉字笔画较多,所以不宜用2.5号字。
电气图中有两种形式的箭头:开口箭头〔图1-13(a)〕表示电气连接上能量或信号的流向,而实心箭头〔图1-13(b)〕表示力、运动、可变性方向。
图1-13 箭头
指引线用于指示注释的对象,其一端指向被注释处,并在末端加注标记:若指在轮廓线内,则用一黑点表示,如图1-14(a)所示;若指在轮廓线上,用一箭头表示,如图1-14(b)所示;若指在电气线路上,用一短线表示,如图1-14(c)所示,图中指明导线横截面积分别为3×10mm 2 和2×2.5mm 2 。
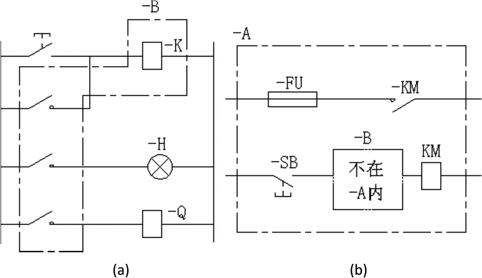
当需要在图上显示其中的一部分所表示的是功能单元、结构单元或项目组(电器组、继电器装置)时,可以用点划线围框表示。为了使图面清楚,围框的形状可以是不规则的,如图1-15所示。围框内有两个继电器,每个继电器分别有三对触点,用一个围框表示继电器KM 1 、KM 2 的作用关系会更加清楚,且具有互锁和自锁功能。
图1-14 指引线
图1-15 不规则围框
当用围框表示一个单元时,若在围框内给出了可在其他图纸或文件上查阅更详细资料的标记,则其内部的电路等可用简化形式表示或省略。如果在表示一个单元的围框内的图上含有不属于该单元的元件符号,则必须对这些符号添加围框并加注代号或注解。如图1-16所示的-A单元内包含有熔断器FU、按钮SB、接触器KM和功能单元-B等,它们在一个框内;而-B单元在功能上与-A单元有关,但不装在-A单元内,所以用双点划线围框围起来,并加以注释,表明-B单元在图1-16(a)中给出了详细资料,这里将其内部连线省略。但应注意,在采用围框表示时,围框线不应与元件符号相交。
图1-16 含双点划线围框
图上所画图形符号的大小与物体实际大小的比值,称为比例。大部分电气线路图都不是按比例绘制的,但位置平面图等则按比例绘制或部分按比例绘制,这样在平面图上测出两点距离就可按比例值计算出两者间的实际距离(如线长度、设备间距等),这对导线的放线以及设备机座、控制设备等的安装都有利。
电气图采用的比例一般为:1:l0,1:20,1:50,1:100,1:200,1:500。
尺寸数据是电气工程施工和构件加工时的重要依据。尺寸由尺寸线、尺寸界线、尺寸起止点(实心箭头和45°斜短线)和尺寸数字四个要素组成,如图1-17所示。图纸上的尺寸通常以毫米(mm)为单位,除特殊情况外,图上一般不标注单位。
图1-17 尺寸标注例图
在电力、电气照明平面布置和线路铺设等建筑电气平面图上,往往画有一些专用的标志,以提示建筑物的位置、方向、风向、标高、高程、结构等。这些标志对电气设备安装、线路铺设有重要作用,了解了这些标志的含义,对阅读电气图十分有利。
(1)方位。建筑电气平面图一般按“上北下南,左西右东”表示建筑物的方位,但在许多情况下,都是用方位标记表示其朝向。方位标记如图1-18所示,其箭头方向表示正北方向(N)。
(2)风向频率标记。它是根据这一地区多年统计出的各方向刮风次数的平均百分值,按一定比例绘制而成的,如图1-19所示。它像一朵玫瑰花,故又称风向玫瑰图,其中实线表示全年的风向频率,虚线表示夏季(6~8月)的风向频率。由图1-19可见,该地区常年以西北风为主,夏季以西北风和东南风为主。
(3)标高。标高分为绝对标高和相对标高两种。绝对标高又称海拔高度,我国是以青岛市外黄海平面作为零点来确定标高尺寸的。相对标高是选定某一参考面或参考点为零点来确定高度尺寸。建筑电气平面图均采用相对标高,它一般采用室外某一平面或某层楼平面作为零点而确定标高,这一标高又称安装标高或敷设标高,其符号及标高尺寸示例如图1-20所示。其中左图用于室内平面图和剖面图,标注的数字表示高出室内平面某一确定的参考点2.50m,右图用于总平面图上的室外地面,其数字表示高出地面6.10m。
(4)建筑物定位轴线。定位轴线一般都是根据载重墙、柱、梁等主要载重构件的位置所画的轴线。定位轴线编号的方法是:水平方向,从左到右用数字编号;垂直方向,由下而上用字母(易造成混淆的I、O、Z不用)编号,数字和字母分别用点划线引出。如图1-21所示,其轴线分别为A、B、C和1、2、3、4、5。
图1-18 方位标记
图1-19 风向频率标记
图1-20 安装标高例图
图1-21 定位轴线标注方法例图
有了这个定位轴线,就可确定图上所画的设备的位置,计算出电气管线的长度,便于下料和施工。
(1)注释。用图形符号表达不清楚或不便表达的地方,可在图上加注释。注释可采用两种方式:一是直接放在所要说明的对象附近;二是加标记,将注释放在其他位置或另一页。当图中出现多个注释时,应把这些注释按编号顺序放在图纸边框附近。如果是多张图纸,一般性注释放在第一张图上,其他注释则放在与其内容相关的图上。注释一般采用文字、图形、表格等形式,其目的就是把对象表达清楚。
(2)详图。详图实质上是用图形来注释。这相当于机械图中的剖面图,就是把电气装置中某些零部件和连接点等的结构、做法及安装工艺要求放大并详细表示出来。详图可放在要详细表示对象的图上,也可放在另一张图上,但必须要用一个标志将它们联系起来。标注在总图上的标志称为详图索引标志,标注在详图上的标志称为详图标志。例如,11号图上的1号详图在18号图上,则11号图上的索引标志为“1/18”,18号图上的标注为“1/11”,即采用相对标注法。
电气图的布局应从有利于对图理解的角度出发,做到布局突出图的本意、结构合理、排列均匀、图面清晰、便于读图。
电气图的图线一般用于表示导线、信号通路、连接线等,要求用直线,即横平竖直,尽可能减少交叉和弯折。图线的布局方法有水平布局和垂直布局两种。
(1)水平布局。水平布局是将元件和设备按行布置,使其连接线水平布置,如图1-22所示。
(2)垂直布局。垂直布局是将元件和设备按列布置,使其连接线竖直布置,如图1-23所示。
元件在电路中的排列一般是按因果关系和动作顺序从左到右、由上而下布置的,看图时也要按这一排列规律来分析。例如,如图1-24所示是水平布局,从左向右分析,SB 1 、FR、KM都处于常闭状态,KT线圈才能得电,经延时后,KT的常开触点闭合,KM得电。不按这一规律来分析,就不易看懂这个电路图的动作过程。
图1-22 图线水平布局例图
图1-23 图线垂直布局例图
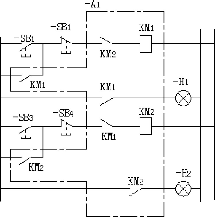
如果在接线图或布局图等图中,按实际元件位置来布局,这样能便于看出各元件间的相对位置和导线走向。例如,如图1-25所示是某两个单元的接线图,它表示了两个单元的相对位置和导线走向。
图1-24 元件布局例图
图1-25 两单元按位置布局例图