



对于用电设备来说,电气图主要包括主电路图和控制电路图;对于供配电设备来说,电气图主要包括一次回路电路图和二次回路的电路图。但要表示清楚一项电气工程或一种电气设备的功能、用途、工作原理、安装和使用方法等,光有这几种电路图是不够的。电气图的种类很多,下面介绍几种常用的电气图。
根据各电气图所表示的电气设备、工程内容及表达形式的不同,电气图通常分为以下几类。
系统图或框图就是用符号或带注释的框概略表示系统或分系统的基本组成、相互关系及其主要特征的一种简图。例如,如图1-1所示的电动机供电系统图表示了它的供电关系,它的供电过程是电源L 1 、L 2 、L 3 三相→熔断器FU→接触器KM→热继电器热元件FR→电动机。如图1-2所示的某变电所供电系统图表示把10kV电压通过变压器变换为380V电压,经断路器QF,通过FU-QK 1 、FU-QK 2 、FU-QK 3 分别供给三条支路。系统图或框图常用来表示整个工程或其中某一项目的供电方式和电能输送关系,也可表示某一装置或设备各主要组成部分的关系。
图1-1 电动机供电系统图
图1-2 某变电所供电系统图
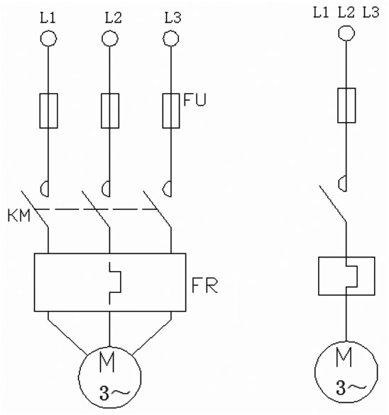
电路图就是按工作顺序用图形符号从上而下、从左到右排列,详细表示电路、设备或成套装置的全部组成和连接关系,而不考虑其实际位置的一种简图。其目的是便于详细了解设备的工作原理,分析和计算电路特性及参数,所以这种图又称为电气原理图或原理接线图。例如,在如图1-3所示的磁力启动器电路图中,当按下启动按钮SB2时,接触器KM的线圈得电,其常开主触点闭合,使电动机得电,启动运行,另一个辅助常开触点KM闭合,进行自锁;当按下停止按钮SB 1 或热继电器FR动作时,KM线圈失电,常开主触点KM断开,电动机停止。可见它表示了电动机的操作控制原理。
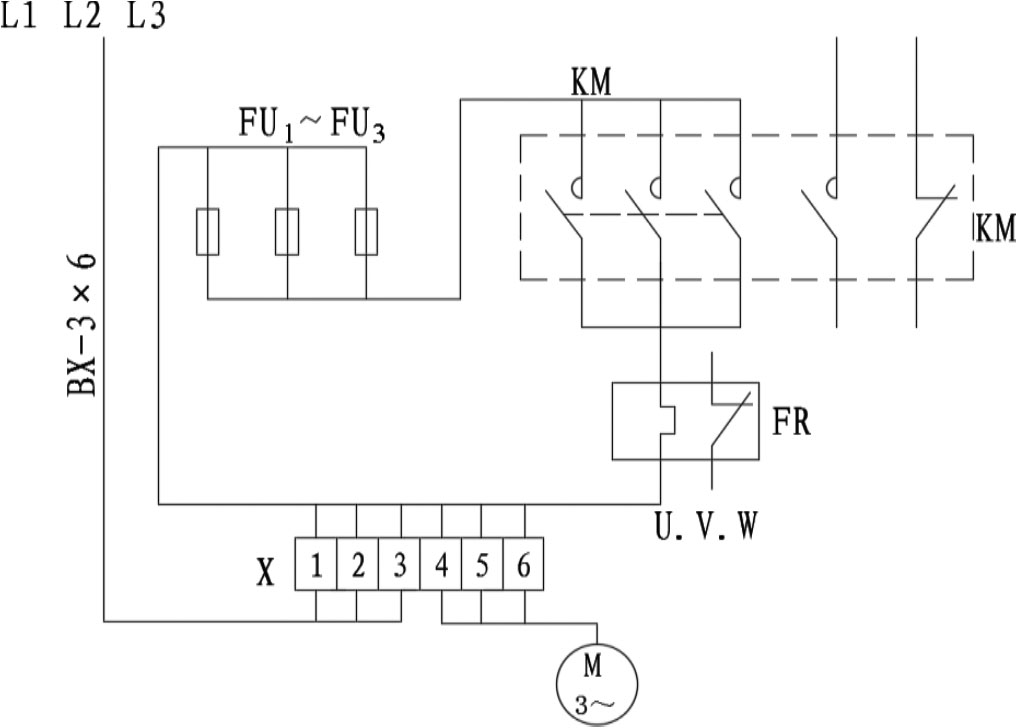
接线图主要用于表示电气装置内部元件之间及外部其他装置之间的连接关系,是方便制作、安装及维修人员接线和检查的一种简图或表格。如图1-4所示为磁力启动器控制电动机的主电路接线图,它清楚地表示了各元件之间的实际位置和连接关系:电源(L 1 、L 2 、L 3 )由BX-3×6的导线接至端子排X的1、2、3号,然后通过熔断器FU 1 ~FU 3 接至交流接触器KM的主触点,再经过继电器的发热元件接到端子排的4、5、6号,最后用导线接入电动机的U、V、W端子。当一个装置比较复杂时,接线图又可分解为以下几种。
图1-3 磁力启动器电路图
图1-4 磁力启动器接线图
(1)单元接线图。它是表示成套装置或设备中一个结构单元内各元件之间连接关系的一种接线图。这里所说的“结构单元”是指在各种情况下可独立运行的组件或某种组合体,如电动机、开关柜等。
(2)互连接线图。它是表示成套装置或设备不同单元之间连接关系的一种接线图。
(3)端子接线图。它是表示成套装置或设备的端子以及接在端子上外部接线(必要时包括内部接线)的一种接线图,如图1-5所示。
(4)电线电缆配置图。它是表示电线电缆两端位置,必要时还包括电线电缆功能、特性和路径等信息的一种接线图。
电气平面图是表示电气工程项目的电气设备、装置和线路的平面布置图,一般是在建筑平面图的基础上绘制出来的。常见的电气平面图有供电线路平面图、变配电所平面图、电力平面图、照明平面图、弱电系统平面图、防雷与接地平面图等。如图1-6所示是某车间的动力电气平面图,它表示了各车床的具体平面位置和供电线路。
图1-5 端子接线图
图1-6 某车间动力电气平面图
设备布置图表示各种设备和装置的布置形式、安装方式以及相互之间的尺寸关系,通常由平面图、主面图、断面图、剖面图等组成。这种图按三视图原理绘制,与一般机械图没有大的区别。
设备元件表就是把成套装置、设备、装置中的各组成部分和相应数据列成表格,来表示各组成部分的名称、型号、规格和数量等,以便于读图者阅读,了解各元件在装置中的作用和功能。设备元件表是电气图中的重要组成部分,它可置于图中的某一位置,也可单列一页(视元件多寡而定)。为了方便书写,通常是从下而上排序。如表1-l所示是某开关柜的设备元件表。
表1-1 某开关柜的设备元件表
生产厂家往往随产品使用说明书附上电气图,供用户了解该产品的组成和工作过程及注意事项,以达到正确使用、维护和检修的目的。
上述电气图是常用的主要电气图,但对于较为复杂的成套装置或设备,为了便于制造,有局部的大样图、印刷电路板图等。而为了装置的技术保密,往往只给出装置或系统的功能图、流程图、逻辑图等。所以,电气图种类很多,但这并不意味着所有的电气设备和装置都应具备这些图纸。根据表达的对象、目的和用途不同,所需电气图的种类和数量也不一样。对于简单的装置,可把电路图和接线图合二为一;对于复杂的装置或设备,应将其分解为几个系统,每个系统可以有以上各种类型图。总之,电气图作为一种工程语言,在表达清楚的前提下,越简单越好。
电气图与其他工程图有着本质的区别,它用于表示系统或装置中的电气关系,所以具有其独特的一面。其主要特点有以下几方面。
电气图是用图形符号、连线或简化外形来表示系统或设备中各组成部分之间相互电气关系及其连接关系的一种图。如图1-7所示为某一变电所的电气图,将10kV电压变换为0.38kV低压,分配给四条支路,用文字和符号表示,并给出了变电所各设备的名称、功能、电流方向及各设备间的连接关系和相互位置关系,但没有给出具体的位置和尺寸。
电气图是采用电气元件或设备的图形符号、文字符号和连线来表示的,没有必要画出电气元件的外形结构,所以对于系统构成、功能及电气接线等,通常都采用图形符号、文字符号来表示。
图1-7 变电所电气图
电气图主要用于表示成套装置或设备中各元件之间的电气连接关系,不论是说明电气设备工作原理的电路图、说明供电关系的电气系统图,还是表明安装位置和接线关系的平面图和连线图等,都表达了各元件之间的连接关系,如图1-1~图1-4所示。
电气图的布局依图所表达的内容而定。电路图、系统图是按功能布局,只考虑便于看出元件之间功能关系,而不考虑元件的实际位置。要突出设备的工作原理和操作过程,按照元件的动作顺序和功能应用,从上而下、从左到右布局。而对于接线图和平面布置图,则要考虑元件的实际位置,所以应按位置布局,如图1-4和图1-6所示。
对系统的元件和连接线描述方法不同,构成了电气图的多样性,如元件可采用集中表示法、半集中表示法和分散表示法表示,连线可采用多线表示、单线表示和混合表示。同时,一个电气系统中各种电气设备和装置之间,从不同角度、不同侧面去考虑,存在不同的关系。例如,在如图1-1所示的某电动机供电系统图中,就存在着不同的关系。
(1)电能通过FU、KM、FR送到电动机M,它们存在能量传递关系,如图1-8所示。
图1-8 能量传递关系
(2)从逻辑关系上,只有当FU、KM和FR都正常时,M才能得到电能,所以它们之间存在“与”的关系:M=FU·KM·FR。即只有FU正常为“1”、KM合上为“1”、FR没有烧断为“1”时,M才能为“1”,表示可得到电能。其逻辑图如图1-9所示。
(3)从保护角度表示,FU用于进行短路保护。当电路电流突然增大发生短路时,FU烧断,使电动机失电。它们就存在信息传递关系:电流输入FU,FU输出烧断或不烧断,取决于电流的大小,可用图1-10表示。
图1-9 逻辑图
图1-10 FU的信息传递图