



绘制如图3-64所示的励磁发电机。
图3-64 励磁发电机
绘制步骤
(1)单击“默认”选项卡“图层”面板中的“图层特性”按钮
,
打开“图层特性管理器”对话框,创建一个新的图层,把该层的名字由默认的“图层1”
改为“实线”,如图3-65所示。
(2)单击“实线”层对应的“线宽”项,
打开“线宽”对话框,选择0.09mm线宽,如图3-66所示。
单击“确定”按钮退出。
(3)
单击“新建”按钮
,创建一个新图层,把该层的名字命名为“虚线”。
图3-65 更改图层名
(4)单击“虚线”层对应的“颜色”项,
打开“选择颜色”对话框,
选择蓝色为该层颜色,如图3-67所示。确认返回“图层特性管理器”对话框。
(5)单击“虚线”层对应“线型”项,
打开“选择线型”对话框,如图3-68所示。
图3-66 选择线宽
图3-67 选择颜色
(6)在“选择线型”对话框中,
单击“加载”按钮,
系统打开“加载或重载线型”对话框,
选择ACAD_ISO02W100线型,如图3-69所示。确认退出。
在“选择线型”对话框中选择ACAD_ISO02W100为该层线型,确认返回“图层特性管理器”对话框。
(7)用同样方法将“虚线”层的线宽设置为0.09mm。
图3-68 选择线型
图3-69 加载新线型
(8)用相同的方法再建立新图层,命名为“文字”。“文字”层的颜色设置为红色,线型为Continuous,线宽为0.09mm。并且让3个图层均处于打开、解冻和解锁状态,各项设置如图3-70所示。
(9)选中“实线”层,将其设置为当前图层,然后确认关闭“图层特性管理器”对话框。
(10)单击“默认”选项卡“绘图”面板中的“直线”按钮
,“圆”按钮
、和“多段线”按钮
,绘制一系列图线,如图3-71所示。
(11)右击状态栏上“对象捕捉”按钮
,在弹出的快捷菜单中
选择“对象捕捉设置”命令,如图3-72所示,系统
打开“草图设置”对话框,
选用“启用对象捕捉追踪”复选框,
单击“全部选择”按钮,将所有特殊位置点设置为可捕捉状态,如图3-73所示。
单击“极轴追踪”选项卡,
选用“启用极轴追踪”复选框,在“增量角”下拉列表中
选择45,
单击“用所有极轴角设置追踪”单选按钮,如图3-74所示。
图3-70 设置图层
图3-71 绘制初步图形
图3-72 快捷菜单
图3-73 “对象捕捉”设置
图3-74 “极轴追踪”设置
(12)单击状态栏上的
、
和
按钮。单击“默认”选项卡“绘图”面板中的“直线”按钮
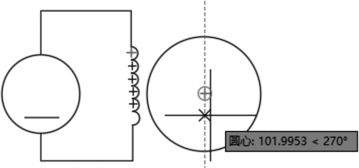
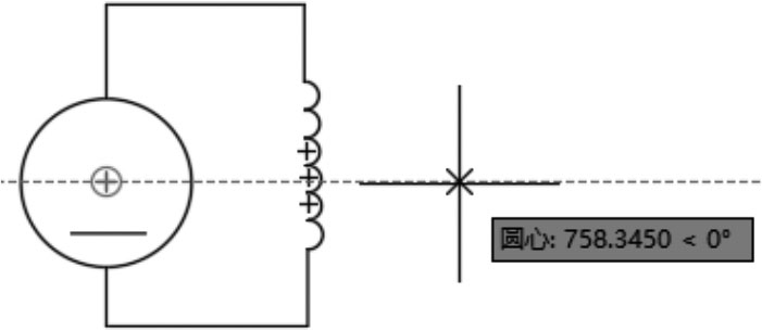
,将鼠标移向表示电感的多段线顶端,系统自动捕捉该端点为直线起点,单击鼠标左键确认,如图3-75所示。继续移动鼠标指向左边圆,捕捉到圆的圆心或象限点,向上移动鼠标,这时显示对象捕捉追踪虚线和水平线垂直交点,如图3-76所示,在显示的交点处单击鼠标左键确认,完成水平线段绘制,继续向下移动鼠标,捕捉圆的上象限点,如图3-77所示,单击鼠标左键确认,最后回车,结果如图3-78所示。
(13)用同样方法绘制下面的导线,如图3-79所示。
图3-75 捕捉端点
图3-76 对象追踪
图3-77 捕捉象限点
图3-78 完成垂直直线绘制
图3-79 完成另一导线绘制
(14)单击“默认”选项卡“绘图”面板中的“圆”按钮
,移动鼠标指向左边圆,捕捉到圆的圆心,向右移动鼠标,这时显示对象捕捉追踪虚线,如图3-80所示,在追踪虚线上适当指定一点作为圆心,绘制适当大小的圆,如图3-81所示。
图3-80 圆心追踪线
图3-81 绘制圆
(15)单击“默认”选项卡“绘图”面板中的“直线”按钮
,移动鼠标指向右边圆,捕捉到圆的圆心,向下移动鼠标,这时显示对象捕捉追踪虚线,如图3-82所示,在追踪虚线上适当指定一点作为直线端点,绘制适当长度的竖直线段,如图3-83所示。
注意:
在指定竖直下端点时,可以利用“实时缩放”功能将图形局部适当放大,这样可以避免系统自动捕捉到圆象限点作为端点。
图3-82 圆心追踪线
图3-83 绘制竖直线段
(16)单击状态栏上的
按钮,关闭正交功能。单击“默认”选项卡“绘图”面板中的“直线”按钮
,捕捉刚绘制的线段的上端点为起点,绘制两条倾斜线段,利用“极轴追踪”功能,捕捉倾斜角度为±45°,结果如图3-84所示。
(17)单击状态栏上的
按钮,打开正交功能。单击“默认”选项卡“绘图”面板中的“直线”按钮
,捕捉右边圆上象限点为起点,绘制一条适当长度竖直线段。再次执行“直线”命令,在圆弧上适当位置捕捉一个“最近点”作为直线起点,如图3-85所示,绘制一条与刚绘制竖直线段顶端平齐的线段。用同样方法,绘制另一条竖直线段,如图3-86所示。
图3-84 绘制斜线
图3-85 指定线段起点
注意:
这里是利用“对象捕捉追踪”功能捕捉线段的终点,保证竖直线段顶端平齐。
(18)单击“默认”选项卡“图层”面板中的“图层特性”下拉列表处的“虚线”图层,将其设置为当前层。
(19)将“虚线”层设置为当前层,单击“默认”选项卡“绘图”面板中的“直线”按钮
,捕捉左边圆右象限点为起点(如图3-87所示),右边圆左象限点为终点,绘制一条适当长度水平线段,如图3-88所示。
图3-86 绘制竖直线段
图3-87 指定线段起点
(20)将当前图层设置为“文字”层,并在“文字”层上绘制文字。
注意:
有时绘制出的虚线在计算机屏幕上显示仍然是实线,这是由于显示比例过小所致,放大图形后可以显示出虚线。如果要在当前图形大小下明确显示出虚线,可以单击鼠标左键选择该虚线,这时,该虚线显示被选中状态,再次双击鼠标,系统
打开“特性”工具板,该工具板中包含对象的各种参数,可以
将其中的“线形比例”参数设置成比较大的数值,如图3-89所示。这样就可以在正常图形显示状态下清晰地看见虚线的细线段和间隔。
“特性”工具板非常方便,要注意灵活使用。
图3-88 绘制虚线
图3-89 修改虚线参数