



为了加强我国与世界各国的技术交流,依据国际标准化组织ISO制定的国际标准,制定了我国国家标准《机械制图》,并自1993年以来相继发布了“图纸幅面和格式”“比例”“字体”“投影法”“表面粗糙度符号”“代号及其注法”等项新标准,并从1994年7月1日开始实施,并陆续进行了修订更新。
国家标准,简称国标,代号为“GB”,斜杠后的字母为标准类型,其后的数字为标准号,由顺序号和发布的年代号组成,如表示比例的标准代号为GB/T14690-1993。
图纸幅面及其格式在国标中进行了详细规定,下面做简要介绍。
图幅代号为A0、A1、A2、A3、A4五种,必要时可按规定加长幅面,如图1-1所示。
图1-1 幅面尺寸
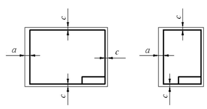
绘图时应优先采用表1-1规定的基本幅面。在图纸上必须用粗实线画出图框,其格式分不留装订边(如图1-2所示)和留装订边(如图1-3所示)两种,尺寸见表1-1所示。注意,同一产品的图样只能采用同一种格式。
表1-1 图纸幅面
图1-2 不留装订边图框
图1-3 留装订边图框