



点在AutoCAD中有多种不同的表示方式,用户可以根据需要进行设置,也可以设置等分点和测量点。
1.执行方式
命令行:POINT(快捷命令:PO)。
菜单栏:选择菜单栏中的“绘图”→“点”命令。
工具栏:单击“绘图”工具栏中的“点”按钮
。
功能区:单击“默认”选项卡“绘图”面板中的“多点”按钮
。
2.操作步骤
命令行提示与操作如下。
3.选项说明
(1)通过菜单方法操作时(如图3-74所示),“单点”命令表示只输入一个点,“多点”命令表示可输入多个点。
(2)可以按下状态栏中的“对象捕捉”按钮
,设置点捕捉模式,帮助用户选择点。
(3)点在图形中的表示样式,共有20种。可通过“DDPTYPE”命令或选择菜单栏中的“格式”→“点样式”命令,通过打开的“点样式”对话框来设置,如图3-75所示。
图3-74 “点”的子菜单
图3-75 “点样式”对话框
1.执行方式
命令行:DIVIDE(快捷命令:DIV)。
菜单栏:选择菜单栏中的“绘图”→“点”→“定数等分”命令。
功能区:单击“默认”选项卡“绘图”面板中的“定数等分”按钮
。
2.操作步骤
命令行提示与操作如下。
如图3-76(a)所示为绘制等分点的图形。
3.选项说明
(1)等分数目范围为2~32767。
(2)在等分点处,按当前点样式设置画出等分点。
(3)在第二提示行选择“块(B)”选项时,表示在等分点处插入指定的块。
1.执行方式
命令行:MEASURE(快捷命令:ME)。
菜单栏:选择菜单栏中的“绘图”→“点”→“定距等分”命令。
功能区:单击“默认”选项卡“绘图”面板中的“定距等分”按钮
。
2.操作步骤
命令行提示与操作如下。
如图3-76(b)所示为绘制测量点的图形。
图3-76 绘制等分点和测量点
3.选项说明
(1)设置的起点一般是指定线的绘制起点。
(2)在第二提示行选择“块(B)”选项时,表示在测量点处插入指定的块。
(3)在等分点处,按当前点样式设置绘制测量点。
(4)最后一个测量段的长度不一定等于指定分段长度。
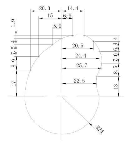
图3-77 凸轮轮廓
本实例绘制的凸轮轮廓如图3-77所示。凸轮轮廓由不规则的曲线组成。为了准确地绘制凸轮轮廓曲线,需要用到样条曲线,并且要利用点的等分来控制样条曲线的范围。
操作步骤
(1)单击“默认”选项卡“图层”面板中的“图层特性”按钮
,新建3个图层。
①第一层命名为“粗实线”,线宽设为0.30,其余属性默认。
②第二层命名为“细实线”,所有属性默认。
③第三层命名为“中心线”,颜色为红色,线型为CENTER,其余属性默认。
(2)将“中心线”图层设置为当前图层,单击“默认”选项卡“绘图”面板中的“直线”按钮
,绘制中心线,端点坐标分别是{(-40,0),(40,0)},和{(0,40),(0,-40)}。
(3)将“细实线”图层设置为当前图层,单击“默认”选项卡“绘图”面板中的“直线”按钮
,绘制直线,端点坐标分别是{(0,0),(@40<30)},{(0,0),(@40<100)}和{(0,0),(@40<120)}。所绘制的图形如图3-78所示。
(4)绘制辅助线圆弧,单击“默认”选项卡“绘图”面板中的“圆弧”按钮
,绘制圆弧,圆心坐标为(0,0),圆弧起点坐标为(@30<120),包含角度为60,重复圆弧命令绘制圆心坐标为(0,0),圆弧起点坐标为(@30<30),包含角度为70的圆弧。
(5)在命令行中输入“DDPTYPE”命令,或者选择“默认”选项卡“实用工具”面板中的“点样式”按钮,打开“点样式”对话框,如图3-79所示。将点样式设为
,“点大小”输入为1,单击“默认”选项卡的“绘图”面板中的“定数等分”按钮
,将左边的弧线3等分,命令行提示与操作如下。
图3-78 中心线及其辅助线
图3-79 “点样式”对话框
用同样的方法将另一条圆弧7等分,绘制结果如图3-80所示。将中心点与第二段弧线的等分点连上直线,如图3-81所示。
(6)将“粗实线”图层设置为当前图层,绘制凸轮下半部分圆弧,圆心坐标为(0,0),圆弧起点坐标为(24,0),包含角度为-180,绘制效果如图3-82所示。
图3-80 绘制辅助线并等分
图3-81 连接等分点与中心点
图3-82 绘制凸轮下轮廓线
(7)绘制凸轮上半部分样条曲线
①单击“默认”选项卡的“绘图”面板中的“多点”按钮
,标记样条曲线的端点,命令行提示与操作如下。
用相同的方法,依次标记点(26.5<140)、(30<120)、(34<100)、(37.5<90)、(40<80)、(42<70)、(41<60)、(38<50)、(33.5<40)、(26<30)。
②单击“默认”选项卡“绘图”面板中的“样条曲线拟合”按钮
,绘制样条曲线,坐标点分别为(26<30),(33.5<40)和(38<50),绘制效果如图3-83所示。
(8)删除图形,将多余的点和辅助线删除,最终效果如图3-77所示。
技巧: 在命令前加一下画线表示采用菜单或工具栏方式执行命令,与命令行方式效果相同。
动手练一练——绘制棘轮
绘制如图3-84所示的棘轮。
图3-83 绘制样条曲线
图3-84 棘轮
思路点拨
源文件:源文件\第3章\棘轮.dwg
利用“圆”命令及定数等分点棘轮图形,从而使读者灵活掌握定数等分的使用方法。