



在AutoCAD中使用的样条曲线为非一致有理B样条(NURBS)曲线,使用NURBS曲线能够在控制点之间产生一条光滑的曲线,如图3-65所示。样条曲线可用于绘制形状不规则的图形,如为地理信息系统(GIS)或汽车设计绘制轮廓线。
图3-65 样条曲线
1.执行方式
命令行:SPLINE(快捷命令:SPL)。
菜单栏:选择菜单栏中的“绘图”→“样条曲线”命令。
工具栏:单击“绘图”工具栏中的“样条曲线”按钮
。
功能区:
单击“默认”选项卡“绘图”面板中的
“样条曲线拟合”按钮
或“样条曲线控制点”按钮
,如图3-66所示。
图3-66 “绘图”面板
2.操作步骤
命令行提示与操作如下。
3.选项说明
选项含义如表3-7所示。
表3-7 “样条曲线”命令选项含义
续表
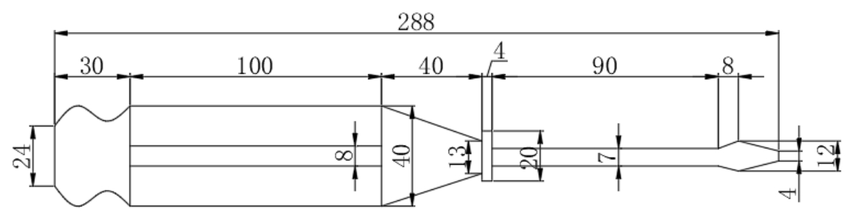
本例绘制螺丝刀,如图3-67所示。本例主要利用直线命令、样条曲线命令绘制旋具端部,利用矩形命令、偏移命令等绘制把手,最后利用多段线命令绘制旋杆。
绘制步骤
(1)单击“默认”选项卡“绘图”面板中的“直线”按钮
,以(100,110)和(100,86)为端点绘制左端的竖线。
图3-67 绘制螺丝刀
(2)单击“默认”选项卡“绘图”面板中的“样条曲线拟合”按钮
,绘制螺丝刀底部轮廓线,命令行提示与操作如下。
重复上述命令绘制另一条样条曲线,其坐标分别为(100,86)、(110,78)、(120,84)、(130,78),结果如图3-68所示。
(3)单击“默认”选项卡“绘图”面板中的“矩形”按钮
,绘制螺丝刀手柄部分,以(130,78)(230,118)为角点绘制矩形,结果如图3-69所示。
图3-68 绘制样条曲线
图3-69 绘制矩形
(4)单击“默认”选项卡“绘图”面板中的“直线”按钮
,绘制分别过点(130,102)和(130,94)长为100的水平直线,结果如图3-70所示。
(5)单击“默认”选项卡“绘图”面板中的“直线”按钮
,绘制从(230,118)到(270,104)和(230,78)到(270,91)的直线,绘制结果如图3-71所示。
图3-70 偏移处理
图3-71 绘制直线
(6)单击“默认”选项卡“绘图”面板中的“矩形”按钮
,绘制角点坐标分别为(270,108)和(274,88)的矩形,结果如图3-72所示。
(7)单击“默认”选项卡“绘图”面板中的“多段线”按钮
,绘制螺丝刀的工作部分,坐标分别为(274,101),(364,101),(372,104),(388,100),(388,96),(372,92),(364,94),(274,94)。结果如图3-67所示。
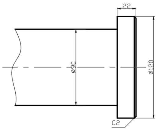
动手练一练——绘制轴头
绘制如图3-73所示的轴头。
图3-72 绘制矩形
图3-73 轴头
思路点拨
源文件:源文件\第3章\轴头.dwg
(1)设置图层。
(2)利用“直线”命令绘制初步轮廓线。
(3)利用“样条曲线”命令绘制断裂线。