



多段线是一种由线段和圆弧组合而成的,可以有不同线宽的多线。由于多段线组合形式多样,线宽可以变化,弥补了直线或圆弧功能的不足,适合绘制各种复杂的图形轮廓,因而得到了广泛的应用。
1.执行方式
命令行:PLINE(快捷命令:PL)。
菜单栏:选择菜单栏中的“绘图”→“多段线”命令。
工具栏:单击“绘图”工具栏中的“多段线”按钮
。
功能区:单击“默认”选项卡“绘图”面板中的“多段线”按钮
。
2.操作步骤
命令行提示与操作如下。
3.选项说明
多段线主要由连续且不同宽度的线段或圆弧组成,如果在上述提示中选择“圆弧(A)”选项,则命令行提示如下。
绘制圆弧的方法与“圆弧”命令相似。
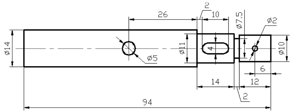
本实例绘制的轴,主要由直线、圆及圆弧组成,因此,可以用直线命令LINE、多段线命令PLINE、圆命令CIRCLE及圆弧命令ARC结合对象捕捉功能来完成绘制,如图3-62所示。
图3-62 泵轴
绘制步骤
(1)图层设置。
单击“默认”选项卡“图层”面板中的“图层特性”按钮
,新建两个图层:“轮廓线”层,线宽属性为0.3,其余属性为默认;“中心线”层,颜色设为红色,线型加载为CENTER,其余属性默认。
(2)将当前图层设置“中心线”图层。单击“默认”选项卡“绘图”面板中的“直线”按钮
,绘制坐标点为(65,130)和(170,130)的泵轴中心线,命令行提示与操作如下。
重复“直线”命令,绘制坐标点为(110,135)和(110,125)的Ф5圆的竖直中心线,坐标点为(158,133)和(158,127)的Ф2圆的竖直中心线。
(3)将当前图层设置为“轮廓线”图层。单击“默认”选项卡“绘图”面板中的“矩形”按钮
、“直线”按钮
,绘制泵轴外轮廓线,命令行提示与操作如下。
绘制结果如图3-63所示。
图3-63 轴的外轮廓线
注意:
“_int于:”是“对象捕捉”功能启动后系统在命令行提示选择捕捉点的一种提示语言,此时通常会在绘图屏幕上显示可供选择的对象点的标记。
(4)单击“默认”选项卡“绘图”面板中的“圆”按钮
,捕捉水平中心线与左侧竖直中心线的交点为圆心,绘制直径为5的圆,重复“圆”命令,捕捉水平中心线与右侧竖直中心线的交点为圆心,绘制直径为2的圆,完成轴孔的绘制。
(5)单击“默认”选项卡“绘图”面板中的“多段线”按钮
,绘制轴的键槽。坐标点为(140,132),(@6,0),A,(@0,-4),L,(@-6,0),A,最后捕捉直线的左端点绘制左端的圆弧,完成键槽的绘制。最终绘制的结果如图3-62所示。
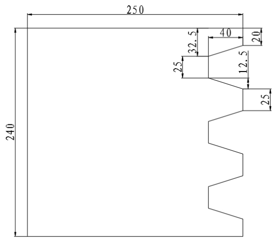
动手练一练——绘制带轮截面轮廓线
绘制如图3-64所示的带轮截面轮廓线。
图3-64 带轮截面轮廓线
思路点拨
源文件:源文件\第3章\带轮截面轮廓.dwg
利用“多段线”命令绘制带轮截面轮廓线。