购买
下载掌阅APP,畅读海量书库
立即打开
畅读海量书库
扫码下载掌阅APP

1.4 其他注射成型技术

随着产品功能、性能要求的不断提高和成型技术的发展,除常见的普通注射成型外,还出现了双色、气体辅助和高光无痕等注射成型技术,下面作简要介绍。

1.4.1 双色注射成型技术

由于双色成型的塑件通过充分利用颜色搭配或物理性能的搭配,能够满足在不同领域的特殊要求(如产品结构、使用性能及外观等需要),因此在电子、通信、汽车及日常用品上应用越来越广,也日益得到了市场的认可,正呈现加速发展趋势。随之而来的双色注射成型技术(如双色成型工艺、设备及模具技术等)也逐渐成为许多专业厂家亟待研发的对象。图1-17所示为双色注射产品实例图片。

图1-17 双色注射产品实例图片

为了保证双色产品中不同部分的黏结牢固,在双色注射产品设计时,可以从以下几个方面进行适当考虑。

(1)选择材料时必须考虑两种材料间的结合性,不同材料之间的结合性如表1-4所示。

(2)选材时考虑两种材料的成型工艺性。比如一般先注射硬料部分,再注射软料部分,以避免软料部分变形。另外,所选两种材料的收缩率也不能相差太大,否则容易造成材料之间的分离。

(3)在一次产品上增设沟槽以增加不同部分间的结合强度。

表1-4 双色注射材料结合性

双色注射成型根据模具结构和成型设备不同,主要有以下两种形式。

1.双色多模注射成型

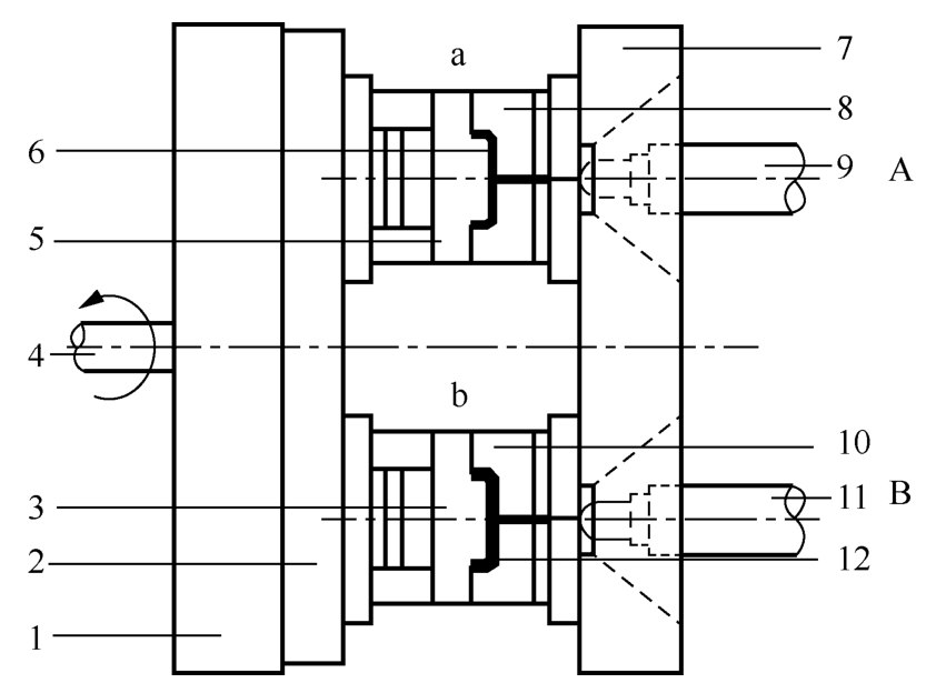
双色多模注射成型原理如图1-18所示,该双色注射成型机由两个注射系统和两副模具共用一个合模系统组成,而且在移动模板侧增设了一个动模回转盘,可使动模准确旋转180°。

其工作过程如下。

(1)合模,物料A经料筒9注射到a模型腔内成型第一色产品。

(2)开模,单色产品留于a动模,注塑机动模回转盘逆时针旋转180°旋转至b,实现a、b模动模位置的交换。

(3)合模,料筒11将物料B注射到b模型腔内成型第二色产品,同时料筒9将物料A注射入a模型腔内继续成型第一色产品。

(4)开模,顶出b模内的双色产品,动模回转盘顺时针旋转180°,a、b模动模再次交换位置。

(5)合模,进入下一个注射周期。

这种成型对设备要求较高,而且配合精度受安装误差影响较大,不利于精密件的生产制造。

2.双色单模注射成型

双色单模注射成型原理如图1-19所示,该双色注塑机由两个相互垂直的注射系统和一个合模系统组成,需要在模具上设置旋转机构,可使动模成型部分准确旋转180°。

1—移动模板;2—动模回转盘;3—b模动模;4—回转轴;5—a模动模;6—物料A;7—定模座板;8—a模定模;9、11—料筒;10—b模定模;12—物料B。

图1-18 双色多模注射成型原理

1、4—料筒;2—型腔a;3—型腔b;5—定模;6—动模旋转体;7—回转轴。

图1-19 双色单模注射成型原理

其工作过程如下。

(1)合模,A料筒将物料A注射入型腔a内成型单色产品。

(2)开模,旋转轴带动旋转体和动模逆时针旋转180°,型腔a和型腔b交换位置。

(3)合模,A料筒、B料筒分别将物料A、物料B注射入型腔a内和型腔b内(成型双色产品)。

(4)开模,顶出型腔b内的双色制品,旋转体顺时针旋转180°,型腔a和型腔b交换位置。

(5)合模,进入下一个注射周期。

这种结构的模具对设备的依赖性相对降低,其通过自身的旋转装置实现动模部分的旋转,两个不同的型腔都加工在同一副动、定模上,这有效地减小了两副模具的装夹误差,提高了制件的尺寸精度和外形轮廓的清晰度。双色单模根据注塑机结构形式不同常有清色、混色之分。

牙刷双色成型

手机壳双色成型

1.4.2 气体辅助注射成型技术

气体辅助注射成型(GAIM)技术突破了传统注射成型的限制,可灵活地应用于多种制件的成型。它在节省原料、防止缩痕、缩短冷却时间、提高表面质量、减小塑件内应力、减小锁模力、提高生产效率,以及降低生产成本等方面具有显著的优点。因此,GAIM一出现就受到了企业广泛的重视,并得以应用。目前,几乎所有用于普通注射成型的热塑性塑料及部分热固性塑料都可以采用GAIM法来成型,GAIM塑件也已涉及结构功能件等各个领域。

1.工艺过程

气体辅助注射成型工艺过程是先在模具型腔内注入部分或全部熔融的树脂,然后立即注入高压的惰性气体(一般使用压缩氮气),利用气体推动熔体完成充模过程或填补因树脂收缩后留下的空隙,在熔体固化后再将气体排出,再脱出塑件。气体辅助注射成型工艺一般有预注射、注入气体、保压、模具中的空气排放、多余的氮气回收、塑件脱模等几个过程。随着应用领域的扩大,出现了更多的气体辅助注射成型新技术,如振动气体辅助注射成型、冷却气体辅助注射成型、多腔控制气体辅助注射成型及气体辅助共注射成型技术等。

气体辅助注射成型通常有短射(short shot)气体辅助成型、满射(full shot)气体辅助成型及外气(external gas)成型几种形式。

图1-20所示为短射气体辅助成型,首先注入一定量的熔体(通常为型腔体积的50%~90%),然后立即向熔体内注入气体,靠气体的压力推动将熔体充满整个型腔,并用气体保压,直至树脂固化,然后排出气体和脱模。

图1-20 短射气体辅助成型

短射气体辅助成型

满射气体辅助成型是在树脂完全充满型腔后才开始注入气体,如图1-21所示,熔体由于冷却收缩会让出一条流动通道,气体沿通道进行二次穿透,不但能弥补塑料的收缩,而且靠气体压力进行保压,效果更好。

图1-22所示为外气成型工艺过程,与上述两种成型方法的不同之处在于,它不是将气体注入塑料内以形成中空的部位或管道,而是将气体通过气针注入与塑料相邻的模腔表面局部密封位置中,故称为“外气注射”。从工艺的角度来看,取消了保压阶段,保压的作用由气体注射来代替。外气注射突出的优点在于它能够对点加压,可预防凹痕,减小应力变形,使塑件外观质量更加完美。

图1-21 满射气体辅助成型

图1-22 外气成型工艺过程

2.注气位置

早期是利用注塑机的喷嘴将气体经主流道注入模具型腔,目前采用固定式或可动插入式气针直接由型腔进入制件,如图1-23所示。

图1-23 注气位置

制件气体入口位置的设计因制件形状结构的差异而会有所不同,应根据制件结构的情况和所用材料的特性加以综合考虑。

1)管状或棒形件

如把手、座垫和方向盘等制件主要应使气体穿透整个熔体而使熔体在内部形成气道。所以,在此类制件设计中,气道入口位置的选择要尽量保证气体与熔体流动方向一致及气体穿透的畅通,常采用一个入口并使其气体尽可能贯穿整个制件。

2)板状件

在大型板类制件的气体辅助注射成型中,常将加强筋作为气体通道,所以,气道的设计实质就改为对加强筋的设计。气体的入口也应尽量保证气体与熔体流动方向一致,且流向制件最后被充填的部位。由于大型板类制件的流程比较长,因此,采用气体辅助注射成型,可很好地改善甚至消除其因保压不足而引起的制件翘曲、变形或凹孔等现象。

3)壁厚不均的特殊件

应在这类制件的厚壁或过渡处,开设气道辅以气体充填,以消除该处可能产生的凹陷和减小制件变形。

3.工艺参数

1)预注射量

GAIM的预注射量应视具体情况而定(如制件使用要求、塑料种类选取、工艺参数设置等),一般为型腔总体积的70%~100%。对同一种料的制品来说,随着预注射量的增加,气体注入量必然会减少,所以气体穿入的长度也会有所下降,有可能导致远端气道无法充填气体而在该处表面形成凹陷、缩痕或变形等。而此时在气道中形成的中空面积会比理想的略有增大。

2)熔体注射温度

温度的升高会降低熔体的黏度,从而减小气体的充填阻力,有利于增加气体穿入充填的长度。但温度过高易造成吹穿或薄壁穿透等现象。相反,熔体温度过低则不利于气体的穿入,甚至达不到GAIM所需要的效果。适当的温度可很好地提高制件的外观质量和内在性能。所以对那些黏度于温度变化敏感的物料来说,注射温度的控制就显得十分必要。

3)延迟时间

延迟时间是从熔体预注射结束到气体开始注射的这段时间,这段时间虽短,但在GAIM中却起着十分重要的作用。延迟时间过短,则气体易与高温低黏熔体混合,而且也容易造成高温低黏的熔体吹穿或薄壁穿透,使制件外观质量受到严重影响;随着延迟时间增长,熔体冻结层逐渐增厚,气体穿入阻力也相应增大,使气体穿入制品内部的长度及气道中空面积也会相应减小。而且由于受熔体表面张力作用的影响,远端气道的中空形状会趋向于圆形。

4)气体注射压力和速率

气体压力是气体充入气道推动熔体完成充模及保压的动力,所以控制气体的压力大小及稳定性是很有必要的。由于气体受其一定的压缩性、通道中的非线性动态流动及熔体流动阻力等一些因素的影响,要精确控制气体压力及速率是相当困难的。所以,目前常用的气体注射装置有:

(1)不连续压力产生法即体积控制法,如Cinpres公司的设备,它首先往汽缸中注入一定体积的气体,然后采用液压装置压缩,使气体压力达到设定值时才进行注射充填。大多数的气体辅助注射成型机械都采用这种方法,但该法不能保持恒定的大压力。

(2)连续压力产生法即压力控制法,如Battenfeld公司的设备,它是利用一个专用的压缩装置来产生高压气体。该法能始终或分段保持压力恒定,而且其气体压力分布可通过调控装置来选择设定。

如果气体注射压力和速率大,由于熔体流动的摩擦生热会降低熔体黏度、减薄冻结层,所以能保证气体的顺利穿入,增大穿入长度及气道中空面积。但注射压力也不能太大,GAIM中气体压力一般为5~32MPa。

5)气体保压压力及时间

气体保压阶段是提高制件外观、尺寸精度及使用质量的关键。由于气体的压力降几乎为零,故其传递的压力基本上是一致的。GAIM中的保压阶段克服了传统注射成型(CIM)中保压压力不均引起的应力集中等现象,同时也加速了制件内部冷却速率,从而有利于提高制件的质量及性能。同CIM一样,大的气体保压压力会提高制件的表面质量,而且有利于通过气体的二次穿透补偿熔体收缩引起的缺料现象;延长保压时间,有利于制件充分冷却,减小后收缩,但具体取值应根据实际生产要求而定。

另外,注气时间和模具温度等也对成型结果有着一定的影响。

综上所述可以看出:GAIM中的各工艺参数对成型结果的作用不是单一的,例如大的保压压力、长的保压时间和高的模温虽都有利于气体穿透程度和制件质量,但会加大机械设备的投入成本,制品成本增加及成型周期也相应增大;而减少预注射量和缩短充气延迟的时间,虽都有利于气体的穿透,但也有可能会引起短射或吹穿等问题。因此,各工艺参数还应根据实际生产情况及操作经验合理设置。

1.4.3 高光无痕注射成型技术

高光无熔痕注射成型技术简称高光无痕注射成型技术,又被称作快速热循环注射(Rapid Heat Cycle Moulding,RHCM)。这种技术是采用快速加热和快速冷却注射模具及动态温控装置,并对模具温度实行闭环控制的注射成型技术。

1.工艺过程

高光无痕注射成型的工艺过程与传统常规注射基本一致,包括合模、熔料、注射、保压、冷却、开模、取件等几个阶段。其工艺过程有如下特点。

(1)加热阶段,通过利用动态温度控制系统,使模具温度快速上升到聚合物的熔点或热变形温度以上,并维持一定的时间。

(2)注射阶段,将聚合物的熔体注射到模具的型腔之中,要一直使模具保持较高的温度,防止注射和保压过程中熔体的过早冷却。

(3)冷却阶段,快速冷却已定型的聚合物熔体,将聚合物熔体温度迅速降低到塑料顶出温度以下。

(4)取件阶段,打开模具,取出塑件产品。

2.优点及其应用

高光无痕注射可消除产品表面熔接线、熔接痕、波纹及银丝纹,彻底解决塑料产品的表面缩水现象,并使产品表面光洁度达到镜面水平,几乎可以完全再现模具的表面状态,达到无痕的效果。

产品不需要喷涂的后续加工,有效降低成本,缩短交货时间。此外,高光无痕注射还可解决加纤产品所产生的浮纤现象,从而使产品品质更加完美。在薄壁成型中,在高温下注入熔融树脂有助于提高注射流动性,减小注射压力,避免浇不足和困气等问题,提高产品质量与强度。而且通过成型后的速冷,也可以减小收缩应力,使脱模变得容易。同时,它也可使厚壁成型注塑周期降低60%~70%。

高光无痕注射成型可广泛应用于目前DVD/DMR/BD/BR/PDVD等视听播放器的外装面板、液晶电视机、电脑液晶显示器、汽车液晶显示器、空调、汽车内饰件、车灯、光学仪器等家电、汽车、通信、医疗等行业。

3.关键技术

高光无痕注射成型技术的关键点在于材料、模具和模具温度控制。

1)材料

对于高光要求,较重要的部分当然就体现在原材料上面了,因此对于一般的表面高光产品有一些强制性的原材料要求。

(1)材料的流动性要高,以便更好地在腔内流动,避免产生气纹、熔接线及高剪切力影响性能。

(2)材料表面耐磨性好,对于产品表面硬度的要求是保证产品在使用过程中保持良好外观的要求,一般都需要在H铅笔硬度以上的材料才能满足需求。

(3)材料热稳定性好,以免在日常使用过程中各种温差变化引起不良反应。

(4)耐化学性能要好,特别是减少挥发反应,以防造成对模具的腐蚀及使用过程中产生雾化反应。

(5)材料光泽度要高。

(6)韧性和刚性要求,以满足产品能经受跌落等考验。

2)模具

高光产品对于模具从设计到钢材选择,再到加工工艺都有着更高的要求,这点与传统注射模具也有着本质的区别。简单体现在下面几点上。

(1)温度控制精准度高,所以对于冷热水循环系统的设计要求更高,宜采用贴近型腔的随形水道设计,并增加隔热层,以确保模具具有快热快冷的控制效果。另外,就是保证温度的均匀性分布。

(2)浇口的设计要更加合理,降低注射过程中产生的剪切力,避免产生气纹和熔接线。

(3)排气系统要流畅,以使熔体能快速顺畅地在型腔内流通,达到更快充模的效果和减小气体对成型的影响。

(4)耐化学性更强,以免注射过程中受原料中的挥发性气体腐蚀,并且机械刚性也要更高。

(5)表面镜面处理,高光产品可以直接用于装配,无须做任何表面处理,因此型腔表面一般要求镜面2级或更高。

3)温度控制

模具表面的加热方式是温控系统的关键技术。常见模具加热方式及其优缺点如表1-5所示。

表1-5 常见模具加热方式及其优缺点 P35SHH4pqA3nS14XTfMeVlMNUMPiTFwJGw7KGo1NimlyKXHTlOGlgAvCzvssP1+S

点击中间区域
呼出菜单
上一章
目录
下一章
×