



相关知识
指针式万用表(图 1.15)又被叫作多用表、三用表、复用表,是一种多功能、多量程的仪器,一般指针式万用表可测量直流电流、直流电压、交流电压、电阻等。
图 1.15 指针式万用表
指针式万用表使用时注意事项:
①如果长时间不用时,需要将电池取出,以免电池漏液腐蚀表内器件。
②测量电流与电压时不能拨错挡位,如果误用电阻挡或电流挡测量电压,极容易将万用表烧毁。
③测量电流和电压时,要注意正负极性,不要接错。发现表针反转则应立即调换表笔,以免损坏表针。
④如果不知道被测电流或电压的范围,应采用最高量程,然后根据测出的大致范围改换小量程来提高精度,避免将万用表烧毁。
⑤在测量时万用表需要水平放置,以免因为倾斜而造成误差。磁场变化同样会影响测量结果,测量时请注意。
⑥在使用万用表对待测物进行检测时,不能用手去触摸表笔的金属部分,因为人是导体会分走一部分电信号使测量数据失真,而且对人体也是不安全的。
⑦不能在测量的同时进行挡位的转换,尤其是在高电压或大电流的测量情况下更要注意,否则可能损坏万用表。如需要换挡,应断开表笔,换挡后再重新测量。
1.数字式万用表的基本原理
数字式万用表(图 1.16)是利用一只灵敏的磁电式直流电流表(微安表)作表头。当微小电流通过表头,就会有电流指示。但表头不能通过大电流,所以,必须在表头上并联和串联电阻进行分流或降压,从而测出电路中的电流、电压和电阻。
2.数字式万用表测量原理
(1)测直流电流原理
如图 1.17(a)所示,在表头上并联一个适当的电阻(叫分流电阻)进行分流,就可以扩展电流量程。改变分流电阻的阻值,就能改变电流测量范围。
图 1.16 数字式万用表
(2)测直流电压原理
如图 1.17(b)所示,在表头上串联一个适当的电阻(叫倍增电阻)进行降压,就可以扩展电压量程。改变倍增电阻的阻值,就能改变电压的测量范围。
(3)测交流电压原理
如图 1.17(c)所示,因为表头是直流表,所以测量交流时,需加装一个并、串式半波整流电路,将交流进行整流变成直流后再通过表头,这样就可以根据直流电的大小来测量交流电压。扩展交流电压量程的方法与直流电压量程相似。
(4)测电阻原理
如图 1.17(d)所示,在表头上并联和串联适当的电阻,同时串接一节电池,使电流通过被测电阻,根据电流的大小,就可测量出电阻值。改变分流电阻的阻值,就能改变电阻的量程。
图 1.17 测直流电压
3.数字式万用表的使用方法
①直流电压的测量,如电池、随身听电源等。首先将黑表笔插进“COM”孔,红表笔插进“V·Ω”。把旋钮选到比估计值大的量程(注意:表盘上的数值均为最大量程,“V -”表示直流电压挡,“V ~ ”表示交流电压挡,“A”是电流挡),接着把表笔接电源或电池两端;保持接触稳定。数值可以直接从显示屏上读取,若显示为“1.”,则表明量程太小,那么就要加大量程后再测量工业电器。如果在数值左边出现“-”,则表明表笔极性与实际电源极性相反,此时红表笔接的是负极。
②交流电压的测量。表笔插孔与直流电压的测量一样,不过应该将旋钮打到交流挡“V ~ ”处所需的量程即可。交流电压无正负之分,测量方法跟前面相同。无论测交流还是直流电压,都要注意人身安全,不要随便用手触摸表笔的金属部分。
③直流电流的测量。先将黑表笔插入“COM”孔。若测量大于 200 mA的电流,则要将红表笔插入“10 A”插孔并将旋钮打到直流“10 A”挡;若测量小于 200 mA的电流,则将红表笔插入“200 mA”插孔,将旋钮打到直流 200 mA以内的合适量程。调整好后,就可以测量了。将万用表串进电路中,保持稳定,即可读数。若显示为“1.”,那么就要加大量程;如果在数值左边出现“-”,则表明电流从黑表笔流进万用表。
④交流电流的测量。测量方法与直流电流的测量相同,不过挡位应该打到交流挡位,电流测量完毕后应将红笔插回“V·Ω”孔。
⑤电阻的测量。将表笔插进“COM”和“V·Ω”孔中,把旋钮打到“Ω”中所需的量程,用表笔接在电阻两端金属部位,测量中可以用手接触电阻,但不要用手同时接触电阻两端,这样会影响测量精确度——人体的电阻很大但也是有限大的导体。读数时,要保持表笔和电阻有良好的接触;注意单位:在“200”挡时单位是“Ω”,在“2k”到“200k”挡时单位为“ kΩ”,“2M”以上的单位是“MΩ”。
⑥二极管的测量。数字式万用表可以测量发光二极管,整流二极管。测量时,表笔位置与电压测量一样,将旋钮打到“
”档;用红表笔接二极管的正极,黑表笔接负极,这时会显示二极管的正向压降。肖特基二极管的压降是 0.2 V左右,普通硅整流管(1N4000、1N5400 系列等)为 0.7 V,发光二极管为 1.8 ~ 2.3 V。调换表笔,显示屏显示“1.”则为正常,因为二极管的反向电阻很大,否则此管已被击穿。
⑦三极管的测量。表笔插位同二极管一样,其原理与二极管相同。先假定A脚为基极,用黑表笔与该脚相接,红表笔与其他两脚分别接触其他两脚;若两次读数均为 0.7 V左右,然后再用红表笔接A脚,黑表笔接触其他两脚,若均显示“1”,则A脚为基极,否则需要重新测量,且此管为PNP管。那么集电极和发射极如何判断呢?数字表不能像指针表那样利用指针摆幅来判断,那怎么办呢?我们可以利用“hFE”挡来判断:先将挡位打到“ hFE”挡,可以看到挡位旁有一排小插孔,分为PNP和NPN管的测量。前面已经判断出管型,将基极插入对应管型“B”孔,其余两脚分别插入“C”“E”孔,此时可以读取数值,即 β 值;再固定基极,其余两脚对调;比较两次读数,读数较大的管脚位置与表面“C”“E”相对应。
小技巧:上法只能直接对如 9000 系列的小型管测量,若要测量大管,可以采用接线法,即用小导线将三个管脚引出。这样方便了很多哦!
⑧MOS场效应管的测量。 N沟道的有国产的 3D01,4D01,日产的 3SK系列。 G极(栅极)的确定:利用万用表的二极管挡。若某脚与其他两脚间的正反压降均大于 2 V,即显示“1”,此脚即为栅极G。再交换表笔测量其余两脚,压降小的那次中,黑表笔接的是D极(漏极),红表笔接的是S极(源极)。
1.定义
兆欧表测电机绕组对地绝缘电阻及绕组间绝缘电阻
兆欧表俗称摇表,它是用来检测电气设备、供电线路的绝缘电阻的一种可携式仪表(约 120 r/ min),如图 1.18 所示。
兆欧表标尺的刻度是以“兆欧”为单位。选用兆欧表时,其额定电压一定要与被测电气设备或线路的工作电压相适应。此外,兆欧表的测量范围也应与被测绝缘电阻的范围相吻合。
图 1.18 兆欧表的使用方法
①“地”(E)端钮:与被测设备外壳或接地端相连。
②“线”(L)端钮:与被测设备的导线相连。
③“屏”(G)端钮:与“线”端钮外面的一个铜环连接。在测量电缆或绝缘导体对地绝缘电阻时,与被测设备中间绝缘层相连。
2.兆欧表的使用方法
①测量前,应将兆欧表保持水平位置,左手按住表身,右手摇动兆欧表摇柄,转速约120 r/ min,指针应指向无穷大(∞),否则说明兆欧表有故障。
②测量前,应切断被测电器及回路的电源,并对相关元件进行临时接地放电,以保证人身与兆欧表的安全和测量结果准确。
③测量时必须正确接线。兆欧表共有 3 个接线端(L、E、G)。测量回路对地电阻时,L端与回路的裸露导体连接,E端连接接地线或金属外壳;测量回路的绝缘电阻时,回路的首端与尾端分别与L、E连接;测量电缆的绝缘电阻时,为防止电缆表面泄漏电流对测量精度产生影响,应将电缆的屏蔽层接至G端。
④兆欧表接线柱引出的测量软线绝缘应良好,两根导线之间和导线与地之间应保持适当距离,以免影响测量精度。
⑤摇动兆欧表时,不能用手接触兆欧表的接线柱和被测回路,以防触电。
⑥摇动兆欧表后,各接线柱之间不能短接,以免损坏。
3.兆欧表的使用要求
(1)测量前检测仪表是否正常
①开机检查显示,正常显示OL;
②看挡位是否可以正常转换(一般都有挡位选择即电压选择);
③按下测试键检查有无相应电压输出,测试方法:
用一台普通万用表选择直流电压最高挡位,然后将表笔插入兆欧表输出端,最后按下兆欧表测试键,观测万用表上有无相应电压值的显示。
(2)测量前准备工作完成后进入实地测量
①如果测量时显示OL,有可能被测电阻超出仪表测量范围可以转换挡位(MΩ、GΩ,根据仪表本身功能配置来定);
②仪表没有电压输出无法测试,可根据第一款中相关介绍进行检测;
③电子兆欧表多采用倍压电路,五号电池或者九伏电池供电工作时所需供电电流较大,故在不使用时务必要对其关机(即便有自动关机功能的,建议用完后还是选择手动关机)。
钳形电流表(图 1.19)是由电流互感器和整流电流表组成的。
图 1.19 钳形电流表
1.作用
不切断电路时测量电流。
2.原理
由互感器和整流电表组成,利用感应方式测量电流。
3.钳形表的使用方法
①测量前要机械调零。
②选择合适的量程,先选大量程,后选小量程或看铭牌值估算。
③当使用最小量程测量,其读数还不明显时,可将被测导线绕几匝,匝数要以钳口中央的匝数为准,则读数=指示值×量程/满偏×匝数。
④测量时,应使被测导线处在钳口的中央,并使钳口闭合紧密,以减少误差。
⑤测量完毕,要将转换开关置于最大量程处。
4.钳形表使用时的注意事项
①被测线路的电压要低于钳表的额定电压。
②测高压线路的电流时,要戴绝缘手套,穿绝缘鞋并站在绝缘垫上。
③钳口要闭合紧密同时不能带电换量程。
三相四线有功电能表的接线
三相电能表主要是用来测量三相交流电路中电源输出或者负载消耗的电能。它是由单相电能表发展而来,可以将三相电能表看作是 2 块或 3 块单相电能表的组合。其主要由测量机构、补偿调整装置和辅助部件等结构构成。三相电能表分为三相三线电能表和三相四线电能表。
三相四线电能表有三组电磁元件,一个转动结构,根据电磁元件安装不同分为双转盘式和三转盘式。三元件双转盘式三相四线电能表其结构主要是三组电磁元件中的一组电磁元件单独作用一个转盘,其他两组电磁元件共同作用在另一个转盘上,两转盘同轴作用,该方式下电磁元件保持一致的工作气隙可减少相对误差,是目前感应式三相电能表主要采用的结构。
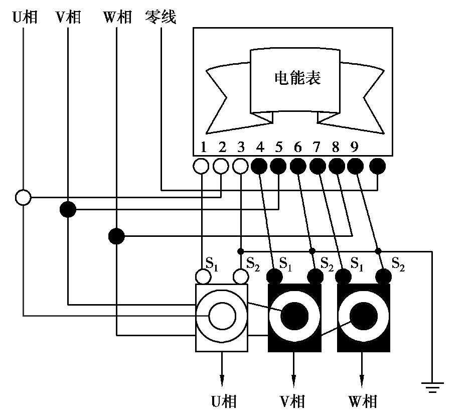
三相四线电能表和单相及三相三线电能表外观上最大的不同是其共有 11 个接线端,常用在动力和照明混合的供电电路中。
三相四线有功电能表的接线方法如图 1.20 所示,三相四线有功电能表经电流互感器接入,相线U、V、W分别穿过电流互感器电能表 1、4、7 端分别接电流互感器二次侧首端S 1 ,电能表 3、6、9 端分别接二次侧末端S 2 ,电能表 2、5、8 端分别接电流互感器的相线U、V、W,其连片应拆下。为保证安全,电流互感器二次侧末端S 2 应分别接地。
图 1.20 三相四线有功电能表的接线图