



故障现象 一辆2016年奔驰VITO商务车,行驶里程3990 km。驾驶人反映该车的发动机风扇一直很响,行驶时无明显异常。
故障诊断 起动车辆,发动机风扇高速运转,噪声很大,显示风扇已进入紧急模式;查看此车信息,该车为新车,无任何维修记录。
用奔驰专用Star Diagnostic诊断仪(XENTRY)对车辆进行快速检测,发动机控制单元(ME)没有故障码,如图1-51所示。结合故障现象和无故障码的特点,检查思路转为分析ME为什么会进入紧急模式。为此,在WIS中查找风扇电路图,如图1-52所示。
图1-51 检测结果
风扇由N3/34控制,供电来自F1的30回路和K40/10的15回路,然后通过W9接地。引起ME进入紧急模式的原因为风扇故障、ME故障以及两者之间的线路故障。风扇高速运转说明风扇的供电、接地、控制线和风扇自身均正常。这样,故障原因只剩下ME了,由于ME是防盗件,无法对调,因此暂时不予考虑,转而思考是否有其他因素。
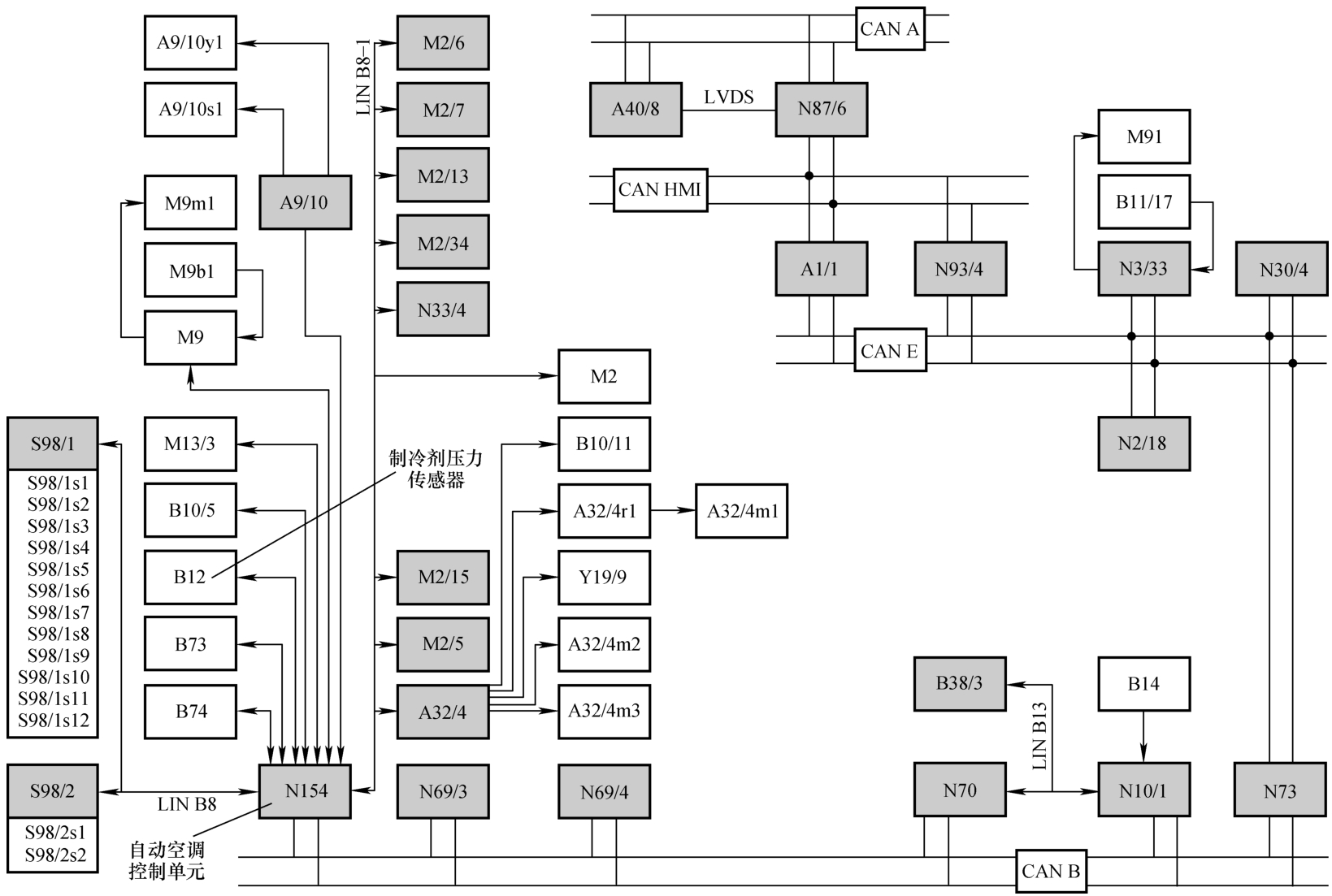
鉴于ME根据发动机冷却系统的工作情况控制风扇,因此用XENTRY读取冷却液温度(图1-53),结果相应的温度并未过高,排除冷却回路故障引起的可能。需要注意的是,风扇除了受冷却系统影响,还受空调系统控制,其通信原理如图1-54所示。B12将采集的信号传给N154,经N154读取和分析后,通过CAN网络传送至ME,作为ME控制风扇的参数之一。重新查看DAS结果(图1-55),N154也无故障码,这时故障排除暂时无从下手。
仔细思考一下,决定参考用XENTRY读取冷却系统实际值(图1-56)的方法那样,尝试查看空调系统的实际值,发现制冷压力一直为2090 kPa不变,明显不正常。根据此异常,查阅制冷剂压力传感器电路图,如图1-57所示。
从图1-57中可知,B12由N154提供5 V电压,通过插头Z200接地,采集的信号传给N154,这样,判断故障原因分别为B12故障、B12至N154的线路故障、N154故障。首先检查线路,结果B12的供电线已断路(图1-58),从而导致ME进入紧急模式进而控制风扇高速运转。
故障排除 修复线路并清除故障码后试车,故障彻底排除。
图1-52 风扇电路
F1—预熔熔丝盒 fA10—熔丝 K40/10—发动机舱熔丝和继电器模块 f226—熔丝和继电器模块226
技巧点拨 对于空调系统的维修,要弄懂它的原理,这样才能有的放矢。
图1-53 冷却系统实际值
图1-54 空调系统通信原理
图1-55 DAS结果
图1-56 空调系统实际值
图1-57 制冷剂压力传感器电路
A32/4—车尾暖风/空调车内空气循环单元 A9/3—制冷剂压缩机 B12—制冷剂压力传感器 M13/3—加热装置冷却液循环泵 N154—自动空调(KLA)控制单元 W9—左前照明灯单元接地点 X220—左侧驾驶室线束/主线束电气插接器1 X221—右侧驾驶室线束/主线束电气插接器1 X26/62—主导线束/发动机线束电气插接器 Z200—暖风/空调传感器端子31套管插接器
故障现象 一辆2005年的奔驰唯雅诺,VIN为WDE63981313052796,行驶里程317596 km。驾驶人反映,在行车过程中打开A/C开关,空调系统不工作,出风口吹出自然风。
故障诊断 接车后,验证驾驶人所述故障现象,在打开A/C开关的情况下,空调系统确实不出冷风。接上奔驰车专用故障诊断仪,读取到的发动机电控系统的相应信息如图1-59所示。
图1-58 故障点
图1-59 读取到的发动机电控系统故障信息
接着读取KLA(自动恒温控制系统)的故障信息,读取到的相应信息如图1-60所示。
通过读取到的相应信息分析,与当前空调系统不制冷相关的当前故障信息为“P202 C-008—冷却液节温器(P0115)”和“B1001-007—部件M9 B1(车内空气温度传感器)的信号有故障,对正极短路或断路”。
于是首先找到位于空调控制面板内侧(靠近转向盘一侧)的车内空气温度传感器(图1-61)。拆开空调控制面板,找到车内空气温度传感器并拆掉,进行全方位观察(图1-62)。通过观察发现车内空气温度传感器和空气温度传感器风扇电动机集成在一起,插接器具有4个端子,其中端子1、4之间为所接空气温度传感器热敏电阻,按照故障诊断仪上的维修导引进行车内空气温度传感器的电阻检测(图1-63)。
图1-60 读取KLA(自动恒温控制系统)的故障信息
图1-61 车内空气温度传感器的安装位置
检测时,需要关闭点火开关,将十进电阻器连接到部件M9 b1(车内空气温度传感器)的耦合器上,将万用表的红黑表笔分别连接到插接器的3#、4#端子上(图1-63)。车内空气温度传感器的标准值为25℃下所测得电阻值,当所测得电阻值为20 kΩ时,车内温度为9~11℃;电阻值为12 kΩ时,车内温度为18~22℃;电阻值为8 kΩ时,车内温度为27~33℃。使用万用表实际测量值为5.03 kΩ(图1-64),不在标准值范围。通过进一步观察发现,车内空气温度传感器的热敏电阻积满灰尘,且将要断裂,这可能是导致空调制冷系统不能正常工作的原因。为了能使故障彻底排除,购进原厂车内空气温度传感器配件进行更换。
更换新件后试车,打开A/C开关后,空调系统出风口吹出的仍然是自然风,使用万用表测量空调压缩机控制线,其输出的是电压在一定范围内变化的占空比信号,但空调压缩机却不能工作。于是再次连接奔驰专用诊断仪,读取到相关数据流信息(图1-65),详细内容见表1-2。利用歧管压力计对制冷系统的低压端进行压力测量(图1-66),其压力值在4.2bar左右,与读取到的数据流信息(4.5bar)基本相符。
图1-62 车内空气温度传感器的外形结构
图1-63 车内空气温度传感器端子排列顺序
图1-64 车内空气温度传感器的电阻检测
图1-65 读取到制冷剂压缩机的故障信息
表1-2 读取到相关的数据信息
通过对读取的制冷剂压力的数据信息进行对比分析,对于采用普通压缩机的制冷系统来说,这个压力可能是正常的,但对于采用变排量压缩机的奔驰唯雅诺车型来说,其制冷剂的压力明显偏高。由此推断,空调压缩机(图1-67)也出现了故障。
故障排除 更换奔驰原厂空调压缩机,发动机正常工作后,打开A/C开关,空调出风口吹出冷风,制冷系统正常工作,故障排除。
技巧点拨 随着科技的进步、社会的发展、需求的提升,汽车功能也在不断增加,控制模块也随之增多,复杂的关联关系、错综的信息交流给故障判断增加了不少难度,因此,掌握控制原理至关重要。
图1-66 读取的低压侧的制冷剂压力数值
图1-67 出现故障的奔驰唯雅诺空调压缩机
故障现象 一辆奔驰VIANO,配置272.939型发动机,行驶里程234023 km。驾驶人反映,通过空调风速开关去调节鼓风机风速没有低速档位,只有最高速的5档。
故障诊断 根据驾驶人描述的故障现象,拨动鼓风机档位开关,确实在1~4档的时候鼓风机不转,一点风都没有吹出来,只有把风速调到最高档时鼓风机以最高速运转,声音特别大。鼓风机没有低速档,只有高速档,说明鼓风机本身是好的,问题出现在鼓风机的控制上。使用专用诊断仪检测故障码,如图1-68所示。故障码的含义是指鼓风机控制单元损坏。
图1-68 故障码
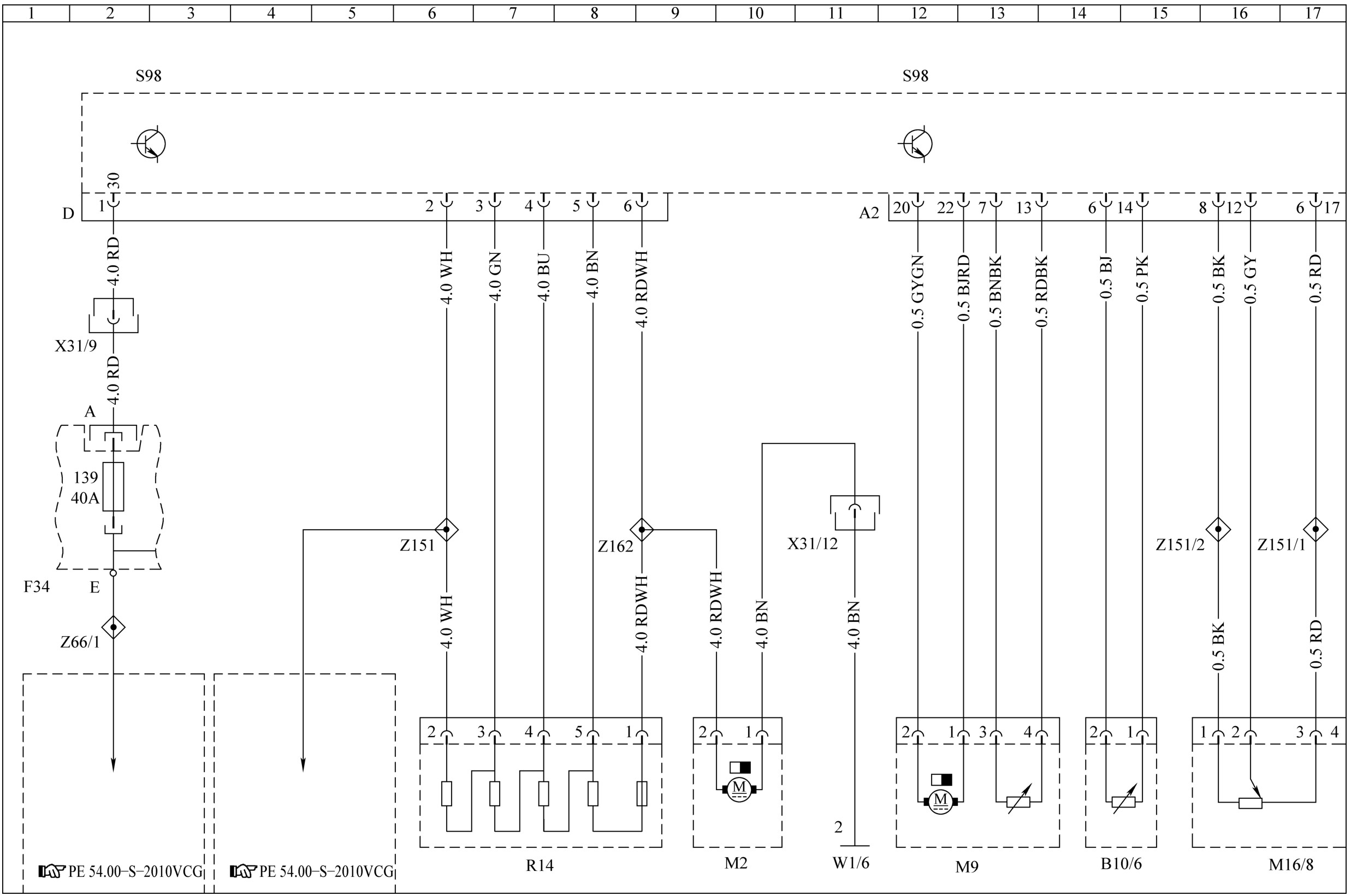
查阅鼓风机开关控制单元电路图,如图1-69所示。根据电路图检查F34的39号熔丝正常,下一步测量S98的D区1号针脚供电测量正常。既然报开关内部损坏故障,就先不考那个开关,直接拔掉D插头,找一根线把1号、6号针脚跨接起来,正常情况下鼓风机应该转,而且是最高速运转,相当于处于应急状态,让它不经过鼓风机调节器R14调节控制。根据电路图可以看出,此时电流经过Z162直接到M2的2号针脚。结果这样处理后鼓风机果真高速运转,就像故障表现出来的开关调到最高速档一样的效果。
图1-69 鼓风机电路
通过上面的验证得到的结果是开关6号针脚输出到Z162再到鼓风机的线路是好的,而且鼓风机控制开关6号针脚输出也正常。根据电路图测量其他鼓风机控制开关到鼓风机调节器之间的线路均正常,Z162到鼓风机调节器上的1号针脚之间的线路也正常,接下来就把重点放在鼓风机调节器R14上。R14其实是一个鼓风机电动机串联电阻。查找相关资料发现其对应档位关系:鼓风机调节器上的1号针脚与2号、3号、4号、5号针脚通过串联电阻值的变化形成不同的4个档位,正常情况下每个档位之下都对应的有相应电阻。于是用万用表测量一下电阻,结果发现1号针脚与2号、3号、4号、5号针脚之间没有一个能够测量出电阻来,都处于断路状态。这样就可以断定鼓风机调节器本身内部存在问题。明确这个原理之后,找来一个2Ω左右的电阻直接接在1、2号线之间,结果操作开关后鼓风机转了。这样就把问题锁定在鼓风机调节器上,更换后测试正常。此车之所以有最高速5档,是因为5档不经过鼓风机调节器控制,直接经过开关通过Z162再到鼓风机,就相当于此车留了一个应急模式。
故障排除 更换鼓风机调节器,故障排除。
技巧点拨 此案例是一个比较简单的鼓风机不转的问题,在诊断过程中需要我们分析电路图,明确控制原理,用合适简单的方法快速找出问题所在。
故障现象 一辆新款国产奔驰V级商务车,行驶里程1.9万km。驾驶人反映该车前排空调无暖风。
故障诊断 接车后试车,开启空调暖风模式,前排确实无暖风,后排暖风正常,制冷、风量和温度调节等功能均正常。用故障检测仪(DAS)对车辆进行快速测试,结果空调系统无故障码存储;读取空调数据流,未见实际值异常,且开启空调暖风模式时,加热器冷却液循环泵(M13/3)的状态由“断开”变为“接通”,正常;对配风系统伺服电动机进行标准化,能顺利完成,但故障依旧。既然空调电控系统无明显故障,怀疑发动机冷却液循环回路有故障。
由图1-70可知,发动机冷却液由M13/3供应至暖风热交换器,由鼓风机将热空气吹入车内。仔细检查暖风热交换器的冷却液回路,发现冷却液管路有折弯现象(图1-71),推断故障是由此引起的。
故障排除 重新布置折弯的冷却液管路后试车,前排空调暖风正常,故障排除。
技巧点拨 汽车暖风的热源一般是利用发动机冷却液的余热来提供的,严格来说,其故障原因与制冷系统关系不太大。
故障现象 一辆奔驰R350,底盘型号WDC251157,装配276型发动机、自动恒温空调系统,行驶里程44000 km。驾驶人反映该车的空调系统不制冷。
故障诊断 接车后打开空调,发现出风口出的是自然风,空调面板上的指示灯正常,各个按钮都能正常操作。连接压力表制冷剂压力高压侧在8 bar左右,低压侧在4 bar左右,说明压缩机没有工作。根据功能原理,造成压缩机关闭的可能原因包括:制冷剂循环回路中压力过低或制冷剂压力传感器损坏;车外温度过低或车外温度传感器损坏;蒸发器温度过低或蒸发器温度传感器损坏;压缩机处于紧急关闭状态,此实际值应在冷却液温度超过110℃时;对发动机有高功率要求时,ME控制单元关闭压缩机;压缩机故障及空调控制单元故障等。连接诊断仪进行快速测试,发现空调控制单元中报了许多故障码,如图1-72所示。
图1-70 发动机冷却液循环回路
1—散热器 2—冷却液膨胀箱 3—冷却液泵 4—涡轮增压器 5—暖风热交换器 6—节温器 7—机油和冷却液热交换器 M13/3—加热器冷却液循环泵
图1-71 折弯的冷却液管路
图1-72 空调控制单元故障码
由于存在当前故障码“9006:部件A9制冷剂压缩机有短路”,所以首先按照厂家维修指导(TIPS)要求,处理搭铁点及对空调控制单元进行升级,但故障没有改善。由于故障码太多并且多为已存储的故障码,先清除并刷新故障码,以确定故障范围。清除故障码并再次读取故障码时,存在故障码“9006:部件A9制冷剂压缩机有短路”“900 C:B12制冷剂压力传感器供电>5.1V”“920A:B32/2双阳光传感器供电>5.1V”。空调系统压缩机相关电路如图1-73所示。
图1-73 空调系统压缩机相关电路
根据经验,测量空调控制单元后面B插头26号针脚和搭铁之间的阻值,为9.6Ω,标准范围为5~20Ω,正常。测量压缩机的供电线发现没有电压,不正常,说明空调控制单元没有发出信号控制压缩机工作。查看压缩机关闭原因,发现实际值显示总线端30上的电压<10.5 V,持续时间超过300 s,如图1-74所示。对空调控制单元的供电进行测量,拔掉供电线插头,此时车没有熄火,实际测量供电电压为13.6 V,正常;测量CAN线电压也正常。
故障排除 初步分析认为是空调控制单元内部程序混乱造成其自身实际值不能正常显示,导致乱报故障码。于是把空调控制单元更换掉,空调系统恢复正常,故障排除。
技巧点拨 为什么空调控制单元会报电压低的故障呢?进入空调控制单元供电实际值中发现控制单元显示的总线端30上的电压只有1.3 V,显然和实际供电不符,且实际值会在1~13 V之间来回变动。
图1-74 压缩机关闭原因总线端30上的电压实际值