购买
下载掌阅APP,畅读海量书库
立即打开
畅读海量书库
扫码下载掌阅APP

2.1切削运动与切削用量

切削加工过程中,刀具与工件之间要产生相对运动,才能完成切削过程。同时,切削过程的参数控制对切削加工质量有非常重要的影响。

2.1.1工件表面和表面成形

图2.1为机械零件上常用的表面。组成机械零件的常用表面有平面、圆柱面、圆锥面、成形表面(例如螺纹表面、齿轮渐开线齿形表面等),此外,还有球面、圆环面、双曲面等。

这些表面的几何本质是由一条线(称为母线)沿着另一条线(称为导线)相对运动而形成的轨迹。图2.2中,(a)为平面,由直线1(母线)沿着直线2(导线)运动而形成;(b)、(c)为圆柱面和圆锥面,由直线1(母线)沿着圆2(导线)运动而形成;(d)为圆柱螺纹的螺旋面,由该螺纹轴向剖面中的“∧”截形线1(母线)沿着螺旋线2(导线)运动而形成;(e)为直齿圆柱齿轮的渐开线柱面,由渐开线1(母线)沿直线2(导线)运动而形成。

图2.1机械零件上常用的表面

图2.2零件表面的形成

由图2.2可以看出,有些表面的母线和导线可以互换,如平面、圆柱面和直齿圆柱齿轮的渐开线柱面等,这些表面称为可逆表面;而另一些表面,其母线和导线不可互换,如圆锥面、螺旋面等,称为不可逆表面。很明显,可逆表面的加工方法要比不可逆表面的加工方法多。

母线和导线统称为发生线。有些表面的两条发生线完全相同,但母线的原始位置不同,也可形成不同的表面。如图2.3所示,母线均为直线1,导线均为圆2,轴线均为O—O,所需的运动也相同,但因母线1 相对于旋转轴线O—O的原始位置不同,因此,所产生的表面也就不同,它们分别为圆柱面、圆锥面和双曲面。

在机床上加工零件表面的过程中,工件、刀具之一或两者同时按一定的规律运动,就可形成所需的发生线,进而生成所要求的表面。形成发生线的方法有以下4 种。

图2.3母线原始位置变化时形成的不同表面

(1)成形法

成形法是利用成形刀具对工件进行加工的方法,如图2.4(a)所示。刀刃为切削线1,它的形状与需要形成的发生线完全重合,故形成发生线不需要专门的运动,而由刀刃本身来实现。考虑到工件宽度存在误差,所以成形刀刃应比发生线长。

图2.4形成发生线所需的运动

(2)轨迹法

采用轨迹法加工时,如图2.4(b)所示,刀具切削刃与工件被加工表面为点接触,此接触点1按一定的规律作直线运动A 1 或曲线运动A 2 ,形成所需的发生线2,故用轨迹法形成发生线需要一个独立运动。

(3)相切法

如图2.4(c)所示,用砂轮、铣刀等旋转类刀具加工时,刀具圆周上有多个切削点1 依次与工件表面相接触,除旋转运动外,刀具(或砂轮)中心还要沿某一轨迹3 运动,刀具上多个切削点在运动过程中共同形成了发生线2,故用相切法得到发生线需要两个成形运动。

(4)展成法

展成法是利用工件和刀具作展成切削运动的方法,如图2.4(d)所示,刀具切削刃为切削线1,可以是直线(齿条刀)或曲线(插齿刀),它与需要形成的发生线2的形状完全不同。切削线1 与发生线2 作无滑动的纯滚动,发生线2 即是切削线1 的一系列连续运动位置的包络线。在形成发生线2 的过程中,或者仅由切削刃1 沿着由它生成的发生线2 滚动,或者切削刃1 (刀具)和发生线2(工件)共同完成复合的纯滚动,这种运动称为展成运动。用展成法形成发生线的典型例子是渐开线。形成渐开线时,工件的旋转与刀具的旋转(或移动)必须保持严格的运动协调关系,才能形成正确的发生线(渐开线)。因此,用展成法形成发生线需要两个相互联系的运动,这两个运动组成了一个复合的展成运动。

要获得所需工件的表面形状,必须使刀具和工件按上述方法完成一定的运动,称为表面成形运动。表面成形运动中最常见的是直线运动和旋转运动,如图2.5所示,用外圆车刀车削外圆柱面,工件旋转运动B 1 相当于产生了圆周母线,车刀的纵向直线移动A 2 则产生了导线(直线)。故外圆柱面是由两个表面成形运动B 1 和A 2 实现的。当使用牛头刨床刨削平面时,如图2.6所示,滑枕带着刨刀的直线往复运动产生直母线;工作台带着工件作间隙的直线移动产生导线。

图2.5车削外圆柱面的成形运动

图2.6刨削平面的成形运动

图2.7(a)为用成形车刀车削回转体表面的情况,其母线由直线段与曲线段组合形成,这条组合线轮廓由成形车刀刀刃提供,不需要成形运动;导线由圆周运动B 1 形成。图2.7(b)为用螺纹车刀车削螺纹,其母线是由与螺纹轴向剖面形状一致的螺纹车刀的刃形本身提供;其导线为一阿基米德螺旋线,用轨迹法形成。工件的旋转运动B 11 和刀尖的直线运动A 12 按严格的运动关系复合而成,故车削螺纹为复合的成形运动。

图2.7常见典型表面的成形运动

某些零件(如螺旋桨)的表面形状十分复杂,加工时的表面成形运动也十分复杂,可分解成更多的简单或复合的成形运动。

2.1.2切削运动

在金属切削机床上切削工件时,工件与刀具之间的相对运动称为切削运动。

参见图2.5外圆车削,圆母线沿直导线运动形成了工件上的外圆表面,故工件的旋转运动和车刀的纵向直线运动就是外圆车削时的切削运动。

图2.6表示在牛头刨床上刨平面的情况,直母线沿直导线运动形成了工件上的平面,故在牛头刨床上刨平面时,刨刀的直线往复运动和工件的间歇直线运动就是切削运动。

在其他各种切削加工方法中,工件和刀具同样也必须完成一定的切削运动。切削运动通常按其在切削中所起的作用分为以下两种。

(1)主运动

使工件与刀具产生相对运动以进行切削的最基本的运动称为主运动。这个运动通常其速度最高,消耗的功率最大。例如,外圆车削时工件的旋转运动和平面刨削时刀具的直线往复运动都是主运动。金属切削加工方法中主运动通常只有一个。

(2)进给运动

使主运动能够继续切除工件上多余的金属,以便形成工件表面所需的运动称为进给运动。例如外圆车削时车刀的纵向连续直线运动(图2.5)和平面刨削时工件的间歇直线运动(图2.6)都是进给运动。进给运动可能不止一个,它的运动形式可以是直线运动、旋转运动或两者的组合。无论哪种形式的进给运动,其运动速度和消耗的功率都比主运动小。

普通机床的主运动一般只有一个,进给运动可以是一个或多个,常见机床的切削运动见表2.1。另外,机床还有吃刀、退刀和让刀等辅助运动。在普通机床上,辅助运动多为手动。

表2.1常见机床的切削运动

在切削加工中,由主运动和进给运动合成的运动称为合成切削运动。切削刃选定点相对于工件的瞬时合成切削运动的方向就是合成切削运动的方向;切削刃选定点相对于工件的合成切削运动的瞬时速度就是合成切削速度。

在切削加工过程中,工件上始终有三个不断变化着的表面,如图2.5和图2.6所示。

①待加工表面:工件上即将被切去的表面;

②过渡表面:工件上由切削刃形成的那部分表面,它在下一切削行程、刀具或工件的下一转里被切除,或者由下一切削刃切除;

③已加工表面:工件上经刀具切削掉一部分金属形成的新的零件表面。

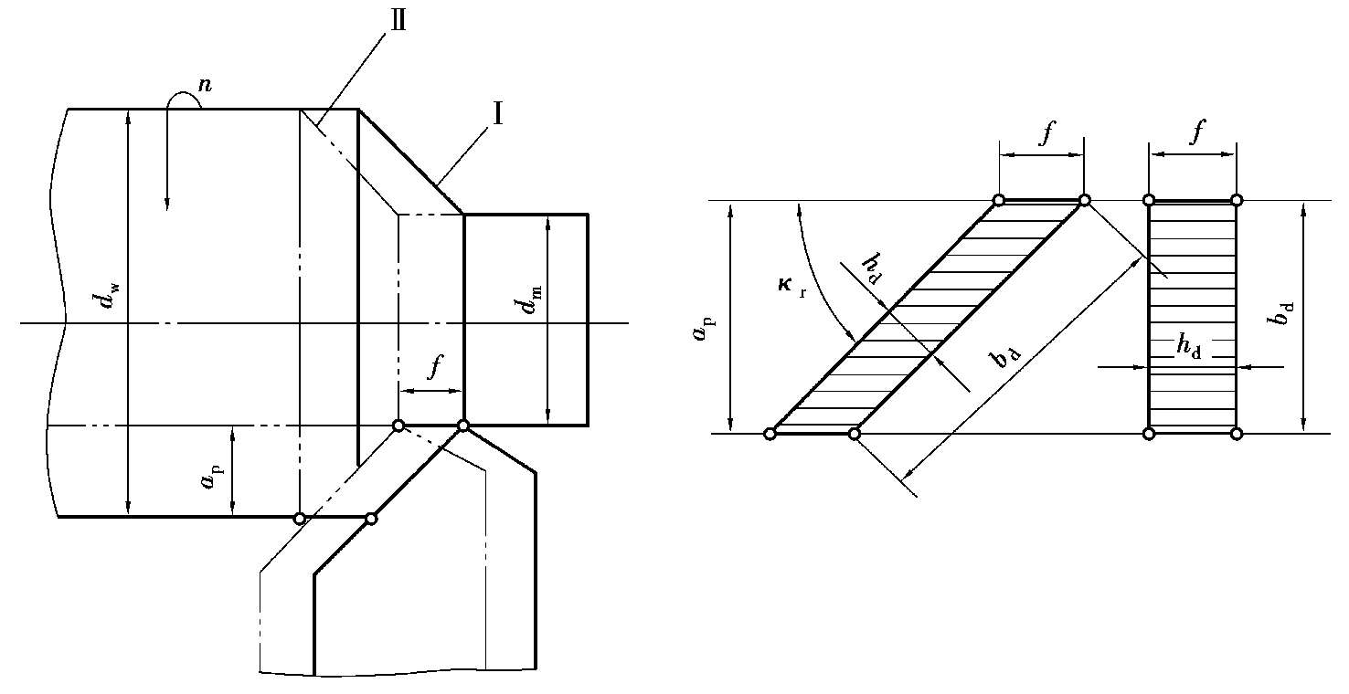
2.1.3切削层参数

在切削过程中,由刀具切削部分的一个单一动作所切除的工件材料层就是切削层。所谓刀具切削部分的一个单一动作,是指刀具切削部分切过工件的一个单程动作,或指只产生一圈过渡表面的动作。为了定义切削层及其参数,先要确定一个截面,称切削层尺寸平面,如图2.8所示。 GB/ T 12204—2010规定:通过切削刃基点并垂直于该点主运动方向的平面就是切削层尺寸平面。

图2.8切削层尺寸平面参数

有关切削层参数的定义如下:

①切削层几何参数:切削层公称横截面积A D 、切削层公称宽度b d 、切削层公称厚度h d

②切削层的工艺参数:在忽略了残留面积后,近似地认为切削层公称横截面积A D 可按下式计算:

因此,常把背吃刀量a p 和进给量f称作切削层的工艺参数。

2.1.4切削用量

在切削加工过程中,应针对不同的工件材料、刀具材料、工艺装备和其他技术经济要求等来选择适宜的切削速度v c 、进给量f或进给速度v f 值以及背吃刀量a p 值。 v c 、 f、a p 称为切削用量三要素。

(1)切削速度

大多数切削加工的主运动采用回转运动。回旋体(刀具或工件)上外圆或内孔某一点的切削速度计算公式如下:

式中v c ———切削速度,m / s或m / min;

d———工件或刀具上某一点的回转直径,mm;

n———工件或刀具的转速,r/ s或r/ min。

在实际生产中,切削速度单位常用m /s,其他加工的切削速度单位习惯用m /min。

在转速n值一定时,切削刃上各点的切削速度不同,计算时,应取最大的切削速度。如外圆车削时计算待加工表面上的速度(用d w 代入公式),内孔车削时计算已加工表面上的速度(用d m 代入公式),钻削时用钻头外径尺寸计算切削速度。

(2)进给速度、进给量和每齿进给量

进给速度v f 是单位时间的进给量,单位是mm / s(或mm / min)。

进给量f是工件或刀具每回转一周时两者沿进给运动方向的相对位移,单位是mm/ r(毫米/转)。

刨削、插削等主运动为往复直线运动的加工,可以不规定进给速度,但要规定间歇进给的进给量,其单位为mm /(d·st)(毫米/双行程)。

铣刀、铰刀、拉刀、齿轮滚刀等多刃切削工具,在它们进行工作时,应规定每一个刀齿的进给量f z ,即后一个刀齿相对于前一个刀齿的进给量,单位是mm/ z(毫米/齿)。

显而易见

(3)背吃刀量

车削和刨削加工,背吃刀量a p 为工件上已加工表面和待加工表面间沿进给运动方向垂直方向上度量的距离,单位为mm。

外圆表面车削的背吃刀量可用下式计算:

对于钻孔可用下式计算:

式中 a p ———背吃刀量,mm;

d m ———已加工表面直径,mm;

d w ———待加工表面直径,mm。 j8f0su0cQg+5eVhggEZmtLWmk31VrLqrtMZbxYez/NDJ3+r8vEqmMJSrfcDbZ31q

点击中间区域
呼出菜单
上一章
目录
下一章
×