



1.液体在管道中存在两种流动状态:___________和____________。当液流处于层流时,_______________起主导作用,液体的流动状态可用___来判断。
2.液流流经薄壁小孔的流量与___的 1 次方成正比,与___的 1 /2 次方成正比,通过小孔的流量对___不敏感。因此,薄壁小孔常用作可调节流量的节流阀。
3.液体的密度的定义是___________________。
4.通过固定平行平板缝隙流动的流量与___1 次方成正比,与___的 3 次方成正比。这说明液压元件内___的大小对其泄漏量的影响非常大。
1.简述理想液体与实际液体。
2.简述定常流动与非定常流动。
3.简述雷诺数的意义。
4.简述帕斯卡定律。
5.什么是压力?压力的表示单位有哪些?
6.简述实际液体的伯努力的物理意义,并指出实际液体的伯努力方程和理想液体的伯努力方程的区别。
7.简述气穴、气蚀现象的机理与危害以及解决措施。
8.简述液压冲击的现象的机理以及危害解决的措施。
1.已知有一个油罐的内径为D = 300 mm,长L = 1 000 mm,压力从一个标准大气压增加到10 MPa。如果假设油罐不变形和没有油液泄漏,问压缩量是多少?
2.一个潜水员在太平洋距离水面 400 m处工作。如果海水的密度为ρ = 1 000 kg/ m 3 ,问潜水员受到的压力为多少?
3.在如图 2.23 所示的液压千斤顶中,人施加的力量为T = 3 000 N,大小活塞的面积分别为A 2 = 5 × 10 -3 m 2 ,A 1 = 1 × 10 -3 m 2 ,压力损失不计。试计算:
(1)在小活塞上作用的力F 1 以及产生的系统压力p。
(2)如果重物G = 200 000 N,问此时系统压力p为多少?施加的力T应是多少?
图 2.23 题 3 图
4.两个相距 1 mm的平板,用液体充满,下平板固定,上平板在 2 N/ m 2 的作用下以 0.25 m / s的速度移动,求该液体的黏度。
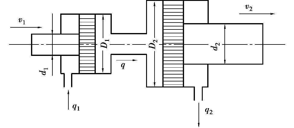
5.如图 2.24 所示为两个液压缸串联。大小活塞分别为D 2 = 125 mm,D 1 = 75 mm;大小活塞杆直径分别为d 2 = 40 mm,d 1 = 20 mm。若流量q = 25 L/ min,求v 1 ,v 2 ,q 1 ,q 2 。
图 2.24 题 5 图
6.如图 2.25 所示,液压泵从油箱吸油,泵距离油面高度为 0.4 m,泵的流量为 25 L/ min,吸油管内径为d = 30 mm。假设滤油器以油管的压力损失为 3 × 10 4 Pa,油液的密度为 950 kg/ m 3 ,求泵入口处的真空度。
7.如图 2.26 所示的柱塞,直径d = 22 mm,缸套的直径D = 22 mm,长l = 70 mm,柱塞在力F =50 N的作用下向下运动。如果缸套与柱塞同心,油液的动力黏度为μ = 0.784 × 10 -6 Pa·s,求柱塞下落 0.1 m所需的时间。
在如图 2.27 所示的活塞上有一个小孔,其内径为d,活塞面积为A,其下部的油腔充满了油液,油液的密度为ρ,流量系数为C d ,忽略系统的摩擦力,不考虑泄漏。试分析重物(质量为M)的下降速度。
图2.25 题 6 图
图 2.26 题 7 图
图 2.27 分析题图