



力及压力是智能制造中最常见的被控量之一,在航天、航空、电力、水利、石油化工、机械、军工、医疗、纺织、汽车、煤炭、地震监测等需要进行智能控制的行业,都有力及压力检测方面的需求。测量力及压力主要是为了了解生产设备的受力状况及其运行的安全状况,进而确保工业生产的安全进行,以实现生产过程的智能、安全和高效。
1.电阻应变效应
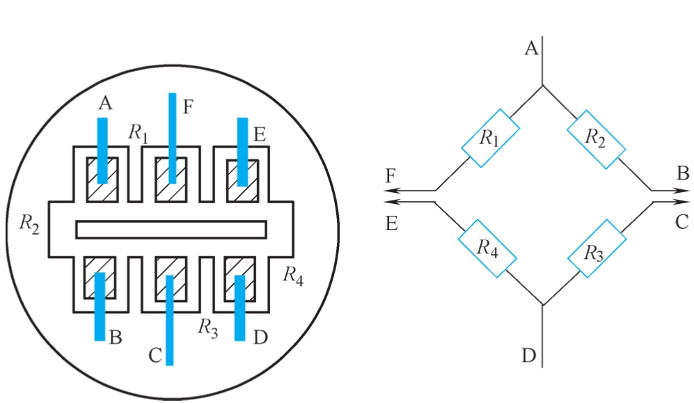
导体或半导体材料在外力作用下产生机械变形时,它的电阻值也会发生相应的变化,这一物理现象称为电阻应变效应。应变式力传感器就是利用应变片受力后产生形状的改变,从而导致其电阻值的改变这一物理现象来实现力的测量。如图2-7所示为最常用的应变片电阻电桥电路,其电源为 U 、输出为 U o 。
2.应变片分类
根据应变片的材质,主要有金属和半导体两大类应变片。金属电阻应变片的结构形式有丝式、箔式和薄膜式三种。如图2-8a所示为丝式应变片,它是将金属丝按图示形状弯曲后再用黏合剂贴在基底上,基底可分为纸基、胶基和纸浸胶基等。电阻丝两端焊有引出线,使用时只要将应变片贴于弹性体上就可构成应变式传感器。如图2-8b所示为箔式应变片,该类应变片的敏感栅是通过光刻、腐蚀等工艺制成。箔栅厚度一般为0.003~0.01mm。箔式应变片与丝式应变片比较,其优点是导体截面面积大,散热性好,允许通过较大的电流。
图2-7 应变片电阻电桥电路
图2-8 金属电阻应变片结构
a)丝式 b)箔式
电容式传感器的基本工作原理可以用如图2-9所示的平板电容器来说明,设两极板相互覆盖的有效面积为 A (m 2 ),两极板间的距离为 d (m),极板间介质的介电常数为 ε (F·m -1 ),在忽略板极边缘影响的条件下,平板电容器的电容 C (F)为
图2-9 平板电容
由式(2-11)可以看出, ε 、 A 、 d 三个参数都直接影响着电容 C 的大小。如果保持其中两个参数不变,而使另外一个参数改变,则电容就将发生变化。如果变化的参数与被测量之间存在一定的函数关系,那么被测量的变化就可以直接由电容的变化反映出来,例如改变极板面积、极板距离、介电常数都可以实现。
电容式力及压力传感器是利用被测量的变化引起电容的变化这一物理现象来实现力或者压力的测量的。它具有结构简单、灵敏度高、动态响应特性好、适应性强、抗过载能力大及价格低廉等优点。因此,可以用来测量压力、位移、振动、液位等参数。
2-2 压阻式传感器
1.压阻效应
单晶硅材料在受力作用后,电阻率将随作用力而变化,这种物理现象称为压阻效应。半导体材料电阻的变化率Δ R/R 主要由Δ ρ/ρ 引起,即取决于半导体材料的压阻效应,所以可以用下式表示
式中, π 为压阻系数; σ 为压应力; ρ 为半导体材料的电阻率。
在弹性变形限度内,硅的压阻效应是可逆的,即在应力作用下硅的电阻会发生变化,而当应力撤除时,硅的电阻又恢复到原来的数值。硅的压阻效应因晶体的取向不同而不同。压阻式传感器就是利用被测压力的变化引起压阻薄膜的变形,从而导致膜电阻值的改变这一物理现象来实现压力的测量的。
压阻式传感器的核心是硅膜片,通常多选用N型硅晶片作为硅膜片,在其上扩散P型杂质,形成4个阻值相等的电阻条。图2-10是硅膜片芯体的结构图。将芯片封装在传感器的壳体内,再连接出电极引线,就制成了典型的压阻式传感器。
2.压力测量
压阻式压力传感器的结构如图2-11所示。传感器硅膜片两边有两个压力腔。一个是和被测压力相连接的高压腔,另一个是低压腔,通常和大气相通。当膜片两边存在压力差时,膜片上各点存在应力。膜片上的4个电阻的阻值会在应力作用下发生变化,从而导致电桥失去平衡,其输出的电压与膜片两边的压力差成正比。
图2-10 硅膜片芯体的结构图
图2-11 压阻式压力传感器结构图
1—硅杯 2—高压腔 3—低压腔 4—硅膜片 5—引线
1.压电效应
某些晶体在一定方向受到外力作用时,内部将产生极化现象,相应地在晶体的两个表面产生符号相反的电荷,当撤走外力后,又恢复到不带电状态,且当作用力方向改变时,电荷的极性也随之改变,这种现象称为压电效应。具有压电效应的物质很多,如石英晶体、压电陶瓷、压电半导体等。
天然石英晶体如图2-12所示,它为规则的六角棱柱体,有三个晶轴: Z 轴又称光轴,它与晶体的纵轴线方向一致; X 轴又称电轴,它通过六面体相对的两个棱线并垂直于光轴; Y 轴也叫机械轴,它垂直于两个相对的晶柱棱面。
图2-12 天然石英晶体
a)外形 b)坐标轴 c)切片
从晶体上沿 X 、 Y 、 Z 轴线切下一片平行六面体的薄片,称为晶体切片(见图2-12c)。当沿着 X 轴对压电晶片施加力时,将在垂直于 X 轴的表面上产生电荷,这种现象称为纵向压电效应。沿着 Y 轴施加力的作用时,电荷仍出现在与 X 轴垂直的表面上,称为横向压电效应。当沿着 Z 轴方向受力时不产生压电效应。石英晶片受压力或拉力时,电荷的极性如图2-13所示。
图2-13 晶片受力方向与电荷极性的关系
压电式压力传感器是利用被测压力的变化引起传感器感应电荷量的变化,从而导致传感器敏感元件输出电压的改变这一物理现象来实现测量的,它是一种自发电型传感器,属于有源元件,但自身产生的电荷是个微小的量,需要进行前置放大。
2.压电式传感器的其他应用
压电式传感器可用于力、压力、速度、加速度、振动等许多非电学量的测量,可制成力传感器、压力传感器、振动传感器等。图2-14所示的5100系列力传感器是一种利用石英晶体的纵向压电效应,将“力”转换成“电荷”,通过二次仪表转换成电压的压电式力传感器。它具有气密性好、硬度高、刚度大、动态响应快等优点。目前,5110、5112、5114和5115力传感器已组成各种锤头(钢、铝、尼龙、橡胶)型测力锤,可以测量动态力、准静态力和冲击力。
图2-14 5100系列压电式传感器外形图