



磁电传感器是一种能够将磁感应信号转换为电信号的器件,常用于机械测试及自动化测量的领域中。
图3-15所示为磁电传感器的连接关系。从图中可以看出,该磁电传感器采用的是霍尔传感器作为磁场测控器件。霍尔传感器是一种特殊的半导体器件,能够直接感知外界变化的磁场,并将其转换为电信号。
图3-15 磁电传感器的连接关系
图3-16所示为无磁铁靠近时磁电传感器的控制关系。无磁铁靠近时,磁电传感器IC1、IC2的③脚输出高电平,继电器K线圈不能得电,常开触点K-1处于断开状态,使晶体管VT1截止;同时晶体管VT2也截止,U0端输出低电平。
图3-16 无磁铁靠近时磁电传感器的控制关系
图3-17所示为磁铁靠近磁电传感器IC1时的控制关系。当磁铁靠近磁电传感器IC1时,磁电传感器IC1的③脚输出低电平,经电阻器R3加到晶体管VT2的基极,此时基极电压低于发射极电压,晶体管VT2导通,U0端输出高电平;同时为继电器K线圈提供电流,继电器K线圈得电,常开触点K-1闭合,晶体管VT1的发射极接地,基极电压为高电平,高于发射极电压,晶体管VT1导通,即使磁铁离开磁电传感器IC1,仍能保持晶体管VT2的导通。
当磁铁离开磁电传感器IC1靠近IC2时,磁电传感器IC1的③脚输出高电平,IC2的③脚输出低电平,稳压二极管将VT1基极钳位在低电平,进而使晶体管VT1截止,继电器K线圈失电,常开触点K-1复位断开。此时晶体管VT2的基极变为高电平,VT2截止,U0端输出低电平。
图3-17 磁铁靠近磁电传感器IC1时的控制关系
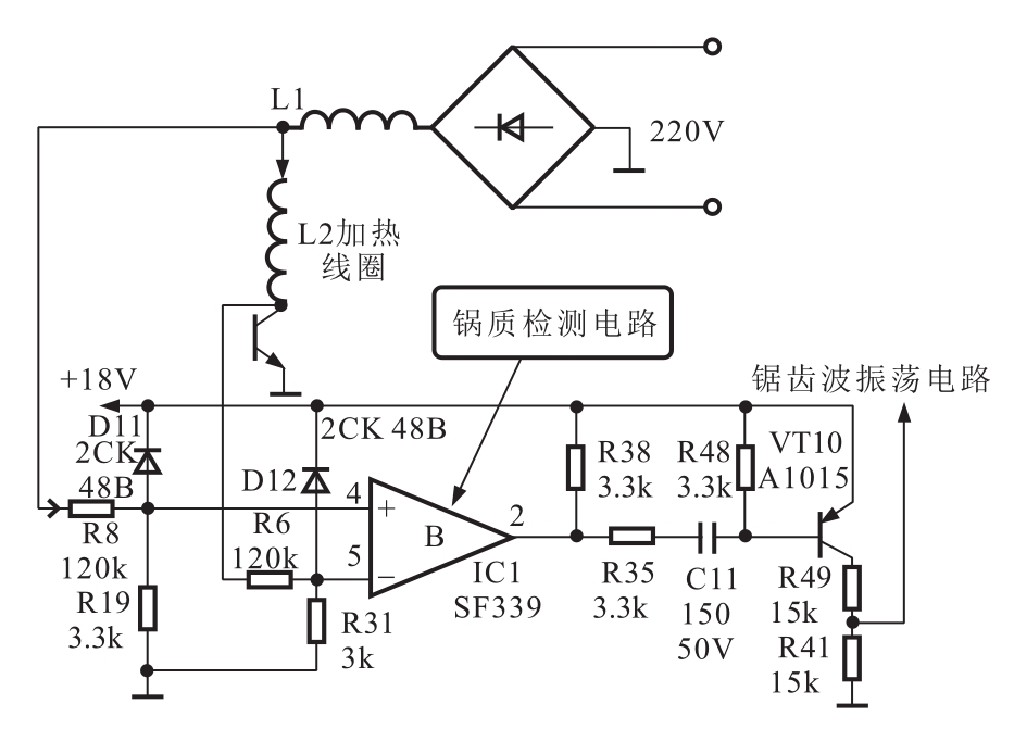
图3-18所示为电磁炉的锅质检测电路。锅质检测是靠炉盘的感应电压(电动势)实现的。
图3-18 电磁炉的锅质检测电路
工作时,交流220V经桥式整流堆输出300V的直流电压,300V的直流电压经过平滑线圈L1,将电压送到炉盘线圈L2上。炉盘线圈L2的工作受IGBT的控制,IGBT的开、关控制在炉盘线圈里面就变成了开、关的电流变化(即高频振荡的开、关电流)。
当锅放到炉盘上,锅本身就成了电路的一部分。当锅靠近加热线圈时,由于锅是软磁性材料,很容易受到磁化的作用,有锅和没有锅,以及锅的大小、厚薄,都会对加热线圈的感应产生一定的影响。从炉盘线圈取出一个信号经过电阻R6送到电压比较器(锅质检测电路)SF339的⑤脚。SF339是一个集成电路,它由4个比较器构成。SF339的④脚和⑤脚分别有正号和负号的标识,其中正号表示同向输入端(即输入信号和输出信号的相位相同),负号表示反向输入端(即输出信号和输入信号的相位相反)。以④脚的电压为基准,若线圈输出信号有变化,就会引起⑤脚输入的电压发生变化。如果⑤脚的输入电压低于④脚,那么电压比较器SF339②脚的输出电压就是高电平;如果⑤脚的电压升高超过了④脚的电压,那么SF339②脚的输出电压就会变成低电平。因此,如果SF339②脚输出的电压发生变化,就表明被检测的物质发生变化。锅质检测电路输出的信号经过晶体管VT10,会将变化的信号放大,然后用放大的信号去控制锯齿波振荡电路,这就是这种电压比较器(锅质检测电路)的工作过程。