



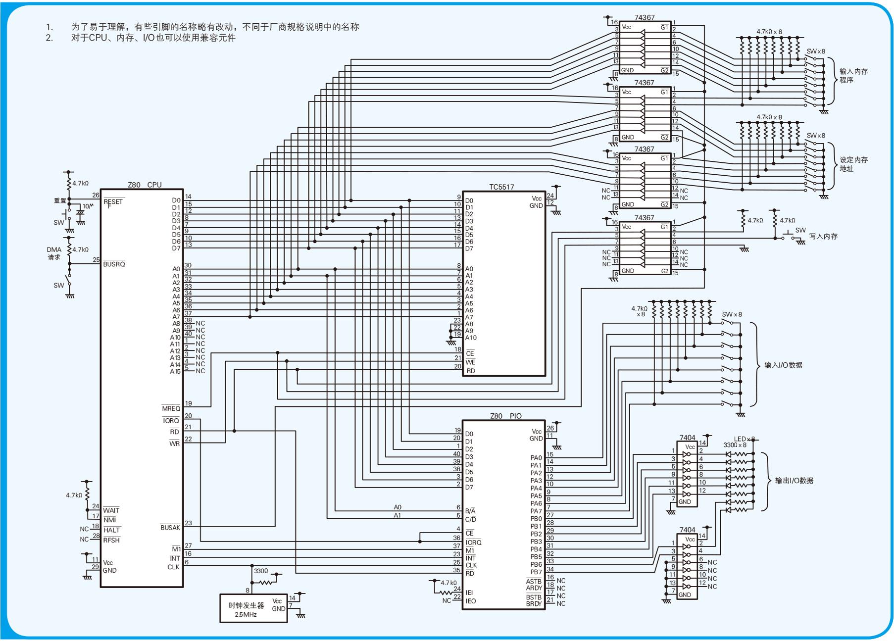
   首先让我们来收集元件吧。制作微型计算机所需的基础元件只有 3 个,CPU、内存和 I/O,每种元件都是作为一块独立的 IC 在市场上出售的。CPU 是计算机的大脑,负责解释、执行程序。内存负责存储程序和数据。I/O 是 Input/Output(输入/输出)的缩写,负责将计算机和外部设备(周边设备)连接在一起。
这里我们使用 Z80 CPU 作为微型计算机的 CPU、TC5517 作为内存、Z80 PIO 作为 I/O。Z80 CPU 是一款古老的 CPU,在 NEC 的 PC-8801、SHARP 的 MZ-80 等 8 比特计算机广泛应用的时代,曾以爆炸般的速度普及过。TC5517 是可以存储 2K 的 8 比特数据的内存。在计算机的世界里,K 表示 2 10 = 1024。TC5517 的容量是 8 比特 ×2×1024 = 16384 比特,即 2K 字节。虽然这点容量与诸位所使用的个人计算机比起来相差悬殊,但是对于用于学习的微型计算机来说是绰绰有余了。Z80 PIO 作为 I/O,经常与 Z80 CPU 一起使用。正如其名,PIO(Parallel I/O,并行输入/输出)可以在微型计算机和外部设备之间并行地(一排一排地)输入输出 8 比特的数据。在计算机爱好者们沉浸在制作微型计算机的那个年代,这些元件都是常见的 IC。这里要先跟诸位打声招呼,这里制作的微型计算机终归只是用于学习的模型,并没有什么实用的价值。
    图2.1 Z80 微型计算机的电路图
为了制作微型计算机,除了 CPU、内存和 I/O,还需要若干辅助元件。
为了驱动 CPU 运转,称为“时钟信号”的电信号必不可少。这种电信号就好像带有一个时钟,滴答滴答地每隔一定时间就变换一次电压的高低(如图2.2 所示)。输出时钟信号的元件叫作“时钟发生器”。时钟发生器中带有晶振,根据其自身的频率(振动的次数)产生时钟信号。时钟信号的频率可以衡量 CPU 的运转速度。这里使用的是 2.5MHz(兆赫兹)的时钟发生器。
    图2.2 时钟信号的波形图
用于输入程序的装置也是必不可少的。在这里我们通过拨动指拨开关来输入程序,指拨开关是一种由 8 个开关并排连在一起构成的元件(如照片 2.1(a) 所示)。输出程序执行结果的装置是 8 个 LED(发光二极管)。到此为止,主要的元件就都备齐了。
剩下的就都是些细碎的元件了。表2.1 是所需元件的一览表,里面也包含了之前介绍过的元件。请诸位粗略地浏览一遍。所需元件表中的 74367 和 7404 也是 IC,用于提高连接外部设备时的稳定性。
表2.1 本次用到的制作微型计算机的元件
   电阻是用于阻碍电流流动、降低电压值的元件。为了省去布线的麻烦,这里也会使用将 8 个电阻集成到 1 个元件中的集成电阻(如照片 2.1(b) 所示)。电阻的单位是 Ω(欧姆)。电容是存储电荷的元件,衡量存储电荷能力的单位是 F(法拉)。要让微型计算机运转起来,5V(伏特)的直流电源是必不可少的。于是还需要使用一个叫作“开关式稳压电源”的装置,将 220V 的交流电变成 5V 的直流电。
    照片 2.1 指拨开关和集成电阻