购买
下载掌阅APP,畅读海量书库
立即打开
畅读海量书库
扫码下载掌阅APP

任务3
Proteus 8.10仿真软件的使用

在80C51单片机开发过程中,Keil C51是程序设计开发平台,利用它可以进行程序的编译与调试,但不能直接进行硬件仿真。Proteus软件具有交互式仿真功能,它不仅是模拟电路、数字电路、模/数混合电路的设计与仿真平台,更是目前世界上最先进、最完整的多种型号微处理器系统的设计与仿真平台。如果将Keil C51软件和Proteus软件有机地结合起来,那么80C51单片机的设计与开发将在软/硬件仿真上得到完美的结合。

Proteus软件由ISIS(Intelligent Schematic Input System)和ARES(Advanced Routing and Editing Software)两个软件构成,其中ISIS是一款智能原理图输入软件,可作为电子系统仿真平台;ARES是一款高级布线编辑软件,可用于设计制作印制电路板(PCB)。由于篇幅有限,本书并不详细介绍Proteus ISIS和Proteus ARES的使用方法,读者可以参考本书编者编写的《基于Proteus的51系列单片机设计与仿真(第4版)》一书。

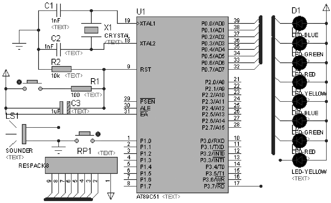
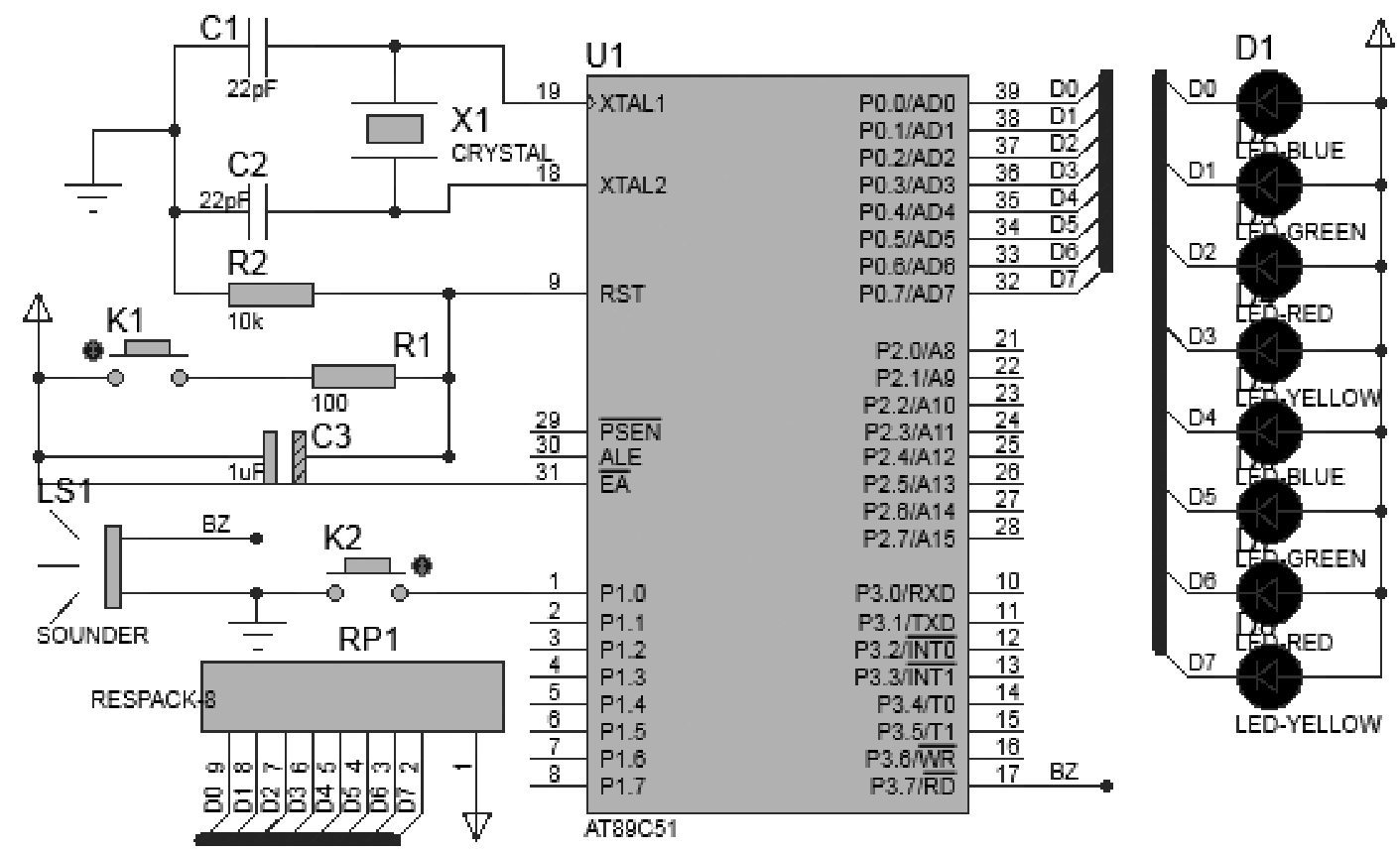
与项目一任务1中的P_test.c源程序对应的原理图如图1-16所示。本节以此图为例,简单介绍Proteus ISIS的使用方法。

图1-16 与P_test.c对应的原理图

1.新建项目

在桌面上双击图标 ,打开Proteus 8 Professional启动界面,如图1-17所示。单击工具栏中的图标 ,打开Proteus 8 Professional窗口,如图1-18所示。执行菜单命令“File”→“New Project”,弹出“New Project Wizard:Start”对话框,如图1-19所示。在此对话框中可以设置项目名(Name)及项目保存路径(Path)。

图1-17 Proteus 8 Professional启动界面

图1-18 Proteus 8 Professional窗口

图1-19 “New Project Wizard:Start”对话框

设置项目名及保存路径后,单击“Next”按钮,弹出“New Project Wizard:Schematic Design”对话框,如图1-20所示。在此对话框中,可以进行原理图模板设置。若选中“Do not create a schematic”选项,表示不再新建原理图;若选中“Create a schematic from the selected template”选项,表示新建原理图,并从列表中选择合适的模板样式。其中,横向图纸为“Landscape”,纵向图纸为“Portrait”,“DEFAULT”表示默认模板。A0~A4 为图纸尺寸大小(A4的尺寸最小,A0的尺寸最大)。

图1-20 “New Project Wizard:Schematic Design”对话框

在此选中“Create a schematic from the selected template”选项,选中“DEFAULT”,单击“Next”按钮,弹出“New Project Wizard:PCB Layout”对话框,如图1-21所示。在此对话框中可以进行PCB版图设置。若选中“Do not create a PCB layout”选项,表示不再新建PCB版图;若选中“Create a PCB layout from the selected template”选项,表示新建PCB版图,并从列表中选择合适的版图样式。

图1-21 “New Project Wizard:PCB Layout”对话框

在“New Project Wizard:PCB Layout”对话框中选中“Do not create a PCB layout”选项(不创建PCB版图),单击“Next”按钮,弹出“New Project Wizard:Firmware”对话框,如图1-22所示。在此对话框中可以进行固件设置。若选中“No Firmware Project”选项,表示选择项目中不包含固件;若选中“Create Firmware Project”选项,表示选择创建包含固件的项目,并可设置相应的固件系列(Family)、控制器(Contoller)和编译器(Compiler)。

图1-22 “New Project Wizard:Firmware”对话框

在“New Project Wizard:Firmware”对话框中选中“No Firmware Project”选项,单击“Next”按钮,弹出“New Project Wizard:Summary”对话框,如图1-23所示。在此对话框中显示选择保存路径为“E:\BOOK\MCU\51单片机C语言程序设计经典实例(第3版)\程序及仿真\项目一单片机系统的软、硬件开发环境\P_test”,保存项目名为“P_test”。文件保存后,在Proteus 8 Professional窗口的标题栏上显示为“P_test”。

图1-23 “New Project Wizard:Summary”对话框

2.为设计项目添加电路元器件

本例中使用的元器件见表1-4。注意,由于Proteus 8 Professional元器件库中没有STC89C51RC单片机,所以本书中用AT89C51取代STC89C51RC单片机进行程序仿真。

表1-4 本例中使用的元器件

在元器件选择按钮 中单击“P”按钮,或者执行菜单命令“Library”→“Pick Device/Symbol”,弹出“Pick Devices”对话框,如图1-24所示。在此对话框中,添加元器件的方法有以下两种。

图1-24 “Pick Devices”对话框

在“Keywords”栏中输入元器件名称(如AT89C51),则出现与关键字匹配的元器件列表,如图1-25所示。选中并双击AT89C51所在行后,单击“OK”按钮或按“Enter”键,便将器件AT89C51加入ISIS对象选择器中。

图1-25 输入元器件名称

在元器件类列表中选择元器件所属类,然后在子类列表中选择所属子类;如果对元器件的制造商有要求,则在制造商列表中选择期望的厂商,即可在元器件列表区域得到相应的元器件。

按照以上方法将表1-4中所列的元器件添加到ISIS对象选择器中。

3.放置、移动、旋转、删除对象

将元器件添加到ISIS对象选择器后,在对象选择器中单击要放置的元器件,蓝色条出现在该元器件名上,然后在原理图编辑窗口中单击鼠标左键,即可放置一个元器件;也可以在按住鼠标左键的同时,移动光标,当光标移至合适位置时释放鼠标左键,将元器件放置在预定位置上。

若要在原理图编辑窗口中移动元器件或连线,可以用鼠标右键单击对象,使元器件或连线处于选中状态(默认情况下为红色),再按住鼠标左键并拖曳,元器件或连线就跟随指针移动,到达合适位置后,释放鼠标左键即可。

放置元器件前,单击要放置的元器件,蓝色条出现在该元器件名上,单击方向工具栏上相应的转向按钮可旋转元器件,然后在原理图编辑窗口中单击,即可放置一个已经更改方向的元器件。如果在原理图编辑窗口中需要更改元器件方向,可单击选中该元器件,再单击块旋转图标 ,在弹出的对话框中输入旋转的角度,即可更改元器件方向。

如果在原理图编辑窗口中需要删除元器件,用鼠标右键双击该元器件即可;或者先单击选中该元器件,再按下键盘上的“Delete”键,也可以删除元器件。

通过放置、移动、旋转、删除元器件,即可将元器件放置在原理图编辑窗口中合适的位置上,如图1-26所示。

图1-26 将元器件放置在原理图编辑窗口中合适的位置上

4.放置电源、地

单击工具箱中元件终端图标 ,在对象选择器中单击“POWER”,使其出现蓝色条,然后在原理图编辑窗口的合适位置单击,即可将电源图标放置在原理图中。同样,在对象选择器中单击“GROUND”,然后在原理图编辑窗口的合适位置单击,即可将接地图标放置在原理图中。

5.布线

在原理图编辑窗口中没有专门的布线按钮,但系统默认自动布线 有效,因此可直接绘制连线。

在两个对象间绘制连线的方法如下所述。

(1)将光标靠近一个对象引脚末端,该处自动出现一个“ ”,单击鼠标左键。

(2)拖曳鼠标,将光标靠近另一对象的引脚末端,当该端出现一个“ ”时,单击鼠标左键即可绘制一条连线,如图1-27(a)所示;若想手动设定布线路径,可在拖曳鼠标过程中在想要拐弯处单击,设定布线路径,到达绘制连线的另一端处单击鼠标左键,即可绘制一条连线,如图1-27(b)所示;在拖曳鼠标过程中,按住“Ctrl”键,在连线的另一端出现一个“ ”时,单击鼠标左键,即可手动绘制一条任意角度的连线,如图1-27(c)所示。

图1-27 布线

移动布线、更改线型的方法如下所述。

(1)单击鼠标左键选中连线,将光标靠近该布线,该线出现双箭头,如图1-27(d)所示。

(2)按住鼠标左键不放,拖曳鼠标,该布线就跟随光标移动。

(3)若要多根线同时移动,可先框选这些线,再单击“块移动”按钮 ,拖曳鼠标,在合适位置单击鼠标左键,即可改变线条的位置。

绘制总线的方法如下所述。

(1)将光标靠近一个对象引脚末端,该处自动出现一个“ ”,单击鼠标左键。

(2)拖曳鼠标,在合适位置双击鼠标左键,即可绘制出一条直线。

(3)若要将该线设置为总线,应选中该线,单击鼠标右键,从弹出的菜单中选择“Edit Wire Style”选项,如图1-28(a)所示。在弹出的“Edit Wire Style”对话框的“Global Style”栏中选择“BUS WIRE”即可,如图1-28(b)所示。绘制的总线如图1-29所示。

绘制总线分支线的方法如下所述。

(1)将光标靠近一个对象引脚末端,该处自动出现一个“ ”,单击鼠标左键。

(2)拖曳鼠标,在靠近总线的合适位置双击鼠标左键,绘制出一条直线。

(3)将光标靠近该直线末端,该处自动出现一个“ ”,单击鼠标左键。

(4)在按住“Ctrl”键的同时拖曳鼠标,当总线出现一个“ ”时,单击鼠标左键,即可绘制一个分支线,如图1-30所示。

图1-28 总线绘制方法

图1-29 绘制的总线

图1-30 分支线的绘制方法

(5)在工具箱中单击 图标,然后在总线或各分支线上单击鼠标左键,弹出如图1-31所示的对话框。在“Label”选项卡的“String”栏中输入相应的线路标号,如总线为AD[0..7] (表示有AD0~AD7共8根数据线),分支线为AD0、AD1等。

6.设置、修改元器件属性

在需要修改属性的元器件上单击鼠标右键,从弹出的菜单中选择“Edit Properties”,或者按快捷键“Ctrl”+“E”,弹出“Edit Component”对话框,在此对话框中设置相关信息,如修改电容值为22pF,如图1-32所示。

图1-31 线路标号

图1-32 “Edit Component”对话框

7.编辑设计原理图界面

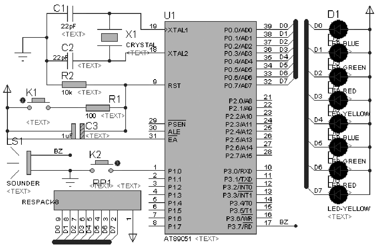
根据以上的步骤和方法,在原理图编辑窗口中绘制如图1-16所示的电路图后,可以将不需要显示的一些信息隐藏起来,使整个界面变得简洁、清爽。执行菜单命令“View”→“Toggle Grid”,可以隐藏界面中的网格;执行菜单命令“Template”→“Set Design Defaults”,在弹出的对话框中选中“Show hidden text?”选项,可以隐藏元器件的文本内容。编辑好的单片机系统仿真原理图如图1-33所示。

8.单片机程序仿真

在原理图中双击AT89C51单片机,弹出“Edit Component”对话框,如图1-34所示。单击“Program File”栏右侧的 按钮,添加项目一任务2中由Keil C51生成的P_test.hex文件。在“Clock Frequency”栏中设置单片机的工作频率为12MHz。设置好后,单击“OK”按钮,保存原理图,并回到原理图编辑界面。单击仿真按钮,即可进行单片机程序仿真。

说明 在仿真过程中 元器件的某些引脚上显示红色的小方点 表示该引脚为高电平状态 引脚上显示蓝色的小方点 表示该引脚处于低电平状态

图1-33 编辑好的单片机系统仿真原理图

图1-34 “Edit Component”对话框 Qc3a2/YRJYcyiSblCvcshzwb8rw867a1y/zE6BtoS2H2BpJCxqU7e555FYKsvjKH

点击中间区域
呼出菜单
上一章
目录
下一章
×