



掌握基础电器元件、欧姆定律等知识,以及在汽车电路中的应用;
掌握继电器、二极管、三极管在汽车电路中的应用;
掌握汽车电路读图的基本方法;
熟练使用工具、仪器检测基础汽车电路;
培养社会主义核心价值观。
科学上把单位时间里通过导体任一横截面的电量叫作电流强度,简称电流。电流符号为I,单位是安培(A),简称“安”。导体中的自由电荷在电场力的作用下做有规则的定向运动就形成了电流。
汽车电路检测有时也需要检测线路中的电流。比如通过测量休眠电流判断蓄电池是否漏电;通过测量汽车起动电流,分析发动机气缸压力是否正常。电流的检测如图1-1所示。
图1-1 电流的检测
Fig.1-1 Current detection
在静电学里,电势(又称为电位)定义为:处于电场中某个位置的单位电荷所具有的电势能。电势只有大小,没有方向,是标量,其数值不具有绝对意义,只具有相对意义。
零点电位点,即选定的计算电位的起点。可选电路中任意一点作参考点,令其电位为零。习惯上,常规定大地的电位为零。也可以是机器的外壳,许多元件的交汇点。
电位与电压(电位差)之间的关系,电路中任何一点的电位等于该点与参考点之间的电压。电路中某点的电位因参考点不同可能有不同的值,两点间的电压与参考点无关,电压是任意两点之间的电位差。
用正、负极概念,无法准确解释我们平常检测到的各种现象,就需要理解电位的概念,以汽车蓄电池为例,两个桩极,一端12V,另一端0V,那12V的电位,要比0V的电位高,称12V是高电位,0V是低电位,负极的电位比正极低。电压的检测如图1-2所示。
图1-2 蓄电池电压的检测
Fig.1-2 Battery voltage detection
电流在通过用电器或者导体时,都会受到一定的阻力,在一定电位差的作用下,电路克服这种阻力顺利通过用电器,但流过该用电器后,电压下降了,电阻越大,电压下降得就越多,这种在流过用电器(导体)后产生的电压大小的差别就是电压降。
电路中每一个组成部分都会产生电压降,如图1-3所示,该电路中灯产生光和热,所以有最大的电压降,可变电阻器根据调节灯光亮度产生小的电压降,其他元器件(保险丝,导线,线束等)也都会产生很小的电压降。电压降的测量方法如图1-3所示。
图1-3 电压降的含义
Fig.1-3Voltage drop
注:VOLTS——伏特;图中电路符号——左为日系车,右为德系车。
一般来说在所有电路中,电压损失最大为电源电压的3%,那么在12V电源的汽车上最大电压降应为0.36V,在电路中如果电压降超过0.40V,为电路中存在异常,即有高电阻存在。电压降测试法可以应用于任何电路,是电路检测中非常重要的方法。
(1)电阻的作用
①分压、调节电流大小。例如风扇转速的调节、仪表灯光的微调。
②作为加热元件,最直观的是后窗除雾,如图1-4所示。
图1-4 汽车后窗除雾
Fig.1-4 Defogging of rear windshield
(2)电阻的种类
①固定电阻器,电阻的阻值固定不变。测量方式如图1-5所示。
②可变电阻器,改变滑动端子的位置来改变电阻值,使得电路电压及电流升高或降低,达到控制灯光亮度的效果。灯光调节如图1-6所示。
图1-5 电阻的测量
Fig.1-5 Resistance detection
图1-6 滑动电阻器实现灯光亮度调节
Fig.1-6 Light tuning by sliding rheostat
③分接式电阻器,在电阻的路径上有多个分接点,每个分接点的电阻值不同,如图1-7所示。可以实现如空调系统中鼓风机的转速控制。
图1-7 分接式电阻实现鼓风机转速控制
Fig.1-7 Blower speed regulation by series resistor
④电位计,如图1-8所示,通过浮子和机械机构的位置移动改变滑动端子位置,改变电阻和电路的电压,即将油位转换为电压信号V,反馈给ECU,并通过仪表盘显示油位。
⑤热敏电阻,电阻值随着温度的改变而改变的一种特殊的电阻。通常可以分为正温度系数的热敏电阻PTC(温度升高阻值增大)和负温度系数(温度升高阻值降低)的热敏电阻NTC。在汽车中,通常用来检测温度的大多数使用NTC电阻。负温度系数的热敏电阻的特性如图1-9所示。
图1-8 电位计
Fig.1-8 Potentiometer
图1-9 NTC 电阻特性
Fig.1-9 NTC resistance characteristic
电感器也称为线圈,如图1-10所示,是导线绕成一系列的环。电感的磁场变化特性在汽车上应用广泛,如点火线圈、电磁阀、继电器等。
(1)电磁铁,在线圈中心包一个铁心,通过电流,即可产生电磁铁的效果,如图1-11所示。
图1-10 电感
Fig.1-10 Inductor
图1-11 电磁铁
Fig.1-11 Electromagnet
(2)点火线圈,当一线圈中的电流发生变化时,在临近的另一线圈中产生感应电动势,在次级线圈产生高压电,汽车点火系统中的点火线圈就应用此原理。如图1-12所示,点火线圈符号中可以看到线圈和铁心。
图1-12 点火线圈
Fig.1-12 Ignition coil
(3)继电器
如图1-13所示继电器的符号可以看出,继电器就是线圈加开关构成,当线圈通电,控制开关开启或闭合。
图1-13 继电器
Fig.1-13 Relay
继电器的控制电路,如图1-14所示。控制电路中继电器的线圈通电,触点被吸合,执行回路中灯泡或电机工作。
图1-14 继电器控制电路
Fig.1-14 Control circuit by relay
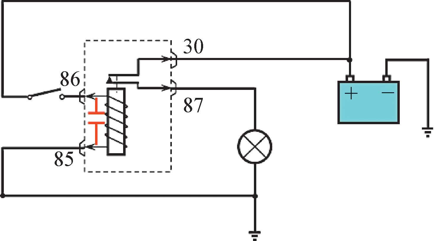
汽车上的继电器现在大多由ECU控制,如图1-15所示,小电流经由开关到85和86端子接通并通过ECU搭铁,继电器线圈工作;线圈产生磁场将触点吸住导通;大电流经由触点流向电灯泡。
图1-15 继电器控制灯泡电路
Fig.1-15 L ight control by relay
汽车电路中,常需要实现电机正反转,如电动车窗、中控锁电路等,常用的就是利用继电器搭建H型电路。如图1-16所示,当开关全部断开时,左右两只继电器的30与87a接通,电路接地,电位相同,形成防止因震动导致的电机自行运动,即电机产生阻尼刹车;当左边开关导通时,左边继电器30和87导通,电机中电流从左到右,通过右边继电器接地,电机正转;当右边开关导通时,右边继电器30和87导通,电机中电流从右到左,通过左边继电器接地,电机反转。
图1-16 继电器控制电机正反转电路
Fig.1-16 Relay circuitin the motor positive and reversion
电容的单位是法拉(Farad),简写成F,1法拉的定义为:当电容充1V的电压时,电容极板间存满1库伦的电量,1F=10 6 μF。电容在任何电子电路中都有。电容的符号如图1-17所示。
图1-17 电容
Fig.1-17 Capacitor
通常电容不会单独出现在电路中,而是在一些元器件或ECU中,如发电机、发动机控制单元、继电器中。其主要功能是滤波,以及消除自感应电动势,继电器线圈中加装电容器,能有效降低自感应电动势,降低对电子设备的干扰。如图1-18所示。
图1-18 带保护电容的继电器
Fig.1-18 Relay with capacitor
二极管是用半导体材料(硅、硒、锗等)制成的一种电子器件。它具有单向导电性能,即给二极管阳极和阴极加上正向电压时,二极管导通;当给阳极和阴极加上反向电压时,二极管截止。二极管除整流作用外,在电子电路中,可实现逻辑控制,在继电器中加装二极管具有消除自感应电动势作用,但注意不能装反。二极管符号如图1-19所示。
图1-19 二极管符号
Fig.1-19 Symbol of diode
三极管是半导体基本元器件之一,是电子电路的核心元件。三极管是在一块半导体基片上制作两个相距很近的PN结,两个PN结把整块半导体分成三部分,中间部分是基区,两侧部分是发射区和集电区,排列方式有PNP和NPN两种,如图1-20所示。三条引线分别称为发射极E(Emitter)、基极B (Base)和集电极C (Collector)。
图1-20 三极管符号
Fig.1-20 Symbol of triode
三极管控制电流的方向如图1-21所示。
图1-21 三极管控制电流流向
Fig.1-21 Triode control current
(1)若基极和发射极间无电流,整个三极管不通电;
(2)基极和发射极之间的小电流能够控制发射极和集极间的大电流。
三极管在电路中用途非常广泛,在汽车ECU中至少会有数十个三极管在工作,其大多数作为开关控制元器件的负极线路通断。如点火系统中的初级电流控制(如图1-22所示)、继电器线圈控制、喷油器电路控制等。这些三极管现大多数都已集成在ECU里面,也有少数单独设计成一个模块。
图1-22 三极管在点火系统中的应用
Fig.1-22 Application in ignition system
利用三极管来控制发动机喷油嘴的喷油量(时间),如图1-23所示。发动机ECU向三极管控制电路发送脉冲信号,当方波为0V时,三极管截止,喷油嘴线圈无电流,没有喷油,当方波为5V时,三极管导通使得喷油线圈工作,将油针吸入后喷油,喷油量由三极管导通的时间长短决定。
图1-23 三极管在燃油系统中的应用
Fig.1-23 Application in fuel system
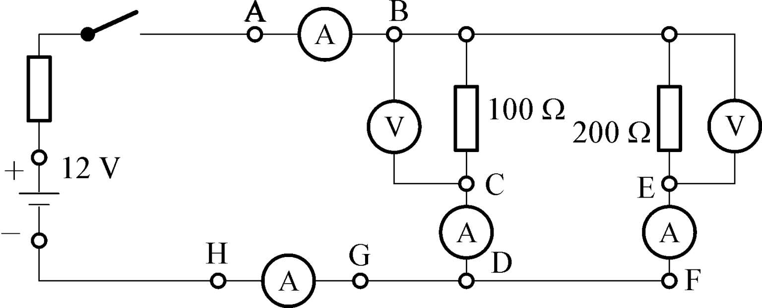
搭建图1-24所示电路,将“+”和“-”间的电压设定为12V,记录电压表、电流表读数。所需部件:12V直流电源,1个开关,1个保险丝,连接线若干,100Ω、200Ω电阻器各1个,1块万用表。
图1-24 电压和电流的测量
Fig.1-24Voltage and current measurement
搭建如图1-25所示电路,将“+”和“-”间的电压设定为12V,记录不同位置电压表的读数。所需部件:12V直流电源,1个开关,1个保险丝,连接线若干,1个12V/3 W灯泡,1块万用表。
图1-25 电压降的测量
Fig.1-25Voltage drop measurement
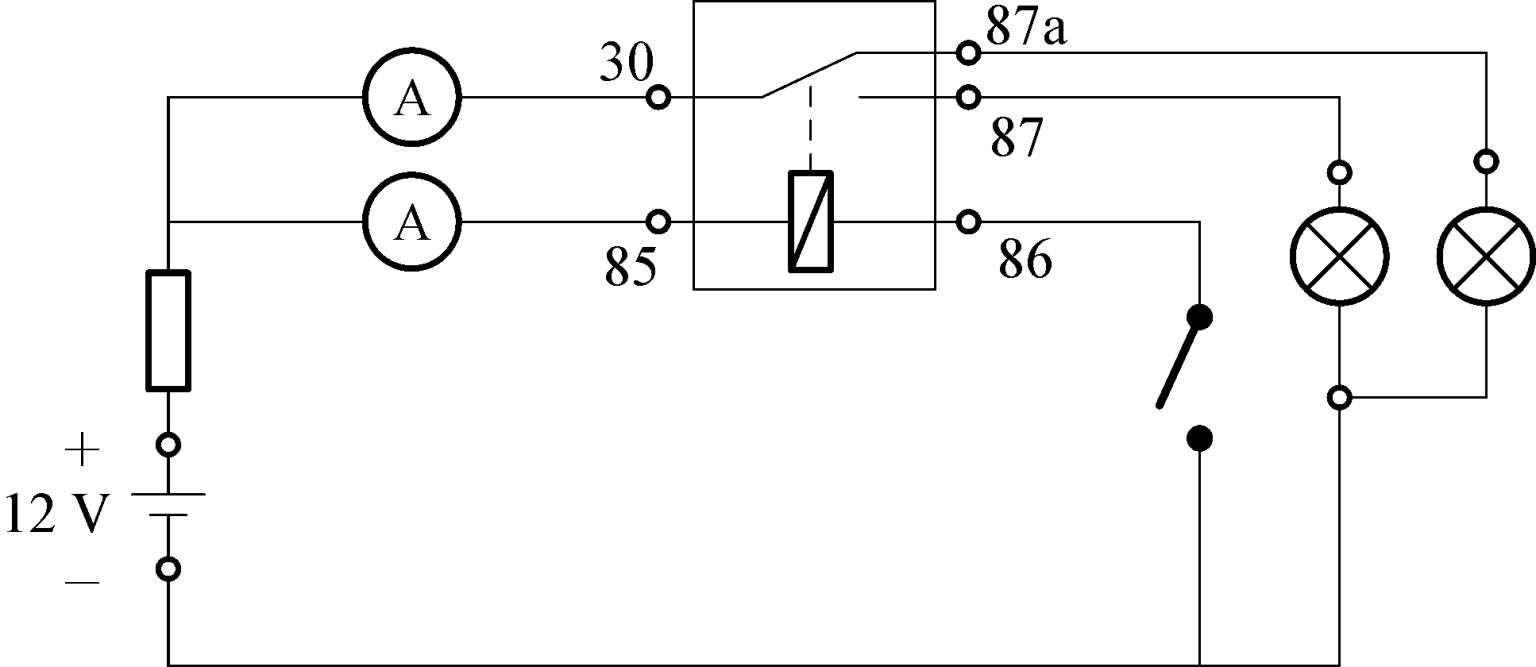
搭建如图1-26所示电路,记录电流表数据。接通电源开关之前,让培训师检查你的电路连接,确保连接正确。所需部件:12V直流电源,1个开关,1个保险丝,1个继电器,2个12V灯泡,连接线若干,1块万用表。
图1-26 继电器的转换控制
Fig.1-26 Conversion control by relay
搭建如图1-27所示的电路,记录电流表的读数,并判断该三极管是开关型还是放大型。接通电源开关之前,让培训师检查你的电路连接,确保连接正确。所需部件:12V直流电源,1个开关,1个保险丝,NPN、PNP型三极管各1个,100Ω、300Ω电阻器各1个,连接线若干,1个12V灯泡。
图1-27 三极管功能测试
Fig.1-27 Triode function test
使用万用表检测车辆蓄电池休眠电流,如图1-28所示。
图1-28 休眠电流测试
Fig.1-28 Dormancy current test
(1)打开车辆的机盖,关闭车上所有用电设备,然后把车门锁起来,如果有遥控的车辆,注意要用遥控把车子锁起来;
(2)蓄电池负极的搭铁线断开;
(3)将万用表调到电流挡位,注意使用大量程,一般汽车的量程选择在10A,有的万用表可以自动调整量程大小,只要挡位选择正确即可;
(4)然后把调好的万用表红笔与车身搭铁线相连,黑笔与电瓶负极桩头相连;
(5)以上操作完成后,等待30s,读取万用表上的休眠电流数值,从而判断汽车是否存在漏电故障。现在汽车上的用电设备比较多,电流值小于50mA以下都是正常的,如果大于50mA,必须要检查漏电设备。