



建筑图样上标注的尺寸具有以下独特的元素:尺寸界线、尺寸线、尺寸起止符号和尺寸数字,如图1-14所示。对于圆来讲,除了尺寸标注,还有圆心标记和中心线。
图1-14 尺寸组成基本要素
《房屋建筑制图统一标准》GB/T 50001—2017中对建筑制图中的尺寸标注有着详细的规定。下面对尺寸界线、尺寸线、尺寸起止符号和尺寸数字的一些要求进行介绍。
1.尺寸标注原则
尺寸标注的一般原则如下。
● 尺寸标注应力求准确、清晰、美观大方。在同一张图纸中,标注风格应保持一致。
● 尺寸线应尽量标注在图样轮廓线以外,从内到外依次标注从小到大的尺寸,不能将大尺寸标注在内,而小尺寸标注在外,如图1-15所示。
● 最内一道尺寸线与图样轮廓线之间的距离不应小于10mm,两道尺寸线之间的距离一般为7~10mm。
● 尺寸界线朝向图样的端头与图样轮廓的距离应≥2mm,不宜直接与之相连。
● 在图线拥挤的地方,应合理安排尺寸线的位置,不宜与图线、文字及符号相交;可以考虑将轮廓线作为尺寸界线,但不可以作为尺寸线。
● 对于室内设计图中连续重复的构配件等,当不易标明定位尺寸时,可在总尺寸的控制下,不用数值而用“均分”(或“EQ”)字样来表示,如图1-16所示。
图1-15 尺寸标注正误对比
图1-16 均分尺寸
2.尺寸界线、尺寸线及尺寸起止符号
● 尺寸界线应用细实线绘制,一般应与被标注长度垂直。它的一端应距图样轮廓线不小于2mm;另一端宜超出尺寸线2~3mm。图样轮廓线可作为尺寸界线,如图1-17所示。
● 尺寸线应用细实线绘制,且应与被标注长度平行。图样本身的任何图线均不得作为尺寸线。因此应调整好尺寸线的位置,避免与图线重合。
● 尺寸起止符号一般用中粗斜短线绘制,其倾斜方向应与尺寸界线成45°夹角,长度宜为2~3mm。半径、直径、角度与弧长的尺寸起止符号宜用箭头表示,如图1-18所示。
图1-17 尺寸标注范例
图1-18 尺寸起止符号——箭头
3.尺寸数字
图样上的尺寸应以尺寸数字为准,不得从图上直接量取。建议按比例绘图,这样可以减少绘图错误。对于图样上的尺寸单位,除标高及总平面图以m为单位外,其他必须以mm为单位。
一般尺寸数字的标注方向按图1-19(a)中的规定注写。若尺寸数字在30°斜线区内,则宜按图1-19(b)中的形式注写。
图1-19 尺寸数字的标注方向
尺寸数字一般应依据其方向注写在靠近尺寸线的上方中部。如果没有足够的注写位置,则最外边的尺寸数字可注写在尺寸界线的外侧,中间相邻的尺寸数字可错开注写,如图1-20所示。
图1-20 尺寸数字的注写位置
4.尺寸的排列与布置
尺寸数字宜标注在图样轮廓以外,不宜与图线、文字及符号等相交,如图1-21所示。
互相平行的尺寸线应从被注写的图样轮廓线由近向远整齐地排列,较小尺寸应离轮廓线较近,较大尺寸应离轮廓线较远,如图1-22所示。
图样轮廓线以外的尺寸线与图样最外轮廓的距离不宜小于10mm。平行排列的尺寸线的间距宜为7~10mm,且应保持一致。
总尺寸的尺寸界线应靠近所指部位,中间的分尺寸的尺寸界线可稍短,但其长度应相等。
图1-21 尺寸数字的注写
图1-22 尺寸的排列
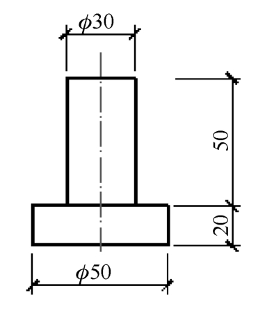
5.半径、直径、球的尺寸标注
半径尺寸线的一端应从圆心开始绘制,另一端画箭头并指向圆弧。半径数字前应加注半径符号 R 。在标注圆的直径尺寸时,直径数字前应加直径符号 ϕ 。在圆内标注的尺寸线应通过圆心,且应在两端画箭头并指向圆弧。
圆弧半径与圆直径的尺寸标注方法如图1-23所示。
在标注球的半径尺寸时,应在尺寸数字前加注符号 SR ;在标注球的直径尺寸时,应在尺寸数字前加注符号 Sϕ 。两者的尺寸标注方法与圆弧半径和圆直径的尺寸标注方法相同。
6.角度、弧长、弦长的尺寸标注
角度的尺寸线应用圆弧来表示,且该圆弧的圆心应是该角的顶点;角的两条边为尺寸界线;尺寸起止符号应用箭头表示,如果没有足够的位置画箭头,则可用圆点代替;角度数字应按水平方向注写,如图1-24(a)所示。
在标注圆弧的弧长时,尺寸线应用与该圆弧同心的圆弧线来表示;尺寸界线应垂直于该圆弧的弦;尺寸起止符号用箭头表示;弧长数字上方应加注圆弧符号“⌒”,如图1-24(b)所示。
在标注圆弧的弦长时,尺寸线应用平行于该弦的直线表示;尺寸界线应垂直于该弦;尺寸起止符号应用中粗斜短线表示,如图1-24(c)所示。
图1-23 圆弧半径与圆直径的尺寸标注方法
图1-24 角度、弧长、弦长的尺寸标注方法
7.薄板厚度、正方形、坡度、非圆曲线的尺寸标注
● 薄板厚度尺寸标注、正方形尺寸标注及网格法标注非圆曲线尺寸分别如图1-25~图1-27所示。
图1-25 薄板厚度尺寸标注
图1-26 正方形尺寸标注
图1-27 网格法标注非圆曲线尺寸
● 坡度尺寸标注如图1-28所示。
● 坐标法标注非圆曲线尺寸如图1-29所示。
图1-28 坡度尺寸标注
图1-29 坐标法标注非圆曲线尺寸
8.尺寸的简化标注
建筑制图中的简化尺寸标注方法如下。
● 等长尺寸简化标注方法如图1-30所示。
● 相同要素尺寸简化标注方法如图1-31所示。
● 对称构件尺寸简化标注方法如图1-32所示。
图1-30 等长尺寸简化标注方法
图1-31 相同要素尺寸简化标注方法
图1-32 对称构件尺寸简化标注方法
● 相似构件尺寸简化标注方法如图1-33所示。
● 相似构配件尺寸简化标注方法如图1-34所示。
图1-33 相似构件尺寸简化标注方法
图1-34 相似构配件尺寸简化标注方法