



交流接触器是一种应用于交流电源环境中的通断开关,在目前各种控制线路中应用最为广泛。具有欠电压、零电压释放保护、工作可靠、性能稳定、操作频率高、维护方便等特点。图2-6为交流接触器的结构外形。
图2-6 交流接触器的结构外形
在实际应用中,交流接触器主要作为交流供电电路中的通断开关,实现远距离接通与分断电路功能,如交流电动机和开断控制电路中。
在实际控制电路中,接触器一般利用主触点接通或分断主电路及其连接负载。用辅助触点执行控制指令。图2-7为交流接触器的功能。
图2-7 交流接触器的功能
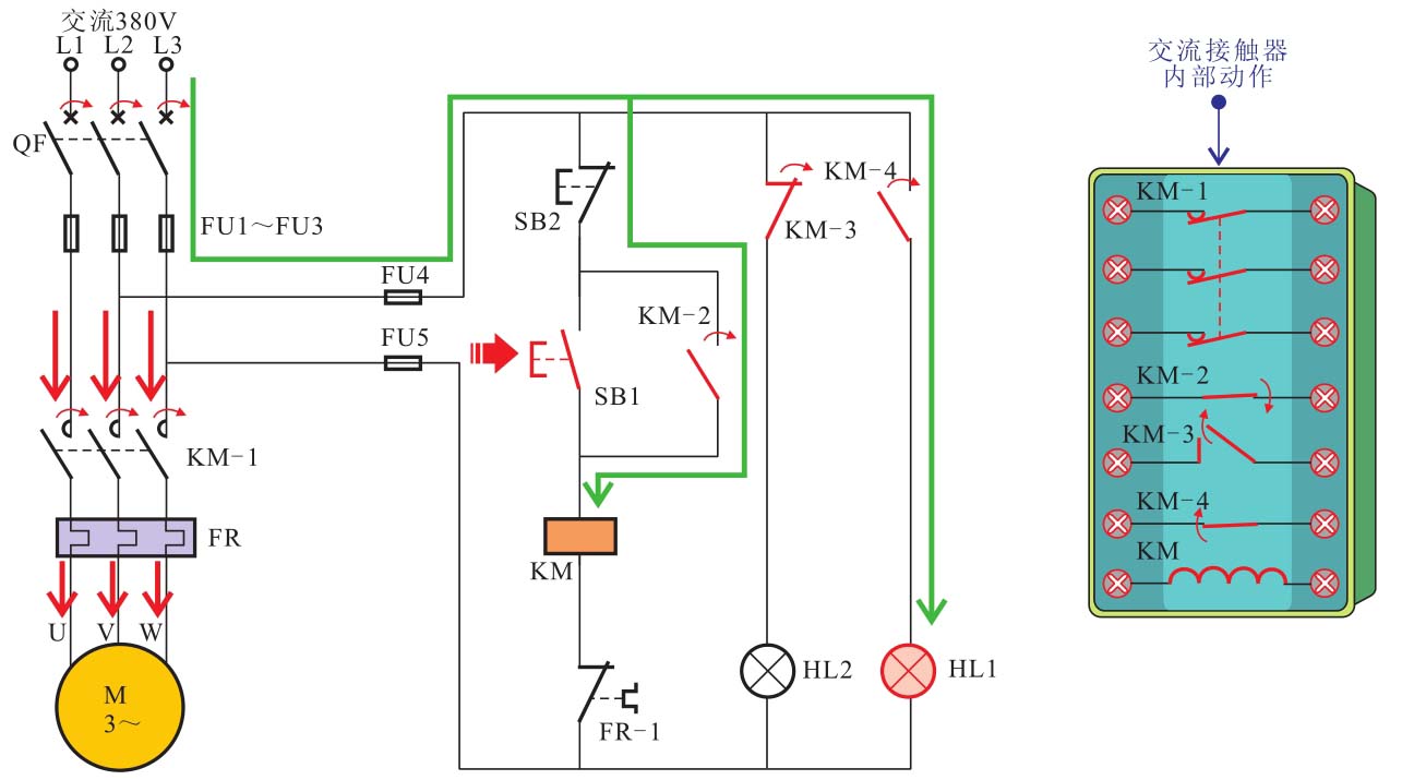
在水泵的起、停控制电路中,控制线路中的交流接触器KM主要是由线圈、一组常开主触点KM-1、两组常开辅助触点和一组常闭辅助触点构成的。控制系统中闭合断路器QS,接通三相电源。电源经交流接触器KM的常闭辅助触点KM-3为停机指示灯HL2供电,HL2点亮。按下起动按钮SB1,交流接触器KM线圈得电:常开主触点KM-1闭合,水泵电动机接通三相电源起动运转。
同时,常开辅助触点KM-2闭合实现自锁功能;常闭辅助触点KM-3断开,切断停机指示灯HL2的供电电源,HL2随即熄灭;常开辅助触点KM-4闭合,运行指示灯HL1点亮,指示水泵电动机处于工作状态。
直流接触器是一种应用于直流电源环境中的通断开关,具有低电压释放保护、工作可靠、性能稳定等特点。图2-8为直流接触器的结构外形。
图2-8 直流接触器的结构外形
直流接触器是由直流控制的电磁开关,常用于控制直流电路,例如控制直流电动机的单向运转。
在实际应用中,直流接触器用于远距离接通与分断直流供电或控制电路。如直流电动机起停控制,图2-9为直流接触器在典型直流电动机的起停控制电路中的应用。
图2-9 直流接触器在直流电动机的单向控制电路中的应用