



欧姆定律规定了电压( U )、电流( I )和电阻( R )之间的关系。在电路中,流过电阻器的电流与电阻器两端的电压成正比,与电阻成反比,即 I = U/R ,这就是欧姆定律的基本概念,是电路中最基本的定律之一。
在电路中电阻值不变的情况下,电阻两端的电压升高,流经电阻的电流也成比例增加;电压降低,流经电阻的电流也成比例减小。
图1-14为电压变化对电流的影响。电压从25V升高到30V时,电流值也会从2.5A升高到3A。
在电路中电阻两端电压值不变的情况下,电阻阻值升高,流经电阻的电流成比例降低;电阻阻值降低,流经电阻的电流则成比例升高。
图1-15为电阻变化对电流的影响。电阻从10Ω升高到20Ω时,电流值会从2.5A降低到1.25A。
图1-14 电压变化对电流的影响
图1-15 电阻变化对电流的影响
如果电路中多个负载首尾相连,那么我们称它们的连接状态是串联的,该电路即称为串联电路。
如图1-16所示,在串联电路中,通过每个负载的电流量是相同的,且串联电路中只有一个电流通路,当开关断开或电路的某一点出现问题时,整个电路将处于断路状态,因此当其中一盏灯损坏后,另一盏灯的电流通路也被切断,该灯不能点亮。
图1-16 电子元件的串联关系
提示说明
在串联电路中通过每个负载的电流量是相同的,且串联电路中只有一个电流通路,当开关断开或电路的某一点出现问题时,整个电路将变成断路状态。
在串联电路中,流过每个负载的电流相同,各个负载分享电源电压,如图1-17所示,电路中有三个相同的灯泡串联在一起,那么每个灯泡将得到1/3的电源电压量。每个串联的负载可分到的电压量与它自身的电阻有关,即自身电阻较大的负载会得到较大的电压值。
图1-17 灯泡(负载)串联的电压分配
两个或两个以上负载的端都与电源两极相连,我们称这种连接状态是并联,该电路即为并联电路。
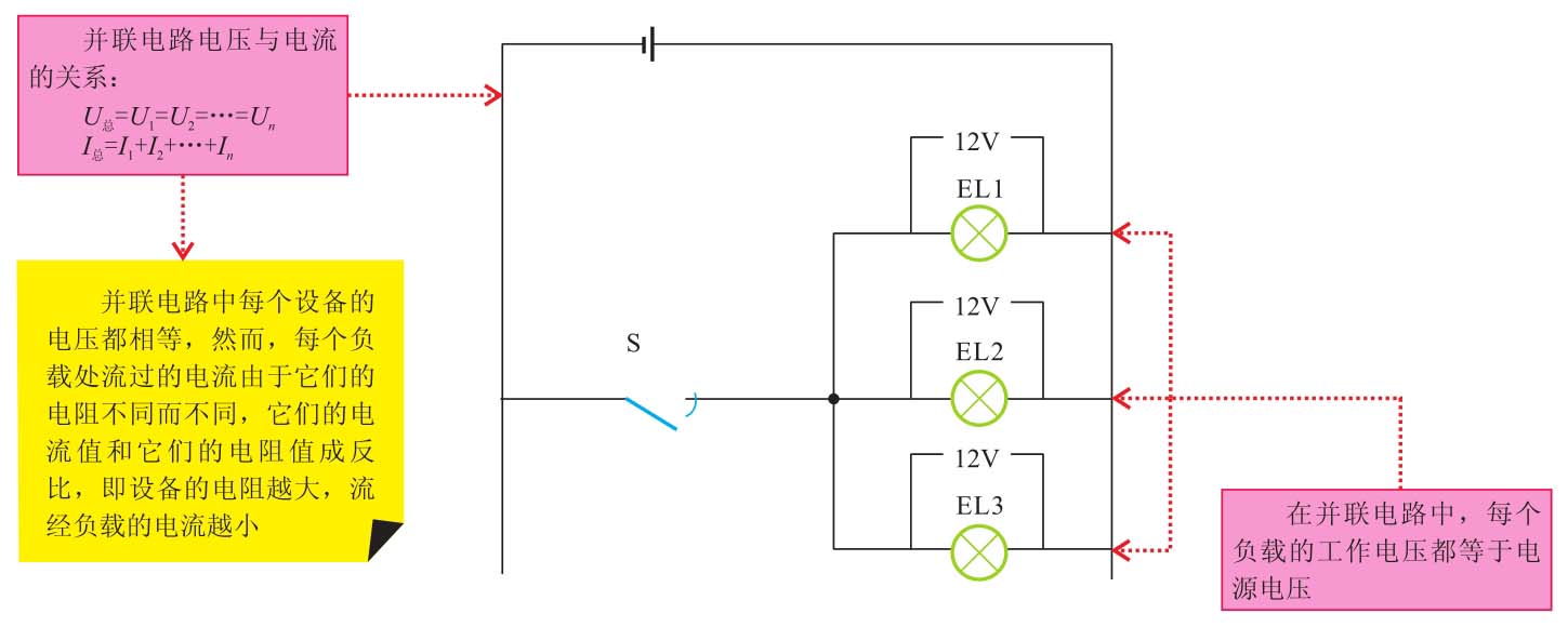
如图1-18所示,在并联状态下,每个负载的工作电压都等于电源电压。不同支路中会有不同的电流通路,当支路某一点出现问题时,该支路将处于断路状态,照明灯会熄灭,但其他支路依然正常工作,不受影响。
图1-18 电子元件的并联关系
图1-19为灯泡(负载)并联的电压分配。
如图1-20所示,将电气元件串联和并联连接后构成的电路称为混联电路。
图1-19 灯泡(负载)并联的电压分配
图1-20 电气元件的混联关系