



通俗地讲,磁场就是存在磁力的场所,可以用铁粉末验证磁场的存在。
在一块硬纸板下面放一块磁铁,在纸板上面撒一些细的铁粉末,铁粉末会自动排列起来,形成一串串曲线的样子。如图1-1所示,在两个磁极附近和两个磁极之间被磁化的铁粉末所形成的纹路图案是很有规律的线条。它是从磁体的N极出发经过空间到磁体的S极的线条,在磁体内部从S极又回到N极,形成一个封闭的环。通常说磁力线的方向就是磁性体N极所指的方向。
图1-1 磁铁周围的磁场
如图1-2所示,如果金属导线通过电流,那么借助铁粉末,可以看到在导线周围产生的磁场,而且导线中通过的电流越大,产生的磁场越强。
图1-2 电流感应磁场
流过导体的电流方向和所产生的磁场方向之间有着明确的关系。图1-3所示为安培定则(即右手定则),说明了电流周围磁场方向与电流方向的关系。
直线电流的安培定则:用右手握住导线,让伸直的大拇指所指的方向与电流的方向一致,那么弯曲的四指所指的方向就是磁力线的环绕方向,如图1-3a所示。
环形电流的安培定则:让右手弯曲的四指和环形电流的方向一致,那么伸直的大拇指所指的方向就是环形电流中心轴线上磁力线(磁场)的方向,如图1-3b所示。
图1-3 安培定则(右手定则)
磁场能感应出电流。把一个螺线管两端接上检测电流的检流计,在螺线管内部放置一根磁铁。当把磁铁很快地抽出螺线管时,可以看到检流计指针发生了偏转,而且磁铁抽出的速度越快,检流计指针偏转的程度越大。同样,如果把磁铁插入螺线管。检流计也会偏转,但是偏转方向和抽出时相反。检流计指针偏摆表明线圈内有电流产生。图1-4所示为磁场感应电流。
图1-4 磁场感应电流
当闭合电路中一部分导体在磁场中做切割磁力线运动时,电路中就有电流产生;当穿过闭合线圈的磁通发生变化时,线圈中有电流产生。这种由磁产生电的现象,称为电磁感应现象,产生的电流叫作感应电流。图1-5为电磁感应现象。
图1-5 电磁感应现象
感应电流的方向,与导体切割磁力线的运动方向和磁场方向有关,即当闭合电路中一部分导体作切割磁力线运动时,所产生的感应电流方向可用右手定则来判断,如图1-6所示。伸开右手,使拇指与四指垂直,并都跟手掌在一个平面内,让磁力线穿入手心,拇指指向导体运动方向,四指所指的即为感应电流的方向。
图1-6 磁铁感应电流
(1)电流
在导体的两端加上电压,导体内的电子就会在电场力的作用下定向运动,形成电流。电流的方向规定为电子(负电荷)运动的反方向,即电流的方向与电子运动的方向相反。
图1-7为由电池、开关、灯泡组成的电路模型,当开关闭合时,电路形成通路,电池的电动势形成了电压,继而产生了电场力,在电场力的作用下,处于电场内的电子便会定向移动,这就形成了电流。
图1-7 由电池、开关、灯泡组成的电路模型
提示说明
电流的大小称为电流强度,它是指在单位时间内通过导体横截面的电荷量。电流强度使用字母“ I ”(或“ i ”)来表示,电荷量使用“ Q ”(库伦)表示。若在 t 秒内通过导体横截面的电荷量是 Q ,则电流强度可用下式计算:
电流强度的单位为安培,简称安,用字母“A”表示。根据不同的需要,还可以用千安(kA)、毫安(mA)和微安(μA)来表示。它们之间的关系为
1kA=1000A 1mA=10 -3 A 1μA=10 -6 A
(2)电动势
电动势是描述电源性质的重要物理量,用字母“ E ”表示,单位为“V”(伏特,简称伏),它是表示单位正电荷经电源内部,从负极移动到正极所做的功,它标志着电源将其他形式的能量转换成电路的动力即电源供应电路的能力。
电动势用公式表示为
式中, E 为电动势,单位为伏特(V); W 为将正电荷经电源内部从负极引导正极所做的功,单位为焦耳(J); Q 为移动的正电荷数量,单位为库伦(C)。
图1-8为由电源、开关、可调电阻器构成的电路模型。
图1-8 由电源、开关、可调电阻器构成的电路模型
在闭合电路中,电动势是维持电流流动的电学量,电动势的方向规定为经电源内部,从电源的负极指向电源的正极。电动势等于路端电压与内电压之和,即
E = U 路 + U 内 = IR + Ir
式中, U 路 表示路端电压(即电源加在外电路端的电压); U 内 表示内电压(即电池因内阻自行消耗的电压); I 表示闭合电路的电流; R 表示外电路总电阻(简称外阻); r 表示电源的内阻。
提示说明
对于确定的电源来说,电动势 E 和内阻 r 都是一定的。若闭合电路中外电阻 R 增大,电流 I 便会减小,内电压 U 内 减小,故路端电压 U 路 增大。若闭合电路中外电阻 R 减小,电流 I 便会增大,内电压 U 内 增大,故路端电压 U 路 减小,当外电路断开,外电阻 R 无限大,电流 I 便会为零,内电压 U 内 也变为零,此时路端电压就等于电源的电动势。
(1)电位
电位是指电路中的某一点与指定的零电位的大小差距。电位也称电势,单位是伏特(V),用符号“ E ”表示,它的值是相对的,电路中某点电位的大小与参考点的选择有关。
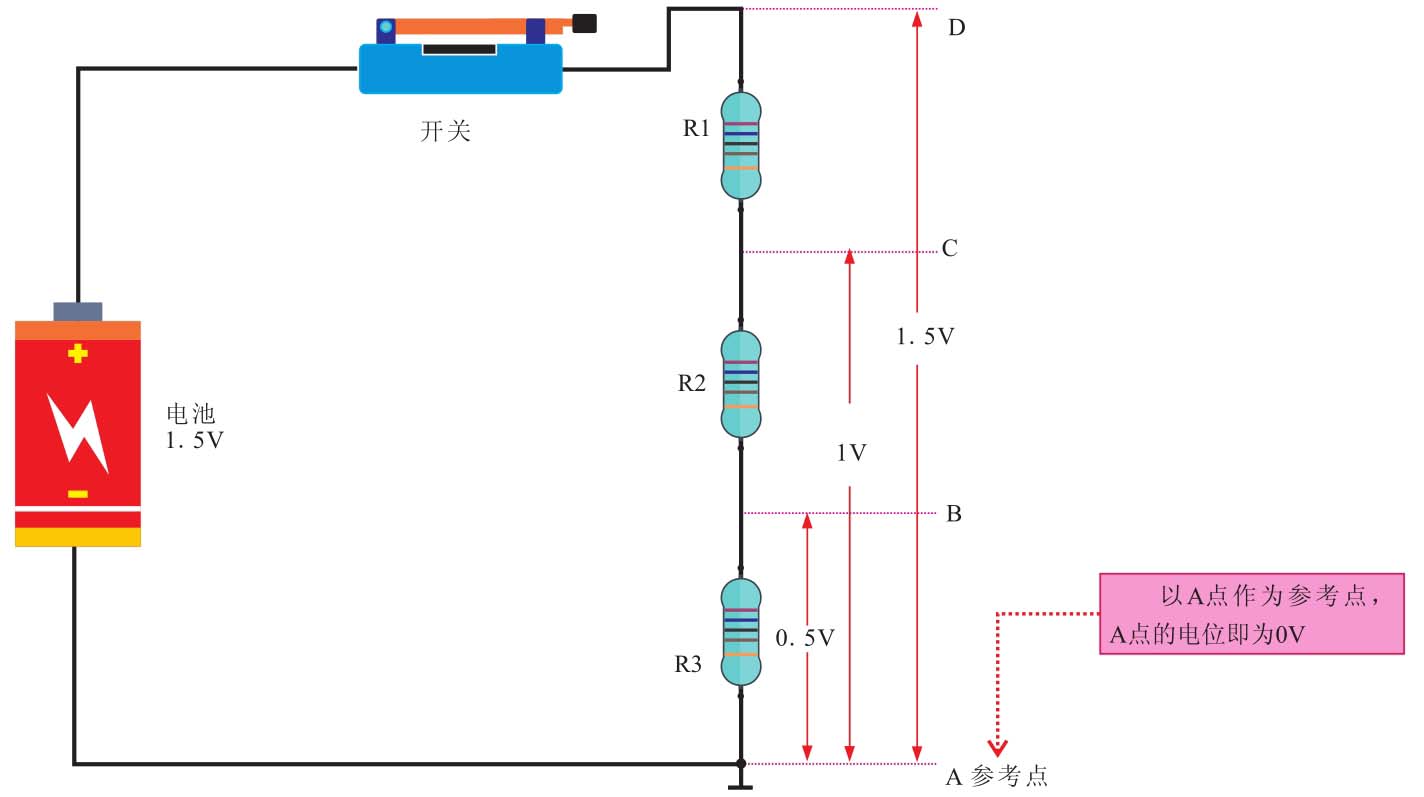
图1-9是由电池、三个阻值相同的电阻和开关构成的电路模型(电位的原理)。电路以A点作为参考点,A点的电位为0V(即 E A =0V),则B点的电位为0.5V(即 E B =0.5V),C点的电位为1V(即 E C =1V),D点的电位为1.5V(即 E D =1.5V)。
图1-9 由电池、三个阻值相同的电阻和开关构成的电路模型
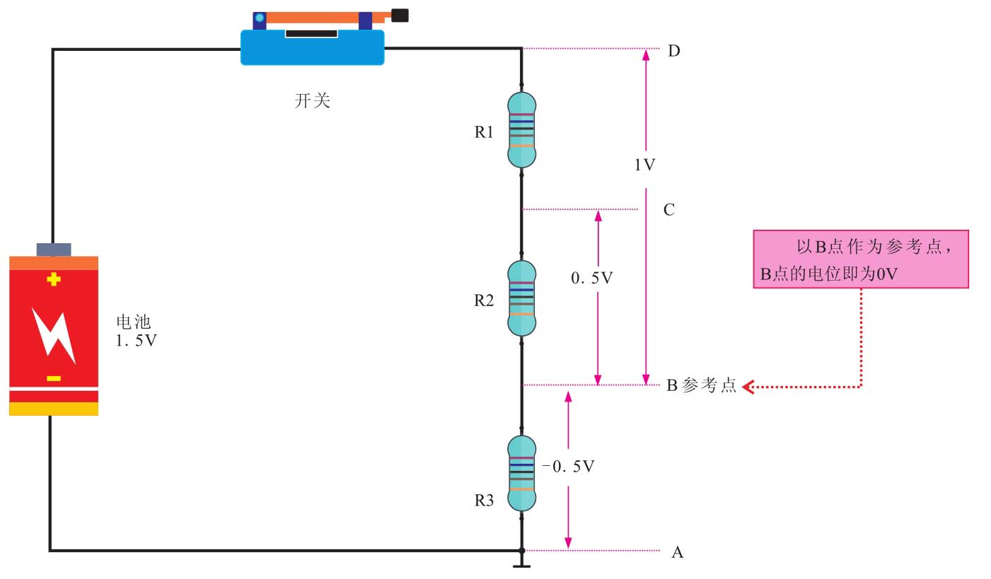
图1-10为以B点为参考点,B点的电位为0V(即 E B =0V),则A点的电位为-0.5V(即 E A =-0.5V),C点的电位为0.5V(即 E C =0.5V),D点的电位为1V(即 E D =1V)。
提示说明
若以C点为参考点,C点的电位即为0V(即 E C =0V);则A点的电位为-1V(即 E A =-1V);B点的电位为-0.5V(即 E B =-0.5V);D点的电位为0.5V(即 E D =0.5V)。若以D点为参考点,D点的电位即为0V(即 E D =0V);则A点的电位即为-1.5V(即 E A =-1.5V);B点的电位即为-1V(即 E B =-1V);C点的电位即为-0.5V(即 E C =-0.5V)。
图1-10 由电池、三个阻值相同的电阻和开关构成的电路模型
(2)电压
电压也称电位差(或电势差),单位是伏特(V)。电流之所以能够在电路中流动是因为电路中存在电压,即高电位与低电位之间的差值。
图1-11为由电池、两个阻值相等的电阻器和开关构成的电路模型。
图1-11 电池、两个阻值相等的电阻器和开关构成的电路模型
能量被定义为做功的能力。它以各种形式存在,包括电能、热能、光能、机械能、化学能以及声能等。电能是指电荷移动所承载的能量。
电能的转换是在电流做功的过程中进行的。因此,电流做功所消耗电能的多少可以用电功来度量。电功的计算公式为
W = UIt
式中, U 为电压,单位V; I 为电流,单位A; W 为电功,单位为J。
日常生产和生活中,电功也常用度作为单位,家庭用电能表如图1-12所示,是计量一段时间内家庭的所有电器耗电(电功)的综合。1度=1kW·h=1kV·A·h。
图1-12 家庭用电能表
我们日常生活中使用的电能主要来自其他形式能量的转换,包括水能(水力发电)、热能(火力发电)、原子能(原子能发电)、风能(风力发电)、化学能(电池)及光能(光电池、太阳电池等)等。电能也可转换成其他所需能量形式,它可以采用有线或无线的形式进行远距离的传输。
功率是指做功的速率或者是利用能量的速率。电功率是指电流在电位时间内(秒)所做的功,以字母“ P ”表示,即
P = W / t = UIt / t = UI
式中, U 的单位为V; I 的单位为A; P 的单位为W(瓦特)。例如图1-13为电功率的计算案例。
图1-13 电功率的计算案例
电功率也常用千瓦(kW)、毫瓦(mW)来表示。例如某电机的功率标识为2kW,表示其耗电功率为2千瓦。也有用马力(hp)来表示的(非我国法定计量单位),它们之间的关系是
1kW=10 3 W
1mW=10 -3 W
1hp=0.735kW
1kW=1.36hp
根据欧姆定律,电功率的表达式还可转化为
由 P = W / t = UIt / t = UI , U = IR ,因此可得
P = I 2 R
由 P = W / t = UIt / t = UI , I = U / R ,因此可得
P = U 2 / R
由上公式可看出:
1)当流过负载电阻的电流一定时,电功率与电阻值成正比。
2)当加在负载电阻两端的电压一定时,电功率与电阻值成反比。
大多数电力设备都标有电瓦数或额定功率。如电烤箱上标有“220V 1200W”字样,则1200W为其额定电功率。额定电功率即是电气设备安全正常工作的最大电功率。电气设备正常工作时的最大电压叫额定电压,例如AC 220V,即交流220V供电的条件。在额定电压下的电功率叫作额定功率。实际加在电气设备两端的电压叫实际电压,在实际电压下的电功率叫实际功率。只有在实际电压与额定电压相等时,实际功率才等于额定功率。
在一个电路中,额定功率大的设备实际消耗功率不一定大,应由设备两端实际电压和流过设备的实际电流决定。