



学习电工电路的识图是进入电工领域最基本的环节。识图前,需要首先了解电工电路识图的一些基本要求和原则,在此基础上掌握好识图的基本方法和步骤,可有效提高识图的技能水平和准确性。
(1)结合电路图形符号、文字标识等进行识图
电工电路主要是利用各种电气图形符号和文字标识来表示其结构和工作原理的,因此掌握电工电路图中常用的图形符号和文字标识是学习识读电工电路图最基础的技能要求。图3-13为电动机点动、连续控制电工原理图,结合该电工原理图中的图形符号和文字标识等,可快速对电路中包含电气部件进行了解和确定。
图3-13 电动机点动、连续控制电工原理图
(2)结合电工电路结构进行识图
了解各符号所代表电气部件的含义后,还可根据电气部件自身特点和功能对电路进行模块划分,如图3-14所示,特别是对于一些较复杂的电工电路,通过对电路进行模块划分,可十分明确了解电路的结构。
图3-14 对电工电路根据电路功能进行模块划分
(3)结合电工、电子技术的基础知识进行识图
在电工领域中,如变配电、照明、电子电路、仪器仪表和家电产品等,所有电路方面的知识都是建立在电工、电子技术基础之上的,所以要想看懂电工电路图,必须具备一定的电工、电子技术方面的知识。
各种电工电路图基本都是由各种电气部件、电子元器件和配线等组成的,只有了解各种电气部件或元器件的结构、工作原理、性能以及相互之间的控制关系,才能帮助电工技术人员尽快地读懂电路图,如图3-15所示。
(4)结合典型电工电路进行识图
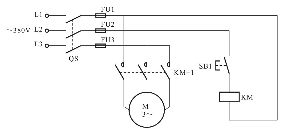
各类电工电路的典型电路是指该类电工电路图中最常见、最常用的基本电路,这种电路既可以单独使用,也可以应用于其他电路中作为功能模块扩展后使用,例如电力拖动电路中,最常见的、最基本的为一只按钮来控制电动机的起停,如图3-16所示。
图3-15 了解电气部件或电子元器件的工作过程
了解了该电路后,在此基础上加入联锁按钮、时间继电器、交流接触器等电气部件便构成了另外一些常见的电动机联锁控制电路、正反转控制电路等,而再在此基础上将几种电路组合,便可构成另外几种控制电路,如此也可以了解到,一些复杂的电路实际上就是几种典型电路的组合。因此熟练掌握各种典型电路,在学习识读时有利于快速的理清主次和电路关系,那么对于较复杂电工电路图的识读也变得轻松和简单多了。
图3-16 典型电动机点动控制电路
(5)对照学习识读电工电路图
作为初学者,我们很难直接对一张没有任何文字解说的电路图进行识读,因此可以先参照一些技术资料或书刊、杂志等找到一些与我们所要识读电路图相近或相似的图样,先根据这些带有详细解说的图样,跟随解说一步步地分析和理解该电路图的含义和原理,然后再对照我们手头的图样,进行分析、比较,找到不同点和相同点,把相同点的地方弄清楚,再针对性地突破不同点,或再参照其他与该不同点相似的图样,最后把遗留问题一一解决之后,便完成了对该图的识读。
看电工电路,首先需要区分电路的类型和用途或功能,在对其有一个整体的认识后,通过熟悉的各种电气部件的图形符号建立对应关系,然后再结合电路特点寻找该电路中的工作条件、控制部件等,结合相应的电工、电子电路,电子元器件、电气元件功能和原理知识,理清信号流程,最终掌握电路控制机理或电路功能,完成识图过程。
简单来说,识读电工电路可分为6个步骤,即明确用途→建立对应关系并划分电路→寻找工作条件→寻找控制部件→确立控制关系→理清信号流程,最终掌握控制机理和电路功能。
(1)明确用途
明确电工电路的用途是指导识图的总纲领,即先从整体上把握电路的用途,明确电路最终实现的结果,以此作为指导识读总体思路。例如,在图3-16中,根据电路中的元素信息可以看到该图为一种电动机的点动控制电路,以此抓住其中的“点动”“控制”“电动机”等关键信息,作为识图时的重要信息。
(2)建立对应关系,划分电路
根据电路中的文字符号和图形符号标识,将这些简单的符号信息与实际电气部件建立起一一的对应关系,进一步明确电路中所表达的含义,对读通电路关系十分重要,如图3-17所示。
图3-17 建立电工电路中符号与实物的对应关系
(3)寻找工作条件
当建立好电路中各种符号与实物的对应关系后,接下来则可通过所了解器件的功能寻找电路中的工作条件,工作条件具备时,电路中的电气部件才可进入工作状态。例如图3-18所示。
图3-18 寻找工作条件和控制部件
(4)寻找控制部件
控制部件通常也称为操作部件,电工电路中就是通过操作该类可操作的部件对电路进行控制的,它是电路中的关键部件,也是控制电路中是否将工作条件接入电路中,或控制电路中的被控部件执行所需要动作的核心部件。识图时准确找到控制部件是识读过程中的关键部件。
(5)确立控制关系
找到控制部件后,接下来根据电路连接情况,确立控制部件与被控制部件之间的控制关系,并将该控制关系作为厘清该电路信号流程的主线,如图3-19所示。
(6)厘清供电及控制信号流程
确立控制关系后,接着则可操作控制部件来实现其控制功能,并同时弄清每操作一个控制部件后,被控部件所执行的动作或结果,从而厘清整个电路的信号流程,最终掌握其控制机理和电路功能,如图3-20所示。
合上电源总开关QS,接通三相电源。按下起动按钮SB,SB内的常开触点闭合,电路接通,交流接触器KM线圈得电,常开主触点KM-1闭合,三相交流电动机接通三相电源起动运转。
图3-19 确立电工电路中的控制关系
图3-20 厘清电工电路的信号流程
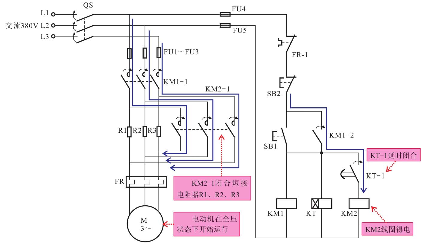
结合上述总结和分析,我们以典型电动机电阻器减压起动控制电路为例进行识图练习。
(1)电动机的减压起动识读过程
图3-21为电动机的减压起动过程。
合上电源总开关QS,接通三相电源。按下起动按钮SB1。交流接触器KM1和时间继电器KT线圈同时得电。时间继电器KT用于三相交流电动机的减压起动与全压起动的时间间隔控制,即控制三相交流电动机减压起动后延时一段时间后进行全压起动。交流接触器KM1线圈得电,常开辅助触点KM1-2闭合实现自锁功能。常开主触点KM1-1闭合,电源经电阻器R1、R2、R3为三相交流电动机供电,三相交流电动机减压起动运转。
(2)电动机的全压起动识读过程
图3-22为三相交流电动机的全压起动过程。
当时间继电器KT达到预定的延时时间后,其常开触点KT-1延时闭合。交流接触器KM2线圈得电,常开主触点KM2-1闭合,短接电阻器R1、R2、R3,三相交流电动机在全压状态下开始运行。
(3)电动机的停机过程
当需要三相交流电动机停机时,按下停止按钮SB2。交流接触器KM1、KM2和时间继电器KT线圈均失电,触点全部复位。常开主触点KM1-1、KM2-1复位断开,切断三相交流电动机供电电源,三相交流电动机停止运转。
图3-21 电动机的减压起动过程
图3-22 电动机的全压起动过程
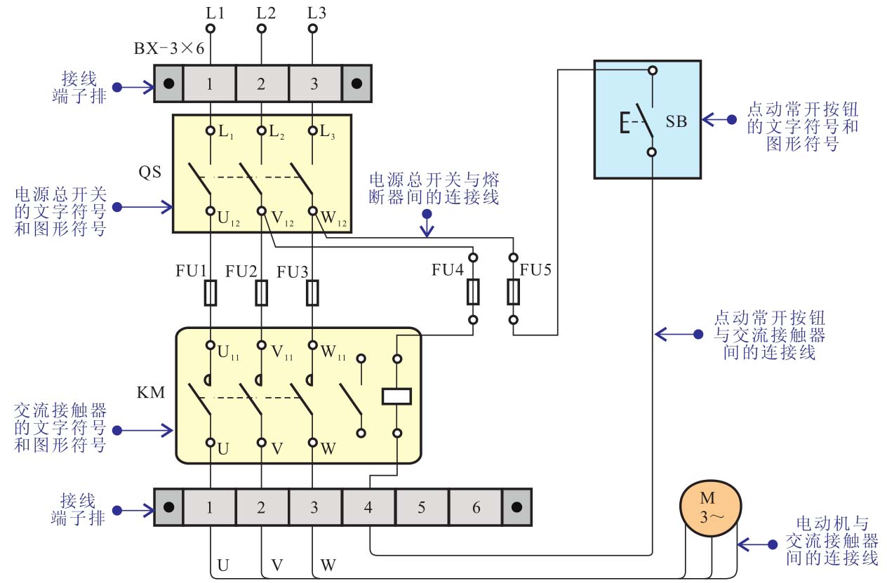
电工接线图也称为电工系统图,是一种采用图形符号、线条、文字标注等元素组成的一种电路结构,主要用来表现某个单元或整个系统的基本组成、供电方式以及连接关系的电路图,图3-23为典型电动机点动控制电路的接线图。
从图中可以看出,该电工接线图体现了电动机点动控制系统中所使用的基本电气部件以及各电气部件间的实际连接关系和接线位置,其具体功能及特点如下:
◆ 接线图中包含了整个系统中所应用到的电气部件,并通过国家统一规定的图形符号及文字进行标识;
◆ 接线图中各电气部件的连接关系即为系统中物理部件的实际连接关系;
◆ 接线图中示出了整个系统的结构、组成。
图3-23 典型电动机点动控制电路接线图
提示说明
除了上述类型的接线图外,在一些家庭、企业供配电系统中,也常采用电工接线图的形式标识供配电系统的结构组成、连接关系、供电方式以及各电气部件的规格型号等,可帮助电工合理地选用电气部件并进行正确的连接,图3-24为典型供配电系统的接线图。
图3-24 典型供配电系统的电工接线图
从该供配电系统的电工接线图可看出,电压经总断路器(S263-C32)分为12条支路,分别为照明支路、插座支路和备用支路,照明支路选用不带漏电保护的断路器(S261-C16),插座支路选用带有漏电保护的断路器(GS261-C16/0.03),备用支路选用不带漏电保护的断路器(S261-C16)和带有漏电保护的断路器(GS261-C16/0.03)。除此之外图中还标识出了连接线的型号为ZRBV-3 X2.5-CT/KBG20以及各支路的用电总负荷均为0.8kW。
电工原理图也称为电工电路图,也是一种采用图形符号、线条、文字标注等元素组成的一种电路结构,主要用来表现某个设备或系统的基本组成、连接关系以及工作原理的电路图,图3-25为典型的电动机点动控制的电工原理图。
图3-25 典型的电动机点动控制的电工原理图
从图中可以看出,电工原理图的特点是使用文字符号和图形符号来体现系统中所使用的基本电气部件,并使用规则的导线进行连接,其具体功能及特点如下:
◆ 原理图中示出了整个系统的结构、组成。
◆ 原理图中各电气部件均采用国家统一规定的图形符号及文字进行标识。
◆ 原理图中同一个电气部件的不同部分可画在不同的电路中,如交流接触器KM的线圈被画在控制电路中;而常开主触点则被画在主电路中。
◆ 原理图中的图形符号的位置并不代表电气部件实际的物理位置。
◆ 原理图中示出了整个系统的工作原理。
提示说明
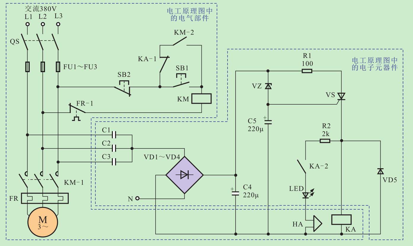
除了上述类型的电工原理图外,在一些其他的电工原理图中不仅仅包含了许多电气部件,还包含了电子电路中的许多电子元器件,如图3-26所示。
图3-26 典型电气部件与电子元器件构成的电工原理图
电工原理图主要应用于电气设备的安装接线、调试、检修等工作中,用于帮助电工了解电气控制线路的组成、电路关系以及电气设备的工作过程,使电工在电气安装接线、调试和维修中能够快速、准确的进行操作。在测试系统出现故障时,可根据电工原理图的工作过程,分析可能产生故障的大体部位,然后依次对其可能产生故障的元器件进行检测。
电工概略图也称为电工系统图或框图,是一种采用矩形、正方形、图形符号、文字符号、线条和箭头等元素概略地反映某一系统、某一设备或某一系统中分系统的基本组成以及它们在电气性能方面所起的基本作用原理、顺序关系、供电方式和电能输送关系的一种电路结构。图3-27为典型车间供配电电路的电工概略图。
图3-27 典型车间供配电电路的电工概略图
提示说明
由于电工概略图是用于体现“组成”和“关系”的一种电路表达方式,因此很多时候其基本的组成元素也采用简单的画法,有部分导线中画有短划线,标识该部分导线的数量,如图3-28所示。
从图中可以看出,电工概略图的特点是使用文字标识和图形符号来体现系统中所使用的基本电气部件,并使用规则的导线进行连接,通过箭头方向指示供电对象。
该类型的电路主要应用于电力系统的调试和检修等中,用于帮助电工了解电力系统的组成、电路关系以及电力系统的工作过程。
图3-28 电工概略图中导线的简单画法
电工施工图是一种采用示意图及文字标识的方法反映电气部件的具体安装位置、线路的分配、走向、敷设、施工方案以及线路连接关系等的一种电路结构,主要用来表示某一系统中电气部件的安装位置、线路分配及走向等。图3-29为典型室内的电工施工图。
从图中可以看出,电工施工图的特点是使用示意图表示电气部件的实际安装位置,使用线条表示物理部件的连接关系以及线路走向。
该类型的电路主要应用于电气设备的安装接线、敷设以及调试、检修中。可帮助电工定位标记各电气设备的安装位置、线路的走向和电源供电的分配,然后根据标记的位置进行施工操作,当需要对整体线路进行调试、检修时,也需根据电工安装及布线图上的具体安装位置、线路的走向进行施工操作。
图3-29 典型室内的电工施工图