



文字符号是电工电路中常用的一种字符代码,一般标注在电路中电气设备、装置和元器件的近旁,以标识其种类和名称。
图3-1为电工电路中的基本文字符号。
图3-1 电工电路中的基本文字符号
通常,基本文字符号一般分为单字母符号和双字母符号。其中,单字母符号是按拉丁字母将各种电气设备、装置、元器件划分为23个大类,每大类用一个大写字母表示,如“R”表示电阻器类,“S”表示开关选择器类。在电工电路中,单字母优先选用。双字母符号由一个表示种类的单字母符号与另一个字母组成。通常为单字母符号在前,另一个字母在后的组合形式。例如,“F”表示保护器件类,“FU”表示熔断器;“G”表示电源类,“GB”表示蓄电池;“T”表示变压器类,“TA”表示电流互感器。电工电路中常见的基本文字符号主要有组件部件、变换器、电容器、半导体器件等。图3-2为电气电路中的基本文字符号。
图3-2 电气电路中的基本文字符号
图3-2 电气电路中的基本文字符号(续)
图3-2 电气电路中的基本文字符号(续)
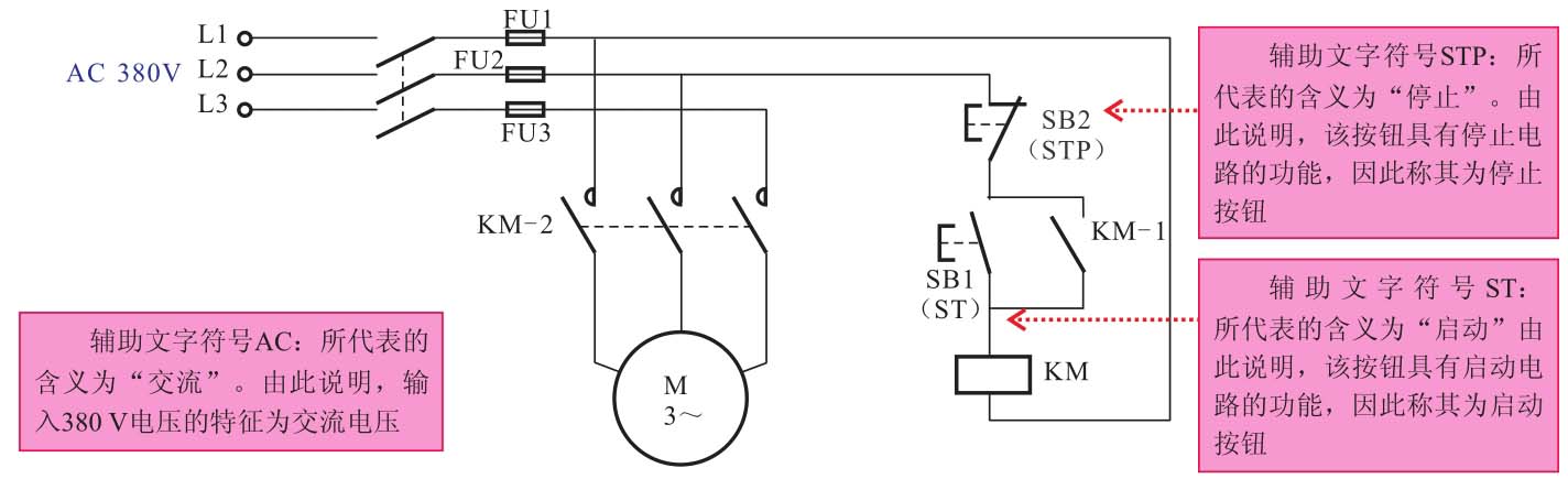
根据前文可知,电气设备、装置和元器件的种类和名称可用基本文字符号表示,而它们的功能、状态和特征则用辅助文字符号表示,如图3-3所示。辅助文字符号通常由表示功能、状态和特征的英文单词前一两位字母构成,也可由常用缩略语或约定俗成的习惯用法构成,一般不能超过三位字母。例如,“IN”表示输入,“ON”表示闭合,“STE”表示步进;表示“启动”采用“START”的前两位字母“ST”;表示“停止(STOP)”的辅助文字符号必须再加一个字母,为“STP”。辅助文字符号也可放在表示种类的单字母符号后边组合成双字母符号,此时辅助文字符号一般采用表示功能、状态和特征的英文单词的第一个字母,如“ST”表示启动、“YB”表示电磁制动器等。
某些辅助文字符号本身具有独立的、确切的意义,也可以单独使用。例如,“N”表示交流电源的中性线,“DC”表示直流电,“AC”表示交流电,“PE”表示保护接地等。电气电路中常用的辅助文字符号如图3-4所示。
图3-3 典型电工电路中的辅助文字符号
图3-4 电气电路中常用的辅助文字符号
图3-4 电气电路中常用的辅助文字符号(续)
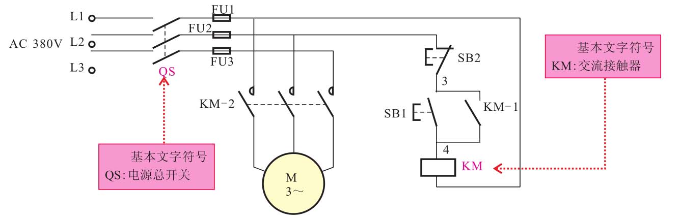
组合文字符号通常由字母+数字代码构成,这是目前最常采用的一种文字符号。其中,字母表示各种电气设备、装置和元器件的种类或名称(为基本文字符号),数字表示其对应的编号(序号)。图3-5为典型电工电路中组合文字符号的标识。将数字代码与字母符号组合起来使用,可说明同一类电气设备、元器件的不同编号。例如,电工电路中有三个相同类型的继电器,则其文字符号分别标识为“KA1、KA2、KA3”。反过来说,在电工电路中,相同字母标识的器件为同一类器件,而字母后面的数字最大值表示该线路中该器件的总个数。
图3-5 典型电工电路中组合文字符号的标识
图中,以字母FU作为文字标识的器件有3个,即FU1、FU2、FU3,分别表示该线路中的第1个熔断器、第2个熔断器、第3个熔断器,表明该线路中有3个熔断器;KM-1、KM-2中的基本文字符号均为KM,说明这两个器件与KM属于同一个器件,是KM中所包含的两个部分,即接触器KM中的两个触点。
在电工电路中,有时为了清楚地表示接线端子和特定导线的类型、颜色或用途,通常用专用文字符号表示。
在电工电路图中,一些具有特殊用途的接线端子、导线等通常采用一些专用文字符号进行标识,这里归纳总结了一些常用的特殊用途的专用文字符号,如图3-6所示。
图3-6 特殊用途的专用文字符号
由于大多数电工电路图等技术资料为黑白颜色,很多导线的颜色无法正确区分,因此在电工电路图上通常用字母代号表示导线的颜色,用于区分导线的功能。图3-7为常见的表示颜色的文字符号。
图3-7 常见的表示颜色的文字符号
除了上述几种基本的文字符号外,为了实现与国际接轨,近几年生产的大多数电气仪表中也都采用了大量的英文语句或单词,甚至是缩写等作为文字符号来表示仪表的类型、功能、量程和性能等。通常,一些文字符号直接用于标识仪表的类型及名称,有些文字符号则表示仪表上的相关量程、用途等,如图3-8所示。
图3-8 其他常见的专用文字符号