



拉伸特征由截面轮廓草图经过拉伸而成,它适合于构造等截面的实体特征。拉伸特征是将一个二维平面草图,按照给定的数值沿与平面垂直的方向拉伸一段距离形成的特征。如图3-43所示展示了利用拉伸基体/凸台特征生成的零件。
下面结合实例介绍创建拉伸特征的操作步骤。
图3-43 利用拉伸基体/凸台特征生成的零件
【案例3-13】拉伸特征
(1)打开源文件“\ch3\3.13.SLDPRT”,打开的文件实体如图3-44所示。
(2)保持草图处于激活状态,选择菜单栏中的“插入”→“凸台/基体”→“拉伸”命令,或者单击“特征”选项卡上的“拉伸凸台/基体”按钮
。
(3)此时系统弹出“凸台-拉伸”属性管理器,如图3-45所示。
图3-44 打开的文件实体
图3-45 “凸台-拉伸”属性管理器
(4)在“方向1”选项组的
右侧下拉列表框中选择拉伸的终止条件,有以下几种。
● 给定深度:从草图的基准面拉伸到指定的距离平移处,以生成特征,如图 3-46(a)所示。
● 完全贯穿:从草图的基准面拉伸直到贯穿所有现有的几何体,如图3-46(b)所示。
● 成形到下一面:从草图的基准面拉伸到下一面(隔断整个轮廓),以生成特征,如图3-46(c)所示。下一面必须在同一零件上。
● 成形到一面:从草图的基准面拉伸到所选的曲面以生成特征,如图3-46(d)所示。
● 到离指定面指定的距离:从草图的基准面拉伸到离某面或曲面的特定距离处,以生成特征,如图3-46(e)所示。
● 两侧对称:从草图基准面向两个方向对称拉伸,如图3-46(f)所示。
● 成形到一顶点:从草图基准面拉伸到一个平面,这个平面平行于草图基准面且穿越指定的顶点,如图3-46(g)所示。
(5)在右面侧图形区中检查预览效果。还可以单击“反向”按钮
,向另一个方向拉伸。
(6)在“深度”
文本框中输入拉伸的深度。
图3-46 拉伸的终止条件
(7)如果要给特征添加一个拔模,单击“拔模开/关”按钮
,然后输入一个拔模角度。如图3-47所示为拔模特征。
图3-47 拔模特征
(8)如有必要,勾选“方向2”复选框,将拉伸应用到第二个方向。
(9)保持“薄壁特征”复选框没有被勾选,单击“确定”按钮
,完成基体/凸台的创建。
SolidWorks可以对闭环和开环草图进行薄壁拉伸,如图3-48所示。所不同的是,如果草图本身是一个开环图形,则拉伸凸台/基体工具只能将其拉伸为薄壁;如果草图是一个闭环图形,则既可以选择将其拉伸为薄壁特征,也可以选择将其拉伸为实体特征。
下面结合实例介绍创建拉伸薄壁特征的操作步骤。
【案例3-14】创建拉伸薄壁特征
(1)单击“标准”工具栏上的“新建”按钮
,进入零件绘图区域。
(2)绘制一个圆。
(3)保持草图处于激活状态,选择菜单栏中的“插入”→“凸台/基体”→“拉伸”命令,或者单击“特征”选项卡上的“拉伸凸台/基体”按钮
。
(4)在弹出的“凸台-拉伸”属性管理器中勾选“薄壁特征”复选框,如果草图是开环系统则只能生成薄壁特征。
图3-48 开环和闭环草图的薄壁拉伸
(5)在
右侧的下拉列表框中选择拉伸薄壁特征的方式。● 单向:使用指定的壁厚向一个方向拉伸草图。
● 两侧对称:在草图的两侧各以指定壁厚的一半向两个方向拉伸草图。
● 双向:在草图的两侧各使用不同的壁厚向两个方向拉伸草图。
(6)在“厚度”
文本框中输入薄壁的厚度。
(7)默认情况下,壁厚加在草图轮廓的外侧。单击“反向”按钮
,可以将壁厚加在草图轮廓的内侧。
(8)对于薄壁特征基体拉伸,还可以指定以下附加选项。
● 如果生成的是一个闭环的轮廓草图,可以勾选“顶端加盖”复选框,此时将为特征的顶端加上封盖,形成一个中空的零件,如图3-49(a)所示。
● 如果生成的是一个开环的轮廓草图,可以勾选“自动加圆角”复选框,此时自动在每一个具有相交夹角的边线上生成圆角,如图3-49(b)所示。
图3-49 薄壁
(9)单击“确定”按钮
,完成拉伸薄壁特征的创建。
本例绘制封油圈,如图3-50所示。
【思路分析】
绘制草图,通过拉伸创建封油圈。读者还可以绘制封油圈截面草图,旋转生成封油圈,绘制封油圈的流程图如图3-51所示。
图3-50 封油圈
图3-51 绘制封油圈的流程图
【绘制步骤】
(1)新建文件。启动SolidWorks,单击“标准”选项卡上的“新建”按钮
,在打开的“新建SOLIDWORKS文件”对话框中,单击“零件”按钮
,单击“确定”按钮,创建一个新的零件文件。
(2)新建草图。在左侧的FeatureManager设计树中选择“上视基准面”作为绘图基准面,单击“草图”选项卡上的“草图绘制”按钮
,新建一张草图。
(3)绘制中心线。单击“草图”选项卡上的“圆”按钮
,绘制封油圈草图。
(4)标注尺寸。单击“草图”选项卡上的“智能尺寸”按钮
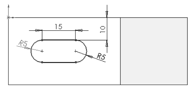
,为草图标注尺寸,如图3-52所示。
(5)拉伸形成实体。单击“特征”选项卡上的“拉伸凸台/基体”按钮
,弹出如图 3-53所示的“凸台-拉伸”属性管理器。设定拉伸的终止条件为“给定深度”,输入拉伸距离为7mm,保持其他选项的系统默认值不变。单击属性管理器中的“确定”按钮
。结果如图3-54所示。
图3-52 底座草图
图3-53 “凸台-拉伸”属性管理器
图3-54 创建底座
如图3-55所示展示了利用拉伸切除特征生成的几种零件效果。下面结合实例介绍创建拉伸切除特征的操作步骤。
图3-55 利用拉伸切除特征生成的几种零件效果
【案例3-15】拉伸切除
(1)打开源文件“\ch3\3.15.SLDPRT”,打开的文件实体如图3-56所示。
(2)保持草图处于激活状态,选择菜单栏中的“插入”→“切除”→“拉伸”命令,或者单击“特征”选项卡上的“拉伸切除”按钮
。
(3)此时弹出“切除-拉伸”属性管理器,如图3-57所示。
图3-56 打开的文件实体
图3-57 “切除-拉伸”属性管理器
(4)在“方向1”选项组中执行如下操作。
●在
右侧的下拉列表框中选择终止条件为“给定深度”。
● 如果勾选了“反侧切除”复选框,则将生成反侧切除特征。
● 单击“反向”按钮
,可以向另一个方向切除。● 单击“拔模开/关”按钮
,可以给特征添加拔模效果。
(5)如果有必要,勾选“方向2”复选框,将拉伸切除应用到第二个方向。
(6)如果要生成薄壁切除特征,勾选“薄壁特征”复选框,然后执行如下操作。
●在
右侧的下拉列表框中选择切除类型:单向、两侧对称或双向。● 单击“反向”按钮
,可以以相反的方向生成薄壁切除特征。● 在“厚度微调”
文本框中输入切除的厚度。
(7)单击“确定”按钮
,完成拉伸切除特征的创建。
技巧荟萃
下面以如图3-58所示草图为例,说明“反侧切除”复选框对拉伸切除特征的影响。如图3-58(a)所示为绘制的草图轮廓,如图3-58(b)所示为取消勾选“反侧切除”复选框的拉伸切除特征;如图3-58(c)所示为勾选“反侧切除”复选框的拉伸切除特征。
图3-58 “反侧切除”复选框对拉伸切除特征的影响
本实例绘制的锤头如图3-59所示。
【思路分析】
首先绘制锤头的外形草图,再将其拉伸为锤头实体,然后拉伸切除锤头的头部,最后绘制与手柄连接的槽口。绘制流程如图3-60所示。
【绘制步骤】
图3-59 锤头
(1)新建文件。启动SolidWorks 2020,单击“标准”选项卡上的“新建”按钮
,创建一个新的零件文件。
图3-60 锤头的绘制流程
(2)绘制锤头草图。在左侧的FeatureManager设计树中选择“前视基准面”作为绘制图形的基准面,单击“草图”选项卡上的“边角矩形”按钮
,绘制一个矩形。
(3)标注尺寸。单击“草图”选项卡上的“智能尺寸”按钮
,标注图中矩形各边的尺寸,如图3-61所示。
(4)拉伸实体。单击“特征”选项卡上的“拉伸凸台/基体”按钮
,此时系统弹出“凸台-拉伸”属性管理器。“深度”
文本框设为20mm,单击“确定”按钮
,创建的拉伸特征1如图3-62所示。
图3-61 锤头草图
图3-62 创建拉伸特征1
(5)设置基准面。单击选择图3-62中的表面1,然后单击“前导视图”选项卡上的“正视于”按钮
,将该表面作为绘制图形的基准面,如图3-63所示。
(6)绘制锤头头部草图。单击“草图”选项卡上的“直线”按钮
,在步骤(5)中设置的基准面上绘制一个三角形。
(7)标注尺寸。单击“草图”选项卡上的“智能尺寸”按钮
,标注图中各条直线段的尺寸,如图3-64所示。
图3-63 设置基准面
图3-64 锤头头部草图
(8)拉伸切除实体。单击“特征”选项卡上的“拉伸切除”按钮
,此时系统弹出“切除-拉伸”属性管理器。“深度”
文本框设为30mm,按照图3-65进行设置后,单击“确定”按钮
。
(9)设置视图方向。单击“前导视图”工具栏上的“等轴测”按钮
,将视图以等轴测方向显示,创建的拉伸特征2如图3-66所示。
图3-65 “切除-拉伸”属性管理器
图3-66 创建拉伸特征2
(10)设置基准面。单击选择图3-66中的表面1,然后单击“前导视图”选项卡上的“正视于”按钮
,将该表面作为绘制图形的基准面。
(11)绘制与手柄连接部分的草图。单击“草图”选项卡上的“边角矩形”按钮
,在步骤(10)中设置的基准面上绘制一个矩形,单击“草图”选项卡上的“三点圆弧”按钮
,在矩形的左右两侧绘制两个圆弧,如图3-67所示。
(12)标注尺寸。单击“草图”选项卡上的“智能尺寸”按钮
,标注图中矩形各边的尺寸、圆弧的尺寸及草图的定位尺寸,如图3-68所示。
图3-67 与手柄连接部分草图
图3-68 尺寸标注
技巧荟萃
在绘制上述草图时,可以直接使用直线和圆弧进行绘制。在本例中使用矩形和圆弧进行绘制,最后使用“剪裁实体”命令将矩形进行剪裁,这样可以提高草图绘制的效率。用户可以通过反复练习,掌握灵活简便的绘制方法。
(13)剪裁实体。单击“草图”选项卡上的“剪裁实体”按钮
,将如图3-68所示的矩形和圆弧交界的两条直线进行剪裁,剪裁实体如图3-69所示。
(14)拉伸切除实体。单击“特征”选项卡上的“拉伸切除”按钮
,此时系统弹出“切除-拉伸”属性管理器。在
右侧下拉列表框中选择终止条件为“完全贯穿”。按照图3-70进行设置后,单击“确定”按钮
。
(15)设置视图方向。单击“前导视图”选项卡上的“等轴测”按钮
,将视图以等轴测方向显示,等轴测图形如图3-71所示。
图3-69 剪裁实体
图3-70 “切除-拉伸”属性管理器
图3-71 等轴测图形