



本节主要通过具体实例讲解草图编辑工具的综合使用方法。
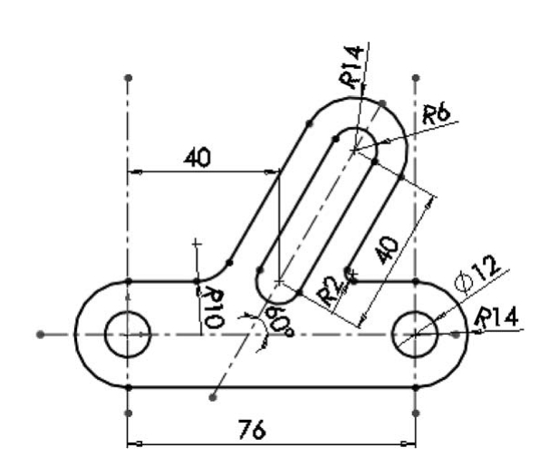
本例绘制的拨叉草图如图2-82所示。
【思路分析】
本例首先绘制构造线构建大概轮廓,然后对其进行修剪和倒圆角操作,最后标注图形尺寸,完成草图的绘制。绘制的流程图如图2-83所示。
图2-82 拨叉草图
图2-83 拔叉草图绘制流程图
【绘制步骤】
(1)新建文件。启动SolidWorks 2020,单击“标准”工具栏中的“新建”按钮
,在弹出的如图2-84所示的“新建 SOLIDWORKS 文件”对话框中单击“零件”按钮
,然后单击“确定”按钮,创建一个新的零件文件。
(2)创建草图。
① 在左侧的 FeatureManager设计树中选择“前视基准面”作为绘图基准面。单击“草图”选项卡中的“草图绘制”按钮
,进入草图绘制状态。
图2-84 “新建SOLIDWORKS文件”对话框
② 单击“草图”选项卡中的“中心线”按钮
,弹出“插入线条”属性管理器,如图2-85所示。单击“确定”按钮
,绘制的中心线如图2-86所示。
图2-85 “插入线条”属性管理器
图2-86 绘制中心线
③ 单击“草图”选项卡中的“圆”按钮
,弹出如图2-87所示的“圆”属性管理器。分别捕捉两条竖直直线和水平直线的交点为圆心(此时鼠标变成
),单击“确定”按钮
,绘制圆,如图2-88所示。
④ 单击“草图”选项卡中的“圆心/起/终点画弧”按钮
,弹出如图 2-89 所示的“圆弧”属性管理器,分别以上步绘制的圆的圆心为圆心绘制两圆弧,单击“确定”按钮
,结果如图2-90所示。
⑤ 单击“草图”选项卡中的“圆”按钮
,弹出“圆”属性管理器。在斜中心线上分别绘制三个圆,单击“确定”按钮
,如图 2-91所示。
⑥ 单击“草图”选项卡中的“直线”按钮
,弹出“插入线条”属性管理器,绘制直线,如图2-92所示。
图2-87 “圆”属性管理器
图2-88 绘制圆
图2-89 “圆弧”属性管理器
图2-90 绘制圆弧
图2-91 绘制圆
图2-92 绘制直线
(3)添加约束。
① 单击“草图”选项卡中的“添加几何关系”按钮
,弹出“添加几何关系”属性管理器,如图2-93所示。选择步骤③中绘制的两个圆,在属性管理器中单击“相等”按钮,使两圆相等,如图2-94所示。
② 分别使两圆弧和两小圆相等,结果如图2-95所示。
图2-93 “添加几何关系”属性管理器
图2-94 添加相等约束1
图2-95 添加相等约束2
③ 选择小圆和直线,在属性管理器中单击“相切”按钮,使小圆和直线相切,如图 2-96所示。
④ 重复上述步骤,分别使直线和圆相切。
⑤ 选择四条斜直线,在属性管理器中单击“平行”按钮,结果如图2-97所示。
图2-96 添加相切约束1
图2-97 添加相切约束2
(4)编辑草图。
① 单击“草图”选项卡中的“绘制圆角”按钮
,弹出如图2-98所示的“绘制圆角”属性管理器,输入圆角半径为 10mm,选择视图中左边的两条直线,单击“确定”按钮
,结果如图2-99所示。
② 单击“草图”选项卡中的“绘制圆角”按钮
,在右侧创建半径为2mm的圆角,结果如图2-100所示。
图2-98 “绘制圆角”属性管理器
图2-99 绘制圆角1
图2-100 绘制圆角2
③ 单击“草图”选项卡中的“剪裁实体”按钮
,弹出如图2-101所示的“剪裁”属性管理器,选择“剪裁到最近端”选项,剪裁多余的线段,单击“确定”按钮
,结果如图2-102所示。
(5)标注尺寸。
单击“草图”选项卡中的“智能尺寸”按钮
,选择两条竖直中心线,在弹出的“修改”对话框中修改尺寸为76。同理标注其他尺寸,结果如图2-103所示。
图2-101 “剪裁”属性管理器
图2-102 裁剪图形
图2-103 标注尺寸
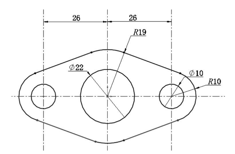
本例绘制的压盖草图如图2-104所示。
【思路分析】
首先绘制构造线构建大概轮廓,然后对其进行添加几何约束和修剪操作,最后标注图形尺寸,完成草图的绘制。绘制流程如图 2-105所示。
【绘制步骤】
(1)新建文件。启动SolidWorks 2020,单击“标准”选项卡中的“新建”按钮
,在弹出的如图2-106所示的“新建SOLIDWORKS文件”对话框中单击“零件”按钮
,然后单击“确定”按钮,创建一个新的零件文件。
图2-104 压盖草图
图2-105 压盖草图的绘制流程
(2)绘制草图。
① 设置基准面。在左侧的FeatureManager设计树中选择“前视基准面”作为绘图基准面。单击“草图”选项卡中的“草图绘制”按钮
,进入草图绘制状态。
② 绘制中心线。单击“草图”选项卡中的“中心线”按钮
,弹出“插入线条”属性管理器,如图2-107 所示。绘制的中心线如图2-108所示,单击“确定”按钮
。
图2-106 “新建SOLIDWORKS文件”对话框
图2-107 “插入线条”属性管理器
图2-108 绘制中心线
③ 绘制圆。单击“草图”选项卡中的“圆”按钮
,弹出如图2-109所示的“圆”属性管理器。分别捕捉三条竖直直线和水平直线的交点为圆心(此时鼠标变成
形状),单击“确定”按钮
,绘制圆,如图2-110所示。
图2-109 “圆”属性管理器
图2-110 绘制圆
④ 绘制圆弧。单击“草图”选项卡中的“圆心/起/终点画弧”按钮
,弹出如图2-111所示的“圆弧”属性管理器,分别以上步绘制的圆的圆心为圆心绘制圆弧,单击“确定”按钮
,结果如图2-112所示。
⑤ 绘制直线。单击“草图”选项卡中的“直线”按钮
,弹出“插入线条”属性管理器,绘制直线,如图2-113所示。
图2-111 “圆弧”属性管理器
图2-112 绘制圆弧
图2-113 绘制直线
(3)添加约束。
① 单击“草图”选项卡中的“添加几何关系”按钮
,弹出“添加几何关系”属性管理器,如图2-114所示。选择步骤(2)中绘制的两个小圆,在属性管理器中单击“相等”按钮,使两圆相等。同理,对两个小圆弧添加相等约束,如图2-115所示。
图2-114 “添加几何关系”属性管理器
图2-115 添加相等约束
② 选择左侧圆弧和左侧直线,在属性管理器中单击“相切”按钮,如图2-116所示,使圆弧和直线相切,如图2-117所示。同理,对其他的圆弧和直线添加相切约束。
图2-116 “添加几何关系”属性管理器
图2-117 添加相切约束
(4)编辑草图。
① 单击“草图”选项卡中的“镜向实体”按钮
,弹出如图2-118所示的“镜向”属性管理器,选择大圆弧和两条直线为要镜向的实体,拾取水平中心线为镜向轴,单击“确定”按钮
,结果如图2-119所示。
图2-118 “镜向”属性管理器
图2-119 镜向实体
② 单击“草图”选项卡中的“剪裁实体”按钮
,弹出如图2-120所示的“剪裁”属性管理器,选择“剪裁到最近端”选项,剪裁多余的线段,单击“确定”按钮
,结果如图 2-121所示。
(5)标注尺寸。
单击“草图”选项卡中的“智能尺寸”按钮
,选择左侧两条竖直中心线,在弹出的“修改”对话框中修改尺寸为26mm,如图2-122所示,单击“确定”按钮
,完成尺寸的标注;同理标注其他尺寸,结果如图2-123所示。
(6)修改标注尺寸大小和箭头。
选择菜单栏中的“工具”→“选项”命令,弹出如图2-124所示的对话框,在对话框中选择“文档属性”选项卡,选择“尺寸”选项,单击“字体”按钮,弹出“选择字体”对话框,如图2-125所示,修改文字高度为5mm,单击“确定”按钮,返回对话框,在“样式”下拉列表中选择“实心箭头”,单击“确定”按钮,结果如图2-126所示。
图2-120 “剪裁”属性管理器
图2-121 剪裁图形
图2-122 标注并修改尺寸
图2-123 标注尺寸
图2-124 “文档属性”选项卡
图2-125 “选择字体”对话框
图2-126 修改尺寸属性