



 
   图3-8为一基本差动变压器式传感器的基本结构。它是一个有可动铁芯和两个次级线圈的变压器。传感器的可动铁芯和待测物相连,两个次级线圈接成差动形式,可动铁芯的位移利用线圈的互感作用转换成感应电动势的变化,从而得到待测位移。
 
    图3-8 差动变压器式传感器
由于互感,初级线圈的交流信号在两个次级线圈上分别产生感应电动势 E 21 和 E 22 ,又因接成差动形式,即两个感应电动势反向串联,则输出电压为
 
   设两个次级线圈完全相同,当铁芯处在中间位置时,感应电动势 E 21 = E 22 ,此时
 
   当铁芯向上移动时,次级线圈2中穿过的磁通减少,感应电动势 E 22 也减少,而次级线圈1中穿过的磁通增多,感应电动势 E 21 也增大,则
 
   反之,当铁芯向下移动时,则
 
   可见,输出电压的大小和符号反映了铁芯位移的大小和方向。
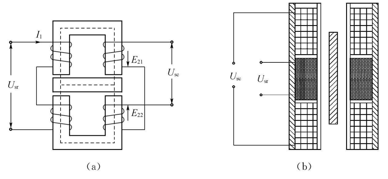
差动变压器有多种结构形式。图3-8(a)为Π形结构,衔铁为平板形,灵敏度较高,但测量范围较窄,一般用于测量几微米到几百微米的机械位移。图3-8(b)是衔铁为圆柱形的螺管形差动变压器,可测1mm至上百毫米的位移。此外还有衔铁旋转的用来测量转角的差动变压器,通常可测到几角秒的微小角位移。