



3.2 东风本田思铂睿车系发动机的正时调整
凸轮链条的拆卸步骤和方法如下。
注意:使凸轮链条远离磁场。
1. 拆下前车轮。
2. 拆下挡泥板。
3. 拆下驱动皮带自动张紧器。
4. 拆下缸盖罩。
5. 将1号活塞置于上止点TDC位置。凸轮轴链轮上的一个“向上(UP)”标记A应位于顶部。凸轮轴链轮上的TDC冲印标记B应与缸盖的顶部边缘对齐,如图3-27所示。
图3-27 将1号活塞置于上止点TDC位置
6. 拆下曲轴箱强制通风(PCV)软管,如图3-28所示。
图3-28 拆下曲轴箱强制通风(PCV)软管
7. 拆下曲轴皮带轮。
8. 使用千斤顶并将木块放置在油盘下部,支撑发动机。
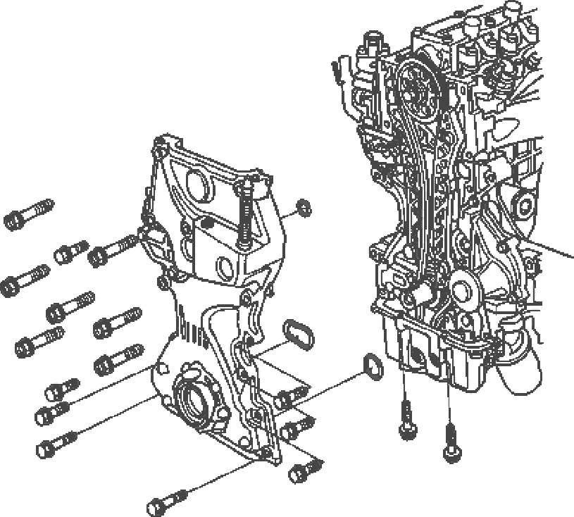
9. 拆下接地导线A,然后拆下发动机侧面装配支架B,如图3-29所示。
图3-29 拆下接地导线A等
10. 拆下油泵,如图3-30所示。
图3-30 拆下油泵
11. 测量张紧器体与张紧器臂平面部分之间张紧器杆的长度。如果长度超出规定值,则更换凸轮链条,如图3-31所示。
张紧器杆长度维修极限为:14.5 mm。
图3-31 测量张紧器杆的长度
12. 松弛地安装曲轴皮带轮。
13. 逆时针转动曲轴,以压紧自动张紧器,如图3-32所示。
图3-32 逆时针转动曲轴
14. 将锁定装置A和自动张紧器B上的孔对齐,然后将直径为1.0 mm的销C插入孔内。顺时针方向转动曲轴,将销紧固,如图3-33所示。
图3-33 将锁定装置A和自动张紧器B上的孔对齐
15. 拆下自动张紧器,如图3-34所示。
图3-34 拆下自动张紧器
16. 拆下曲轴皮带轮。
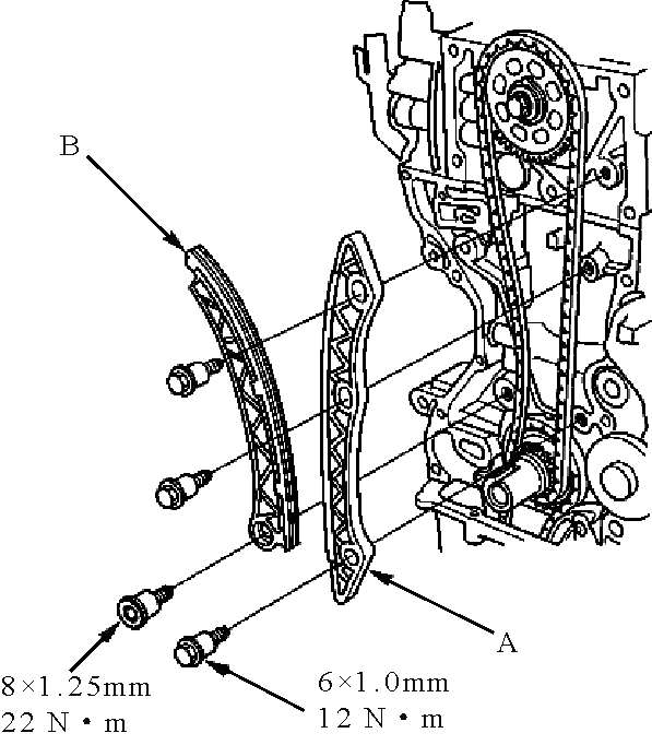
17. 拆下凸轮链条导向装置A和凸轮链条张紧器臂B,如图3-35所示。
图3-35 拆下凸轮链条导向装置A和凸轮链条张紧器臂B
18. 拆下凸轮链条。
凸轮链条的安装步骤和方法如下。
注意:使凸轮链条远离磁场。
1. 将曲轴置于上止点TDC位置。将曲轴链轮上的TDC 冲印标记A与发动机体上的指针标记B对齐,如图3-36所示。
图3-36 对准A、B标记
2. 将凸轮轴置于上止点TDC位置。凸轮轴链轮上的一个“向上(UP)”标记A应位于顶部。凸轮轴链轮上的TDC冲印标记B应与缸盖的顶部边缘对齐,如图3-37所示。
图3-37 对准正时标记
3. 使彩色链板A与曲轴链轮上的标记B对齐,将凸轮链条安装在曲轴链轮上,如图3-38所示。
图3-38 使彩色链板A与曲轴链轮上的标记B对齐
4. 使彩色链板A与凸轮轴链轮上的标记B对齐,将凸轮链条安装在凸轮轴链轮上,如图3-39所示。
图3-39 使彩色链板A与凸轮轴链轮上的标记B对齐
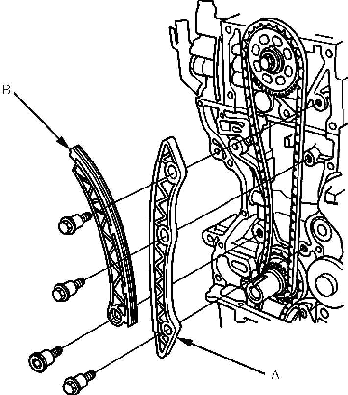
5. 安装凸轮链条导向装置A和张紧器臂B,如图3-40所示。
图3-40 安装凸轮链条导向装置A和张紧器臂B
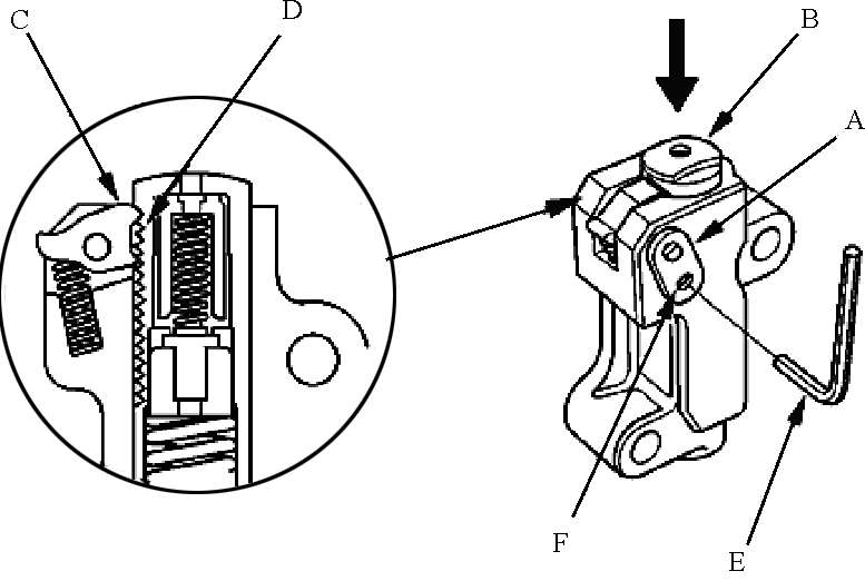
6. 更换凸轮链条时,压紧自动张紧器。将销从自动张紧器上拆卸。逆时针旋转平板A以松锁,然后将杆B下压,并将第一个凸轮C固定在齿条D第一齿上。将直径1.0 mm的销E插入孔F中,如图3-41所示。
注意:如果链条张紧器没有依此设置,则张紧器将会受损。
图3-41 将销从自动张紧器上拆卸等
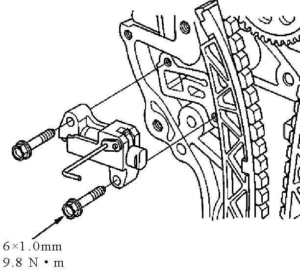
7. 安装自动张紧器,如图3-42所示。
8. 从自动张紧器上拆下销,如图3-43所示。
图3-42 安装自动张紧器
图3-43 从自动张紧器上拆下销
9. 检查油泵油封件是否损坏。如果油封件损坏,则将其更换。
10. 清除油泵配合面、螺栓和螺栓孔上的所有旧液体密封剂。
11. 清洁并干燥油泵配合面。
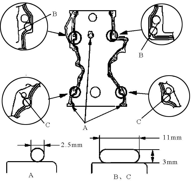
12. 在油泵发动机体的配合表面及螺栓孔内螺纹上,均匀地涂抹液体密封剂,如图3-44所示。
注意:沿线条A涂抹液滴直径约为2.5 mm的液体密封剂。
13. 在油泵的发动机体上表接触区域B和油泵的底座上表接触区域C上,涂抹液体密封剂。
注意:在区域B与C上涂抹液滴直径约为11 mm,厚度为3 mm的液体密封剂。
14. 在油泵的油盘配合面上,涂抹液体密封剂,如图3-45所示。
图3-44 均匀地涂抹液体密封剂
图3-45 涂抹液体密封剂
注意:
(1)沿图3-45中所示的点画线A涂抹液滴直径约为2.5 mm的液体密封剂。
(2)如果涂抹液体密封剂后已达到或超过了5分钟,则不要安装零、部件。而应清除已涂抹的液体密封剂,并重新涂抹新的液体密封剂。
15. 在油泵上安装新的Ο形密封圈A。先将油泵壳体B的边缘与油盘C的边缘对齐固定,然后再将油泵安装到发动机体上D。
松弛地安装暗销螺栓E,然后紧固8 mm螺栓F。紧固6 mm螺栓G与暗销螺栓。擦去油盘与油泵配合面上多余的液体密封剂,如图3-46所示。
图3-46 在油泵上安装新的Ο 形密封圈A等
注意:
(1)安装油泵时,不要使底部在油盘装配面上滑动。
(2)至少等待30分钟后,才能加注发动机油。
(3)安装油泵后至少3小时内,不要运行发动机。
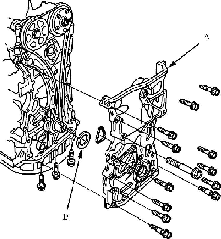
16. 安装侧发动机装配托架A,然后紧固新的螺栓和螺母B,并紧固螺栓C,如图3-47所示。
17. 安装接地导线D。
18. 安装曲轴皮带轮。
19. 安装曲轴箱强制通风(PCV)软管,如图3-48所示。
20. 安装缸盖罩。
21. 安装驱动皮带自动张紧器。
22. 安装挡泥板。
23. 安装前车轮。
24. 进行曲轴位置(CKP)模式清除/CKP模式。
图3-47 安装侧发动机装配托架A等
图3-48 安装曲轴箱强制通风(PCV)软管
凸轮链条的拆卸步骤与方法如下。
注意:使凸轮链条远离磁场。
1. 拆下前车轮。
2. 拆下挡泥板。
3. 配备油冷却器:将发动机冷却液排出。
4. 拆下驱动皮带。
5. 拆下缸盖罩。
6. 将1号活塞置于上止点TDC位置。可调气门正时控制(VTC)动作器上的冲印标记A和排气门凸轮轴链轮上的冲印标记B应位于顶部。将VTC动作器上的TDC冲印标记C和排气门凸轮轴链轮上的TDC冲印标记C对齐,如图3-49所示。
图3-49 将1号活塞置于上止点TDC位置
7. 配备油冷却器:从水泵上拆下油冷却器软管接头管,如图3-50所示。
图3-50 从水泵上拆下油冷却器软管接头管
8. 断开VTC 油控电磁阀接头A,如图3-51所示。
图3-51 断开VTC 油控电磁阀接头A
9. 拆下VTC 油控电磁阀。
10. 拆下曲轴皮带轮。
11. 使用千斤顶并将木块放置在油盘下部,支撑发动机。
12. 拆下接地导线A,然后拆下发动机侧装配支架B的螺栓C,如图3-52所示。
图3-52 拆下接地导线A等
13. 拆下发动机侧装配支架,如图3-53所示。
图3-53 拆下发动机侧装配支架
14. 拆下凸轮链条盖A与垫片B,如图3-54所示。
15. 松弛地安装曲轴皮带轮。
16. 逆时针转动曲轴,以压紧自动张紧器,如图3-55所示。
17. 将锁定装置A上的孔和自动张紧器B上的孔对齐,然后将直径1.2 mm的销或锁销(P/N14511PNA-003)C插入孔内。顺时针方向转动曲轴,将销紧固,如图3-56所示。
图3-54 拆下凸轮链条盖A与垫片B
图3-55 逆时针转动曲轴
图3-56 将锁定装置A上的孔和自动张紧器B上的孔对齐
18. 拆下自动张紧器,如图3-57所示。
19. 拆下凸轮链条导向装置B,如图3-58所示。
20. 拆下凸轮链条导向装置A和张紧器臂B,如图3-59所示。
图3-57 拆下自动张紧器
图3-58 拆下凸轮链条导向装置
图3-59 拆下凸轮链条导向装置A和张紧器臂B
21. 拆下凸轮链条。
凸轮链条的安装步骤与方法如下:
注意:
(1)使凸轮链条远离磁场。
(2)进行该步骤之前,检查可调气门正时控制(VTC)动作器是否已经通过反时针方向旋转VTC动作器而锁定。如果没有锁定,则顺时针方向旋转VTC 动作器,直到其停止,然后重新检查。如果仍没有锁定,则更换VTC动作器。
1. 将曲轴置于上止点TDC位置。将曲轴链轮上的TDC冲印标记A与发动机体上的指针标记B对齐,如图3-60所示。
图3-60 将曲轴置于上止点TDC位置等
2. 将凸轮轴置于上止点TDC位置。可调气门正时控制(VTC)动作器上的冲印标记A和排气门凸轮轴链轮上的冲印标记B应位于顶部。将VTC动作器上的TDC冲印标记C和排气门凸轮轴链轮上的TDC冲印标记C对齐,如图3-61所示。
图3-61 将凸轮轴置于上止点TDC位置等
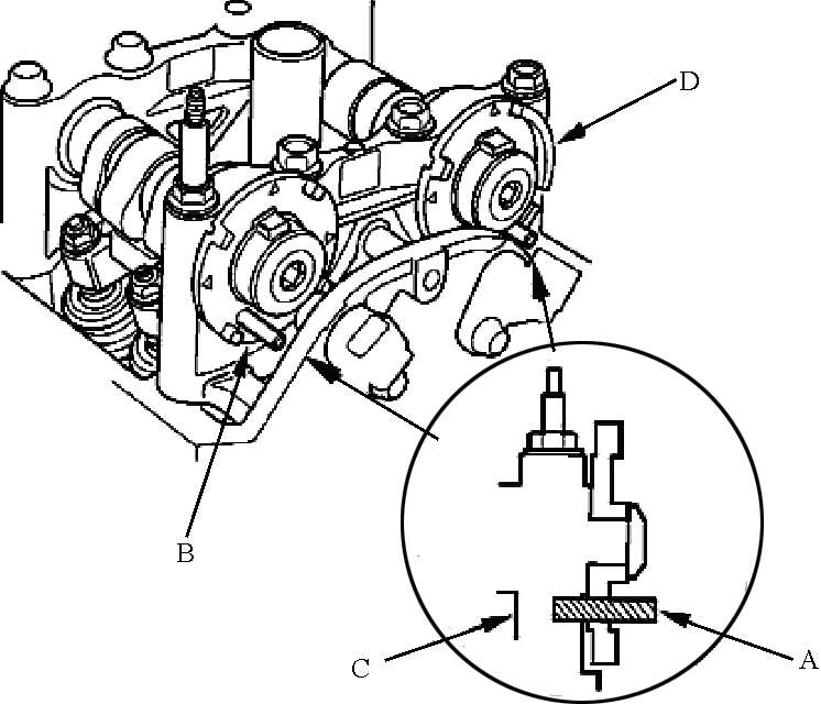
3. 为固定进气门凸轮轴,将可调节棘爪臂轴(P/N24635—P6H—000)A插入凸轮轴位置(CMP)脉冲板A、B中的检修孔,并穿过5号摇臂轴保持架C,如图3-62所示。
图3-62 插入凸轮轴位置(CMP)脉冲板AB中的检修孔等
4. 固定排气门凸轮轴,将可调节棘爪臂轴(P/N24635—P6H—000)A插入CMP脉冲板BD中的检修孔,并穿过5 号摇臂轴保持架C。
5. 将凸轮链条安装在曲轴链轮上,使彩色链板A与曲轴链轮上的标记B对齐,如图3-63所示。
图3-63 彩色链板A与曲轴链轮上的标记B对齐
6. 将凸轮链条安装在VTC动作器和排气门凸轮轴链轮上,使冲印标记A与两个彩色链板B的中心对齐,如图3-64所示。
图3-64 使冲印标记A与两个彩色链板B的中心对齐
7. 安装凸轮链条导向装置A和张紧器臂B,如图3-65所示。
图3-65 安装凸轮链条导向装置A和张紧器臂B
8. 更换凸轮链条时压紧自动张紧器。将销从自动张紧器上拆下。逆时针旋转平板A以松锁,然后将杆B下压,并将第一个凸轮C固定在齿条D第一齿上。将直径为1.2 mm的销或锁销(P/N14511-PNA003)E插入孔F中,如图3-66所示。
图3-66 将销从自动张紧器上拆下
注意:如果链条张紧器没有依此设置,则张紧器将会受损。
9. 安装自动张紧器,如图3-67所示。
10. 安装凸轮链条导向装置,如图3-68所示。
11.从自动张紧器上拆下销或锁销(P/N14511-PNA-003),如图3-69所示。
12. 拆下可调节棘爪臂轴(P/N24635—P6H—000),如图3-70所示。
图3-67 安装自动张紧器
图3-68 安装凸轮链条导向装置
图3-69 从自动张紧器上拆下销或锁销
13. 检查链条盖油封是否损坏。如果损坏,则更换链条盖油封。
14. 清除链条盖配合面、螺栓和螺栓孔上的所有旧液体密封剂。
15. 清洁并干燥链条盖配合面。
图3-70 拆下可调节棘爪臂轴
16. 在链条盖发动机体配合面及螺栓孔内螺纹上,均匀地涂抹液体密封剂,如图3-71所示。
注意:沿线条A涂抹液滴直径约为3 mm的液体密封剂。
图3-71 涂抹液体密封剂
17. 在油泵的发动机体上表接触区域B和油泵的底座上表接触区域C上,涂抹液体密封剂。
注意:在区域B与C上涂抹液滴直径为11 mm、厚度为3 mm的液体密封剂。
18. 在油泵的油盘配合面上,涂抹液体密封剂,如图3-72所示。
注意:
(1)沿线条A涂抹液滴直径约为3 mm的液体密封剂。
(2)如果涂抹液体密封剂后已达到或超过了5分钟,则不要安装零、部件。而应清除已涂抹的液体密封剂,并重新涂抹新的液体密封剂。
图3-72 沿点画线A涂抹液体密封剂
19. 在油泵上安装垫片A,然后安装新的Ο形密封圈B。先将油泵壳体C的边缘与油盘D的边缘对齐固定,然后再将油泵安装到发动机体上E。擦去油盘与油泵配合面上的剩余液体密封剂,如图3-73所示。
注意:
(1)安装油泵时,不要使底部在链条盖配合面上滑动。
(2)至少等待30分钟后,才能加注发动机油。
(3)安装油泵后至少3 小时内,不要运行发动机。
图3-73 在油泵上安装垫片A等
20. 安装发动机侧的装配托架的螺栓,然后紧固发动机侧的装配托架的装配螺栓,如图3-74所示。
21. 安装发动机侧的装配托架A,然后紧固新的螺栓B,并紧固螺栓C,如图3-75所示。
22. 安装接地导线D,如图3-75所示。
图3-74 安装发动机侧的装配托架螺栓
图3-75 安装发动机侧装配托架A等
23. 安装曲轴皮带轮。
24. 安装VTC油控电磁阀。
25. 连接VTC油控电磁阀接插件A,如图3-76所示。
26. 配备油冷却器:使用一个新的O形密封圈B安装油冷却器软管接头管,如图3-77所示。
图3-76 连接VTC油控电磁阀接插件A
图3-77 安装油冷却器软管接头管
27. 安装缸盖罩。
28. 安装驱动皮带。
29. 安装挡泥板。
30. 安装前车轮。
31. 配备油冷却器:向散热器内重新加注发动机冷却液,在加热器阀门打开的情况下,排放冷却系统内的空气。
32. 进行曲轴位置(CKP)模式清除/CKP模式学习程序。