



3.1 东风本田CR—V车系K20A4/K20A5/K24A1/K24A5型发动机的正时调整
本节重点介绍K20A4型、K20A5型、K24A1型、K24A5型发动机的正时调整。
R20A1型发动机的正时调整方法可参考3.6节广州本田雅阁R20A3型发动机的正时调整。
K24Z1型发动机的正时调整方法可参考3.6节广州本田雅阁K24Z2型、K24Z2型发动机的正时调整。
正时链条的拆卸步骤和方法如下。
注意:不要使正式链条与磁场接触。
1. 转动曲轴皮带轮,以使上止点TDC标记A与指示标B对齐,如图3-1所示。
图3-1 对准标记
2. 拆下前轮胎/车轮。
3 . 拆下挡泥板,如图3-2所示。
图3-2 拆下挡泥板
4. 卸下驱动皮带。
5. 拆下气门室盖。
6. 拆下曲轴皮带轮。
7. 断开曲轴转角(CKP)传感器插头A和可变气门正时控制(VTC)机油控制电磁阀插头B,如图3-3所示。
图3-3 断开插头A和B
8. 拆下VTC机油控制电磁阀。
9. 使用千斤顶并将木块放置在油底壳下部,支撑发动机。
10. 断开地线A,并拆下上部支架B,如图3-4所示。
图3-4 断开地线A和拆下上部支架B
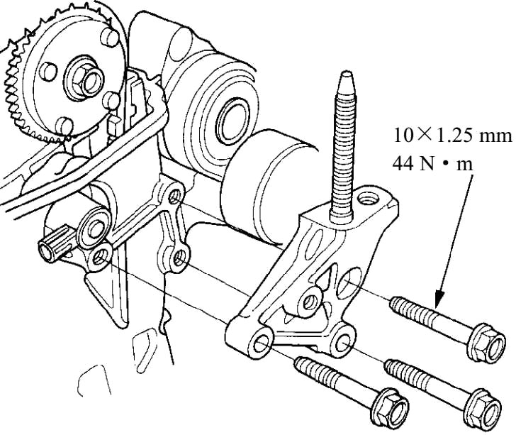
11. 拆下发动机侧安装支架,如图3-5所示。
图3-5 拆下发动机侧安装支架
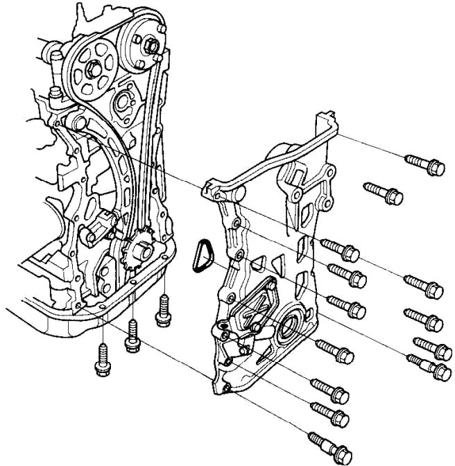
12. 拆下链条壳体,如图3-6所示。
图3-6 拆下链条壳体
13. 松弛地安装曲轴皮带轮。
14. 逆时针转动曲轴,以压紧自动张紧器,如图3-7所示。
图3-7 逆时针转动曲轴,以压紧自动张紧器
15. 将锁定装置A与自动张紧器B上的孔对正,然后将一个直径1.5 mm的销子C插入孔内。顺时针转动曲轴,以紧固销子,如图3-8所示。
图3-8 紧固销子
16. 拆下自动张紧器,如图3-9所示。
图3-9 拆下自动张紧器
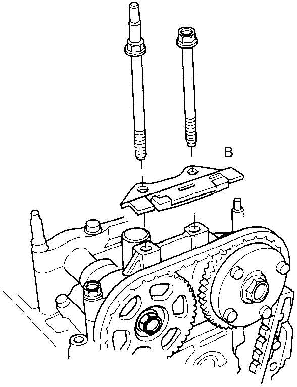
17. 拆下正时链条导向装置B,如图3-10所示。
图3-10 拆下正时链条导向装置B
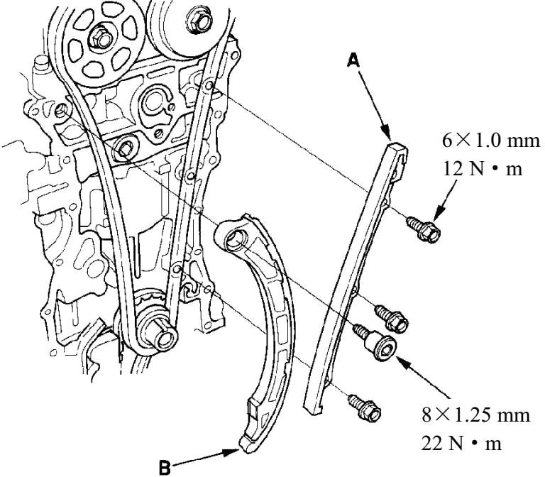
18. 拆下正时链条导向装置A和张紧器臂B,如图3-11所示。
图3-11 拆下正时链条导向装置A和张紧器臂B
19. 拆下正时链条。
正时链条的安装步骤和方法如下。
注意:不要使正时链条与磁场接触。
1. 将曲轴置于上止点TDC。将曲轴链轮上的TDC标记A与缸体上的指示标B对齐,如图3-12所示。
图3-12 将TDC标记A与缸体上的指示标记B对齐
2. 将凸轮轴置于TDC。可变气门正时控制(VTC)动作器上的一个冲印箭头标记A和排气凸轮轴链轮上的冲印标记B应位于顶部。将VTC动作器与排气凸轮轴链轮上TDC标记C对齐,如图3-13所示。
图3-13 将VTC动作器与排气凸轮轴链轮上的TDC标记C对齐
3. 使彩色链节A与曲轴链轮上的冲印标记B对齐,将正时链条安装在曲轴轮上,如图3-14所示。
图3-14 将正时链条安装在曲轴轮上
4. 使冲印标记A与两个彩色链节B对齐,将正时链条安装在VTC动作器和排气凸轮轴链轮上,如图3-15所示。
图3-15 使冲印标记A与两个彩色链节B对齐
5. 安装正时链条导向装置A和张紧器臂B,如图3-16所示。
图3-16 安装正时链条导向装置A和张紧器臂B
6. 安装自动张紧器,如图3-17所示。
图3-17 安装自动张紧器
7. 安装正时链条导向装置B,如图3-18所示。
图3-18 安装正时链条导向装置B
8. 从自动张紧器上卸下固定销,如图3-19所示。
9. 检查链条壳体油封是否损坏。如果损坏,则更换链条壳体油封。
图3-19 从自动张紧器上卸下固定销
10. 清除链条壳体配合面及螺栓和螺栓孔上的旧液体密封剂。
11. 清洗链条壳体配合面并将其晾干。
12. 在链条壳体的缸体配合面和螺栓孔的内螺纹上,均匀地加上液体密封剂,如图3-20所示。
图3-20 沿点画线加上液体密封剂
13. 在链条壳体的缸体上部配合面A上,加上液体密封剂,如图3-20所示。
14. 在链条壳体的油底配合面和螺栓孔的内螺纹上,均匀地加上液体密封剂。
注意:若施加液体密封剂后已达到或超过了5 分钟则不要安装零、部件。而应清除已施加的液体密封剂,并重新加上新的液体密封剂,如图3-21所示。
图3-21 加上液体密封剂
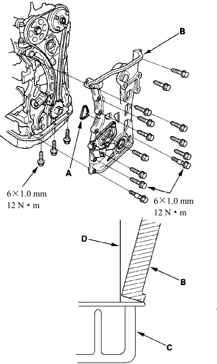
15. 在链条壳体上安装新O形密封圈A。先将链条壳体B的边缘与油底壳C的边缘对齐固定,然后再将链条壳体安装到缸体D上,如图3-22所示。
注意:安装链条壳体时,不要滑动与油底壳的底部配合面。
图3-22 将链条壳体安装到缸体D上
16. 安装发动机侧面的安装支架,如图3-23所示。
图3-23 安装发动机侧面的安装支架
17. 安装上支架A,然后按图所示的力距数拧紧螺栓/螺母,如图3-24所示。
图3-24 拧紧螺栓/螺母
18. 安装地线B,如图3-24所示。
19. 安装VTC机油控制电磁阀。
20. 连接曲轴转角(CKP)传感器插头A和可变气门正时控制(VTC)机油控制电磁阀插头B,如图3-25所示。
图3-25 连接曲轴转角(CKP)传感器插头A等
21. 安装曲轴皮带轮。
22. 安装气门室盖。
23. 安装驱动皮带。
24. 安装挡泥板,其组件位置索引如图3-26所示。
图3-26 安装挡泥板组件位置索引