



企业资源规划是由MRP逐步演变并结合计算机技术的快速发展而产生的,大致经历了MRP、闭环MRP、MRP II和ERP这四个阶段,以下关于企业资源规划论述,不正确的是 (24) 。
(24)A.MRP是指物料需求计划,根据生产计划、物料清单、库存信息制定出相关的物资需求
B.MRP II是指制造资源计划,侧重于对本企业内部人、财、物等资源的管理
C.闭环MRP充分考虑现有生产能力约束,要求根据物料需求计划扩充生产能力
D.ERP系统在MRP II的基础上扩展了管理范围,把客户需求与企业内部的制造活动以及供应商的制造资源整合在一起,形成一个完整的供应链管理
ERP概念由美国Gartner Group公司于20世纪90年代提出,它是由MRP逐步演变并结合计算机技术的快速发展而产生的,大致经历了基本MRP、闭环MRP 、MRPⅡ和ERP四个阶段。
基本MRP(Materials Requirement Planning,物料需求计划)是由美国生产与库存管理协会(APICS)于20世纪60年代初提出的。基本MRP聚焦于相关物资需求问题,根据主生产计划、物料清单和库存信息,制定出相关物资的需求时间表,从而即时采购所需物资,降低库存。MRP借助先进的计算机技术和管理软件进行物料需求量的计算,与传统的手工方式相比,计算的时间大大缩短,计算的准确度也相应地得到大幅度的提高。
20世纪60年代的MRP能根据有关数据计算出相关物料需求的准确时间与数量,但其缺陷是没有考虑到生产企业现有的生产能力和采购的有关条件约束,也缺乏根据计划实施情况的反馈信息对计划进行调整的功能。为此,MRP系统在20世纪70年代发展为闭环MRP系统。闭环MRP系统除了编制资源需求计划外,还要编制能力需求计划(CapacityRequirement Planning,CRP),并将生产能力需求计划、车间作业计划和采购作业计划与物料需求计划一起纳入MRP。MRP系统的正常运行,需要有一个现实可行的主生产计划。它除了要反映市场需求和合同订单以外,还必须满足企业的生产能力约束条件。为了保证实现计划,MRP使用派工单来控制加工的优先级,用采购单来控制采购的优先级。这样,基本MRP系统进一步发展,把能力需求计划和计划的执行及控制功能也包括进来,形成一个环形回路,称为闭环MRP。闭环MRP的基本目标是满足客户和市场的需求。能力需求计划的运算过程就是把物料需求计划定单换算成能力需求数量,生成能力需求报表。当然,在计划时段中也有可能出现能力需求超过负荷或低于负荷的情况。闭环MRP能力计划通常是通过报表的形式(直方图是常用工具)向计划人员报告,但是尚不能进行能力负荷的自动平衡,这个工作由计划人员人工完成。接下来,闭环MRP将客观生产活动进行的状况及时反馈到系统中,以便根据实际情况进行调整与控制,以使各种资源既能合理利用又能按期完成各项订单任务。闭环MRP在基本MRP的基础上,增加了生产能力计划、车间作业计划和采购作业计划,将整个生产管理过程纳入计划;并且在计划执行中根据反馈信息平衡和调整计划,使得生产的各个方面协调统一。
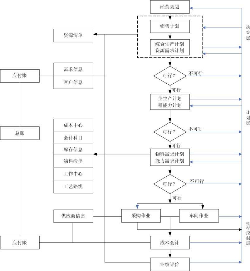
20世纪70年代闭环MRP系统的出现,使生产活动方面的各种子系统得到了统一。但这显然还不够,因为在企业的管理中,生产管理只是一个方面,它所涉及的仅仅是物流,而与物流密切相关的还有资金流。这在许多企业中是由财会人员另行管理的,这就造成了数据的重复录入与存储,甚至造成数据的不一致性。于是,在20世纪80年代,人们把生产、财务、销售、工程技术、采购等各个子系统集成为一个一体化的系统,称为制造资源计划系统。由于制造资源计划(Manufacturing Resource Planning)的英文缩写还是MRP,为了与表示物料需求计划的MRP(Materials Requirement Planning)相区别,而记为MRPⅡ。MRPⅡ的基本思想就是把企业作为一个有机整体,从整体最优的角度出发,通过运用科学方法对企业各种制造资源和产、供、销、财各个环节进行有效组织、管理和控制,从而使各个部门充分发挥作用,整体协调发展。MRPⅡ的逻辑流程图如图2-6所示。
图2-6 MRPII的逻辑流程图
图2-6的右侧是计划与控制的流程,它包括了决策层、计划层和执行控制层,可以理解为经营计划管理的流程;中间是基础数据,存储在计算机系统的数据库中,并且反复调用。这些数据信息的集成,把企业各个部门的业务沟通起来,可以理解为计算机数据库系统;左侧是主要的财务系统,这里只列出应收账、总账和应付账。各个连线表明信息的流向及相互之间的集成关系。
MRPⅡ的特点可以从以下几个方面来说明,每一项特点都含有管理模式的变革和人员素质或行为变革两方面,这些特点是相辅相成的。
(1)计划的一致性和可行性。MRPⅡ是一种计划主导型管理模式,但始终保证与企业经营战略目标一致。MRPⅡ把通常的计划决策、计划制定和计划执行这三级计划管理统一起来,从宏观到微观、从战略到技术、由粗到细逐层优化,计划下达前反复验证和平衡生产能力,车间班组只能执行计划、调度和反馈信息,计划制定层和计划决策层根据反馈信息及时调整,处理好供需矛盾,从而保证计划的一致性和可执行性。
(2)管理的系统性。MRPⅡ是一项系统工程,它把企业所有与生产经营直接相关部门的工作联结成一个整体,各部门都从系统整体出发做好本职工作,每个员工都知道自己的工作质量同其他职能部门的关系,改变了条块分割、各行其是的局面,团队精神得到发扬。
(3)数据共享性。MRPⅡ是一种制造企业管理信息系统,企业各部门都依据统一数据信息进行管理,任何一种数据变动都能及时地反映给所有部门,做到数据共享。在统一的数据库支持下,按照规范化的处理程序进行管理和决策,改变了过去经常出现的那种信息不通、情况不明、盲目决策、相互矛盾的状况。
(4)动态应变性。MRPⅡ是一个闭环系统,它要求跟踪、控制和反馈瞬息万变的实际情况,管理人员可随时根据企业内外环境条件的变化迅速做出响应,及时应对,保证生产正常进行。
(5)模拟预见性。MRPⅡ具有模拟功能。它可以解决“如果怎样……将会怎样”的问题,可以预见在相当长的计划期内可能发生的问题,事先采取措施消除隐患,而不是等问题已经发生了再花几倍的精力去处理。
(6)物流、资金流的统一。MRPⅡ包含了成本会计和财务功能,可以由生产活动直接产生财务数据,把实物形态的物料流动直接转换为价值形态的资金流动,保证生产和财务数据一致。财务部门及时得到资金信息用于控制成本,通过资金流动状况反映物料和经营情况,随时分析企业的经济效益,为企业经营管理层指导和控制经营生产活动提供有价值的决策参考。
以上几个方面的特点表明,MRPⅡ是一个比较完整的生产经营管理计划体系,是实现制造业企业整体效益的有效管理模式。
(24)C