



输入电路中设有RC滤波电路,以防止由于输入触点抖动或外部干扰脉冲引起错误的输入信号。S7-200 PLC的输入滤波电路的延迟时间可以用编程软件中的系统块设置。
图 1-10 输入电路
图 1-10 是S7-200 PLC的直流输入模块的内部电路和外部接线图,图中只画出了一路输入电路,输入电流为数毫安。1 M是同一组输入点各内部输入电路的公共点。S7-200 PLC可以用CPU模块内部的DC 24 V电源作输入回路的电源,它还可以为接近开关、光电开关之类的传感器提供DC 24 V电源。
当图 1-10 中的外接触点接通时,光耦合器中两个反并联的发光二极管中的一个亮,光敏三极管饱和导通;外接触点断开时,光耦合器中的发光二极管熄灭,光敏三极管截止,信号经内部电路传送给CPU模块。显然,可以改变图 1-10 中输入回路的电源极性。
交流输入方式适合于在有油雾、粉尘的恶劣环境下使用。S7-200 PLC有AC 120 V/230 V输入模块。直流输入电路的延迟时间较短,可以直接与接近开关、光电开关等电子输入装置连接。
S7-200 PLC的CPU模块的数字量输出电路的功率器件有驱动直流负载的场效应晶体管和小型继电器,后者既可以驱动交流负载又可以驱动直流负载,负载电源由外部提供。
输出电流的额定值与负载的性质有关,例如S7-200 PLC的继电器输出电路可以驱动 2 A的电阻性负载,但是只能驱动 200 W的白炽灯。输出电路一般分为若干组,对每一组的总电流也有限制。
图 1-11 是继电器输出电路,继电器同时起隔离和功率放大作用,每一路只给用户提供一对动合触点。与触点并联的RC电路和压敏电阻用来消除触点断开时产生的电弧。
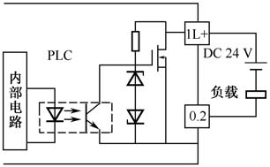
图 1-12 是使用场效应晶体管(MOSFET)的输出电路。输出信号送给内部电路中的输出锁存器,再经光耦合器送给场效应晶体管,后者的饱和导通状态和截止状态相当于触点的接通和断开。图中的稳压管用来抑制关断过电压和外部的浪涌电压,以保护场效应晶体管,场效应晶体管输出电路的工作频率可达 20~100 kHz。
图 1-11 继电器输出电路
图 1-12 场效应晶体管输出电路
S7-200 PLC的数字量扩展模块中还有一种用双向晶闸管作为输出元件的AC 230 V的输出模块。每点的额定输出电流为 0.5 A,灯负载为 60 W,最大漏电流为 1.8 mA,由接通到断开的最大时间为 0.2 ms与工频半周期之和。
继电器输出模块的使用电压范围广,导通压降小,承受瞬时过电压和过电流的能力较强,但是动作速度较慢,寿命(动作次数)有一定的限制。如果系统输出量的变化不是很频繁,建议优先选用继电器型的输出模块。
场效应晶体管型输出模块用于直流负载,它的反应速度快、寿命长,过载能力稍差。
各I/O点的通/断状态用发光二极管(LED)显示,PLC与外部接线的连接一般采用接线端子。