购买
下载掌阅APP,畅读海量书库
立即打开
畅读海量书库
扫码下载掌阅APP

1.1 微电脑控制式全自动洗衣机

采用单片微电脑集成电路芯片组装的全自动洗衣机型号较多,既有波轮式的,也有滚筒式的,但它们的控制原理大致相同。故只要搞懂了一种微电脑控制全自动洗衣机的工作原理与故障检修方法,对于其他全自动洗衣机的故障检修也就迎刃而解了。下面以小天鹅XQB40—868FG型全自动洗衣机为例,介绍微电脑控制式全自动洗衣机的组成与基本原理。

1.1.1 微电脑控制式全自动洗衣机电路的组成

小天鹅XQB40—868FG型全自动洗衣机采用了多功能、大循环立体水流,模糊控制方式,不用人设定水位高低,由CPU(中央处理器)根据衣物的多少、气温高低来设定水位、洗涤时间及选择洗涤程序,从而使洗涤效果最佳。

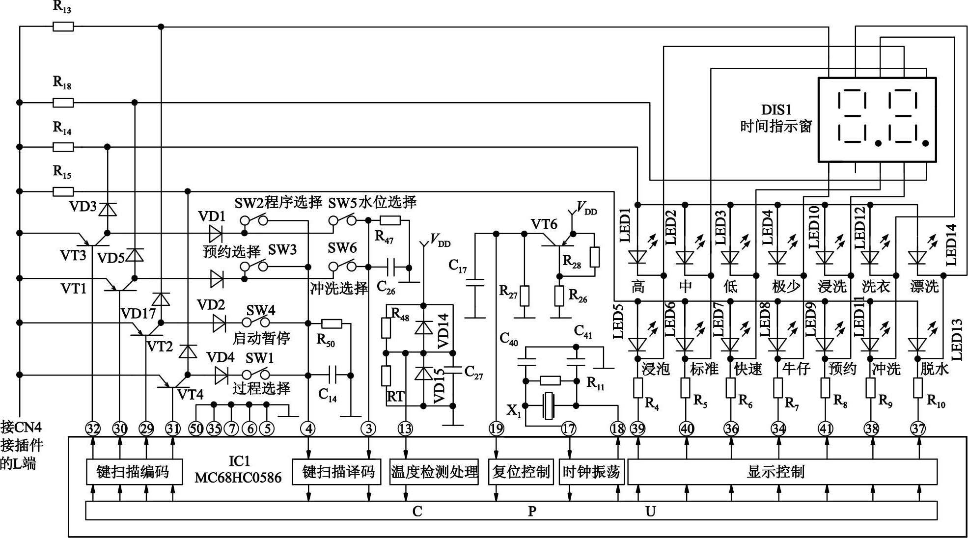
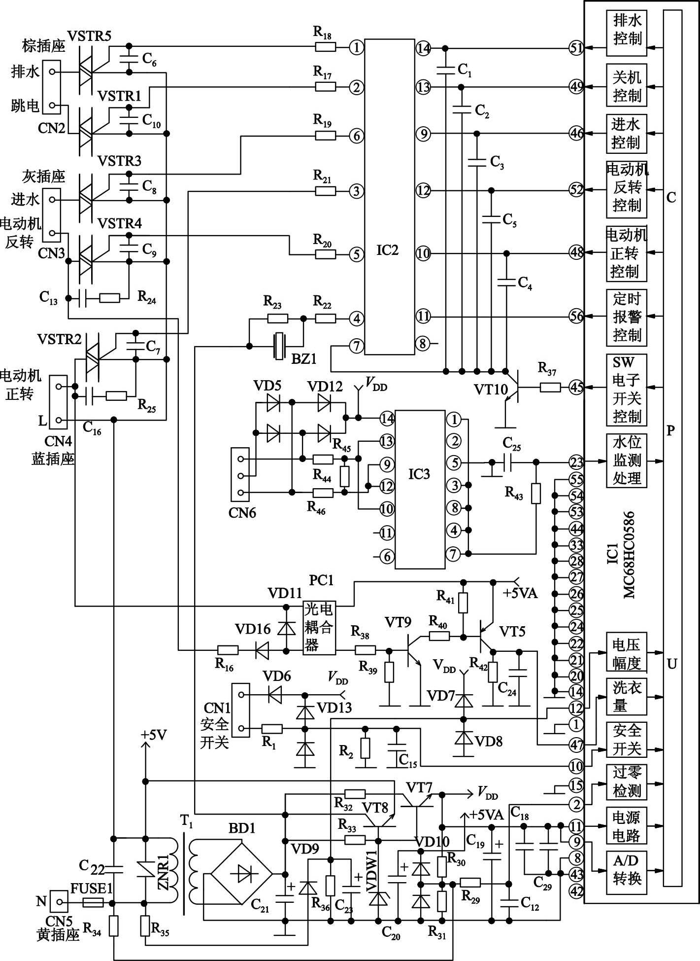
小天鹅XQB40—868FG型全自动洗衣机微电脑控制系统主要由MC68HC0586(IC1)微处理单片机为核心构成。该集成电路采用 脚双列式封装方式,其各引脚功能说明如表1-1所列。电路其控制左半部分电路如图1-1所示,右半部分电路如图1-2所示。

表1-1 微处理单片机集成电路MC68HC0586(IC1)各引脚功能说明

(续表)

图1-1 小天鹅XQB40—868FG型全自动洗衣机控制电路左半部分电路

图1-2 小天鹅XQB40—868FG型全自动洗衣机控制电路右半部分电路

1.1.2 微电脑控制式全自动洗衣机电路的原理

小天鹅XQB40—868FG型全自动洗衣机各部分电路的工作过程可以从以下几个方面来进行分析与说明。

1. 电源电路

电源电路由ZNR1(过压保护压敏电阻器)、T 1 、C 22 、VD10、C 21 、VDW1、VT7、VT8、R 33 、R 32 等元器件组成。

该电路将T 1 降压的10 V交流低压整流滤波成12 V直流电压,一路送至蜂鸣器BZ1;另一路经VT7、VT8等组成两路串联型稳压电路。由VT7输出的+5 V电压提供给IC1复位电路、安全开关和温度检测电路;由VT8输出的+5 V电压提供给电动机控制电路、过零检测电路。

2. 复位电路

复位电路由ICl第 脚及其外接的VT6、C 17 、R 28 、R 27 、R 26 等元器件组成。开机时,+5 V电压通过VT6加到ICl第 脚,由于C 17 电容器上的电压不能突变,故ICl第 脚上的电压需延迟一段时间后才上升为5 V,这段时间即为C 17 的充电时间。在这段时间里,ICl进行清零复位(ICl第 脚出现16~4064个周期的低电平后复位)。正常工作时,ICl第 脚为+5 V高电平。R 27 既是限幅电阻器,又是C 17 电容器的放电电阻器。

3. 时钟振荡电路

时钟振荡电路由ICl第 脚及其外接的X 1 、R 11 、C 40 、C 41 等元器件组成。振荡电路的振荡频率主要由X 1 决定,其振荡频率为4 MHz。时钟振荡电路产生的振荡脉冲作为IC1工作时钟。C 40 、C 4l 与X 1 晶体封装为一体。

4. 键盘扫描电路

键盘扫描电路由ICl第 脚与第③、④脚及其外接元器件构成。其中:ICl第 脚为键扫描(显示扫描)信号输出端(输出为不同时序的扫描方波)。该信号通过VTl~VT4、VD1~VD4等元器件去检测键盘的输入和控制指示灯、数码管的开启;ICl第③、④脚为键扫描信号输入端口。当有键按下后,ICl根据解析得到的结果,发出执行指令。电路中C 14 、C 26 用来滤除键指令信号中的干扰成分;R 50 、R 47 为限幅电阻器。

5. 水位监测电路

水位监测电路由ICl第 脚内电路及外接IC3、VD12、R 43 ~R 46 、C 25 、VD5、水位传感器(是一种LC振荡回路)组成。其中:IC3为CD4069六反相器集成电路。

当洗衣桶内水位发生变化时,水位传感器密封气室内的隔膜便产生形变,使LC振荡电路的振荡频率发生变化。这一变化的频率信号经R 45 等从IC3第 脚输入,经其内反相器倒相放大后从其第 脚输出,又从其第⑨脚输入,经再一次倒相后从第⑧脚输出,经R 43 送至ICl第 脚。

ICl第 脚将这一频率信号与其内预先设定的值进行比较,从而得出水位的高低。这部分电路中的R 44 为反馈电阻器,C 25 为旁路电容器,VD12、VD5为限幅保护器件。

6. 温度检测电路

温度检测电路由ICl第 脚内电路及外接的VDl4、C 27 、R 48 、RT等元器件组成,用以对周围环境温度进行检测,控制洗涤时间以达到最佳洗涤效果。RT为正温度系数热敏电阻器,在25℃常温时,其电阻值为5.1 kΩ左右。当环境温度上升时,其电阻值将变大,+5 V电压经R 48 与RT分压加到ICl第 脚的电压升高,ICl根据检测得到的模拟量信息,选择最佳方案进行洗涤。

在这部分电路中,VDl4为限幅保护二极管,C 27 为滤波电容器。

7. 衣物量检测电路

洗衣机内衣物的多少是在开机运行时,通过检测电动机在多次正、反转运行断电后,惯性维持运转时间内,其电动机绕组产生的反电动势衰减时间的长短来精确测知的。其检测原理如下。

当电动机接通电源运转时切断电源后,电动机在惯性作用下将继续运转一段时间才会停止。而洗衣桶内衣物的多少将直接影响电动机惯性运行时间的长短。当电动机断电后在进行惯性运行时,其绕组上会感应出反电动势。因此,洗衣桶内衣物的多少不仅影响电动机惯性运转时间的长短,也直接影响到电动机反电动势衰减时间的长短。而对该反电动势的检测,就可使微处理器检测出衣物的多少。

其检测信号过程是:

当上述的反电动势经光电耦合器PC1形成的衰减脉冲送至由R 38 ~R 41 、VT9、VT5组成的整形放大电路处理后,再由R 42 限幅、C 24 滤波后送至ICl第 脚。ICl对该脉冲的个数进行计数,根据测得的信息便可知洗衣桶内衣物的多少。

8. 安全开关检测电路

安全开关检测电路由ICl第⑩脚内电路及外接的VD6、VD13、R 2 、C 15 等元器件组成。主要是用来检测门盖的开和关及是否撞桶等。

当门盖开关接通(触点闭合)时,VD6正偏导通,+5 V电压经R 1 限流、VD13钳位、R 2 电阻器限幅、C 15 电容器滤波后进入ICl第⑩脚。ICl检测到这一高电平信号后,便判断门盖处于关闭状态。

该洗衣机安全开关设在桶外部一传动杠杆上,当洗衣机门盖打开时,安全开关触点断开。在脱水过程中,若打开门盖,电动机将立即刹车,程序也将暂停执行,只有将门盖重新关好,电动机才能重新启动。当程序暂停执行后,若门盖仍未关好,则电路将产生报警信号。

另外,在洗涤过程中,若衣物偏向一方,则在脱水过程中,内桶将产生较强的摆动,当安全开关瞬间受撞击出现开、闭动作时,ICl检测到这一信息后,就暂时停止执行程序,并进水调整桶内衣物的位置。

9. 负载驱动电路

负载驱动电路由ICl第 脚内电路及外接的IC2、VS1~VS5等元器件组成。其中:IC2为μPA67C六功率驱动集成电路,其内电路结构如图1-3所示。VS1~VS5为双向晶闸管,VS5用于控制排水阀,VSl控制自动断电式开关,VS3控制进水阀,VS2控制电动机正转,VSTR4控制电动机反转。控制信号由IC1根据用户输入的键控指令,经解析后从ICI第 脚输出,控制IC2输出双向晶闸管触发信号,从而使相应的双向晶闸管导通,其相关的负载接通电源工作。

图1-3 六功率驱动集成电路μPA67C内电路结构

10. 蜂鸣器报警电路

蜂鸣器报警电路由ICl第 脚内电路及外接的IC2(一只驱动管)、BZ1蜂鸣器等组成。ICl内设2.4 kHz频率信号产生电路,由其第 脚输出,经IC2第 脚内的驱动管放大后从IC2第④脚输出,驱动BZ1蜂鸣器发声。当有键按下时,蜂鸣器发出50毫秒的报警声;当程序运行结束后,蜂鸣器以0.5秒断续报警6次;当洗衣机出现故障或有不安全因素时,蜂鸣器长鸣11秒。

11. 显示电路

显示电路分为功能显示和时间显示两部分。功能显示由发光二极管LED1~LED14及限流电阻器R 4 ~R 10 等组成;时间显示由数码管DISl等组成,并受ICl相关引脚输出信号的控制。IC1第 脚输出发光二极管的正端驱动信号和数码管的位信号;其第 脚输出发光二极管的低电位信号和数码管的段信号。

12. 过零检测电路

过零检测电路的作用是使ICl的控制输出与电网同步,从而实现双向晶闸管的过零触发。过零检测电路由ICl第②脚内电路及其外接的C 12 、R 29 ~R 31 、R 34 、VD10等组成。检测信号由R 34 从T 1 初级端取得,经VD10二极管钳位,R 30 、R 3l 限幅,R 29 限流,C 12 旁路后,加到ICl第②脚,ICl对该信号进行检测,并在交变电压过零时产生驱动信号输出。

13. 过压和欠压保护电路

过压和欠压保护电路由ICl第 脚及R 35 、VD9、R 36 、VD7、C 23 等组成。取样电压由R 35 从T 1 初级引出。该电压经VD9半波整流、C 23 滤波,在R 36 电阻器两端产生随电网电压变化的直流电压,该电压再经VD7钳位、C 23 滤波加至ICl第 脚,ICl将检测到的电压信号与其内的基准信号进行比较,就可得知电网电压的高低。当电网电压过压时,ICl输出报警信号,并自动关机;当电网电压欠压时,ICl将关闭一切输出,并作出相应的显示。 0qSnF2+1MJbyprm7nqnlDA+6/Qhyb03u3MkijerkVXeQbj79jSozI2oQ2iSczHx3

点击中间区域
呼出菜单
上一章
目录
下一章
×