购买
下载掌阅APP,畅读海量书库
立即打开
畅读海量书库
扫码下载掌阅APP

2.1 海尔系列洗衣机故障上门速查快修实例

例1 海尔XQB45—A型微电脑控制式全自动洗衣机指示灯不亮也不能工作

◎故障现象

据用户介绍,该洗衣机插上电源插头进行功能操作时,洗衣机面板上的指示灯不亮,整机也不能工作。

◎故障分析

根据用户介绍的情况来看,出现这种故障的部位通常与整机的供电或系统控制电路有关。检修时,可先对这两方面电路进行检查。

◎故障检修

1. 判断故障的大概部位

(1)接通电源后,测量加到电源变压器T 1 初级上的220 V交流电基本正常,次级输出的14 V左右的交流低压也无问题。

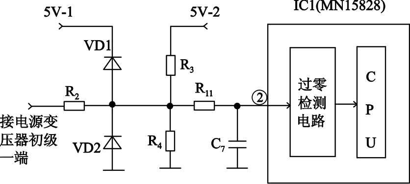
(2)测量由整流桥堆VDB1整流、C 2 电容器滤波后的直流电压正常,由VT10、R 16 、VDZ1组成的简易稳压电路输出的+5 V电压正常,且该电压也加到了微处理器集成电路IC1(MN15828)的工作电压输入端 脚上。

(3)检查系统控制微处理器IC1(MN15828)的复位信号输入端⑦脚上的复位信号无问题,但用示波器检查时钟振荡电路⑧与⑨脚上无时钟振荡波形。相关电路如图2-1所示。

图2-1 海尔XQB45—A型微电脑控制式洗衣机微处理器时钟振荡电路

(4)对IC1(MN15828)的⑧与⑨脚之间连接的电阻器R 14 、石英晶体振荡器XTJ组件进行检查,结果发现石英晶体振荡器XTJ组件的接地线引脚脱焊。

2. 故障处理

加锡将石英晶体振荡器XTJ组件脱焊的接地线引脚重焊牢固后,接通电源试机,洗衣机的工作恢复了正常,故障排除。

例2 海尔XQB45—A型微电脑控制式全自动洗衣机不工作且指示灯也不亮

◎故障现象

据用户介绍,该全自动洗衣机接通电源后,指示灯均不亮,功能按钮开关全部失效,不能进行工作。

◎故障分析

根据用户介绍的情况来看,出现这种故障的部位通常与整机的供电电路、微处理器控制电路有关。检修时,可先对这两部分电路进行检查。

◎故障检修

1. 判断故障的大概部位

(1)接通电源后,测量加到电源变压器T 1 初级上的220 V交流电基本正常,次级输出的14 V左右的交流低压也无问题。

(2)测量由整流桥堆VDB1整流、C 2 电容器滤波后的直流电压正常,由VT10、R 16 、VDZ1组成的简易稳压电路输出的+5 V电压正常,且该电压也加到了微处理器集成电路IC1(MN15828)的工作电压输入端 脚上。

(3)采用示波器检查微处理器控制芯片IC1(MN15828)的时钟振荡引脚⑧与⑨脚电路上的振荡波形也正常,但检查IC1(MN15828)的⑦脚复位端的C 6 电容器上的复位电压始终处于低电平,正常情况下复位后的电压应上升为3.8 V左右。相关电路如图2-2所示。

图2-2 海尔XQB45—A型微电脑控制式全自动洗衣机复位电路

(4)对复位电路中的C 6 进行检查,结果发现IC1(MN15828)的⑦脚复位端焊点有一圈裂纹,成虚焊现象。

2. 故障处理

加锡将IC1(MN15828)虚焊⑦脚的重焊一遍使其牢固后,接通电源试机,洗衣机的工作恢复了正常,故障排除。

例3 海尔XQB45—A型微电脑控制式全自动洗衣机脱水时电动机不转

◎故障现象

据用户介绍,该洗衣机插上电源插头接通电源后,可以正常进水,洗涤也正常,但脱水时电动机不能运转,随后发出报警声,同时故障指示灯闪亮。

◎故障分析

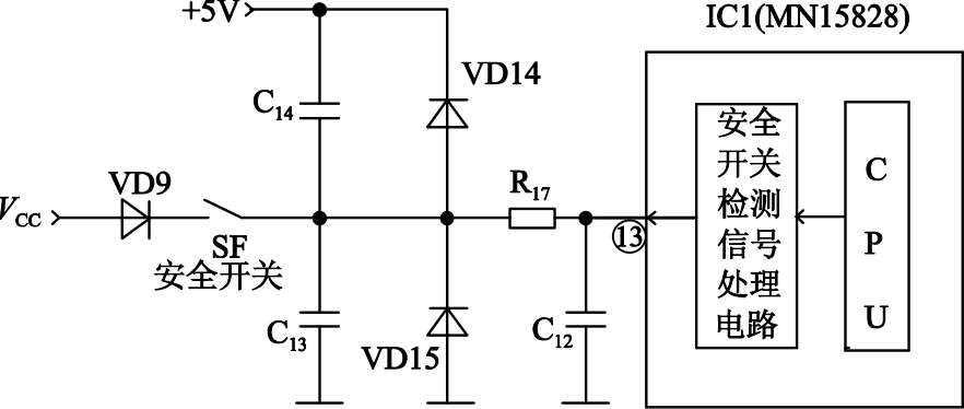
根据用户介绍的情况来看,由于洗涤时电动机工作正常,说明微电脑控制电路、电动机电路的工作基本正常,出现这种故障的部位通常与脱水有关的安全开关SF有关。相关电路如图2-3所示。检修时,可先对这部分电路进行检查。

图2-3 海尔XQB45—A型微电脑控制式全自动洗衣机安全开关控制电路

◎故障检修

1. 判断故障的大概部位

(1)拆开面板,对安全开关(盖开关)SF进行检查,没有发现有明显的异常,怀疑问题出在电路上。

(2)对与安全开关SF有关的电路与元器件进行检查,结果发现R 17 的电阻值为∞,显然已经开路。

2. 故障处理

更换一只新的、同规格的560 Ω金属膜电阻器装上后,接通电源试机,脱水功能恢复了正常,故障排除。

例4 海尔XQB45—A型微电脑控制式全自动洗衣机显示正常但蜂鸣器不响整机也不工作

◎故障现象

据用户介绍,该全自动洗衣机接通电源后,操作功能按钮时,显示正常,但蜂鸣器不响,整机也不能进入正常的工作状态。

◎故障分析

根据用户介绍的情况来看,出现这种故障的部位通常与整机的系统控制微处理器电路有关。检修时,可先对这部分电路进行检查。

◎故障检修

1. 判断故障的大概部位

(1)检查提供给微处理器IC1(MN15828)的②脚上的+5 V电压在正常值范围内,且稳定。

(2)测量提供给微处理器IC1(MN15828)的⑦脚上的复位电压也无明显的异常现象。

(3)用示波器检查微处理器控制芯片IC1(MN15828)的时钟振荡引脚⑧与⑨脚上的时钟振荡波形正常。怀疑IC1(MN15828)的过零检测电路有问题,相关电路如图2-4所示。

图2-4 海尔XQB45—A型微电脑控制式全自动洗衣机过零检测电路

(4)对IC1(MN15828)的②脚外接的过零检测电路中的有关元器件进行检查,结果发现C 7 电容器有严重漏电现象存在。

2. 故障处理

更换一只新的、同规格的0.01 μF的瓷片电容器装上后,接通电源试机,洗衣机的工作恢复了正常,故障排除。

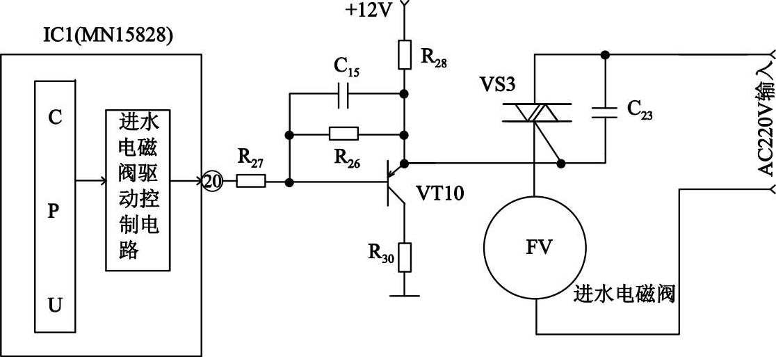
例5 海尔XQB45—A型微电脑控制式全自动洗衣机水位达到设定的位置后仍然不停止进水

◎故障现象

据用户介绍,该洗衣机插上电源插头接通电源后,可以正常进水,但达到设定的位置后仍然不停止进水。

◎故障分析

根据用户介绍的情况来看,出现这种故障的部位通常与进水阀控制电路有关。该全自动洗衣机进水阀控制电路由微处理器IC1(MN15828)的 脚与开关晶体管VT10、双向晶闸管VS3、进水阀FV等组成,相关电路如图2-5所示。检修时,可先对这部分电路进行检查。不过,当水位传感器开关SP不良时,也会引起进水不止故障,对此也不容忽视。

图2-5 海尔XQB45—A型微电脑控制式全自动洗衣机进水阀控制电路

◎故障检修

1. 判断故障的大概部位

(1)接通电源后,在进水状态时,测量微处理器IC1(MN15828)的 脚输出的高电平信号正常。

(2)在进水达到设定的位置后,测量IC1(MN15828)的 脚输出的高电平可以转变为低电平,此时测量加到进水电磁阀线圈两端的220 V交流电压仍然存在。由此说明微处理器输出的控制信号基本正常,怀疑双向晶闸管VS3本身击穿短路。

(3)断电后,拆下双向晶闸管VS3对其进行检查,其控制进水阀供电的两个引脚之间的电阻值接近于0 Ω,说明已经击穿短路。

2. 故障处理

更换一只新的、同规格的双向晶闸管装上后,接通电源试机,洗衣机的进水可以自动停止,故障排除。

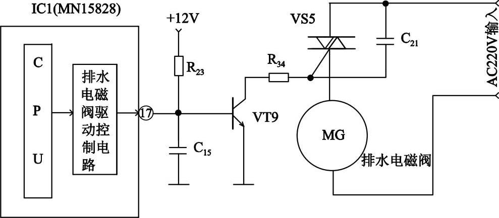
例6 海尔XQB45—A型微电脑控制式全自动洗衣机不能排水

◎故障现象

据用户介绍,该全自动洗衣机进水功能基本正常,但不能进行排水。

◎故障分析

根据用户介绍的情况来看,出现这种故障的部位通常与排水阀控制电路有关。该全自动洗衣机排水阀控制电路由微处理器IC1(MN15828)的 脚与开关晶体管VT9、双向晶闸管VS5、排水电磁阀MG组成,相关电路如图2-6所示。检修时,可先对这部分电路进行检查。

图2-6 海尔XQB45—A型微电脑控制式全自动洗衣机排水阀控制电路

◎故障检修

1. 判断故障的大概部位

(1)接通电源后,在排水状态时,测量微处理器IC1(MN15828)的 脚输出的高电平信号正常,说明微电脑控制电路的工作基本正常。但测量排水阀两端的220 V的交流电压为0 V,说明问题出在排水电磁阀供电电路。

(2)断电后,对微处理器IC1(MN15828)的 脚到排水电磁阀MG之间的连接电路与元器件进行检查,发现C 15 电容器两端有较小的电阻值存在,显然已经严重漏电。

2. 故障处理

更换一只新的、同规格的0.01 μF瓷片电容器装上后,接通电源试机,洗衣机的排水恢复了正常,故障排除。

例7 海尔XQB45—A型微电脑控制式全自动洗衣机洗涤电动机只能做一个方向运转

◎故障现象

据用户介绍,该洗衣机插上电源插头进行功能操作时,按压按键进行洗涤工作时,洗涤电动机只能做一个方向运转。

◎故障分析

根据用户介绍的情况来看,出现这种故障的部位通常与微处理器控制的洗涤电动机控制电路有关。该洗衣机的洗涤电动机的控制电路主要由微处理器IC1(MN15828)的 脚与VT7、VT8、双向晶闸管VS2、VS1、双向电动机M等组成,相关电路如图2-7所示。检修时,可先对这部分电路进行检查。

◎故障检修

1. 判断故障的大概部位

(1)接通电源后,在按压操作按键进行正、反向洗涤工作时,测量微处理器IC1(MN15828)的 脚输出的高、低变化的电平基本正常,说明微处理器输出的控制信号基本正常。

图2-7 海尔XQB45—A型微电脑控制式全自动洗衣机洗涤电动机控制电路

(2)测量加到两只双向晶闸管VS2、VS1控制栅极上的控制电平,结果发现加在VS1栅极上的电平基本正常,但VS2栅极上始终没有控制电平信号。

(3)断电后,对VS2栅极与IC1(MN15828)的 脚之间的电路元器件进行检查,结果发现C 18 电容器因受潮使引脚有锈蚀现象,测量其两端有较小的电阻值存在,显然已经严重漏电。

2. 故障处理

更换一只新的、同规格的0.01 μF瓷片电容器装上后,接通电源试机,洗衣机洗涤的工作恢复了正常,故障排除。

例8 海尔XQB45—A型微电脑控制式全自动洗衣机指示灯不亮且整机无任何反应

◎故障现象

据用户介绍,该洗衣机插上电源插头进行功能操作时,洗衣机面板上的指示灯不亮,整机无任何反应。

◎故障分析

根据用户介绍的情况来看,出现这种故障的部位通常与整机的供电或系统控制电路有关。检修时,可先对这两方面电路进行检查。

◎故障检修

1. 判断故障的大概部位

(1)接通电源开关SW使洗衣机通电后,测量加到自耦电源变压器T 1 上的220 V交流市电在正常值范围内。

(2)测量VD8整流桥堆整流、C 2 电容器滤波后的电压约为+12 V的直流电压也无问题。相关电路如图2-8所示。但测量调整管VT1发射极与地线之间的+5 V电压为0 V。

图2-8 海尔XQB45—A型微电脑控制式全自动洗衣机+5 V供电电路

(3)断电后,对由VT1、VDZ1、R 1 等组成的串联简易稳压电路中的有关元器件进行检查,发现C 3 滤波电容器严重漏电,VT1已经烧坏。

2. 故障处理

采用新的、同规格的配件更换损坏的元器件装上后,接通电源试机,洗衣机的工作恢复了正常,故障排除。

例9 海尔XQB45—A型微电脑控制式全自动洗衣机按压按键或洗涤结束后蜂鸣器有时不响

◎故障现象

据用户介绍,该洗衣机插上电源插头进行功能操作时,按压按键或洗涤结束后蜂鸣器有时不能鸣响。

◎故障分析

根据用户介绍的情况来看,出现这种故障的部位通常与微处理器控制的蜂鸣器控制电路有关。蜂鸣器控制电路主要由微处理器IC1(MN15828)的 脚与压电蜂鸣器BZ、VT6等组成,相关电路如图2-9所示。检修时,可先对这部分电路进行检查。

图2-9 海尔XQB45—A型微电脑控制式全自动洗衣机蜂鸣器控制电路

◎故障检修

1. 判断故障的大概部位

(1)接通电源后,在按压操作按键时,测量微处理器IC1(MN15828)的 脚输出的高电平基本正常,但测量VT6管的基极电压有时为高电平时,蜂鸣器可以鸣响,有时在按压按键时为低电平,蜂鸣器不能鸣响,说明问题出在IC1(MN15828)的 脚到VT6晶体管的基极之间的电路中。

(2)对IC1(MN15828)的 脚到VT6晶体管的基极之间的电路元器件进行检查,结果发现R 22 电阻器的一只引脚呈虚焊状态。

2. 故障处理

加锡将R 22 电阻器虚焊的引脚重焊牢固后,接通电源试机,洗衣机蜂鸣器的工作恢复了正常,故障排除。

例10 海尔XQG50—S606型微电脑控制式全自动洗衣机洗涤电动机只能做一个方向运转

◎故障现象

据用户介绍,该洗衣机插上电源插头进行功能操作时,按压按键进行洗涤工作时,洗涤电动机只能做一个方向运转。

◎故障分析

根据用户介绍的情况来看,出现这种故障的部位通常与微处理器控制的洗涤电动机控制电路有关。该洗衣机的洗涤电动机的控制电路主要由微处理器IC8(S3P8469XZZ—ATB9)的①、③脚与VT10、VT8、双向晶闸管VS2、VS8、双向电动机ML等组成,相关电路如图2-10所示。检修时,可先对这部分电路进行检查。

图2-10 海尔XQG50—S606型微电脑控制式全自动洗衣机洗涤电动机控制电路

◎故障检修

1. 判断故障的大概部位

(1)接通电源后,在按压操作按键进行正、反向洗涤工作时,测量微处理器IC8(S3P8469XZZ—ATB9)的①与③脚输出的高、低变化的电平基本正常,说明微处理器输出的控制信号基本正常。

(2)测量加到两只双向晶闸管VS2、VS8控制栅极上的控制电平,结果发现加在VKS2栅极上的电平基本正常,但VS8栅极上始终没有控制电平信号。

(3)断电后,对VS8栅极与IC8(S3P8469XZZ—ATB9)的③脚之间的电路元件进行检查,结果发现VT8晶体管的集电极呈虚焊状态。

2. 故障处理

加锡将VT8晶体管虚焊的集电极重焊牢固后,接通电源试机,洗衣机洗涤工作恢复了正常,故障排除。

例11 海尔XQG50—S606型微电脑控制式全自动洗衣机不能排水

◎故障现象

据用户介绍,该全自动洗衣机进水功能基本正常,但不能进行排水。

◎故障分析

根据用户介绍的情况来看,出现这种故障的部位通常与排水阀控制电路有关。该全自动洗衣机排水阀控制电路由微处理器IC8(S3P8469XZZ—ATB9)的⑩脚与功率驱动反相器集成电路IC7(ULN2003AN)、双向晶闸管VS9、排水控制器PS等组成,相关电路如图2-11所示。检修时,可先对这部分电路进行检查。

图2-11 海尔XQG50—S606型微电脑控制全自动洗衣机排水阀控制电路简图

◎故障检修

1. 判断故障的大概部位

(1)接通电源后,在排水状态时,测量微处理器IC8(S3P8469XZZ—ATB9)的⑩脚输出的高电平信号正常,说明微电脑控制电路的工作基本正常。测量排水控制器PS两端的电压为0 V。

(2)断电后,对微处理器IC8(S3P8469XZZ—ATB9)的⑩脚到测量排水控制器PS之间的电路元器件进行检查,发现R 44 的电阻值为∞,显然已经开路。

2. 故障处理

更换一只新的、同规格的220 Ω电阻器装上后,接通电源试机,洗衣机的排水恢复了正常,故障排除。

例12 海尔XQG50—BS808A型微电脑控制式全自动洗衣机洗涤或脱水时电动机速度时快时慢而在脱水时还会自动停机

◎故障现象

据用户介绍,该全自动洗衣机在洗涤过程中电动机速度时快时慢;脱水时也如此,且还会出现自动停机现象。

◎故障分析

根据用户介绍的情况,又对故障机进行观察,故障确如用户所述,且发现故障出现得无规律,脱水时的自停属于保护性停机,由此来看,出现这种故障最大的原因可能是某处接触不良引起的。检修时,可先围绕这一原因对有关部位进行检查。

◎故障检修

1. 判断故障的大概部位

(1)先对提供给洗衣机的供电电源进行检查,供电电压在正常值范围内,且稳定。由此排除电源不稳定引起故障的可能性。

(2)拆下盖板后对微电脑控制系统电路进行仔细的观察,结果发现X 6 连接插件的引脚表面被氧化而呈接触不良状态。

2. 故障处理

采用单面刀片刮去X 6 连接插件引脚表面的氧化物,然后采用无水酒精(含量95%以上)将其清洗干净,并采用703硅橡胶进行防水密封后,接通电源试机,洗衣机的工作恢复了正常,故障排除。

提示

由于生产与维修方便的需要,全自动洗衣机中使用了许多连接插接件,经长时间使用以后,这些连接插件出现接触不良现象发生率较高,由此而引起的故障较奇特,且大多属于软故障。因此,遇到一些疑难、软性故障时,不妨先对连接插接件进行一次检查,往往会收到立竿见影的效果而使故障被迅速排除。

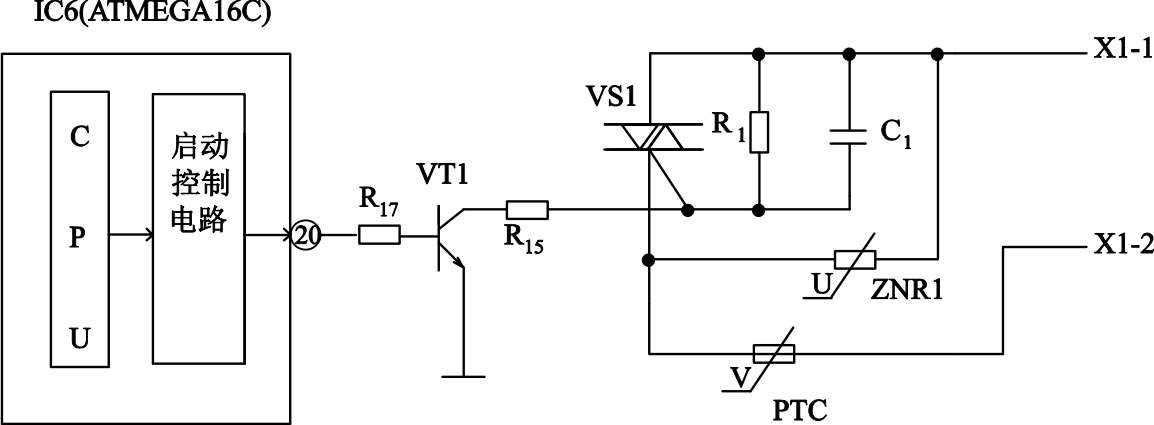
例13 海尔XQG50—BS808A型微电脑控制式全自动洗衣机功能指示灯不亮且整机也不能工作

◎故障现象

据用户介绍,该洗衣机插上电源插头进行功能操作时,洗衣机面板上的功能指示灯不亮,整机也不能工作。但有两只电源指示灯可以点亮。

◎故障分析

根据用户介绍的情况来看,出现这种故障的部位通常与整机的系统控制电路有关。检修时,可先对这方面电路进行检查。

◎故障检修

1. 判断故障的大概部位

(1)检查交流进线熔断器完好,说明电路中没有过电流现象存在。接通电源后,测量提供给开关电源的220 V交流市电基本正常。

(2)测量由开关电源控制集成电路IC7(TNY264P)与开关变压器TR等组成的开关电源电路输出的+5 V与+12 V电压正常,且该电压也加到了微处理器集成电路IC6(ATMEGA16C)的工作电压输入端 脚上。

(3)检查系统控制微处理器IC6(ATMEGA16C)的复位信号输入端④脚上的复位信号无问题,但用示波器检查时钟振荡电路⑧与⑦脚上无时钟振荡波形。相关电路如图2-12所示。

图2-12 海尔XQG50—BS808A型微电脑控制全自动洗衣机微处理器时钟振荡电路简图

(4)对IC6(ATMEGA16C)的⑧与⑦脚之间连接的石英晶体振荡器CRX1组件进行检查,结果发现石英晶体振荡器CRX1组件的接地线引脚锈蚀断裂而开路。

2. 故障处理

加锡将石英晶体振荡器CRX1组件的接地线引脚锈蚀断裂处重焊牢固后,接通电源试机,洗衣机的工作恢复了正常,故障排除。

例14 海尔XQG50—BS808A型微电脑控制式全自动洗衣机按压按键或洗涤结束后蜂鸣器有时不响

◎故障现象

据用户介绍,该洗衣机插上电源插头进行功能操作时,按压按键或洗涤结束后蜂鸣器有时不能鸣响。

◎故障分析

根据用户介绍的情况来看,出现这种故障的部位通常与微处理器控制的蜂鸣器控制电路有关。蜂鸣器控制电路主要由微处理器IC6(ATMEGA16C)的 脚与压电蜂鸣器BUZ、VT19、R 88 等组成,相关电路如图2-13所示。检修时,可先对这部分电路进行检查。

图2-13 海尔XQG50—BS808A型微电脑控制式全自动洗衣机蜂鸣器控制电路

◎故障检修

1. 判断故障的大概部位

(1)接通电源后,在按压操作按键时,测量微处理器IC6(ATMEGA16C)的 脚输出的高电平基本正常,但测量VT19管的基极电压有时为高电平时,蜂鸣器可以鸣响,有时在按压按键时为低电平,蜂鸣器不能鸣响,说明问题出在IC6(ATMEGA16C)的 脚到VT19晶体管的基极之间的电路中。

(2)对IC6(ATMEGA16C)的 脚到VT19晶体管的基极之间的电路元件进行检查,结果发现R 88 电阻器的一只引脚呈虚焊状态。

2. 故障处理

加锡将R 88 电阻器虚焊的引脚重焊牢固后,接通电源试机,洗衣机蜂鸣器的工作恢复了正常,故障排除。

提示

如果故障属于蜂鸣器常响不停,则故障大多是由于VT19管的集电极与发射极之间击穿短路引起的。

例15 海尔XQG50—BS808A型微电脑控制式全自动洗衣机突然不工作且显示“Err8”字符

◎故障现象

据用户介绍,该全自动洗衣机在洗涤过程中突然停机不工作,且数码显示屏显示有“Err8”字符。

◎故障分析

根据用户介绍的情况,结合数码显示屏显示的“Err8”字符来看,出现这种故障的部位通常与水位过高超出了保护水位有关。检修时,可先根据这一原因对有关部位进行检查。

◎故障检修

1. 判断故障的大概部位

(1)打开洗衣盖后,观察桶里的水位没有超过保护水位,盖好后又试机,又突然停机。

(2)拆下盖板后经观察发现,故障是由于用户放入的洗衣粉过量,致使过量的泡沫使水位开关动作引起的。

2. 故障处理

试将过量的泡沫去除一部分后,接通电源长时间试机,洗衣机的工作一直正常,不再突然停机,故障排除。

提示

本例故障是一种典型的使用不当引起的故障,主要是由于用户放入的洗衣粉过量,在刚开始洗衣时,由于泡沫较少,故不会停机,随着洗衣时间的延长泡沫就会逐渐增多,一旦泡沫增多到在水位开关上形成了导通后,就会引起保护电路动作而停止工作,从而出现了上述故障。

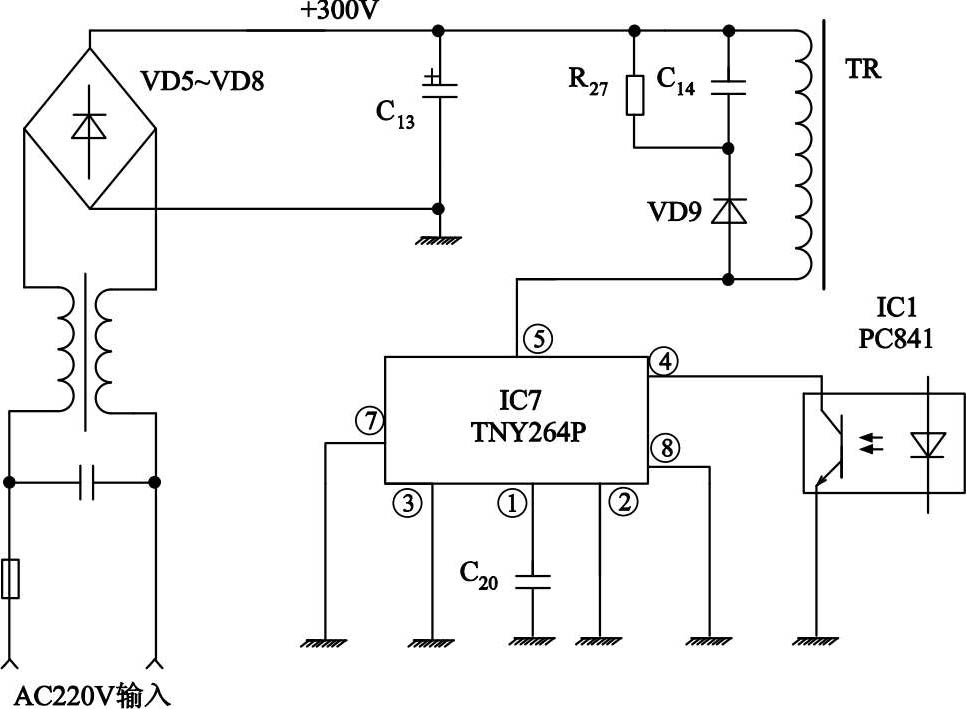
例16 海尔XQG50—BS808A型微电脑控制式全自动洗衣机接通电源后且整机无任何反应

◎故障现象

据用户介绍,该全自动洗衣机接通电源后,按压功能按钮开关全部失效,功能指示灯也不亮,不能进行工作。整机无任何反应,所有指示灯均不亮。

◎故障分析

根据用户介绍的情况来看,出现这种故障的部位通常与整机的供电电路有关。检修时,可先对这部分电路进行检查。

◎故障检修

1. 判断故障的大概部位

(1)检查交流进线熔断器完好,说明电路中没有过电流现象存在。接通电源后,测量提供给开关电源的220 V交流市电基本正常。

(2)测量由开关电源控制集成电路IC7(TNY264P)与开关变压器TR等组成的开关电源电路输出的+5 V与+12 V电压均为0 V,估计开关电源没有工作。

(3)测量C 13 滤波电容器两端的300 V左右的整流滤波电源基本正常,相关电路如图2-14所示。说明整流滤波电路的工作正常。

(4)测量开关电源控制集成电路IC7(TNY264P)的⑤脚上300 V的整流滤波电压正常,但测量①脚上0.8 V左右的电压、④脚上的5.5 V左右的电压均为0 V。

(5)断电后,在路测量IC7(TNY264P)的各引脚电阻值,并与表2-1所列的正常值进行对比,发现均有不同程度的差别,怀疑该集成电路已经损坏。

图2-14 海尔XQG50—BS808A型微电脑控制式全自动洗衣机开关电源电路

表2-1 开关电源控制集成电路IC7(TNY264P)正常数据参考值

2. 故障处理

更换一只新的、同规格的TNY264P型集成电路换上后,接通电源试机,洗衣机的工作恢复了正常,故障排除。

提示

当发现TNY264P型集成电路损坏以后,还要对反峰抑制电路中的C 14 、VD9、R 27 元器件进行检查,以防新换的元器件再次损坏。

TNY264P型集成电路损坏以后,如一时无原型号的更换,也可以采用TNY255P、TNY255Y、TNY256P、TNY256G、TNY256Y、TNY264G、TNY264Y等型号直接进行代换。

例17 海尔XQG50—BS808A型微电脑控制式全自动洗衣机不工作且功能指示灯也不亮

◎故障现象

据用户介绍,该全自动洗衣机接通电源后,按压功能按钮开关全部失效,功能指示灯也不亮,不能进行工作。但有两只电源指示灯可以点亮。

◎故障分析

根据用户介绍的情况来看,出现这种故障的部位通常与整机的供电电路、微处理器控制电路有关。检修时,可先对这两部分电路进行检查。

◎故障检修

1. 判断故障的大概部位

(1)检查交流进线熔断器完好,说明电路中没有过电流现象存在。接通电源后,测量提供给开关电源的220 V交流市电基本正常。

(2)测量由开关电源控制集成电路IC7(TNY264P)与开关变压器TR等组成的开关电源电路输出的+5 V与+12 V电压正常,且该电压也加到了微处理器集成电路IC6(ATMEGA16C)的工作电压输入端 脚上。

(3)采用示波器检查微处理器控制芯片IC6(ATMEGA16C)的时钟振荡引脚⑧与⑦脚电路上的振荡波形也正常,但检查IC6(ATMEGA16C)的④脚复位端的C 25 电容器上的复位电压始终处于低电平,正常情况下复位后的电压应上升为4.5 V左右。相关电路如图2-15所示。

图2-15 海尔XQG50—BS808A型微电脑控制式全自动洗衣机复位电路

(4)对IC6(ATMEGA16C)的④脚复位电路中的IC5(KIA70)、C 31 、C 36 、C 25 、R 47 进行检查,结果发现R 47 电阻器的焊点有一圈裂纹,呈虚焊现象。

2. 故障处理

加锡将R 47 电阻器虚焊的引脚重焊一遍使其牢固后,接通电源试机,洗衣机的工作恢复了正常,故障排除。

提示

如三端复位集成电路损坏一时无原型号的更换时,也可以采用KIA7039P、KIA7042P、KIA7045P、KIA7542P、KIA7542Z、PST529C2、PST591B、PST994C、PST5720-2等型号直接进行代换。

例18 海尔XQG50—BS808A型微电脑控制式全自动洗衣机不排水且显示“Err2”字样

◎故障现象

据用户介绍,该全自动洗衣机接通电源可以进入正常的洗涤工序,但进入排水程序时不能排水,数码显示器显示“Err2”字样。

◎故障分析

根据用户介绍的情况,结合数码显示器显示“Err2”字样来看,出现这种故障的部位通常与排水阀及其控制电路有关。检修时,可先对这部分电路进行检查。

◎故障检修

1. 判断故障的大概部位

(1)检查排水泵单向电动机交流供电熔断器PCB(FUSE)完好,说明电路中没有过电流现象存在。相关电路如图2-16所示。

图2-16 海尔XQG50—BS808A型微电脑控制式全自动洗衣机排水阀及其控制电路

(2)接通电源后,在排水状态时测量提供给单向电动机两端的220 V交流市电为0 V。用导线将VS5的两端短接,可以进行排水。由此说明,问题出在排水控制电路。

(3)测量微处理器集成电路IC6(ATMEGA16C)的 脚输出的排水控制高电平信号基本正常且该电压也加到了VT6管的基极上。

(4)断电后,检查控制电路中的VT6、R 16 ,结果发现VT6管的发射极呈虚焊状态。

2. 故障处理

加锡将VT6管虚焊的发射极重焊牢固后,接通电源试机,洗衣机的排水工作恢复了正常,故障排除。

提示

该洗衣机在进行排水时,IC6(ATMEGA16C)的 脚输出的排水控制高电平信号就会经R24电阻器加到VT6管的基极,使其导通,等效于将双向晶闸管VS5的触发极通过R 16 电阻器接地,VS5也导通,排水泵单向电动机就会得电工作进行排水。当VT6管的发射极呈虚焊状态以后,就会使IC6(ATMEGA16C)的 脚输出的信号失去了对排水泵单向电动机供电的控制,从而造成了上述故障。

例19 海尔XQG50—BS808A型微电脑控制式全自动洗衣机工作程序错乱

◎故障现象

据用户介绍,该全自动洗衣机接通电源后,操作功能按钮后程序错乱,数码管显示的剩余时间的数字跳变,不能进入正常的运行程序。

◎故障分析

根据用户介绍的情况来看,出现这种故障的部位通常与整机的系统控制微处理器电路有关。检修时,可先对这部分电路进行检查。

◎故障检修

1. 判断故障的大概部位

(1)检查提供给微处理器IC6(ATMEGA16C)的 脚上的+5 V电压在正常值范围内,且稳定。

(2)测量提供给微处理器IC6(ATMEGA16C)的④脚上的复位电压也无明显的异常现象。

(3)用示波器检查微处理器控制芯片IC6(ATMEGA16C)的时钟振荡引脚⑧与⑦脚电路上的振荡波形也正常。怀疑IC6(ATMEGA16C)的程序指令输入端 脚及其外接的程控选择开关电路有问题,相关电路如图2-17所示。

图2-17 海尔XQG50—BS808A型微电脑控制式全自动洗衣机程控选择开关电路

(4)对IC6(ATMEGA16C)的程序指令输入端 脚及其外接的程控选择开关电路中的阻容元器件与程控选择开关本身进行检查,结果发现抗干扰电容器C 30 有不稳定的漏电现象存在。

2. 故障处理

更换一只新的、同规格的0.01 μF瓷片电容器换上后,接通电源试机,洗衣机的工作恢复了正常,故障排除。

提示

本例故障主要是由于抗干扰电容器C 30 有不稳定的漏电现象存在,致使加到IC6(ATMEGA16C)的程序指令输入端 脚内的程控电压发生了不稳定的变化,从而造成了上述故障。

例20 海尔XQG50—BS808A型微电脑控制式全自动洗衣机显示正常但蜂鸣器不响也不工作

◎故障现象

据用户介绍,该全自动洗衣机接通电源后,操作功能按钮时,显示正常,但蜂鸣器不响,整机也不能进入正常的工作状态。

◎故障分析

根据用户介绍的情况来看,出现这种故障的部位通常与整机的系统控制微处理器电路有关。检修时,可先对这部分电路进行检查。

◎故障检修

1. 判断故障的大概部位

(1)检查提供给微处理器IC6(ATMEGA16C)的 脚上的+5 V电压在正常值范围内,且稳定。

(2)测量提供给微处理器IC6(ATMEGA16C)的④脚上的复位电压也无明显的异常现象。

(3)用示波器检查微处理器控制芯片IC6(ATMEGA16C)的时钟振荡引脚⑧与⑦脚电路上的振荡波形正常。怀疑IC6(ATMEGA16C)的过零检测电路有问题,相关电路如图2-18所示。

图2-18 海尔XQG50—BS808A型微电脑控制式全自动洗衣机过零检测电路

(4)对IC6(ATMEGA16C)的 脚外接的过零检测电路中的有关元器件进行检查,结果发现R 80 电阻器的一只引脚呈虚焊状态。

2. 故障处理

加锡将R 80 电阻器虚焊的引脚重焊牢固后,接通电源试机,洗衣机的工作恢复了正常,故障排除。

提示

由于来自ACL(交流相线电压)的电压在R 80 电阻器虚焊处阻断,无法被VT17管放大提供给微处理器IC6(ATMEGA16C)的 脚内,因微处理器得不到时基信号,从而造成了上述故障。

例21 海尔XQG50—BS808A型微电脑控制式全自动洗衣机洗涤电动机只能做一个方向运转

◎故障现象

据用户介绍,该洗衣机插上电源插头进行功能操作时,按压按键进行洗涤工作时,洗涤电动机只能作一个方向运转。

◎故障分析

根据用户介绍的情况来看,出现这种故障的部位通常与微处理器控制的洗涤电动机控制电路有关。该洗衣机的洗涤电动机的控制电路主要由微处理器IC6(ATMEGA16C)的⑨、 脚与VT2、VT14、双向晶闸管VS6、KARY1继电器、洗涤电动机M16P等组成,相关电路如图2-19所示。检修时,可先对这部分电路进行检查。

图2-19 海尔XQG50—BS808A型微电脑控制式全自动洗衣机洗涤电动机控制电路

◎故障检修

1. 判断故障的大概部位

(1)接通电源后,在按压操作按键进行正、反向洗涤工作时,测量微处理器IC6(ATMEGA16C)的⑨、 脚脚输出的高、低变化的电平基本正常,说明微处理器输出的控制信号基本正常。

(2)测量加到双向晶闸管VS6控制栅极上的控制电平及VT14管基极上的电平,结果发现加在VT14管基极上的电平基本正常,但VS6栅极上始终没有控制电平信号。

(3)断电后,对VS6栅极与IC6(ATMEGA16C)的⑨脚之间的电路元器件进行检查,结果发现R 18 电阻值为∞,显然已经损坏。

2. 故障处理

更换一只新的、同规格的4.7 kΩ的金属膜电阻器装上后,接通电源试机,洗衣机洗涤的工作恢复了正常,故障排除。

提示

M16P为洗涤及低速脱水电动机,当其异常时,也会出现上述故障。该电动机在电路中采用X6连接接插件与电路进行连接,如图2-20所示。该电动机三个引脚之间线圈的正常电阻值如表2-2所列。

图2-20 洗涤及低速脱水电动机M16P驱动电路

表2-2 洗涤及低速脱水电动机M16P线圈引脚之间正常电阻值参考值

例22 海尔XQG50—BS808A型微电脑控制式全自动洗衣机高速脱水功能失效

◎故障现象

据用户介绍,该洗衣机插上电源插头进行功能操作时,洗涤工作基本正常,但高速功能失效。

◎故障分析

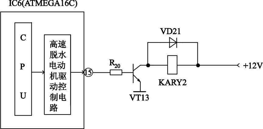
根据用户介绍的情况来看,出现这种故障的部位通常与微处理器控制的高速脱水电动机控制电路或脱水电动机本身有关。该洗衣机的高速脱水电动机的控制电路主要由微处理器IC6(ATMEGA16C)的 脚与晶体管VT13、继电器KARY2、高速脱水电动机M2P等组成,相关电路如图2-21所示。检修时,可先对这部分电路进行检查。

图2-21 海尔XQG50—BS808A型微电脑控制式全自动洗衣机脱水电动机控制电路

◎故障检修

1. 判断故障的大概部位

(1)测量微处理器IC6(ATMEGA16C)的 脚输出的高、低变化的电平基本正常,说明微处理器输出的控制信号基本正常。

(2)测量加到晶体管VT13管基极上的控制电平也无问题;采用导线短接VT13管的集电极与发射极,问题依然存在。

(3)断电后,单独对高速脱水电动机M2P进行加电检查,脱水电动机M2P运转基本正常。检查发现KARY2继电器的触点呈接触不良状态。

2. 故障处理

更换一只新的、同规格的继电器装上后,接通电源试机,洗衣机高速脱水电动机的工作恢复了正常,故障排除。

提示

高速脱水电动机M2P的工作受微处理器IC6(ATMEGA16C)的 脚输出的高、低变化的电平控制。当微处理器IC6(ATMEGA16C)的 脚输出的高电平使VTQ13管导通后,就会使继电器KARY2线圈得电工作,由其触点控制高速电动机M2P得电进行运转。故当继电器KARY2的触点呈接触不良状态时,就会使高速脱水电动机M2P断电,从而导致了上述故障。

高速脱水电动机M2P的连接电路如图2-20所示,该电动机各引脚之间的正常电阻值如表2-3所列。

表2-3 高速脱水电动机M2P线圈引脚之间正常电阻值参考

例23 海尔XQG50—BS808A型微电脑控制式全自动洗衣机标准/快速进水功能失效

◎故障现象

据用户介绍,该洗衣机接通电源后,进行洗涤工作时,标准/快速进水功能失效。

◎故障分析

根据用户介绍的情况来看,出现这种故障的部位通常与标准/快速进水阀及其控制电路有关。海尔XQG50—BS808A型全自动洗衣机标准/快速进水阀控制电路由微处理器IC6(ATMEGA16C)的 脚与开关晶体管VT4、双向晶闸管VS3、进水阀EV1等组成,相关电路如图2-22所示。检修时,可先对这部分电路进行检查。

图2-22 海尔XQG50—BS808A型微电脑控制式全自动洗衣机进水阀EV1控制电路

◎故障检修

1. 判断故障的大概部位

(1)接通电源后,在进水状态时,测量微处理器IC6(ATMEGA16C)的 脚输出的高电平信号正常,说明问题出在进水阀EV1及其控制电路。

(2)断电后,测量进水电磁阀EV1线圈两端的电阻值为155 Ω左右,基本正常。单独对进水电磁阀EV1线圈进行接通电源试验,动作良好,由此初步排除进水电磁阀EV1损坏的可能性。

(3)对进水电磁阀EV1控制电路中的电阻器R 22 与R 14 、开关晶体管VT4、双向晶闸管VS3、电容器C 5 等进行检查,结果发现双向晶闸管VS3开路。

2. 故障处理

更换一只新的、同规格的双向晶闸管装上后,接通电源试机,洗衣机的标准/快速进水功能恢复正常,故障排除。

提示

双向晶闸管VS3的型号为BT131L,当其损坏以后,如一时无原型号的更换,也可以采用BTA16、BT139、BT7049、MAC15A、TAG200A、TAG281等型号直接进行代换。

例24 海尔XQG50—BS808A型微电脑控制式全自动洗衣机预洗进水及添加柔顺剂与调理剂等进水功能失效

◎故障现象

据用户介绍,该洗衣机通电后,进行洗涤工作时,预洗进水及添加柔顺剂、调理剂等进水等功能失效。

◎故障分析

根据用户介绍的情况来看,出现这种故障的部位通常与预洗进水及添加柔顺剂、调理剂等进水阀及其控制电路有关。海尔XQG50—BS808A型全自动洗衣机预洗进水及添加柔顺剂、调理剂等进水阀EV2控制电路由微处理器IC6(ATMEGA16C)的32 脚与开关晶体管VT5、双向晶闸管VS4、进水阀EV2等组成,相关电路如图2-23所示。检修时,可先对这部分电路进行检查。

图2-23 海尔XQG50—BS808A型微电脑控制式全自动洗衣机进水阀EV2控制电路

◎故障检修

1. 判断故障的大概部位

(1)接通电源后,在预洗进水及添加柔顺剂、调理剂等进水状态时,测量微处理器IC6(ATMEGA16C)的 脚输出的高电平信号正常,说明问题出在进水阀EV2及其控制电路。

(2)断电后,测量进水电磁阀EV2线圈两端的电阻值为155 Ω左右,基本正常。单独对进水电磁阀EV2线圈进行接通电源试验,动作良好,由此初步排除进水电磁阀EV2损坏的可能性。

(3)对进水电磁阀EV2控制电路中的电阻器R 23 与R 15 、开关晶体管VT5、双向晶闸管VS4、电容器C 6 等进行检查,结果发现R 23 电阻器的一只引脚呈虚焊状态。

2. 故障处理

加锡将R 23 电阻器虚焊的引脚重焊牢固后,接通电源试机,洗衣机的预洗进水及添加柔顺剂、调理剂等进水功能恢复正常,故障排除。

提示

ZNR5为压敏电阻器,其并接在双向晶闸管VS4的两端,用于进行过压保护作用。当其损坏以后,如一时无原型号的更换,应急修理时可以暂时不用,一旦有配件时应及时换上。

例25 海尔XQG50—BS808A型微电脑控制式全自动洗衣机水位达到设定的位置后仍然不停止进水

◎故障现象

据用户介绍,该洗衣机通电后,可以正常进水,但达到设定的位置后仍然不停止进水。

◎故障分析

根据用户介绍的情况又对故障机进行观察,发现预置水位已经超过位置,进水电磁阀不能关闭,洗衣机不能执行洗涤程序。根据观察到的情况来看,出现这种故障的部位通常与进水阀控制电路有关。海尔XQG50—BS808A型微电脑控制式全自动洗衣机标准/快速进水阀控制电路由微处理器IC6(ATMEGA16C)的 脚与开关晶体管VT4、双向晶闸管VS3、进水阀EV1等组成,相关电路如图2-22所示。检修时,可先对这部分电路进行检查。但当水位传感器不良时,也会引起进水不停故障,对此也不容忽视。

◎故障检修

1. 判断故障的大概部位

(1)接通电源后,在进水状态时,测量微处理器IC6(ATMEGA16C)的 脚输出的高电平信号正常。

(2)在进水达到设定的位置后,测量IC6(ATMEGA16C)的 脚输出的高电平不能转变为低电平,此时测量加到进水电磁阀EV1线圈两端的220 V交流电压仍然存在。由此说明微处理器输出的控制信号与进水阀EV1控制电路基本正常,问题可能出在水压传感器开关电路,进一步应重点对该电路进行检查。相关电路如图2-24所示。

图2-24 海尔XQG50—BS808A型微电脑控制式全自动洗衣机水位传感器控制电路

(3)在进水达到设定的位置后,拔下水位传感器开关SA1上的X1—4与X1—2两个插头,然后用导线将这两个插头短接,进水立即停止,由此说明,压力开关不良或气路上有问题。

(4)对水压传感器开关SA1的气室里吹气,可以听到开关动作的“咔哒”声。由此说明,气室的密封性良好,故障为水压传感器开关出现接触不良现象引起的。

2. 故障处理

更换一只新的、同规格的水压传感器压力开关装上后,接通电源试机,洗衣机的进水可以自动停止,故障排除。

提示

该洗衣机的水位检测由水位传感器开关来控制完成。是一种气压式水位传感器开关,该开关中有两组触点,分别对应于两个水位,即P14与P31触点接通时为低水位开关;P34与P31触点接通时为高水位开关。

例26 海尔XQG50—BS808A型微电脑控制式全自动洗衣机不加热显示“Err4”字样

◎故障现象

据用户介绍,该洗衣机通电后,可以正常进水,但不能加热,数码显示屏上显示“Err4”字样。

◎故障分析

根据用户介绍的情况来看,显示的“Err4”字样是一种故障代码,其含义为在规定的时间内温度没有达到规定值。根据这一提示,出现这种故障的原因可能有以下两个方面。

(1)受KARY3继电器控制的电加热管本身已经损坏,或其控制电路不良,不能控制供电电源施加在电加热管上。

(2)洗涤物品太多,致使加热时间太慢,超过了设定的时间。

检修时,可先对这两个原因进行检查。

◎故障检修

1. 判断故障的大概部位

(1)经实际观察,洗衣机内的洗涤物并不多,由此可以暂时排除这一原因引起故障的可能性。问题可能出在电加热管本身或其控制电路。相关电路如图2-25所示。

图2-25 海尔XQG50—BS808A型微电脑控制式全自动洗衣机电加热管控制电路简图

(2)打开洗衣机面板,设定加热温度至60℃,启动洗衣机,测量IC6(ATMEGA16C)的 脚输出的高电平基本正常,测量加热器两端连接插接件X3-1与X3-2之间的220 V的交流工作电压正常,怀疑加热器本身损坏。

(3)断电后,测量电加热管两端的直流电阻值为∞,而正常的电阻值应为30 Ω左右,显然其已经断路损坏。

2. 故障处理

更换一只新的、同规格的电加热管装上后,接通电源试机,加热功能恢复了正常,故障排除。

提示

当控制电加热管供电电源的继电器触点KARY3—1接触不良时,也会引起上述故障,这种故障发生率也较高,如检查加热器两端连接插接件X3-1与X3-2之间的220 V为0 V,进一步就应对继电器进行检查。

例27 海尔XQG50—BS808A型微电脑控制式全自动洗衣机不加热显示“Err3”字样

◎故障现象

据用户介绍,该洗衣机插上电源插头接通电源后,可以正常进水,但不能加热,数码显示屏上显示“Err3”字样。

◎故障分析

根据用户介绍的情况来看,显示的“Err3”字样是一种故障代码,其含义为温度传感器损坏。海尔XQG50—BS808A型微电脑控制式全自动洗衣机的温度传感器SENSOR连接在微处理器IC6(ATMEGA16C)的36 脚上,相关电路如图2-26所示。检修时,可先对这部分电路进行检查。

图2-26 海尔XQG50—BS808A型微电脑控制式全自动洗衣机温度检测电路

◎故障检修

1. 判断故障的大概部位

(1)接通电源开机,测量提供给温度传感器SENSOR检测电路的+5 V工作电压基本正常。

(2)断电后,测量IC6(ATMEGA16C)的 脚与地线之间的直流电阻值较大,怀疑温度传感器SENSOR本身不良,将其拆下进行检查其电阻值为∞,显然已经开路损坏。

2. 故障处理

更换一只新的、同规格的负温度系数热敏电阻器装上后,接通电源试机,加热功能恢复了正常,故障排除。

提示

更换新的负温度系数热敏电阻器以后,应注意恢复其良好的密封性能,也就是要采取一定的防水措施,这一点一定要注意。

例28 海尔XQG50—BS808A型微电脑控制式全自动洗衣机不按启动键就启动且显示“Err2”字样

◎故障现象

据用户介绍,该洗衣机通电后,旋转程控开关,不按开始键K6就启动,电动机噪声较大,且不能脱水,数码显示屏上显示“Err2”字样。

◎故障分析

根据用户介绍的情况来看,显示的“Err2”字样是一种故障代码,其含义为排水系统有问题。但从用户介绍的情况上看好像是启动方面的问题。海尔XQG50—BS808A型微电脑控制式全自动洗衣机的启动电路由微处理器IC6(ATMEGA16C)的 脚,VT1晶体管,双向晶闸管VS1,电阻器R 17 、R 12 、R 1 ,电容器C 1 等组成,相关电路如图2-27所示。检修时,可先对这部分电路进行检查。

图2-27 海尔XQG50—BS808A型微电脑控制式全自动洗衣机启动电路

◎故障检修

1. 判断故障的大概部位

(1)接通电源开机,在未按下开始按键K6时,测量微处理器IC6(ATMEGA16C)的 脚输出的低电平信号基本正常。

(2)断电后,拆下PCB印制电路板,在路测量VT1晶体管没有损坏,怀疑双向晶闸管VS1本身不良,将其拆下进行检查已经击穿损坏,考虑到数码显示屏上显示有“Err2”字样,故顺便又对双向晶闸管VS5进行检查,发现其也已经击穿损坏。

2. 故障处理

更换两只新的、同规格的双向晶闸管装上后,接通电源试机,洗衣机恢复了正常,故障排除。

提示

双向晶闸管VS1的型号为BT131,VS5的型号为BT139,两者大小基本一样,但参数却不一样,BT131可以用来代换BT139,但BT139却不能用来代换BT131。BT139可以采用BT139E、BT139F、BT139X、BTA16B、BTA16C、BTA16AW、BTA16BW、BTA16CW、MAC15A、TAG280A、TAG281型双向晶闸管直接进行代换。

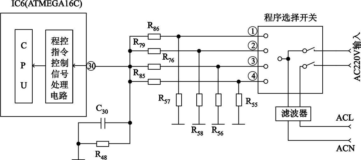
例29 海尔XQG50—BS808A型微电脑控制式全自动洗衣机洗涤时间很长且15种程序功能相同

◎故障现象

据用户介绍,该洗衣机通电后,旋转程控开关到15种程序的任何一个,均为程序1的功能,且洗涤一次需要很长时间。

◎故障分析

根据用户介绍的情况,又对故障机进行观察,发现程控开关在任何位置,所显示的剩余时间均为程序1的剩余时间。根据检查的情况来看,出现这种故障的部位通常与程序控制电路或程序开关本身有关,相关电路如图2-17所示。检修时,可先对这部分电路进行检查。

◎故障检修

1. 判断故障的大概部位

(1)先对程序选择开关进行检查,没有发现有明显的问题,对该开关外围的分压电阻器R 55 ~R 58 、R 76 、R 79 、R 85 、R 86 、R 48 与电容器C 30 等进行检查,也没有发现损坏。

(2)接通电源开机,在旋转程序选择开关时,测量微处理器IC6(ATMEGA16C)的 脚上的电压均为4.8 V左右,不会发生变化。怀疑微处理器IC6(ATMEGA16C)本身损坏。

2. 故障处理

更换一块新的、同规格的微处理器ATMEGA16C装上后,接通电源试机,洗衣机恢复了正常,故障排除。

提示

正常情况下,由于程序选择开关外围分压电阻器的作用,微处理器IC6(ATMEGA16C)的 脚上的电压应发生变化,以实现不同的程序功能。当IC6(ATMEGA16C)损坏以后,使IC6(ATMEGA16C)的 脚上电压无变化,始终处于程序1的电压状态,从而导致了上述故障。

例30 海尔XQG50-S1216型全自动洗衣机有时不工作且显示“E3”字符

◎故障现象

据用户介绍,该全自动洗衣机接上水源后接通电源,不能进入工作状态,有时还显示“E3”字符。

◎故障分析

根据用户介绍的情况和有时会显示“E3”字符这一提示来看,出现这种故障的部位通常多与程序控制系统有关。检修时,可从滚筒门控制开关处入手查起。

◎故障检修

1. 判断故障的大概部位

采用万用表先对滚筒门控制开关的两端的电阻值进行检查,结果发现该开关有时确实存在接触不良现象。

2. 故障处理

拆开滚筒门控制开关进行检查,发现其内触点上有跳火的痕迹,且已经严重锈蚀。更换一只新的、同规格的控制开关装上后,接通电源试机,洗衣机的工作恢复了正常,故障排除。

提示

对于锈蚀不是十分严重的滚筒门控制开关,如一时无原规格的配件可换,也可以采用双零号细砂纸或金相砂纸将开关触点的烧蚀或锈蚀打磨光亮,并适当调整一下簧片的张力,使开关触点可靠接触后即可。

例31 海尔XQB55—65型微电脑控制式全自动洗衣机按键不起作用且指示灯不亮且也不能工作

◎故障现象

据用户介绍,该洗衣机插上电源插头进行功能操作时,洗衣机面板上的指示灯不亮,整机也不能工作。

◎故障分析

根据用户介绍的情况来看,出现这种故障的部位通常与整机的供电或系统控制电路有关。检修时,可先对这两方面电路进行检查。

◎故障检修

1. 判断故障的大概部位

(1)接通电源后,测量加到电源变压器T 1 初级上的220 V交流市电基本正常,次级输出的交流低压也无问题。

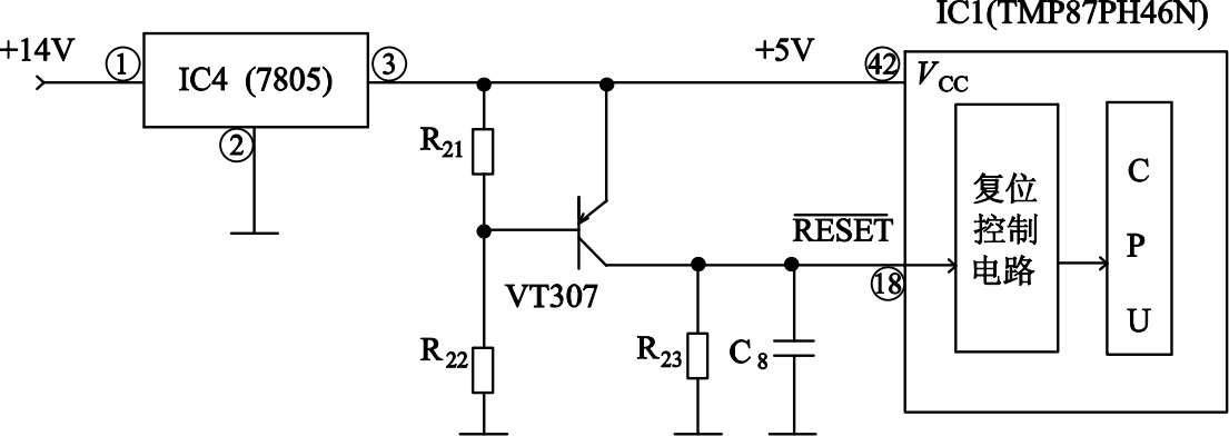
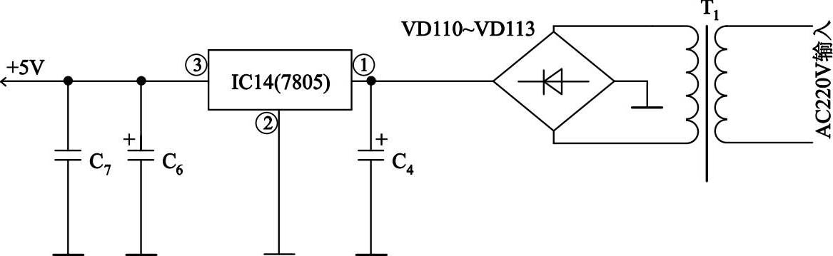
(2)测量由二极管VD110~VD113组成的整流桥整流、C 4 电容器滤波后的直流电压正常,三端固定稳压集成电路IC4(7805)的③脚输出的+5 V电压正常,且该电压也加到了微处理器集成电路IC1(TMP87PH46N)的工作电压输入端 脚上。

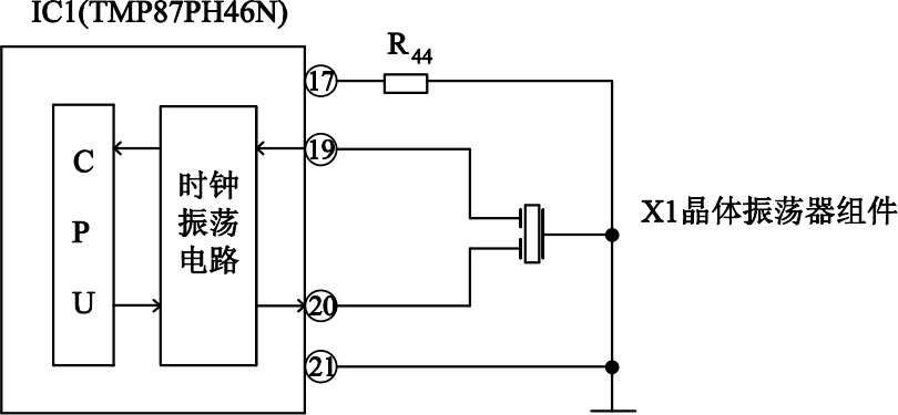
(3)检查系统控制微处理器IC1(TMP87PH46N)的复位信号输入端 脚上的复位信号无问题,但用示波器检查时钟振荡电路 脚上无时钟振荡波形。相关电路如图2-28所示。

图2-28 海尔XQB55—65型微电脑控制式全自动洗衣机微处理器时钟振荡电路

(4)对IC1(TMP87PH46N)的 及其两引脚之间连接的时钟振荡电路组件X1内的电容器进行检查,没有发现异常,结果发现IC1(TMP87PH46N)的 脚有脱焊现象。

2. 故障处理

加锡将IC1(TMP87PH46N)脱焊的 脚重焊牢固后,接通电源试机,洗衣机的工作恢复了正常,故障排除。

例32 海尔XQB55—65型微电脑控制式全自动洗衣机工作时有时突然死机且程序错乱

◎故障现象

据用户介绍,该全自动洗衣机接通电源后,能正常工作,但有时会突然死机且程序错乱,整机无法工作。

◎故障分析

根据用户介绍的情况来看,出现这种故障的部位通常与整机的供电电路、微处理器控制电路有关。检修时,可先对这两部分电路进行检查。

◎故障检修

1. 判断故障的大概部位

(1)接通电源在故障出现时,测量加到电源变压器T 1 初级上的220 V交流市电基本正常,次级输出的交流低压也无问题。

(2)测量由二极管VD110~VD113组成的整流桥整流、C 4 电容器滤波后的直流电压正常,三端固定稳压集成电路IC4(7805)的③脚输出的+5 V电压正常,且该电压也加到了微处理器集成电路IC1(TMP87PH46N)的工作电压输入端 脚上。

(3)采用示波器检查微处理器控制芯片IC1(TMP87PH46N)的时钟振荡引脚 脚电路上的振荡波形也正常,但检查IC1(TMP87PH46N)的 脚复位端的C 8 电容器上的复位电压始终处于低电平,正常情况下复位后的电压应上升为3.8 V左右。相关电路如图2-29所示。

图2-29 海尔XQB55—65型微电脑控制式全自动洗衣机复位电路

(4)对 IC1(TMP87PH46N)的 脚复位端的R 23 、C 8 电容器、VT307晶体三极管、R 21 、R 22 进行检查,结果发现C 8 电容器有不稳定的漏电存在。

2. 故障处理

更换一只新的、同规格的电容器装上后,接通电源试机,洗衣机的工作恢复了正常,故障排除。

例33 海尔XQB55—65型微电脑控制式全自动洗衣机指示灯不亮且整机无任何反应

◎故障现象

据用户介绍,该洗衣机插上电源插头进行功能操作时,洗衣机面板上的指示灯不亮,整机无任何反应。

◎故障分析

根据用户介绍的情况来看,出现这种故障的部位通常与整机的供电或系统控制电路有关。检修时,可先对这两方面电路进行检查。

◎故障检修

1. 判断故障的大概部位

(1)接通电源在故障出现时,测量加到电源变压器T 1 初级上的220 V交流市电基本正常,次级输出的交流低压也无问题。

(2)测量由二极管VD110~VD113组成的整流桥整流、C 4 电容器滤波后的直流电压为0 V,说明整流滤波电路不良。相关电路如图2-30所示。

图2-30 海尔XQB55—65型微电脑控制式全自动洗衣机+5 V供电电路

(3)断电后,对整流、滤波电路中的有关元器件进行检查,发现整流二极管VD110~VD113中的三只管子的引脚均有虚焊现象。

2. 故障处理

加锡将整流二极管VD110~VD113的所有引脚均重焊牢固后,接通电源试机,洗衣机的工作恢复了正常,故障排除。

例34 海尔XQB55—65型微电脑控制式全自动洗衣机按压按键或洗涤结束后蜂鸣器有时不响

◎故障现象

据用户介绍,该洗衣机插上电源插头进行功能操作时,按压按键或洗涤结束后蜂鸣器有时不能鸣响。

◎故障分析

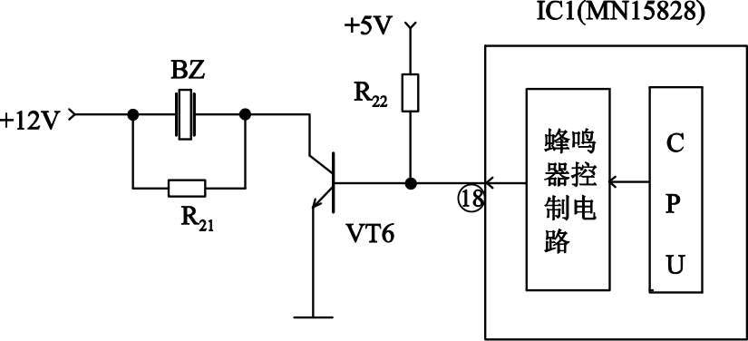
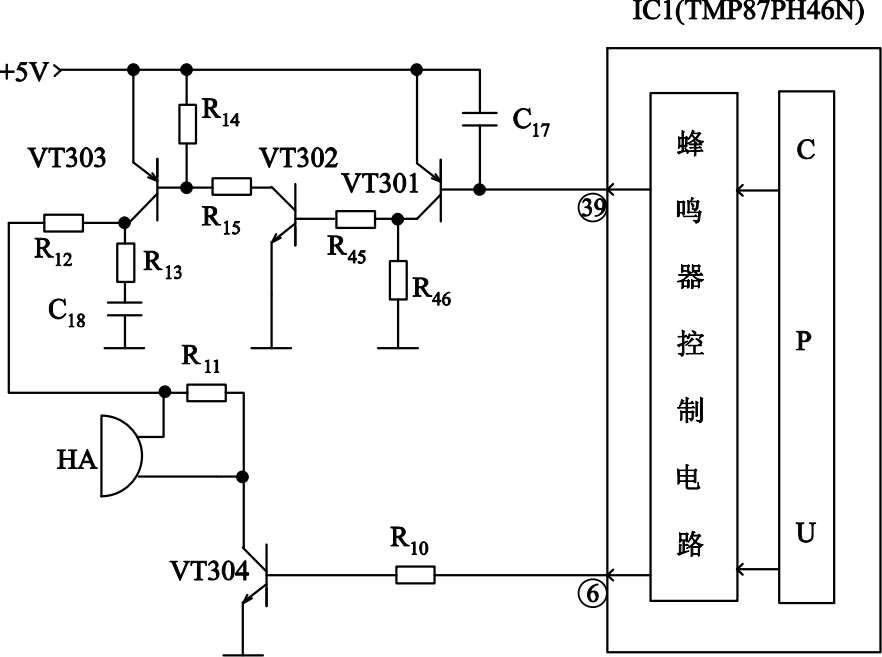
根据用户介绍的情况来看,出现这种故障的部位通常与微处理器控制的蜂鸣器控制电路有关。蜂鸣器控制电路主要由微处理器IC1(TMP87PH46N)的 与⑥脚、压电蜂鸣器HA、VT301~VT304等组成,相关电路如图2-31所示。检修时,可先对这部分电路进行检查。

图2-31 海尔XQB55—65型微电脑控制式全自动洗衣机蜂鸣器控制电路

◎故障检修

1. 判断故障的大概部位

(1)接通电源后,在按压操作按键时,测量微处理器IC1(TMP87PH46N)的 脚输出的高电平与⑥脚输出的低电平基本正常,但测量VT302管的基极电压有时为高电平时,蜂鸣器可以鸣响,有时在按压按键时为低电平,蜂鸣器不能鸣响,说明问题出在IC1(TMP87PH46N)的 脚到VT302晶体管的基极之间的电路中。

(2)对IC1(TMP87PH46N)的 脚到VT302晶体管的基极之间的电路元器件进行检查,结果发现R 45 电阻器的一只引脚呈虚焊状态。

2. 故障处理

加锡将R 45 电阻器虚焊的引脚重焊牢固后,接通电源试机,洗衣机蜂鸣器的工作恢复了正常,故障排除。

提示

该机蜂鸣器控制电路由IC1的 与⑥脚以及外接的元器件共同构成。在接通电源或操作按钮、程序执行结束后,IC1的 与⑥脚就会输出相应的控制信号,驱动蜂鸣器发出报警提示音。由于R 45 电阻器的一只引脚呈虚焊,致使控制信号在此处阻断,从而造成了蜂鸣器不响故障。

例35 海尔XQB55—65型微电脑控制式全自动洗衣机洗涤电动机只能做一个方向运转

◎故障现象

据用户介绍,该洗衣机插上电源插头进行功能操作时,按压按键进行洗涤工作时,洗涤电动机只能做一个方向运转。

◎故障分析

根据用户介绍的情况来看,出现这种故障的部位通常与微处理器控制的洗涤电动机控制电路有关。该洗衣机的洗涤电动机的控制电路主要由微处理器IC1(TMP87PH46N)的①、③脚与反相功率驱动集成电路IC2(ULN2003AN)、双向晶闸管VST1、VST3、双速电动机M等组成,相关电路如图2-32所示。检修时,可先对这部分电路进行检查。

◎故障检修

1. 判断故障的大概部位

(1)接通电源后,在按压操作按键进行正、反向洗涤工作时,测量微处理器IC1(TMP87PH46N)的①与③脚输出的高、低变化的电平基本正常,说明微处理器输出的控制信号基本正常。

(2)测量加到两只双向晶闸管VS1、VS3控制栅极上的控制电平,结果发现加在VS3栅极上的电平基本正常,但VS1栅极上始终没有控制电平信号。

图2-32 海尔XQB55—65型微电脑控制式全自动洗衣机洗涤电动机控制电路

(3)断电后,对VS1栅极与IC1(TMP87PH46N)的①脚之间的电路元器件进行检查,结果发现反相功率驱动集成电路IC2(ULN2003AN)的⑦与⑩脚内的一只反相功率驱动器损坏。

2. 故障处理

更换一只新的、同规格的在空调器上使用的反相功率驱动集成电路ULN2003AN装上后,接通电源试机,洗衣机的洗涤工作恢复了正常,故障排除。

提示

洗涤电动机MXD的正、反向的工作受微处理器IC1(TMP87PH46N)的①与③脚输出的高、低电平的控制。当微处理器IC1(TMP87PH46N)的③脚输出的控制信号电平使VS3导通时,就会使洗涤电动机M的一个绕组得电进行一个方向的运转;当微处理器IC1(TMP87PH46N)的①脚输出的控制信号电平使VS1导通时,就会使洗涤电动机M的另一个绕组得电进行另一个方向的运转,从而实现了洗涤电动机M的正、反向运转控制。故当反相功率驱动集成电路IC2(ULN2003AN)的⑦与⑩脚内的一只反相功率驱动器损坏以后,就会使洗涤电动机M的一个绕组一直无法得电,从而导致了上述故障。

例36 海尔XQB55—65型微电脑控制式全自动洗衣机水位达到设定的位置后仍然不停止进水

◎故障现象

据用户介绍,该洗衣机通电后,可以正常进水,但达到设定的位置后仍然不停止进水。

◎故障分析

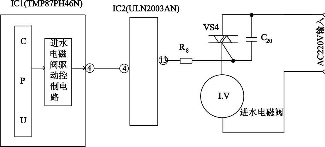
根据用户介绍的情况来看,出现这种故障的部位通常与进水阀控制电路有关。该全自动洗衣机进水阀控制电路由微处理器IC1(TMP87PH46N)的④脚与反相功率驱动集成电路IC2(ULN2003AN)、双向晶闸管VS4、进水阀I.V等组成,相关电路如图2-33所示。检修时,可先对这部分电路进行检查。不过,当水位传感器不良时,也会引起进水不止故障,对此也不容忽视。

图2-33 海尔XQB55—65型微电脑控制式全自动洗衣机进水阀控制电路

◎故障检修

1. 判断故障的大概部位

(1)接通电源后,在进水状态时,测量微处理器IC1(TMP87PH46N)的④脚输出的高电平信号正常。

(2)在进水达到设定的位置后,测量IC1(TMP87PH46N)的④脚输出的高电平不能转变为低电平,此时测量加到进水电磁阀线圈两端的220 V交流电压仍然存在。由此说明微处理器输出的控制信号与进水阀控制电路基本正常,问题可能出在水压传感器电路。进一步应重点对水位传感器及其控制电路进行检查。相关电路如图2-34所示。

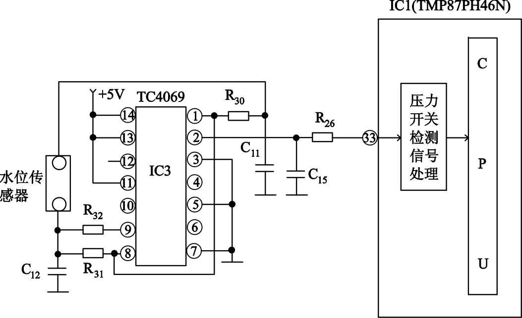
图2-34 海尔XQB55—65型微电脑控制式全自动洗衣机水位传感器及其控制电路

(3)对水位传感器及其控制电路中IC3(TC4069)数字集成电路外围的R 32 、R 31 、R 30 、C 11 、C 12 及水位传感器进行检查,均未发现明显的异常,怀疑IC3(TC4069)数字集成电路本身损坏。

2. 故障处理

更换一只新的、同规格的TC4069数字集成电路装上后,接通电源试机,洗衣机的进水可以自动停止,故障排除。

提示

该机采用水位传感器对进水的水位高低进行检测,与微处理器IC1配合完成十级水位的设置。水位传感器采用可调电感器检测方式,是由桶内水位高低产生的压力的大小来调整可调电感器上铁芯进入空心线圈内部的长度,进而使由IC3组成的振荡电路的振荡频率发生改变,该信号从IC3的②脚输出,经R 26 电阻器加到IC1的 脚内,由微处理器对输入的信号进行解析,以判断水位是否达到设定的水位。本例当IC3集成电路损坏以后,就会使水位检测电路工作异常,从而出现了上述故障。

必须注意的是当IC3集成电路损坏的程度不同时,出现的故障现象也不一样。

另外,IC3集成电路的型号为TC4069,是一块六反相器数字集成电路,当其损坏以后,如一时无原型号的更换,也可以采用CC4069、CD4069、D4069、BG4069、L4069等型号直接进行代换。

例37 海尔XQB55—65型微电脑控制式全自动洗衣机不能排水

◎故障现象

据用户介绍,该全自动洗衣机进水功能基本正常,但不能进行排水。

◎故障分析

根据用户介绍的情况来看,出现这种故障的部位通常与排水阀控制电路有关。该全自动洗衣机排水阀控制电路由微处理器IC1(TMP87PH46N)的⑤、②脚与反相功率驱动集成电路IC2(ULN2003AN)、双向晶闸管VS5与VS2、排水阀C.S组成,相关电路如图2-35所示。检修时,可先对这部分电路进行检查。

图2-35 海尔XQB55—65型微电脑控制式全自动洗衣机排水阀控制电路

◎故障检修

1. 判断故障的大概部位

(1)接通电源后,在排水状态时,测量微处理器IC1(TMP87PH46N)的⑤、②脚输出的控制电平信号正常,说明微电脑控制电路的工作基本正常。测量排水阀两端的交流电压,发现黄色线端的220 V交流电压始终为0 V。

(2)断电后,对IC1(TMP87PH46N)的②脚到排水阀之间的电路元器件与连接线进行检查,结果发现VS2双向晶闸管的两个引脚严重锈蚀且齐根部断裂,显然已经损坏。

2. 故障处理

更换一只新的、同规格的双向晶闸管装上后,接通电源试机,洗衣机的排水恢复了正常,故障排除。

例38 海尔XQB55—65型微电脑控制式全自动洗衣机显示正常但蜂鸣器不响且整机不工作

◎故障现象

据用户介绍,该全自动洗衣机接通电源后,操作功能按钮时,显示正常,但蜂鸣器不响,整机也不能进入正常的工作状态。

◎故障分析

根据用户介绍的情况来看,出现这种故障的部位通常与整机的系统控制微处理器电路有关。检修时,可先对这部分电路进行检查。

◎故障检修

1. 判断故障的大概部位

(1)检查提供给微处理器IC1(TMP87PH46N)的工作电压输入端 脚上的+5 V电压在正常值范围内,且稳定。

(2)测量提供给微处理器IC1(TMP87PH46N)的 脚上的复位电压也无明显的异常现象。

(3)用示波器检查微处理器控制芯片IC1(TMP87PH46N)的时钟振荡引脚 脚上的振荡波形正常。怀疑IC1(TMP87PH46N)的过零检测电路有问题,相关电路如图2-36所示。

(4)对IC1(TMP87PH46N)的 脚外接的过零检测电路中的有关元器件进行检查,结果发现R 20 电阻器的一只引脚呈虚焊状态。

2. 故障处理

加锡将R 20 电阻器虚焊的引脚重焊牢固后,接通电源试机,洗衣机的工作恢复了正常,故障排除。

图2-36 海尔XQB55—65型微电脑控制式全自动洗衣机过零检测电路

例39 海尔XQB55—65型微电脑控制式全自动洗衣机脱水时电动机不能运转

◎故障现象

据用户介绍,该洗衣机插上电源插头接通电源后,可以正常进水,洗涤也正常,但脱水时电动机不能运转。

◎故障分析

根据用户介绍的情况来看,由于洗涤时电动机工作正常,说明微电脑控制电路、电动机电路的工作基本正常,出现这种故障的部位通常与脱水安全开关控制电路有关。相关电路如图2-37所示。检修时,可先对这部分电路进行检查。

图2-37 海尔XQB55—65型微电脑控制式全自动洗衣机安全开关控制电路

◎故障检修

1. 判断故障的大概部位

(1)拆开面板,对安全开关SA1本身进行检查,没有发现其有明显的异常或损坏现象。

(2)对微处理器IC1(TMP87PH46N)的 脚外接的有关元器件进行检查,结果发现C 14 电容器有漏电现象存在。。

2. 故障处理

更换一只新的、同规格的电容器装上后,接通电源试机,脱水功能恢复了正常,故障排除。

提示

当安全开关出现异常时,也会引起上述不能脱水故障,且这种故障发生率较高,检修时应先排除安全开关出现故障的可能性。

例40 海尔XQB55—65型微电脑控制式全自动洗衣机在洗涤过程中有时会自动断电

◎故障现象

据用户介绍,该洗衣机通电进行功能操作后,可以正常进入洗涤状态,但在洗涤过程中有时会自动断电。

◎故障分析

根据用户介绍的情况来看,由于洗涤时电动机工作正常,说明微电脑控制电路、电动机电路的工作基本正常,出现这种故障的部位通常与盖开关及其控制电路有关。相关电路如图2-38所示。检修时,可先对这部分电路进行检查。

图2-38 海尔XQB55—65型微电脑控制式全自动洗衣机盖开关控制电路

◎故障检修

1. 判断故障的大概部位

(1)拆开面板,对盖开关SA2本身进行检查,没有发现其有明显的异常或损坏现象。

(2)对微处理器IC1(TMP87PH46N)的 脚外接的有关元器件进行检查,结果发现R 24 电阻器的一只引脚呈虚焊状态。

2. 故障处理

加锡将R 24 电阻器虚焊的引脚重焊牢固后,接通电源长时间试机,洗涤时出现的自动断电故障再没有出现,故障排除。

提示

该洗衣机专门设置了开盖停机自动保护电路,该电路主要由微处理器IC1(TMP87PH46N)的 脚内电路、永久磁铁与磁控器、电阻器R 29 、R 24 、R 28 、电容器C 13 等组成。在内桶转动、洗涤过程中若打开上盖,磁控器远离磁铁后,就会使磁控器开关断开,进而就会使IC1(TMP87PH46N)的 脚为低电平,微处理器IC1内电路经解析就会判断为洗衣机的上盖已经打开,进而就会从其⑦脚输出低电平,使VT305管的基极为低电平而截止,继电器KA线圈断电后,其触点也就从闭合状态释放为断开状态,从而使加到双向晶闸管VS1~VS5上的220 V交流电源均断开,以实现开盖自动保护功能。当上盖关好后,程序也会继续执行。

本例故障主要是由于R 24 电阻器的一只引脚呈虚焊状态,致使IC1(TMP87PH46N)的 脚有时为低电平实现误保护而自动切断了220 V交流电源,出现了上述故障。

例41 海尔XQB55—65型微电脑控制式全自动洗衣机仅电源开关键起作用且显示“E6”字样

◎故障现象

据用户介绍,该洗衣机通电进行功能操作后,只有电源开关键起作用,其他按键均失效,数码管显示“E6”字样。

◎故障分析

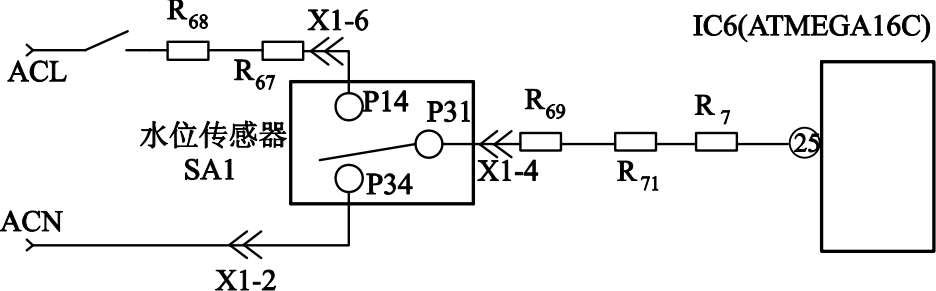
根据用户介绍的情况来看,由于显示的故障代码“E6”为水位传感器不良,根据这一提示,出现这种故障的部位通常与水位传感器及其控制电路有关。相关电路见上面实例。检修时,可先对这部分电路进行检查。

◎故障检修

1. 判断故障的大概部位

(1)先对水位传感器本身进行检查,没有发现其有明显的异常或损坏现象。

(2)测量提供给数字集成电路IC3(TC4069)的 脚上的+5 V电压基本正常,测量C11C12C15电容器也没有发现有漏电现象。判断数字集成电路IC3(TC4069)本身损坏。

2. 故障处理

更换一只同规格的TC4069数字集成电路后,接通电源试机,洗衣机的工作恢复了正常,故障排除。

提示

本例故障主要是由于IC3集成电路损坏以后,没有振荡信号提供给微处理器IC1的 脚,致使IC1误认为水位传感器不良,使整机不能工作而显示了故障代码“E6”字样。 teX0xnkaSvRKdUBCCLf/24reA8I3q+uv67TQiYiNVdXFLWhDlzhU3Ymx5BrrQ9CS

点击中间区域
呼出菜单
上一章
目录
下一章
×