



零件在带料上排样图的设计是多工位级进模设计的重要内容,是决定级进模设计质量的主要因素之一。零件级进冲压排样图的设计,直接影响模具设计的质量。一旦排样图确定了,则零件的冲制顺序、模具的工位数及各工位内容、材料的利用率、模具步距的基本尺寸、定距方式、条料载体形式、条料宽度、模具结构、导料方式等都得到了确定。若排样图设计错误,会导致制造出来的模具无法冲压零件或冲压的零件质量达不到要求。因此,在设计带料排样图时,必须认真分析,综合考虑,进行合理组合和排序,拟订出多种排样方案,加以比较,最终确定最佳方案。在排样设计分析时要考虑以下原则:
(1)要保证产品零件的精度和使用要求及后续工序冲压的需要。
(2)工序应尽量分散,以提高模具寿命,简化模具结构。
(3)要考虑生产能力和生产批量的匹配,当生产能力较生产批量低时,则力求采用双排或多排,使之在模具上提高效率;同时要尽量使模具制造简单、模具寿命长。
(4)高速冲压的级进模用自动送料机构送料时,用导正销精确定距,手工送料时则多用侧刃粗定位,用导正销精确定距。为保证条料送进的步距精度,第1工位安排冲导正孔,第2工位设置导正销,在其后的各工位上优先在易窜动的工位设置导正销。
(5)要抓住冲压零件的主要特点,认真分析冲压零件形状,考虑好各工位之间的关系,确保顺利冲压,对形状复杂、精度要求特殊的零件,要采取必要的措施保证。
(6)尽量提高材料利用率,使废料达到最低限度。对同一零件利用多行排列或双行穿插排列可提高材料利用率。另外,在条件允许的情况下,可把不同形状的零件整合在一副模具上冲压,更有利于提高材料利用率。
(7)适当设置空位工位,以保证模具具有足够的强度,并避免凸模安装时相互干涉,同时也便于试模调整工序时利用(如图2-16所示)。
图2-16 设置空位工位
(8)必须注意各种产生条料送进障碍的可能,确保条料在送进过程中通畅无阻。
(9)冲压件的毛刺方向。当零件提出毛刺方向要求时,应保证冲出的零件毛刺方向一致;对于带有弯曲加工的冲压零件,应使毛刺面留在弯曲件内侧;在分段切除余料时,不能一部分向下冲,有些位置向上冲会造成冲压件的周边毛刺方向不一致。
(10)要注意冲压力的平衡。合理安排各工序以保证整个冲压加工的压力中心与模具中心一致,其最大偏移量不能超过L/6或B/6(其中L、B分别为模具的长度和宽度),对冲压过程出现侧向力,要采取措施加以平衡。
(11)级进模最适宜以成卷的带料供料,以保证能进行连续、自动、高速冲压,被加工材料的力学性能要充分满足冲压工艺的要求。
(12)工件和废料应保证能顺利排出,连续的废料需要增加切断工序。
(13)排样方案要考虑模具加工设备的条件,以及模具和冲床工作台的匹配性。
(1)切制件留载体。带料在模具上,一个工位一个工位冲压以后,成品制件在最后工位上从载体上冲落下来,载体仍保持原样(如图2-17所示)。这种方法常用于制件简单、工位少的模具,并且产品的批量不很大。
图2-17 切制件留载体
(2)切载体留制件。带有弯曲成形的零件,为了保证零件的弯曲,先要将要弯曲部位与带料分离,通过搭口把制件留在载体上,如图2-18所示。采用这种方式,在级进模最后工位条料排样上的残留载体将成为多余的产物(即废料),若处理不好,将影响正常操作。可设置专用废料卷绕装置,将废料卷绕成一定大小后卸除;也可采用切载体留制件的方法,在最后工位切除载体,制件留在凹模表面后,由压缩空气吹到集件装置中。
图2-18 切载体留制件
(3)切载体也切制件。这种方式是制件和载体冲切后均采用漏料方法下落,为了避免制件与废料下落时混淆,在下模座里要设有制件料斗或漏料通道,将它们分别排出。此法在大批量、自动冲压生产中应用普遍。
(4)留载体也留制件。这种方式常常由于后续工序(指本模具之外的加工)的需要,条料上的制件虽经多工位级进模冲压成形,但仍留在载体上,如小电流接线端子和集成电路金属引线框架。要求每十个或几十个制件为一个单元,冲切成一长条,如图2-19所示是晶体管金属引线脚(该零件30个一组进行封装)。
图2-19 留载体也留制件
排样中未冲压成的成品件,均可称为工序件或坯件,它在条料(带料)上的携带方法,在排样设计时必须确定。目前常用的方法有两种,即落料后又被压回到原条料内和通过载体传递。
(1)工序件落料后又被压回到原条料内。这种方法主要用于料厚>0.5mm,并且在其后为最后工位或后工位数已不多的,就要进行压弯成形等场合。它是在落料工位的凹模内加反向压力,使工序件落料后重新被压入带料内,并用带料作为载体传递到下一工位成形,如图2-20所示。工位8,制件与条料分离后压回条料。
图2-20 工序件落料后又被压回到原带料
(2)通过某种载体在模具冲压时在模具内有序传递。利用冲切废料的方法使制件和载体通过必要的“桥”连接在一起,冲切废料的目的是使制件成形部分与条料分离。制件的成形是在载体的传递过程中在有关工位上进行的,制件成形结束后,在最后的工位将其从条料上分离出来。这也是在级进模排样中常常应用的方法。
每个工位材料的变形和分离合理与否,都是与最终能否冲出合格制件、能否进行正常冲压生产联系在一起的。排样时应根据不同冲压工序,从材料的变形和分离合理性方面多考虑。
(1)对于纯冲裁的分离变形,特别是窄而细长的零件(如表针)、材料薄而形状特殊的片形件(如半导体和集成电路引线框等),采取冲切废料的排样方法比较合理。
(2)对于压弯件,须将其展开,展开外形部分应先冲切分离。压弯时应遵循先弯外侧、后弯内侧的顺序进行排样。同时,最小弯曲半径应符合设计参数要求,对于太小的弯曲半径,排样时应加整形工位。
(3)弯曲成形部分若邻近孔,为避免变形,应符合弯曲工艺要求。
(4)对于浅的压筋、镦形冲压加工,要考虑材料的流动对邻近孔的影响,这时应先进行镦形、压筋,再冲孔,如图2-21所示。
图2-21 成形与冲裁工序的安排
(5)需要冲出较大底孔的拉深件,在排样中可先冲预备孔,这样有利于拉深成形。
(6)级进拉深应遵守材料的拉深变形程度由大变小的原则,合理分配;圆角半径过小(R ≤ 4t时),要考虑设置整形工位。
有的制件对毛刺方向有要求,在排样时,不论是双排还是多排,要保证各排冲出的制件毛刺方向一致,不允许在一副模具中,冲出制件毛刺的方向有正有反。如图2-22所示是双排的排样图,图2-22(a)所示是排样的冲压方法是,制件先冲一排后,翻转冲第二排的排样,这种冲压方法冲下的两个制件毛刺方向相反;图2-22(b)所示是制件在同一平面内旋转180°后形成的第二排排样,采用这种双排,同时冲下的两个制件毛刺方向相同。
对于弯曲件,排样时应尽可能使毛刺面处于弯曲件的内侧,毛刺方向朝向凸模,这样可保证弯曲变形区获得较小的圆角半径,不会出现裂纹,保证弯曲件的质量。
图2-22 毛刺方向
载体在排样中就是用来运载冲压零件向前送进的那一部分工艺材料。它必须具有足够的强度和刚度,保证送料过程中不会因为载体自身的变形或断裂而影响送料,甚至损坏模具。
载体和普通冲模排样中搭边既相似又不同,搭边主要是为了补偿定位误差使冲裁后的制件外形完整而设置的。搭边值大小以保证冲出合格制件为原则,它与冲件形状、大小、料厚、送料方式和模具结构特点等有关。普通冲裁“无废料排样”,就是无搭边排样。而载体在多工位级进模中是不可缺少的,没有载体便不能进行多工位级进模的自动化冲压。一般情况下,都是利用带料的载体连接在其上的冲件,浮离凹模平面一定高度,平稳地送进到每个冲压工位,完成冲压动作。
载体形式的确定,在多工位级进模的排样中是很重要的,它对材料的利用率高低影响最大,还关系到能否保证正常生产和保证制件冲制精度和效果,影响模具结构的复杂程度和制造难度。
由于多工位级进模在排样设计时常常将用于精定位的导正销孔设置在载体上,同时为了保证载体的强度,载体的宽度尺寸比普通冲压搭边值要大,有的要大2~4倍,所以材料的利用率相对低一些。在排样设计时,应在不影响载体强度的前提下,尽量减小载体的尺寸,提高材料的利用率。
根据制件的形状、工序变形性质和材料厚度等不同情况,可选用的载体基本类型有三种,即双侧载体、单侧载体和中间载体。
1)双侧载体
双侧载体又称为双载体,是在条料的边缘两侧设计的载体。在最后将制件分离前,制件与条料的两侧相连,被加工的零件连接在两侧载体的中间。双侧载体是稳定的载体,可使工件到最后一个工位前条料的两侧仍保持完整的外形,这对于送进、定位和导正都十分有利。采用双侧载体送进十分平稳可靠,但材料利用率较低。
双侧载体可分为等宽双侧载体、不等宽双侧载体和边料载体。
等宽双侧载体一般应用于送进步距精度高、条料偏薄、精度要求较高的冲裁件多工位级进模或弯曲件多工位级进模。在载体两侧的对称位置可冲出导正销孔,在模具的相应位置设导正销,以提高定位精度,如图2-23所示。
图2-23 等宽双侧载体
不等宽双侧载体宽的一侧称为主载体,窄的一侧称为副载体。一般在主载体上设计导正销孔。此时,条料沿主载体一侧的导料板前进。冲压过程中可在中途冲切去副载体,以便进行侧向冲压加工或其他加工(如图2-24所示)。在冲切副载体之前,应将主要冲裁工序都进行完毕,以确保冲制精度。
图2-24 不等宽双侧载体
边料载体是利用材料搭边冲出导正销孔而形成的一种载体,这种载体简单又能提高材料的利用率,对干外形为圆形的冲裁、浅拉深成形的制件排样应用十分普遍。排样的送料步距可大于20mm,且可多件排列,如图2-25、图2-26所示。
图2-25 弯曲件排样边料载体
图2-26 浅拉深件排样边料载体
2)单侧载体
单侧载体是在带料的送进过程中,带料的一侧外形被切掉,另一侧保持完整外形,实现对工序件的运载。导正销孔设计在单侧载体上,其送进步距精度不如双侧载体高。有时可再借用一个零件本身的孔同时进行导正,以提高送进步距精度,防止载体在冲制过程中有微小变形,影响步距精度。与双侧载体相比,单侧载体应取更大的宽度,以保证载体强度。在冲压过程中,单侧载体易产生横向弯曲,无载体一侧的导向比较困难。
单侧载体一般用于条料厚度为0.5mm以上的冲压件,特别是对于零件一端或几个方向都有弯曲,排样中只能保持条料的一侧有完整外形的场合,应用单侧载体较多,如图2-27、图2-28所示。
图2-27 单侧载体排样例一
图2-28 单侧载体排样例二
在冲裁细长零件时,为了增强载体的强度,并不过分增加载体宽度,仍设计为单侧载体,但在每两个冲压件之间适当位置用一小部分连接起来,以增强条料的强度,称为桥接式载体,其中连接两工序件的部分称为桥。采用桥接式载体时,冲压进行到一定的工位或到最后再将桥接部分冲切掉,如图2-29所示。
图2-29 桥接式载体排样图
3)中间载体
中间载体是指载体设计在条料中间,如图2-30所示(同一个零件的两种不同排样方法),一般适用于对称零件,尤其是两外侧有弯曲的对称零件。中间载体不仅可以节省大量的原材,还利于抵消两侧压弯时产生的侧向力。对于一些不对称的单向弯曲的零件,也可采用中间载体将被加工的零件对称放置在中间载体两侧(如图2-16所示),变不对称零件为对称性排列,既提高了生产效率,又提高了材料利用率,也抵消了弯曲时产生的侧向压力。
图2-30 中间载体排样图
当级进模冲压的零件内孔和外形的形状较为复杂,同时零件还包含有弯曲、拉深、成形等多种冲压工序时,为了保证模具制造和冲压件质量要求,此时常采用将内孔或外形分段切除余料的方法,如图2-31所示。该方法使模具刃口分解和重组,把复杂的内、外形轮廓分解为若干简单的几何单元,以简化凸模和凹模形状,便于加工,缩短模具制造周期。通过刃口的分解还能改善凸模和凹模的受力状态,提高模具的强度和寿命,并可满足特殊的工艺需要,便于制件在摸具中的连续冲压成形。
(1)形状轮廓的分割应有利于简化模具结构,形成的凸模外形要简单、规则,要便于加工,并要有足够的强度。同时,应保证产品零件的形状、尺寸、精度和使用要求。
(2)内、外形轮廓分解后,各段间的连接应平直或圆滑。
(3)分段搭接点应尽量少,搭接点位置要避开产品零件的薄弱部位和外形的重要部位,放在不注目的位置。
图2-31 分段切除余料
(4)有公差要求的直边和使用过程中有滑动配合要求的边应一次冲切,不宜分段,以免产生误差积累。
(5)复杂外形以及有窄槽或细长臂的部位最好分解,复杂内形最好分解。
(6)外轮廓各段毛刺方向有不同要求时应分解。
(7)刃口分解要考虑加工设备条件和加工方法,便于加工。
级进模在分段切除冲制过程中,余料切除后各段间要形成一个完整的冲压零件。由于级进模工位多,模具的制造误差及步距间的误差累积都有可能使冲切后形孔各段出现各种质量问题。因此,为保证冲压零件的质量,就必须合理地选择连接方式,并加上必要的措施,使各段间连接过渡得非常平直和圆滑,以免出现毛刺、错位、尖角、塌角等。
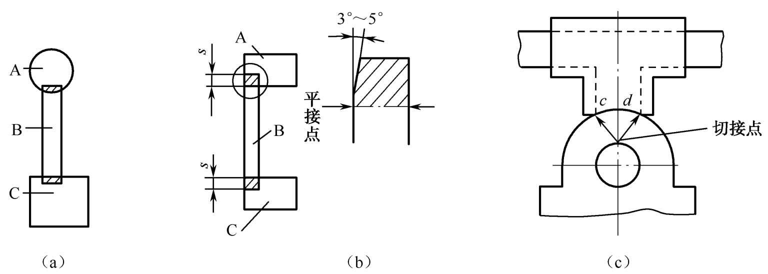
连接方法可分为搭接、平接、切接三种方式。
搭接如图2-32(a)所示,若第一次冲出A、C两区,第二次冲出B区,图示的搭接区是冲裁B区凸模的扩大部分,搭接区在实际冲裁时不起作用,主要是克服形孔间连接时的各种误差,使形孔连接良好,保证制件在分段切除后连接整齐。搭接最有利于保证冲件的连接质量,在分段切除中大部分都采用这种连接方式。
图2-32 连接方法
图2-32(b)所示是平接,在冲A、C区域时,零件的直边先冲切去了一段,在另一工位冲压B区时,再切去余下的一段,两次冲切刃口平行,共线但不重叠。平接方式易出现毛刺、错牙和不平直等质量问题,设计时,应尽量避免采用。若需采用时,要提高模具步距和凸模、凹模的制造精度,并对平接的直线前后两次冲切的工位均设置导正销对条料导正。二次冲切的凸模连接处的延长部分修出微小的斜角(3°~5°),以防由于种种误差的影响在连接处出现明显的缺陷。
图2-32(c)所示为切接,与平接相似。平接是指直线段,而切接是指在零件的圆弧部分上或圆弧与圆弧相切的切点进行分段切除的连接方式。切接也容易在连接处产生毛刺、错位、不圆滑等质量问题,需采取与平接相同的措施。
工位数不是越多越好,宜少勿多。工位数太多,将带来一系列问题,如不可避免的累积步距误差、模具面积和重量变大、模具材料费用加大等。
当遇到复杂的制件外形或孔之间间距太近时,考虑到冲裁凸、凹模的强度和模具加工等问题,可分解成多次局部冲裁最后完成制件外形要求,在多个工位上加工而成,即采用增加工位数为代价简化凸模、凹模几何形状。
对精度要求较高的弯曲件、拉深件,应考虑整形工位。
当条料每送到这个工位时,不作任何加工,随着条料的送进,再进入下一工位,这样的工位为空位工位。在排样图中,增设空位工位的目的是为了保证凹模、卸料板、凸模固定板有足够的强度,确保模具的使用寿命,或是为了便于在模具中设置特殊结构,或是为了作必要的储备工位(对复杂弯曲件或拉深件),便于试模时调整工序用。在多工位级进模中,空位工位虽为常见,但绝不能无原则地随意设置。因为空位工位的设置,无疑将会增大模具的尺寸,使模具的误差累积增大,所以在排样考虑空位工位设置时要遵循以下原则:
(1)用导正销做精确定位的条料排样图因步距积累误差较小,对产品精度影响不大,可适当地多设置空位工位,因为多个导正销同时对条料进行导正,对步距送进误差有相互抵消的可能。而单纯以侧刃定距的多工位级进模,其条料送进时随着工位数的增多而误差累积加大,不应轻易增设一个空位工位。
(2)当模具的步距较大时(步距>16mm),不宜多设置空位工位。尤其对于一些步距大于30mm的多工位级进模,更不能轻易设置空工位。反之,当模具的步距较小(一般<8mm)时,增加一些空位工位对模具的影响不大。有时步距过小,如果不多增设空位工位,模具的强度就较低,而且模具的一些零部件也无法安装。此时,就应该考虑增加空位工位。
(3)精度高、形状复杂的零件在设计排样图时,应少设置空位工位;精度较低、形状简单的零件在设计排样图时,可适当地多设置空位工位。
级进模的步距是确定条料在模具中每送进一次,所需要向前移动的送料距离。步距的精度直接影响冲件的精度。设计级进模时,要合理地确定步距的基本尺寸和步距精度。步距的基本尺寸,就是模具中两相邻工位的距离。
步距的精度直接影响冲件的精度。步距的误差不仅影响分段切除余料,导致外形尺寸的误差,还影响冲压件内、外形的相对位置。也就是说,步距精度越高,冲件精度也越高,但模具制造也就越困难。所以步距精度的确定必须根据冲压件的具体情况来定。影响步距精度的因素很多,但归纳起来主要有:冲压件的精度等级、形状复杂程度、冲压件材质和厚度、模具的工位数,冲制时条料的送进方式和定距形式等。
多工位级进模步距精度的经验公式为
式中, δ 为多工位级进模步距对称极限偏差值(mm); β 为冲件沿条料送进方向最大轮廓基本尺寸(指展开后)精度提高三级后的实际公差值(mm);n为模具设计的工位数;k为修正系数。
单载体时:每步有导正销,k=1/2;双载体时:每步有导正销,k=1/3;当载体每隔一步导正时,精度系数取1.2k;每隔二步导正时,精度系数取1.4k。
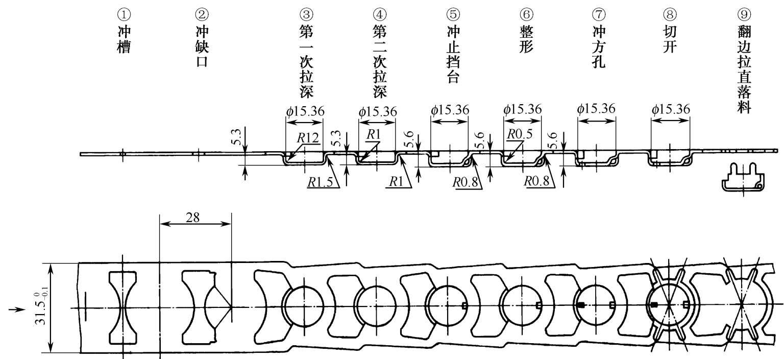
一般先冲孔后落料,若孔到边缘的距离比较小,而孔的精度又比较高时,排样应考虑先冲外形,再在导正销导正的情况下冲孔,以避免先冲孔、后落料时,造成孔的变形,达不到孔的精度要求,如图2-33(b)所示。图2-33(a)所示是先冲孔再冲孔边缘外形,不利于孔及孔位尺寸精度的工位布置图。
图2-33 带孔冲裁件工序的排序
应首先安排冲切掉弯曲件周边(指弯曲件展开后)以外废料,再进行弯曲成形,最后落料或切断。若多角弯曲件的弯曲,其中某个尺寸精度要求较高时,此处应先考虑避免两次直角弯曲时材料的延伸,可采取预弯到一过渡形状,先弯成45°,如图2-34所示,再进一步弯到尺寸要求。在弯曲制件时,为了防止弯曲过程条料的窜动,在排样和模具结构设计时要考虑有利于模具在弯曲制件时,对材料的夹紧。图2-34(b)所示排样,弯曲工序1时,制件的上端未考虑预弯,受力不对称,在弯曲下端部分时,将引起制件往下窜动。改为图2-34(c)所示的排样,弯曲工序1的上端部分考虑了预弯,使弯曲工序1在弯曲成形过程中,制件两端都受力,保证成形过程稳定,并对弯曲工序2的材料变形非常有利。
图2-34 多角弯曲的工序排序与防止弯曲过程条料窜动的排样
如图2-35(a)所示为带有压筋的制件。对于这类制件,一般先压筋(压凸),后冲孔,再落料。有些筋在制件上是直通的,有些只有部分。
如图2-35(b)所示压凸包,变形是材料拉深与胀形的一种复合成形,由于变形材料有流动,在安排工序时应先压凸后冲切制件外形,对质量有保证。如有的凸包中心有孔,应在压凸前先在孔的位置冲一个较小的孔,这样有利于材料从中心向外流动,压凸后将孔冲至需要尺寸。
图2-35 带有压筋(压凸包)的制件
有立体成形的制件应按其复杂程度而定,一般以有利于下道工序的进行为原则,做到先易后难,按先冲平面形状,后冲立体形状的顺序安排。
某些制件在冲压时,为保证冲压件的质量,需要设置工艺孔或工艺切口。例如冲方孔前,在此孔位置中心上先冲个圆孔作为工艺孔,供定位使用;切口弯曲成形时,在其弯曲形状边缘先冲出封闭的长孔或切口,再弯曲;连续拉深开始前,常在条料的第1工位和第2工位变形区外侧,先冲出一条或几条切口,以利于材料塑性变形。
若制件孔与孔之间或孔与外形之间有较高形位公差要求,应尽量安排在同一工位中冲出。如果必须进行两次或多次冲裁才能得到制件要求的形状,则在排样上也要先冲裁废料,再切弯成形,并在制件的尺寸方面要采取一些措施,避免重复冲裁搭接处不正而出现毛刺。如图2-36所示排样,材料料厚0.1mm,第1工位采用双侧刃定距,同时还冲两个特形孔;第2工位是切口弯曲,设计时,考虑到送料步距的误差,有意使第1工位冲废料后留下的中间部分与切口弯曲后留下的中间部分单边差0.1mm,形成一个台阶,这种做法在制件结构允许的情况下,排样设计比较合理。
图2-36 同一尺寸进行两次冲裁的排样
在级进模中,由于产品的加工工序安排在多个工位上顺次完成,为了保证前后两次冲切中,工序件的准确匹配和连接,必须保证其在每一工位上都能准确定位。根据工序件的定位精度,级进模的定位方式可采用挡料销、侧刃、自动送料机构、导正销等。前三者使用时只能作为粗定位,级进模的精定位都是采用导正销导正。导正销与其他粗定位方式配合使用构成定位形式。
在多工位精密级进模冲压时,常使用自动送料机构,配合冲床冲程运动,使条料定时定量地送进,并且实现初始定位,要做精确定位时,必须采用导正销导正。在组合使用时,必须遵循一定的原则,才能取得较好的定位效果。
导正孔是通过装于上模的导正销插入其中矫正条料位置来达到精确定位的目的,一般与其他定位方式配合使用(如图2-37所示)。
图2-37 导正销工作示意图
导正孔可利用零件本身的孔,或利用废料载体上的孔,前者为直接导正,后者为间接导正。直接导正的材料利用率高,外形与孔的相对精度容易保证,模具加工容易,但易引起产品孔变形。间接导正的材料利用率降低,模具加工工作量增加,但产品孔不会变形。
导正孔直径的大小会影响材料利用率、载体强度、导正精度等,应结合考虑板料厚度、材质、硬度、毛坯尺寸、载体形式、尺寸、排样方案、导正方式、产品结构特点和精度等因素来确定。一般导正孔最小直径应大于或等于料厚的4倍。下面所列为导正孔直径的经验值:
t<0.5mm,d min =1.5mm
1.5mm ≥ t ≥ 0.5mm, d min =2.0mm
t>1.5mm,d min =2.5mm
在设计的排样图上确定导正孔位置时应遵循如下原则:
(1)在条料排样的第1工位就要冲制出导正销孔,紧接第2工位要有导正销,以后每隔2~4个工位的相应位置等间隔地设置导正销,并优先在容易窜动的工位设置导正销。
(2)导正孔位置应处于条料的基准平面(即冲压中不参与变形、位置不变的平面)上,否则将起不到定位孔的作用,一般可选在条料载体或余料上。
(3)对于较厚的材料,也可选择零件上的孔作为导正孔,但在冲压过程中,该孔经导正销导正后,精度会被破坏,甚至会变形,应在最后的工位上予以精修完成。
(4)重要的加工工位前要有导正销。
(5)圆筒形件在连续拉深时,可不必设置导正销孔,而直接利用拉深凸模进行导正。
(6)必须要设置导正销而又与其他工序干涉时,可设置空位工位。
侧刃也是级进模中普遍使用的一种定位定距零件,是在条料的一侧或两侧冲切定距槽,通过条料送进距离等于侧刃冲切缺口长度,控制步距达到使工序件定位的目的。它适用于0.1~1.5mm厚的板料,对于大于1.5mm或小于0.1mm的板料不宜采用,定位精度比挡料销要高,一般适于IT11~ITl4级精度冲压件的定位,个别也能满足ITl0级精度,但工位不宜过多。
由于侧刃凸模有制造误差,侧刃刃口钝化后会影响侧刃步距的精度,所以单一用侧刃定级进模工位只能有3~6个,在工位数较多的多工位级进模中一般以侧刃作粗定位,以导正销作精定位。