



 
    加油站 1——双速三相异步电动机的手动调速控制电路
    加油站 1——双速三相异步电动机的手动调速控制电路
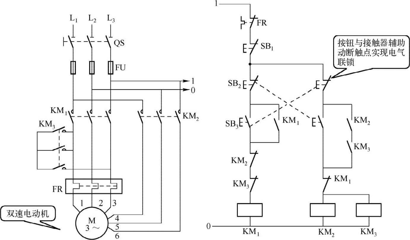
   如图 1-34所示为双速三相异步电动机的手动调速控制电路。
 
    图 1-34 双速三相异步电动机手动调速控制电路
在该电路中,KM 1 主触点闭合,电动机定子绕组连接成三角形接法,磁极对数为 2对极,同步转速为 1500r/min;KM 2 和KM 3 主触点闭合,电动机定子绕组连接成双星形接法,磁极对数为 1对极,同步转速为 3000r/min。
 训练场 1——电路原理分析
    训练场 1——电路原理分析
    
   
     改变电动机 6个出线端子与电源的连接方法,低速时采取三角形接法,高速时采用双星形(
      
      )接法,这样可得到两种不同的转速。双速电动机高速运转时的转速接近低速时的 2倍。
     )接法,这样可得到两种不同的转速。双速电动机高速运转时的转速接近低速时的 2倍。
    
双速电动机定子绕组的结构及接线方式如图1-35所示。其中,图1-35(a)、(b)所示为定子绕组结构示意图。改变接线方法可获得两种接法:图 1-35(c)所示为三角形接法,磁极对数为 2对极,同步转速为 1500r/min,是一种低速接法;图 1-35(d)所示为双星形接法,磁极对数为 1对极,同步转速为 3000r/min,是一种高速接法。
需要指出:从一种接法改为另一种接法时,为确保方向不变,应将电源相序反过来。
 
     图 1-35 双速电动机定子绕组的结构及接线方式
 加油站 2——自动加速电路
    加油站 2——自动加速电路
   如图 1-36所示为双速三相交流异步电动机自动加速电路(变极调速)。该电路的主电路与图 1-34所示电路相同。
 
    图 1-36 双速电动机自动加速电路
 训练场 2——电路原理分析
    训练场 2——电路原理分析
   当开关SA在中间位置时,所有接触器和时间继电器都不接通,控制电路不起作用,电动机处于停止状态。
当SA选择“低速”位置时,接通KM 1 线圈电路,其触点动作的结果是电动机定子绕组接成三角形,以低速运转。
当SA选择“高速”位置时,接通KM 2 、KM 3 和KT线圈,电动机先低速运行,经过时间继电器KT延时后自动切换到高速。这时,电动机定子绕组接成双星形,转速增加一倍。
该线路高速运转必须由低速运转过渡。在使用时应根据说明书了解连接方法,做到接线正确。