



-△降压启动控制电路
加油站 1——手动控制的
-△启动电路
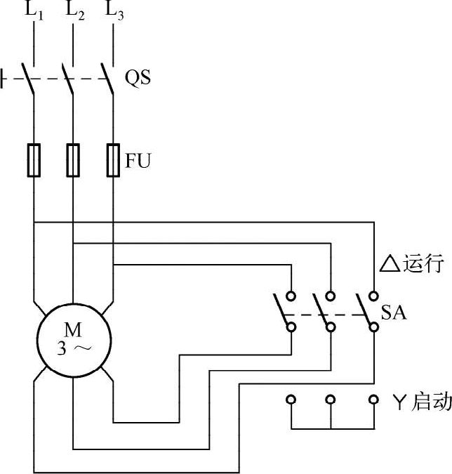
如图 1-5所示为手动控制电动机星形-三角形降压启动控制电路。图中,手动控制开关SA有两个位置,分别对应电动机定子绕组星形(
)和三角形(△)连接。
启动时,将开关SA置于“启动”位置,电动机定子绕组被接成星形,电动机降压启动。
当电动机启动且转速上升到一定值后,再将开关SA置于“运行”位置,电动机定子绕组接成三角形连接方式,电动机全压运行(正常运行状态)。
图 1-5 手动控制
-△降压启动控制电路
该电路较简单,SA可选用一把能双向控制的三相刀闸,也可用两把单向的三相刀闸。
加油站 2——自动控制的
-△启动电路
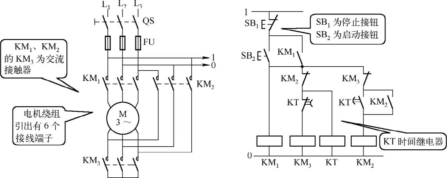
如图 1-6所示为采用接触器控制星形-三角形降压启动电路。图中使用了三个接触器KM 1 、KM 2 、KM 3 、一个通电延时型的时间继电器KT和两个按钮SB 1 、SB 2 。时间继电器KT用于控制星形连接降压启动的时间,以便完成星形-三角形连接的自动切换。
图 1-6 接触器控制星形-三角形降压启动电路
训练场——电路原理分析
当接触器KM 1 、KM 3 主触点闭合时,电动机M星形连接;当接触器KM 1 、KM 2 主触点闭合时,电动机M三角形连接。
停止时,按下SB 1 即可。
在该电路中,接触器KM 3 得电后,通过KM 3 的辅助触点使接触器KM得电动作,这样KM 3 主触点是在无负载的条件下进行闭合的,故可延长接触器KM 3 主触点的使用寿命。
在该电路中,电动机M三角形连接运行时,时间继电器KT和接触器KM 3 均断电释放,这样不仅使已完成星形-三角形降压启动任务的时间继电器KT不再通电,而且可以确保接触器KM 2 通电后,KM 3 无电,从而避免KM 3 与KM 2 同时通电造成短路事故。
在该电路中,由于星形连接启动时启动电流为三角形连接时的 1/3,启动转矩也只有三角形连接时的 1/3,转矩特性较差,所以该电路只适用于空载或轻载启动的场合。
该电路的缺点是KM 2 和KM 3 是带电切换。
为了分析原理时一目了然、叙述方便,本章采用的叙述符号见表 1-5。
表 1-5 分析原理的叙述符号
-△启动控制的电路
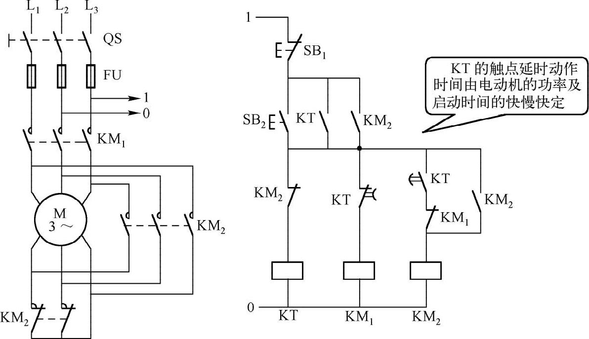
如图 1-7所示为另一种自动控制电动机星形-三角形降压启动的控制电路。它不仅采用两个接触器KM 1 、KM 2 ,而且电动机由星形连接转为三角形连接时是在切断电源的同时间内完成的。即按下按钮SB 2 ,接触器KM 1 通电,电动机M接成星形启动,经一段时间后,KM 1 瞬时断电,KM 2 通电,电动机M接成三角形,然后KM 1 再重新通电,电动机M三角形全压运行。其电路原理请读者自己分析。
图 1-7 用两只接触器实现
-△启动控制的电路