购买
下载掌阅APP,畅读海量书库
立即打开
畅读海量书库
扫码下载掌阅APP

4.5 草图曲线应用实例

本节综合前面的知识以两个综合实例为中心,向大家介绍草图的具体应用及草图创建的步骤与思路。

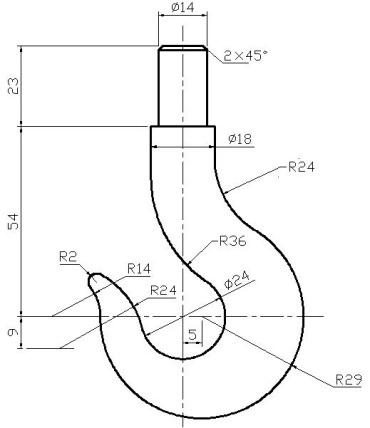
4.5.1 吊钩草图

最终文件:finish\chapter4\03.prt

该实例将创建一个吊钩的草图曲线,如图4-69所示,吊钩是机械制图中最典型的一个图形,该草图的绘制,将应用前面介绍的圆、直线、圆角、倒斜角、镜像等命令。

图4-69 吊钩草图

1.进入草图环境

(1)启动UG NX 8.0,单击“新建” ,弹出“新建”对话框。单击“确定”按钮进入建模模块。

(2)进入草图,单击直接草图工具条中的草图 ,弹出“创建草图”对话框,选择XY平面,单击“确定”按钮进入草图环境。

提示

在进入草图环境后确认“自动判断草图约束”图标 被选中,这样可以自动创建约束,此外“连续自动标注尺寸”选项在默认情况下是选中的,如果感觉界面尺寸过于凌乱可以取消。

2.绘制草图基准

(1)捕正视图,按下鼠标右键保持一段时间,将弹出“快捷菜单”,如图4-70所示,选择右侧的“定向视图到草图”,UG NX8.0会自动将视图捕正,如图4-71所示。

图4-70 快捷菜单

图4-71 捕正视图

(2)绘制直线,在“草图工具”工具栏中单击“直线” 图标,绘制如图4-65所示的草图直线,保证两条直线与坐标轴重合图,如4-72所示。

图4-72 绘制直线

提示

因为打开了“自动判断草图约束”,所以草图会自动约束重合,如果不重合也可以在草图约束里设置共线约束。

(3)转化参考线,在“草图工具”工具栏中单击“转换至/自参考对象” 按钮,打开“转换至/自参考对象”对话框,然后选择上一步创建的两条直线,即可完成参考对象的转换,如图4-73所示。

图4-73 转化为参考线

技巧

绘制具有中线基准的图形时,应该首先绘制基准,确定基准后便可以方便地确定其他曲线的位置,从而提高绘图效率。

3.绘制草图曲线

(1)绘制Φ24的中心圆,在“草图工具”工具栏中单击“圆” 按钮,打开“圆”对话框。选择指定圆心和直径方式绘制圆。选择坐标原点为圆心,绘制后单击“自动判断尺寸” ,指定刚创建的圆约束直径为24mm,如图4-74所示。

图4-74 Φ24的中心圆

(2)绘制Φ58的偏心圆,在“草图工具”工具栏中单击“圆” ,打开“圆”对话框。选择指定圆心和直径方式绘制圆,指定圆心位于X轴的参考线上,绘制后单击“自动判断尺寸” ,指定刚创建的圆约束直径为58mm,如图4-75所示。

(3)绘制Φ28和Φ48的圆,在“草图工具”工具栏中单击“圆” ,打开“圆”对话框。选择指定圆心和直径方式绘制圆,指定一个圆心在X轴参考线上,一个圆心在参考线下方绘制两个圆。选择“自动判断尺寸” 图标,指定刚创建的中心在参考线上的圆约束,其直径为28mm,另一个直径为48mm,距离X轴9mm,如图4-76所示。

图4-75 Φ58的偏心圆

图4-76 Φ28和Φ48的圆

(4)约束Φ28和Φ48的圆,单击“草图工具”工具栏中的“约束” ,然后分别拾取Φ28和Φ58的圆,在打开的“约束”对话框中单击“相切” ,添加相切约束,如图4-77所示。

按照相同的方法,分别拾取Φ48和Φ24的圆,在打开的“约束”对话框中单击“相切” ,添加相切约束。

图4-77 约束Φ28和Φ48的圆

(5)绘制两条直线,在“草图工具”工具栏中单击“直线” 图标,绘制如图4-78所示的草图直线,保证两条直线方向竖直。

图4-78 绘制直线

注意

绘制的直线要与中心线有一定的距离,并将直线绘制在中心基准的同一侧,以方便后面镜像曲线的操作。

(6)镜像直线,在“草图工具”工具栏中单击“镜像曲线” 按钮,打开“镜像曲线”对话框,如图4-79所示。选择要镜像的曲线,然后选择镜像中心线便会创建出指定的镜像曲线,如图4-80所示。

图4-79 “镜像直线”对话框

图4-80 镜像直线

(7)绘制两条连接直线,在“草图工具”工具栏中单击“直线” 图标,选择镜像曲线的端点,绘制如图4-81所示的草图直线。

(8)约束镜像直线的尺寸,在“草图工具”工具栏中单击“自动判断尺寸” ,指定刚创建的对应的镜像直线,约束两组镜像曲线的间距为14mm和18mm,如图4-82所示。

图4-81 绘制连接直线

图482约束镜像直线尺寸

(9)创建倒圆角,在草图工具栏中单击“圆角” ,如图4-83所示分别选择直线1和圆1创建圆角,然后选择“自动判断尺寸” 图标,指定刚创建的圆角,约束圆角尺寸为24mm。

技巧

直接使用倒圆角创建圆弧,要比使用圆弧命令方便很多,可以省去约束和尺寸的操作,提高操作效率。

按照相同的方式分别选择直线2和圆2,圆3和圆4,创建所需要的圆角,然后约束圆角尺寸分别为R36和R2。

图4-83 绘制圆角

(10)修剪草图,单击草图工具栏中的“快速修剪” ,弹出“快速修剪”对话框,如图4-84所示。不选边界,然后拖动鼠标修剪不需要的草图曲线,最终修剪后的草图如图4-85所示。

图4-84 “快速修剪”对话框

图4-85 修剪草图

(11)创建倒斜角,在草图工具栏中单击“斜角” ,弹出“倒斜角”对话框,如图4-86所示。设置偏置方式为“对称”,距离为2mm。然后选择“锁定” ,分别选择草图曲线上镜像曲线的两个拐角,创建2mm的斜角,如图4-87所示。

(12)创建斜角直线,在“草图工具”工具栏中单击“直线” ,选择两个斜角的端点,绘制如图4-88所示的草图直线。

图4-86 “倒斜角”对话框

图4-87 创建倒斜角

图4-88 创建斜角直线

提示

由于是二维图,倒角后的直线一定不要漏掉,倒角及台阶的线是工程制图中很容易疏忽的一点。

4.完成草图绘制

经过上述草图绘制后的效果如图4-89所示,在“草图工具”工具条中单击“完成草图”图标,完成草图,退出草图环境,如图4-90所示。

图4-89 草图完成图

图4-90 退出草图环境

4.5.2 支架草图

最终文件:finish\chapter4\04.prt

该实例将创建一个支架的草图曲线,如图4-91所示,该支架的绘制,将应用前面介绍的圆、直线、偏置、圆角、约束、修剪等命令。

图4-91 支架草图

1.进入草图环境

(1)启动UG NX 8.0,单击“新建” 图标,弹出“新建”对话框。单击“确定”按钮进入建模模块。

(2)进入草图,单击直接草图工具条中的“草图” 按钮,弹出“创建草图”对话框,选择XY平面,单击“确定”按钮进入草图环境。

2.绘制草图基准

(1)捕正视图,按下鼠标右键保持一段时间,弹出快捷菜单,选择右侧的“定向视图到草图”命令,UG NX8.0会自动将视图捕正。

(2)绘制Φ112基准圆,在“草图工具”工具栏中单击“圆” 按钮,打开“圆”对话框。选择指定圆心和直径方式绘制圆,指定圆心位于坐标原点上,绘制后单击“自动判断尺寸” ,指定刚创建的圆约束其直径为112mm,如图4-92所示。

(3)绘制基准直线,在“草图工具”工具栏中单击“直线” 图标,绘制如图4-92所示的草图直线,保证两条直线与坐标轴重合。然后以原点为一个端点绘制两条倾斜的直线,绘制后选择“自动判断尺寸” 图标,指定刚创建的直线与Y轴成30°和49°,如图4-92所示。

(3)转化参考线,在“草图工具”工具栏中单击“转换至/自参考对象” ,打开“转换至/自参考对象”对话框,然后选择上一步创建的四条直线和圆,即可完成参考对象的转换,如图4-93所示。

图4-92 Φ112基准圆和基准直线

图4-93 转化参考线

注意

对于支架类零件的绘制,基准的绘制相当重要,绘制完成基准,基本上所有的几何体都可以确定绘制的思路了。

3.绘制草图曲线

(1)绘制支点圆,在“草图工具”工具栏中单击“圆” 按钮,打开“圆”对话框。选择指定圆心和直径方式绘制圆,指定圆心位于倾斜参考线与参考圆的交点,然后再绘制一个同心圆,以类似的方式在另一个交点,以及坐标原点和Y轴参考线上创建两个同心的圆,如图4-94所示。

(2)创建尺寸约束。选择“自动判断尺寸” ,指定刚绘制的圆1、圆2、圆3,约束它们的直径分别为Φ14、Φ8、Φ13,如图4-95所示。

(3)创建几何约束。单击“草图工具”工具栏中的“约束” 按钮,然后分别拾取如图4-96所示的4个草图圆,在打开的“约束”对话框中单击“等半径” ,添加等半径约束。

图4-94 绘制支点圆

图4-95 创建草图约束

图4-96 等半径约束

以相同的方式选择如图所4-97(a)示的两个草图圆,添加等半径约束。再选择如图4-97(b)所示的两个草图圆创建相同的等半径约束。

图4-97 等半径约束

(4)绘制边框圆,在“草图工具”工具栏中单击“圆” ,选择指定圆心和直径方式绘制圆,指定圆心位于坐标原点上,然后选择支点圆与倾斜直线的交点,绘制如图4-98所示的圆。

在草图的左右两侧分别绘制一个圆,然后创建尺寸约束,约束圆的直径为Φ180,如图4-98所示。

图4-98 绘制边框圆

(5)约束边框圆,单击“草图工具”工具栏中的“约束” ,然后分别拾取如图4-99所示的左侧边框圆与支点圆1,在打开的“约束”对话框中,单击“相切” ,添加相切约束。以相同的方式选择左侧边框圆与支点圆2,添加相切约束。

以相同的方式创建右侧边框圆与支点圆3和支点圆2的相切约束,约束后的最终效果如图4-99所示。

(6)修剪草图,单击草图工具栏中的“快速修剪” 图标,弹出“快速修剪”对话框。不选边界,然后拖动鼠标修剪不需要的草图曲线,最终修剪后的草图如图4-100所示。

图4-99 约束边框圆

图4-100 修剪草图

(7)创建偏置曲线,单击“偏置曲线” 按钮,打开“偏置曲线”对话框,如图4-101所示。选择参考圆为要偏置的曲线,偏置距离为3mm,创建一条偏置曲线,如图4-102所示。

图4-101 “偏置曲线”对话框

图4-102 偏置圆

以相同的操作,选择两条倾斜的参考直线为要偏置的曲线,偏置距离为3mm,创建向里偏置3mm的偏置曲线,如图4-103所示。

(8)创建圆弧,在“草图工具”工具栏中单击“圆” 按钮,选择指定圆心和直径方式绘制圆,指定圆心位于支点圆的圆心上,分别在两个支点圆上创建Φ22的整圆,如图4-104所示。

图4-103 偏置直线

图4-104 创建圆弧

(9)修剪草图,单击草图工具栏中的“快速修剪” ,弹出“快速修剪”对话框。不选边界,然后拖动鼠标修剪不需要的草图曲线,最终修剪后的草图如图4-105所示。

(10)创建倒圆角,在草图工具栏中单击“圆角” ,如图4-106所示分别选择内边框的拐角,创建圆角,然后单击“自动判断尺寸” ,指定刚创建的圆角,约束圆角尺寸,如图4-106所示。

(11)绘制四条竖直直线,在“草图工具”工具栏中单击“直线” 图标,绘制如图4-107所示的草图直线,保证所有直线竖直,外侧的直线的起点在圆的象限点上,如图4-107所示。

图4-105 修剪草图

图4-106 创建倒圆角1

图4-107 创建倒圆角2

提示

可以在点选择过滤器中设置选择象限点为可选状态,以便绘制直线的时候,能够自动约束端点与象限点重合,如图4-108所示。

图4-108 点选择过滤器

(12)创建对称约束,在工具条中单击“设为对称” ,即可弹出“设为对称”对话框,如图4-109所示。先选择左侧的直线为主对象,然后选择右侧的直线为次对象,再选择Y轴参考线为中线,设置两条直线对称,如图4-110所示。

选择工具条中的“自动判断尺寸” 图标,指定刚创建对称的两条直线,约束两直线之间的距离为5mm,如图4-111所示。

图4-109 “设为对称”对话框

图4-110 选择直线

图4-111 对称设置完成

(13)修剪草图,单击草图工具栏中的“快速修剪” ,弹出“快速修剪”对话框。不选边界,然后拖动鼠标修剪不需要的草图曲线,最终修剪后的草图如图4-112所示。

提示

进行草图修剪操作时不选择边界,默认所有的曲线均为修剪的边界,在通常情况下使用该种操作,操作效率较高。

(14)在“草图工具”工具条中单击“完成草图” ,完成草图,退出草图环境,最终效果如图4-113所示。

图4-112 修剪草图

图4-113 完成草图 3Kudjj2aONNXxgD/2G702cHhi7Z+D9YeIZVw12Cj+Z2+fEE7W4c0YZDOgLHWDbRn

点击中间区域
呼出菜单
上一章
目录
下一章
×

打开