



 
   继电器是一种根据电量(电压、电流等)或者非电量(温度、时间、转速、压力)等信号的变化带动触点动作,来接通或断开所控制的电路或者电器,以实现自动控制和保护电路或电器设备的电器。
它具有输入电路(又称感应元件)和输出电路(又称执行元件),当感应元件的输入量(如电流、电压、频率、温度等)变化达到某一定值时,继电器动作,执行元件便接通或断开控制电路,如图2-11所示。
 
    图2-11 继电器工作方框图
继电器接收并执行控制电路发出的指令,用低电压小电流信号,控制高电压或电流的工作设备,实现“以低控高”、“以小控大”的作用。
(1)按输入信号分为电流继电器、电压继电器、功率继电器、速度继电器、压力继电器、温度继电器等。
(2)按工作原理分为电磁型继电器、感应型继电器、整流型继电器、静态型继电器、热继电器等。
(3)按用途分为测量继电器与辅助继电器。
(4)按输出形式分为有触点继电器和无触点继电器。
电磁式继电器是以电磁吸合力为驱动动力源的继电器。
电磁式继电器所配装的电磁线圈有交流和直流两种,各自构成交流电磁式继电器和直流电磁式继电器。
电磁式继电器配装不同功能的电磁线圈后可分别制成电流继电器、电压继电器和中间继电器。
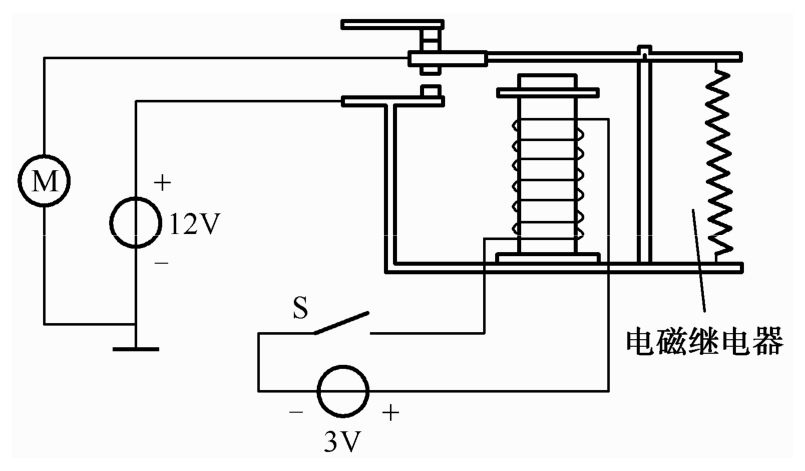
电磁继电器结构如图2-12所示,其控制电动机电路图如图2-13所示。
 
    图2-12 电磁继电器结构
 
    图2-13 电磁继电器控制电动机电路图
当线圈两端加上一定的电压时,线圈中就会流过一定的电流,产生电磁效应,衔铁在电磁力吸引的作用下克服返回弹簧的拉力吸向铁芯,带动衔铁的动触点与常开触点吸合。
当线圈断电后,电磁的吸力也随之消失,衔铁就会在弹簧的反作用力返回原来的位置,使动触点与原来的常闭触点释放。这样吸合、释放,从而达到了在电路中的导通、切断的目的。
继电器的工作原理与接触器的一样,主要是触点容量不同,继电器触点容量较小,触头只能通过小电流,主要用于控制电路,没有灭弧装置,可在电量或非电量的作用下动作;接触器触点容量大,触头可以通过大电流,用于主回路较多,有灭弧装置,一般只能在电压作用下动作。
继电特性是继电器的主要特性,又称输入/输出特性。如图2-14所示,当继电器输入量x由零增至x 2 以前,输出量y为0,当x=x 2 时,继电器动作,y=y 1 ,若x再增大,y保持不变,当x减小至x 1 ,继电器返回,y=0,x再减小时,y均为0。x 2 称为继电器动作值。欲使继电器动作,输入量x必须大于或等于此值;x 1 为继电器返回值,欲使继电器返回,输入量x必须小于或等于此值。
 
    图2-14 继电特性曲线
k=x 1 /x 2 称为继电器的返回系数,是继电器重要参数之一,k值应该是可以调节的,不同场合要求不同k值。例如,一般要求k=0.1~0.4,当继电器动作后,输入量波动较大不致引起误动作。而电压继电器则要求高的返回系数,k值一般在0.6以上。
继电器有两个重要参数。
(1)动作时间:指从线圈接收电信号到衔铁完全吸合所需时间。
(2)返回时间:指从线圈失电到衔铁完全释放所需时间。
一般继电器的动作、返回时间为0.05~0.15s,快速继电器则为0.005~0.05s。
1.电流继电器
电流继电器用作继电保护的测量元件,串接于被测电路中,反应被保护元件的电流变化;电流继电器线圈匝数少、导线粗、阻抗小。
电流继电器有过电流、欠电流两种类别。
(1)过电流继电器:输入电流为(70%~300%)I e 时吸合(直流);
输入电流为(110%~400%)I e 时吸合(交流)。
(2)欠电流继电器:输入电流为(30%~65%)I e 时吸合,低至(10%~20%)I e 时释放。
正常情况下,欠电流继电器始终是吸合的,而过电流继电器始终是断开的。
2.电压继电器
电压继电器并接于被测电路中,是以电压为特征量的测量继电器;电压继电器线圈匝数多、导线细、阻抗大。
电压继电器有过电压、低电压两种类别。
(1)过电压继电器:输入电压为(105%~120%)U e 时吸合。
(2)低电压继电器:输入电压低至(30%~50%)U e 时释放。
正常情况下,低电压继电器始终是吸合的,而过电压继电器始终是断开的。
3.中间继电器
中间继电器在控制电路中,有时为了增加触点的数量或增大触点的控制容量,需要使用中间继电器;触点数量多、容量大,以扩展前级继电器触点或触点负载容量,起到中间放大的作用。
4.时间继电器
时间继电器作为一种辅助继电器,在接收到动作(释放)信号后不是立即动作,而是经过固定的时间才改变其输出状态。
时间继电器延时方式有两种。
(1)通电延时:接收输入信号后延时一定的时间,输出信号才发生变化,当输入信号消失后,输出瞬时复原。
(2)断电延时:接收输入信号时,瞬时产生相应的输出信号,当输入信号消失后,延时一定的时间,输出才复原。
5.热继电器
热继电器通常应用在电动机保护场合。
热继电器利用电流的热效应原理,当其测量元件被加热到一定程度时动作,在出现电动机不能承受的过载时切断电源,为电动机提供过载保护。
热继电器能够根据过载电流的大小自动调整动作时间,具有反时限保护特性,过载电流越大,动作时间越短。
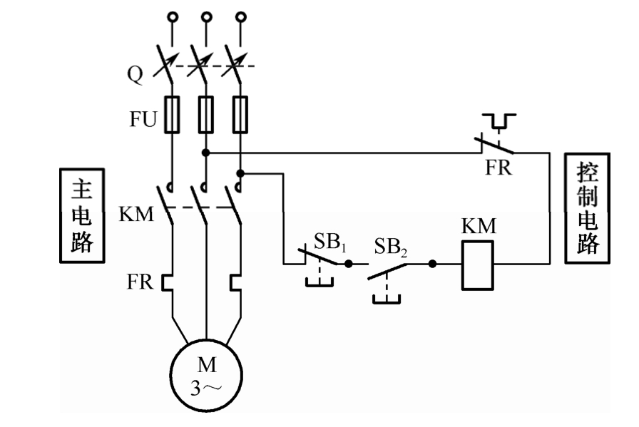
1.电动机的点动控制(见图2-15)
合上开关Q,按下启动按钮SB2,KM线圈通电,松开启动按钮SB2,KM线圈断电,电动机停止工作。
问题一:
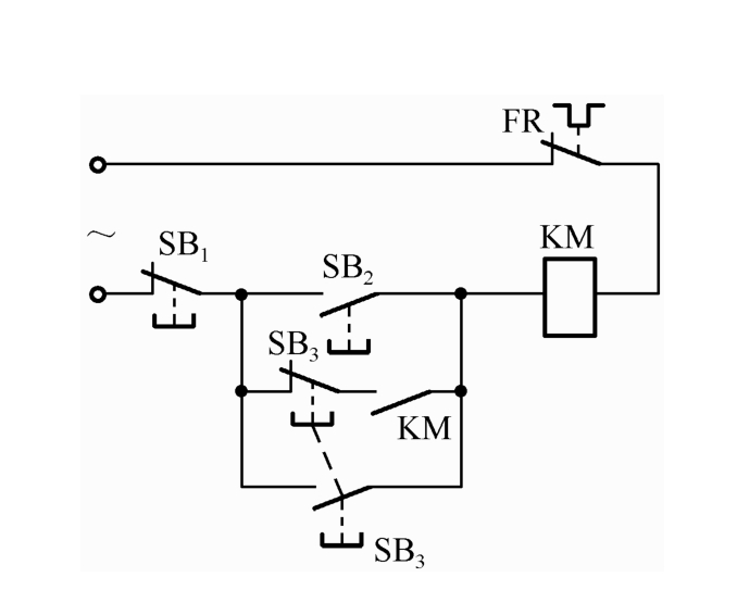
如何能使电动机既可以点动又可以连续工作呢?我们只需要修改下控制电路,如图2-16所示。
 
    图2-15 电动机的点动控制
 
    图2-16 既能连续工作又能点动的控制电路
在这里,按下连续工作启动按钮SB2,KM得电吸合并自保,电动机连续运转。
点动按钮SB3有如下作用:
(1)使接触器线圈KM通电。
(2)使线圈KM不能自锁。
(3)电动机实现点动控制。
点动时,按下SB3,电机运转,自锁触点不起作用。
问题二:
如何实现两地同时控制一台电动机?
我们只需要两启动按钮并联,两停止按钮串联,如图2-17所示。
 
    图2-17 甲乙两地同时控制一台电动机的电路图
2.电动机的顺序控制
在实际生产生活中,一些情况下需要多台电动机有顺序地启动。如锅炉房控制柜的引风电动机和鼓风电动机,引风电动机不开时,鼓风电动机就不能工作;当引风电动机工作时,鼓风电动机可以工作。
在井下皮带运输中,前一部皮带不开,后一部就不能开,否则,将会出现堆煤现象。
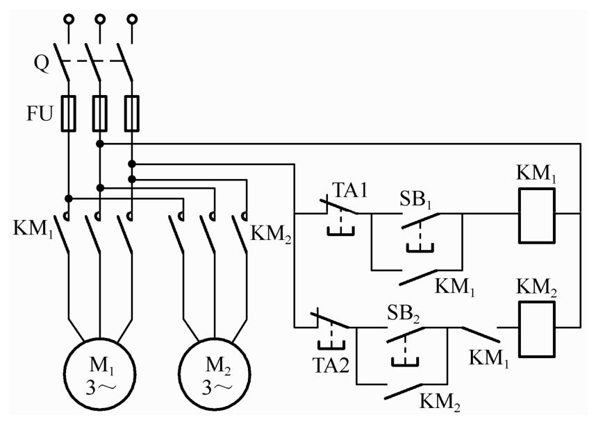
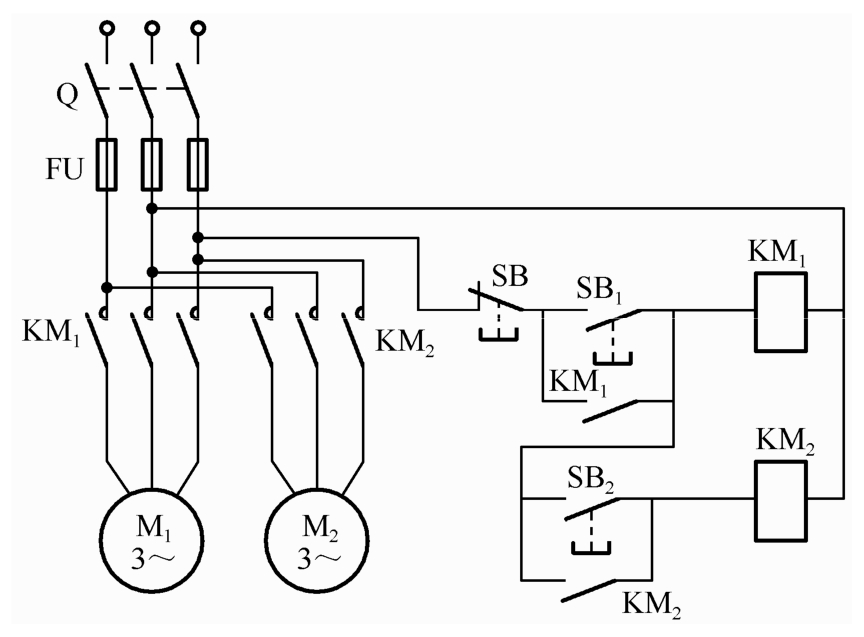
问题三:
如何实现电动机的顺序启动控制呢?如图2-18所示。
1)控制顺序
M 1 启动后M 2 才能启动。M 2 不能单独启动,但能单独停止。锅炉房的引风电动机与鼓风电动机就是这种情况。
2)启动过程
按下SB 1 ,M 1 转动,再按下SB 2 ,M 2 转动。
问题四:
如果M 1 启动后M 2 才能启动。M 2 既不能单独启动,也不能单独停止,该如何实现?如图2-19所示。
 
    图2-18 电动机的顺序控制
 
    图2-19 电动机的顺序控制